Componenti - RISCALDATORE - Fiat DOBLO 1.3 JTD 16V da 12/03
| Codice componente | Denominazione | Riferimento al complessivo |
| B001 | CENTRALINA DI DERIVAZIONE | |
| B2 | CENTRALINA DI DERIVAZIONE SOTTO PLANCIA | |
| C10 | MASSA ANTERIORE SINISTRA | |
| C15 | MASSA PLANCIA LATO GUIDA | |
| D008 | GIUNZIONE ANTERIORE/CONDIZIONATORE - RISCALDATORE | |
| G45 | LUCI COMANDI CONDIZIONATORE/RISCALDATORE | |
| H001 | COMMUTATORE DI ACCENSIONE | |
| H81 | COMANDO ELETTROVENTILATORE CLIMATIZZAZIONE | |
| M001 | BODY COMPUTER | |
| N85 | ELETTROVENTILATORE ARIA ABITACOLO | |
| O30 | RESISTENZA REGOLAZIONE ELETTROVENTILATORE ARIA ABITACOLO |
| Codice componente | Denominazione | Riferimento al complessivo |
| B001 | CENTRALINA DI DERIVAZIONE | |
| B2 | CENTRALINA DI DERIVAZIONE SOTTO PLANCIA | |
| C10 | MASSA ANTERIORE SINISTRA | |
| C15 | MASSA PLANCIA LATO GUIDA | |
| D008 | GIUNZIONE ANTERIORE/CONDIZIONATORE - RISCALDATORE | |
| G45 | LUCI COMANDI CONDIZIONATORE/RISCALDATORE | |
| H001 | COMMUTATORE DI ACCENSIONE | |
| H81 | COMANDO ELETTROVENTILATORE CLIMATIZZAZIONE | |
| M001 | BODY COMPUTER | |
| N85 | ELETTROVENTILATORE ARIA ABITACOLO | |
| O30 | RESISTENZA REGOLAZIONE ELETTROVENTILATORE ARIA ABITACOLO |
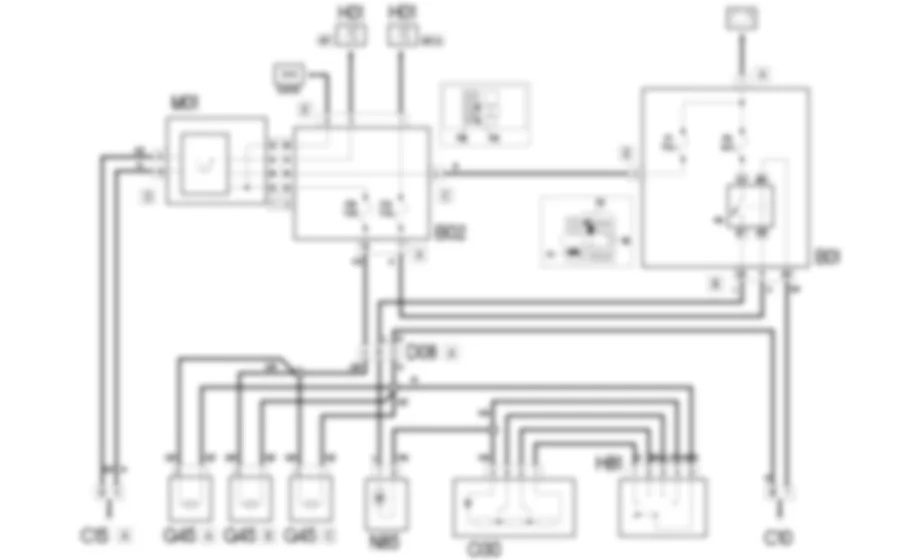
La climatizzazione della vettura viene realizzata attraverso il gruppo convogliatore/distributore con riscaldatore e controllata agendo sulle tre manopole di comando poste sulla plancia:- la manopola centrale comanda in modo meccanico lo sportello di miscelazione tra aria calda e fredda;- la manopola di sinistra comanda in modo meccanico, attraverso una trasmissione flessibile, l''apertura degli sportelli che regolano la distribuzione dei flussi di aria;- la manopola destra regola con un comando elettrico la ventilazione dell''aria a quattro differenti velocita; sono disponibili due versioni: una a tre velocita ed una a quattro velocita.Il comando per le differenti velocita dell’elettroventilatore e realizzato grazie ad un partitore resistivo, protetto da un apposito termofusibile per eventuali sovratemperature.Sul gruppo comandi e presente anche un cursore posto sotto le manopole che regola la funzione di "ricircolo" in modo meccanico, attraverso una trasmissione flessibile.Il gruppo di comando viene illuminato a luci di posizione inserite.Il circuito dell''elettroventilatore e protetto da uno specifico fusibile e comandato dal teleruttore elettroventilatore aria abitacolo posti nella centralina di derivazione vano motore.L''elettroventilatore e infatti inseribile solo con chiave su MAR.
Il teleruttore R8, contenuto nella centralina di derivazione vano motore B01, controlla il circuito dell’elettroventilatore del riscaldatore.L’alimentazione al teleruttore giunge dalla batteria al pin 1 del connettore A di B01, protetta dal fusibile F8, mentre la bobina viene eccitata “sotto chiave” (INT/A) dalla linea protetta dal fusibile F31 della centralina di derivazione sotto plancia B02.Il teleruttore R8 alimenta direttamente l’elettroventilatore N85, il quale funziona alle differenti velocita grazie al regolatore O30. Agendo sul comando elettroventilatore H81, e possibile gestire differenti resistenze (partitore di tensione), le quali variano il “carico” del circuito e fanno funzionare il motorino N85 alle quattro diverse velocita.Il gruppo dei comandi ha degli ideogrammi illuminati a luci di posizione inserite dalle luci G45 alimentate tramite la linea protetta dal fusibile F51 della centralina di derivazione sotto plancia B02.












































