Стеклоочистители и Стеклоомыватели Дворники
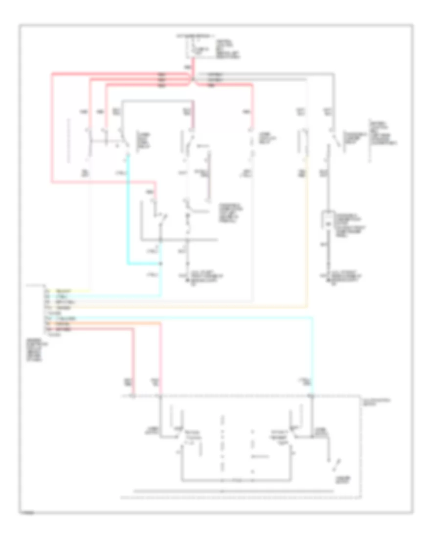
Электросхема стеклоочистителя, дворников и омывателя для Mazda B2300 SE 2003
Электросхема стеклоочистителя, дворников и омывателя для Mazda B2300 SE 2003 - Список элементов:
СИСТЕМА АНТИБЛОКИРОВОЧНОЙ ТОРМОЗНОЙ СИСТЕМЫ СИСТЕМА ОХЛАЖДЕНИЯ СИСТЕМА ПЕРЕДАЧИ ДАННЫХ СИСТЕМА КОНДИЦИОНЕРА СИСТЕМА УПРАВЛЕНИЯ ДВИГАТЕЛЯ ЗАЗЕМЛЕНИЕ ПОДКЛЮЧЕНИЕ МАССЫ ПРОТИВОУГОННАЯ СИСТЕМА СИГНАЛИЗАЦИЯ БЛОКИ УПРАВЛЕНИЯ КУЗОВОМ ВНЕШНЕЕ ОСВЕЩЕНИЕ ВНУТРЕННЕЕ ОСВЕЩЕНИЕ ПРИБОРНАЯ ПАНЕЛЬ ЗВУКОВОЙ СИГНАЛ ГУДОК БЛОК ПРЕДОХРАНИТЕЛЕЙ И РЕЛЕ ПРИВОД ЗЕРКАЛ ПРИВОД СТЕКЛОПОДЪЕМНИКОВ СИСТЕМА КРУИЗКОНТРОЛЯ МАГНИТОЛА МУЛЬТИМЕДИЯ БЛОКИРОВКИ СЕЛЕКТОРА СТОЯНОЧНЫЙ ТОРМОЗ СТАРТЕР ГЕНЕРАТОР ПОДУШКИ БЕЗОПАСНОСТИ СИСТЕМА ФАР СИСТЕМА ПРИВОДА ПРЕДУПРЕЖДАЮЩИЕ СИСТЕМЫ СТЕКЛООЧИСТИТЕЛИ И СТЕКЛООМЫВАТЕЛИ ДВОРНИКИ
