Стеклоочистители и Стеклоомыватели Дворники
схема шайбы фары для Mercedes-Benz C320 4Matic 2003
схема шайбы фары для Mercedes-Benz C320 4Matic 2003 - Список элементов:
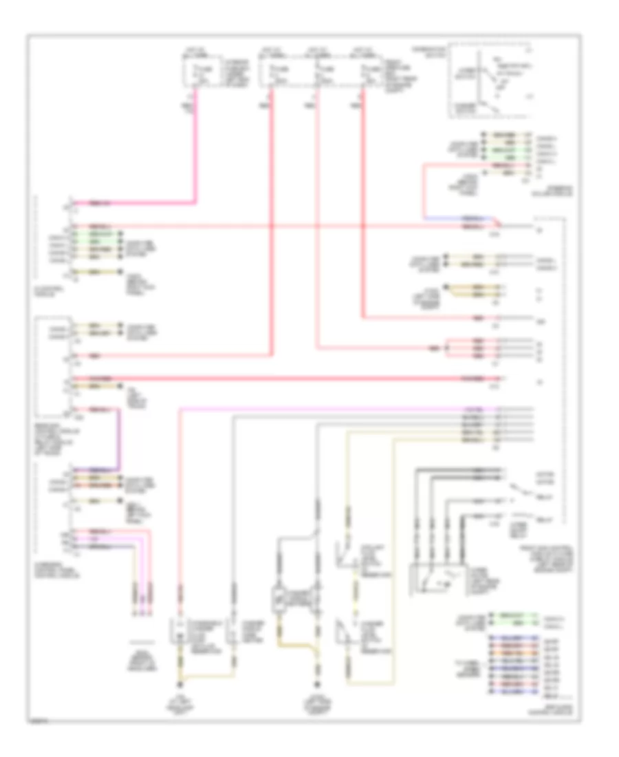
Электросхема стеклоочистителя, дворников и омывателя, Купе Sedan & для Mercedes-Benz C320 4Matic 2003
Электросхема стеклоочистителя, дворников и омывателя, Купе Sedan & для Mercedes-Benz C320 4Matic 2003 - Список элементов:
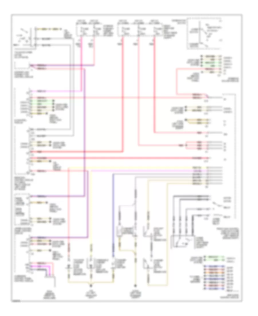
Электросхема стеклоочистителя, дворников и омывателя, Универсал для Mercedes-Benz C320 4Matic 2003
Электросхема стеклоочистителя, дворников и омывателя, Универсал для Mercedes-Benz C320 4Matic 2003 - Список элементов:

