Стеклоочистители и Стеклоомыватели Дворники
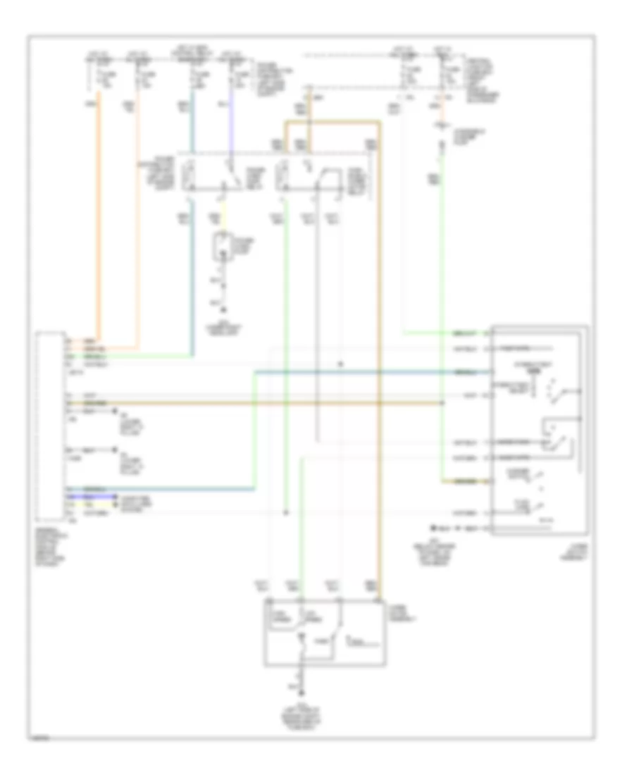
Электросхема стеклоочистителя, дворников и омывателя, С Датчик дождя для Jaguar X-Type 2003
Электросхема стеклоочистителя, дворников и омывателя, С Датчик дождя для Jaguar X-Type 2003 - Список элементов:
- (behind right side of dash) general electronic control module
- Ca86
- Central junction fuse box (front left side of passenger bulkhead)
- Computer data lines system
- Fast wipe
- Flick wipe
- Fuse 10a
- Fuse 15a
- Fuse 20a
- Fuse 30a
- G10 (under right headlamp)
- G14 (left side of engine compt, rearward of fuse box)
- G15 (lower left "a" pillar)
- G37 (below center of dash, on left cross car beam)
- G4 (lower right "a" pillar)
- G5 (lower right "a" pillar)
- High speed
- Hot at all times
- Hot in run
- Hot w/ ems control relay energized
- Intermittent select
- Intermittent wipe
- Ip2
- Ip4
- Ip5
- Ip6
- Jb172
- Jb51
- Low speed
- Park
- Power distribution fuse box (left side of engine compt)
- Power wash pump
- Power wash pump relay
- Rain sensing (behind rear view mirror)
- Rain sensing control module (behind left side of dash)
- Run
- Slow wipe
- Washer switch
- Wind- shield wiper motor relay
- Windshield washer pump
- Wiper motor assembly
- Wiper park
- Wiper switch assembly
Электросхема стеклоочистителя, дворников и омывателя, без Датчик дождя для Jaguar X-Type 2003
Электросхема стеклоочистителя, дворников и омывателя, без Датчик дождя для Jaguar X-Type 2003 - Список элементов:
- Ca86
- Central junction fuse box (front left side of passenger bulkhead)
- Computer data lines system
- Fast wipe
- Flick wipe
- Fuse 10a
- Fuse 15a
- Fuse 20a
- Fuse 30a
- G10 (under right headlamp)
- G14 (left side of engine compt, rearward of fuse box)
- G37 (below center of dash, on left cross car beam)
- G4 (lower right "a" pillar)
- G5 (lower right "a" pillar)
- General electronic control module (behind right side of dash)
- High speed
- Hot at all times
- Hot in run
- Hot w/ ems control relay energized
- Intermittent select
- Intermittent wipe
- Ip2
- Ip4
- Ip5
- Ip6
- Jb172
- Jb51
- Low speed
- Park
- Power distribution fuse box (left side of engine compt)
- Power wash pump
- Power wash pump relay
- Run
- Slow wipe
- Washer switch
- Wind- shield wiper motor relay
- Windshield washer pump
- Wiper motor assembly
- Wiper park
- Wiper switch assembly