AUTOMOTIVE ELECTRICIANS

Электросхемы Стеклоочистители и Стеклоомыватели Дворники Jaguar XJ L Supercharged 2011

Стеклоочистители и Стеклоомыватели Дворники

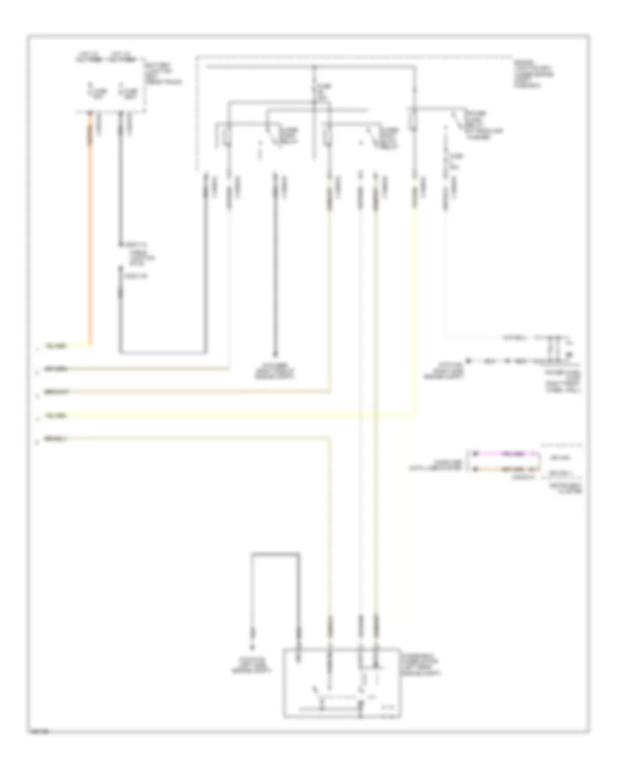
Электросхема стеклоочистителя, дворников и омывателя (1 из 2) для Jaguar XJ L Supercharged 2011

Электросхема стеклоочистителя, дворников и омывателя (1 из 2) для Jaguar XJ L Supercharged 2011

Электросхема стеклоочистителя, дворников и омывателя (1 из 2) для Jaguar XJ L Supercharged 2011 - Список элементов:

  • Ambient light rain sensor
  • Anti-theft system
  • Autowipe
  • C31-a
  • C31-b
  • C31-c
  • C31-d
  • C32-c
  • C32-f
  • C33-e
  • C33-f
  • C3bpo1b
  • C3bpo1c
  • C3bpo1d
  • C3bpo1e
  • C3bpo1f
  • C3bpo1h
  • Central junction box (left rear seat backrest)
  • Computer data lines system
  • Fast
  • Fast rly front wiper
  • Flick wiper sw
  • Fuse 15a
  • Fuse 5a
  • G1d131bl (right side engine compt)
  • G3d182bl (driver seat well)
  • G3d190br (right "c" pillar)
  • Gnd
  • Hot at all times
  • Hot w/ ignition relay energized
  • Int 1
  • Int 2
  • Int 3
  • Int 4
  • Int 5
  • Int 6
  • Intermittent
  • Intermittent wiper sw
  • Lin
  • Lin 2
  • Low washer fluid level sensor (right front wheel well)
  • Ms can pos
  • Off
  • On rly front wiper
  • Park sw front wiper
  • Sens pwr
  • Slow
  • Steering column wiper switch
  • W/s wash rly ctrl
  • Washer fluid level sw
  • Washer sw
  • Wind- shield wash relay
  • Windshield washer pump (next to washer fluid reservoir)
  • Wiper stalk gnd
  • Wiper sw master

Электросхема стеклоочистителя, дворников и омывателя (2 из 2) для Jaguar XJ L Supercharged 2011

Электросхема стеклоочистителя, дворников и омывателя (2 из 2) для Jaguar XJ L Supercharged 2011 - Список элементов:

  • Battery junction box (rear trunk)
  • C1bb01a
  • C1bb01b
  • C1bb01f
  • C1bb01g
  • C1bb01k
  • C1bb01l
  • C2mc01a
  • C3dc11a
  • C3dc11b
  • C4bf01b
  • C4bf01e
  • Cable junction stud
  • Computer data lines system
  • Engine junction box (under engine compt fuse box)
  • Fast
  • Fuse 250a
  • Fuse 30a
  • Fuse 40a
  • Fuse 50a
  • G1d121cs (left side engine compt)
  • G1d125br (right side of engine compt)
  • G1d131bl (right side engine compt)
  • Gnd
  • Hot at all times
  • Instrument cluster
  • Ms can +
  • Ms can -
  • Park in
  • Power wash pump (right front wheel well)
  • Power wash relay (w/ headlamp washer)
  • Slow
  • Windshield wiper motor (left rear engine compt)
  • Wiper fast/ slow relay
  • Wiper park relay

Can't find your car? Check -> DiagnostData.com!