AUTOMOTIVE ELECTRICIANS

All Wiring Diagrams for Subaru Outback 2012

AIR CONDITIONING


2.5L

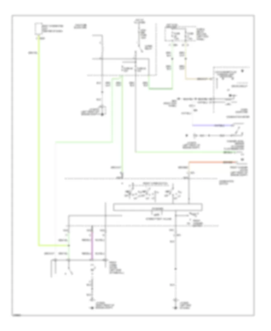
2.5L, Automatic A/C Wiring Diagram (1 of 3) for Subaru Outback 2012

2 5L Automatic A C Wiring Diagram 1 of 3 for Subaru Outback 2012

List of elements for 2.5L, Automatic A/C Wiring Diagram (1 of 3) for Subaru Outback 2012:

  • (left front of engine) compressor solenoid
  • (right side of dash) blower motor
  • (right side of dash) blower motor relay
  • (right side of dash) intake door actuator
  • A/c control module (behind right side of dash)
  • Air mix door actuator (center of dash)
  • Air mix door actuator (passenger's seat) (right side of dash)
  • B36
  • B36 i1
  • B38
  • Computer data lines system
  • Evaporator sensor (left side of dash)
  • Flow sensor (left side of engine compt)
  • Fuse & relay box (f/b) (left kick panel)
  • Fuse 15a
  • Fuse 7.5a
  • Gb-5 (right kick panel)
  • Hot at all times
  • Hot in on or start
  • I152
  • I181
  • I80
  • In-vehicle sensor (behind center console)
  • J/c b478 (left front of engine compt)
  • J/c i169 (right side of dash)
  • Light control sensor (base of right "a" pillar)
  • Main fuse box (m/b)
  • Mode door actuator (right side of dash)
  • Pressure sensor (top rear of of engine)
  • Red

2.5L, Automatic A/C Wiring Diagram (2 of 3) for Subaru Outback 2012

List of elements for 2.5L, Automatic A/C Wiring Diagram (2 of 3) for Subaru Outback 2012:

  • (left side of dash)
  • A/c control panel
  • Can tranceiver & receiver
  • Combination meter
  • Computer data lines system
  • Drive circuit
  • Engine coolant temperature ind
  • Engine coolant temperature warning light ind
  • Fuse & relay box (f/b) (left kick panel)
  • Fuse 7.5a
  • Gb-5 (right kick panel)
  • Hot in acc or on
  • Hot w/ ig 2 relay energized
  • I/f
  • Interior lights system
  • J/c i165
  • J/c i166 (left side of dash)
  • J/c i97 (right side of dash)
  • Micro computer
  • Power transistor (right side of dash)
  • Red

2.5L, Automatic A/C Wiring Diagram (3 of 3) for Subaru Outback 2012

List of elements for 2.5L, Automatic A/C Wiring Diagram (3 of 3) for Subaru Outback 2012:

  • (left front of engine compt) main fan motor
  • 2.5l
  • 2.5l turbo
  • A/c relay holder (left rear of engine compt)
  • Ambient sensor (behind left side of front bumper)
  • B134
  • B135
  • B136
  • B137
  • B21
  • B36
  • B52
  • Computer data lines system
  • Ecm (right side of dash)
  • Engine controls system
  • Engine coolant temperature sensor (top front of engine)
  • Fuse & relay box (f/b) (left kick panel)
  • Fuse 15a
  • Fuse 25a
  • Fuse 7.5a
  • Gb-5 (right kick panel)
  • Hot at all times
  • Hot in on or start
  • J/c b479 (left front of engine compt)
  • Main fan relay 1
  • Main fan relay 2
  • Main fuse box (m/b)
  • Nca
  • Sub fan motor (right front of engine compt)
  • Sub fan relay

2.5L, Manual A/C Wiring Diagram (1 of 3) for Subaru Outback 2012

List of elements for 2.5L, Manual A/C Wiring Diagram (1 of 3) for Subaru Outback 2012:

  • (left front of engine) compressor solenoid
  • (right side of dash) blower motor
  • (right side of dash) blower motor relay
  • (right side of dash) intake door actuator
  • A/c control module (behind right side of dash)
  • Air mix door actuator (center of dash)
  • B36
  • B38
  • Computer data lines system
  • Evaporator sensor (left side of dash)
  • Flow sensor (left side of engine compt)
  • Fuse & relay box (f/b) (left kick panel)
  • Fuse 15a
  • Fuse 7.5a
  • Gb-5 (right kick panel)
  • Hot at all times
  • Hot in on or start
  • I152
  • I181
  • I80
  • J/c b478 (left front of engine compt)
  • J/c i169 (right side of dash)
  • Main fuse box (m/b)
  • Mode door actuator (right side of dash)
  • Pressure sensor (top rear of engine)
  • Red

2.5L, Manual A/C Wiring Diagram (2 of 3) for Subaru Outback 2012

List of elements for 2.5L, Manual A/C Wiring Diagram (2 of 3) for Subaru Outback 2012:

  • (left side of dash)
  • A/c control panel
  • Blower fan switch
  • Blower resistor (right side of dash)
  • Can tranceiver & receiver
  • Combination meter
  • Computer data lines system
  • Drive circuit
  • Engine coolant
  • Engine coolant temperature warning light ind
  • Fuse & relay box (f/b) (left kick panel)
  • Fuse 7.5a
  • Gb-5 (right kick panel)
  • Hot in acc or on
  • Hot w/ ig 2 relay energized
  • I/f
  • Interior lights system
  • J/c i165
  • J/c i166 (left side of dash)
  • J/c i97 (right side of dash)
  • Micro computer
  • Off
  • Red
  • Temperature ind

2.5L, Manual A/C Wiring Diagram (3 of 3) for Subaru Outback 2012

List of elements for 2.5L, Manual A/C Wiring Diagram (3 of 3) for Subaru Outback 2012:

  • (left front of engine compt) main fan motor
  • A/c relay holder (left rear of engine compt)
  • Ambient sensor (behind left side of front bumper)
  • B134
  • B135
  • B136
  • B137
  • B21
  • B36
  • B52
  • Computer data lines system
  • Ecm (right side of dash)
  • Engine controls system
  • Engine coolant temperature sensor (top front of engine)
  • Fuse & relay box (f/b) (left kick panel)
  • Fuse 15a
  • Fuse 25a
  • Fuse 7.5a
  • Gb-5 (right kick panel)
  • Hot at all times
  • Hot in on or start
  • J/c b479 (left front of engine compt)
  • Main fan relay 1
  • Main fan relay 2
  • Main fuse box (m/b)
  • Nca
  • Sub fan motor (right front of engine compt)
  • Sub fan relay

3.6L

3.6L, Automatic A/C Wiring Diagram (1 of 2) for Subaru Outback 2012

List of elements for 3.6L, Automatic A/C Wiring Diagram (1 of 2) for Subaru Outback 2012:

  • (left front of engine) compressor solenoid
  • (right side of dash) blower motor
  • (right side of dash) blower motor relay
  • (right side of dash) intake door actuator
  • A/c control module (behind right side of dash)
  • Air mix door actuator (driver's seat) (center of dash)
  • Air mix door actuator (passenger's seat) (right side of dash)
  • B36
  • B36 i1
  • B38
  • Computer data lines system
  • Evaporator sensor (left side of dash)
  • Flow sensor (left side of engine compt)
  • Fuse & relay box (f/b) (left kick panel)
  • Fuse 15a
  • Fuse 7.5a
  • Gb-5 (right kick panel)
  • Hot at all times
  • Hot in on or start
  • I152
  • I181
  • I80
  • In-vehicle sensor (behind center console)
  • J/c b478 (left front of engine compt)
  • J/c i169 (right side of dash)
  • Light control sensor (base of right "a" pillar)
  • Main fuse box (m/b)
  • Mode door actuator (right side of dash)
  • Pressure sensor (top rear of engine)
  • Red

3.6L, Automatic A/C Wiring Diagram (2 of 2) for Subaru Outback 2012

List of elements for 3.6L, Automatic A/C Wiring Diagram (2 of 2) for Subaru Outback 2012:

  • (left front of engine compt) j/c b478
  • (left side of dash)
  • A/c control panel
  • A/c relay holder (left rear of engine compt)
  • Ambient sensor (behind left side of front bumper)
  • B134
  • B135
  • B137
  • B21
  • B36
  • B504
  • B52
  • Can transceiver & receiver
  • Combination meter
  • Computer data lines system
  • Drive circuit
  • Ecm (right side of dash)
  • Engine controls system
  • Engine coolant temperature ind
  • Engine coolant temperature sensor (left front of engine)
  • Engine coolant temperature warning light ind
  • F106
  • F135
  • F16
  • F17
  • Fuse & relay box (f/b) (left kick panel)
  • Fuse 7.5a
  • Gb-5 (right kick panel)
  • Hot at all times
  • Hot in acc or on
  • Hot in on or start
  • Hot w/ ig 2 relay energized
  • I/f
  • Interior lights system
  • J/c i165
  • J/c i166 (left side of dash)
  • J/c i97 (right side of dash)
  • Main fan motor (left front of engine compt)
  • Main fan relay
  • Main fuse box (m/b)
  • Micro computer
  • Nca
  • Power transistor (right side of dash)
  • Radiator fan control module (right front of engine compt)
  • Red
  • Sbf-2 fuse 80a
  • Sub fan motor (right front of engine compt)

3.6L, Manual A/C Wiring Diagram (1 of 2) for Subaru Outback 2012

List of elements for 3.6L, Manual A/C Wiring Diagram (1 of 2) for Subaru Outback 2012:

  • (left front of engine) compressor solenoid
  • (right side of dash) blower motor
  • (right side of dash) blower motor relay
  • (right side of dash) intake door actuator
  • A/c control module (behind right side of dash)
  • Air mix door actuator (center of dash)
  • B36
  • B38
  • Computer data lines system
  • Evaporator sensor (left side of dash)
  • Flow sensor (left side of engine compt)
  • Fuse & relay box (f/b) (left kick panel)
  • Fuse 15a
  • Fuse 7.5a
  • Gb-5 (right kick panel)
  • Hot at all times
  • Hot in on or start
  • I1 b36
  • I152
  • I181
  • I80
  • J/c b478 (left front of engine compt)
  • J/c i169 (right side of dash)
  • Main fuse box (m/b)
  • Mode door actuator (right side of dash)
  • Pressure sensor (top rear of engine)
  • Red

3.6L, Manual A/C Wiring Diagram (2 of 2) for Subaru Outback 2012

List of elements for 3.6L, Manual A/C Wiring Diagram (2 of 2) for Subaru Outback 2012:

  • (left front of engine compt) j/c b478
  • A/c control panel
  • A/c relay holder (left rear of engine compt)
  • Ambient sensor (behind left side of front bumper)
  • B134
  • B135
  • B137
  • B21
  • B36
  • B504
  • B52
  • Blower fan switch
  • Blower resistor (right side of dash)
  • Can transceiver & receiver
  • Combination meter
  • Computer data lines system
  • Drive circuit
  • Ecm (right side of dash)
  • Engine controls system
  • Engine coolant temperature ind
  • Engine coolant temperature sensor (left front of engine)
  • Engine coolant temperature warning light ind
  • F106
  • F135
  • F16
  • F17
  • Fuse & relay box (f/b) (left kick panel)
  • Fuse 7.5a
  • Gb-5 (right kick panel)
  • Hot at all times
  • Hot in acc or on
  • Hot in on or start
  • Hot w/ ig 2 relay energized
  • I/f
  • Interior lights system
  • J/c i165 (left side of dash)
  • J/c i97 (right side of dash)
  • J/c ii66 (left side of dash)
  • Main fan motor (left front of engine compt)
  • Main fan relay
  • Main fuse box (m/b)
  • Micro computer
  • Nca
  • Off
  • Radiator fan control module (right front of engine compt)
  • Red
  • Sbf-2 fuse 80a
  • Sub fan motor (right front of engine compt)

ANTI-LOCK BRAKES

Anti-lock Brakes Wiring Diagram for Subaru Outback 2012

List of elements for Anti-lock Brakes Wiring Diagram for Subaru Outback 2012:

  • (left side of dash) stop light & brake switch
  • (top center of dash) j/c b546
  • Abs warning light
  • B152
  • B158
  • B36
  • B36 i1
  • B38
  • Brake fluid level switch (brake master cylinder)
  • Can transceiver & receiver
  • Clutch stroke sensor (m/t) (left side of dash)
  • Combination meter
  • Computer data lines system
  • Data link connector (left end of dash)
  • Drive circuit
  • Epb control module (under rear seat)
  • Fl in
  • Fl out
  • Fr in
  • Fr out
  • Fuse & relay box (f/b) (left kick panel)
  • Fuse 15a
  • Fuse 30a
  • Fuse 7.5a
  • Gb-5 (right kick panel)
  • Gb-6 (left kick panel)
  • Gv (right side of engine)
  • Hill hold switch
  • Hot at all times
  • Hot in on or start
  • I/f
  • I1 b36
  • I102
  • I102 r167
  • I152
  • I154
  • I54
  • Interior lights system
  • J/c b483 (right front of engine compt)
  • J/c b491 (left end of dash)
  • J/c i166 (left side of dash)
  • J/c i82 (left end of dash)
  • Left front abs wheel speed sensor (left front wheel spindle assembly)
  • Left rear abs wheel speed sensor (left rear wheel spindle assembly)
  • Lower cover switch (vdc off)
  • Main fuse box (m/b)
  • Micro computer
  • Motor relay
  • Nca
  • Parking brake/brake fluid level warning light
  • Pnk
  • Primary cut
  • Primary suction
  • Pump motor
  • R167
  • R332
  • R342
  • R354
  • R99
  • Red
  • Right front abs wheel speed sensor (right front wheel spindle assembly)
  • Right rear abs wheel speed sensor (right rear wheel spindle assembly)
  • Rl in
  • Rl out
  • Rr in
  • Rr out
  • Sbf-6 fuse 40a
  • Secondary cut
  • Secondary suction
  • Solenoid valve
  • Steering angle sensor (steering column)
  • Valve relay
  • Vdc control module (right rear corner of engine compt)
  • Vdc off ind
  • Vdc warning light/ vdc operation ind light
  • Yaw rate & g sensor

ANTI-THEFT

Forced Entry Wiring Diagram (1 of 2) for Subaru Outback 2012

List of elements for Forced Entry Wiring Diagram (1 of 2) for Subaru Outback 2012:

  • (base of left "b" pillar) gb-10
  • (right kick panel) gb-5
  • (sedan: center front of luggage compt) (wagon: right quarterpanel) gb-7
  • (sedan: center of rear parcel shelf) (wagon: left "d" pillar) gb-9
  • (sedan: center of rear parcel shelf) (wagon: left "d" pillar) tpms & keyless entry control module
  • At select lever
  • B280
  • B281
  • B36
  • Body integrated unit (center of dash)
  • Computer data lines system
  • Exterior lights system
  • Fuse & relay box (f/b) (left kick panel)
  • Fuse 10 10a
  • Fuse 12 15a
  • Fuse 18 15a
  • Fuse 4 7.5a
  • Fuse 7 7.5a
  • Gb-5 (right kick panel)
  • Horns system
  • Hot at all times
  • Hot in on or start
  • Hot w/ ig2 relay energized
  • I102
  • I152
  • I171
  • I53
  • I54
  • I84
  • Impact sensor (right end of dash)
  • Interior lights system
  • J/c b483 (right front of engine compt)
  • J/c b491 (left end of dash)
  • J/c i100 (right side of dash)
  • J/c i165 (left side of dash)
  • Key warning switch (steering column)
  • Keyless buzzer (right side of engine compt)
  • Keyless entry control module (sedan: center front of luggage compt) (wagon: left "d" pillar)
  • Left front door switch (left "b" pillar)
  • Left rear door switch (left "c" pillar)
  • Main fuse box (m/b)
  • R167
  • R339
  • R98
  • R99
  • Red
  • Right front door switch (right "b" pillar)
  • Right rear door switch (right "c" pillar)
  • W/ tpms
  • W/o tpms

Forced Entry Wiring Diagram (2 of 2) for Subaru Outback 2012

List of elements for Forced Entry Wiring Diagram (2 of 2) for Subaru Outback 2012:

  • (center front of luggage compt) gb-7
  • (left kick panel) gb-6
  • (right kick panel) gb-5
  • Circuit
  • Combination meter
  • Computer data lines system
  • D125
  • D144
  • D145
  • D146
  • D147
  • D22
  • D28
  • D34
  • D83
  • D84
  • D95
  • Door lock switch
  • Gb-11 (right top of rear gate)
  • Gb-6 (left kick panel)
  • Gb-8 (base of right "b" pillar)
  • Hood switch (right side of engine compt)
  • I101
  • I154
  • I53
  • I76
  • J/c b483 (right front of engine compt)
  • J/c b491 (left end of dash)
  • J/c i82 (left end of dash)
  • Lcd each door open/ close display
  • Left front door lock actuator (in driver's door)
  • Left rear door lock actuator (in left rear door)
  • Lock
  • Lower cover switch
  • Micro computer
  • Nca
  • Passenger's door lock switch
  • Power window main switch
  • R10
  • R13
  • R24
  • R332
  • R339
  • R38
  • R60
  • R98
  • Rear gate lock actuator & switch (bottom center of rear gate)
  • Rear gate opener button
  • Receiver transceiver & can
  • Red
  • Remote engine start control module (left side of dash)
  • Right front door lock actuator (in right front door)
  • Right rear door lock actuator (in right rear door)
  • Security immobilizer ind light
  • Sedan
  • Trunk lid lock actuator & switch (trunk lid lock actuator: rear center of luggage compt)
  • Trunk lid opener
  • Trunk opener cancel switch
  • Unlock
  • W/ driver's seat auto up function
  • W/o driver's seat auto up function
  • Wagon

Immobilizer Wiring Diagram for Subaru Outback 2012

List of elements for Immobilizer Wiring Diagram for Subaru Outback 2012:

  • (left end of dash) j/c b491
  • B135
  • B280
  • B281
  • B52
  • Body integrated unit (center of dash)
  • Can transceiver & receiver
  • Combination meter
  • Computer data lines system
  • Engine control module (right side of dash)
  • Fuse & relay box (f/b) (left kick panel)
  • Fuse 10 10a
  • Fuse 12 15a
  • Fuse 18 15a
  • Fuse 7 7.5a
  • Gb-6 (left kick panel)
  • Hot at all times
  • Hot in on or start
  • I152
  • I171
  • I84
  • Immobilizer antenna (center of dash)
  • Key warning switch (steering column)
  • Main fuse box (m/b)
  • Micro computer
  • Red
  • Security control module (right kick panel)
  • Security/ immobilizer ind light

BODY CONTROL MODULES

Body Control Modules Wiring Diagram for Subaru Outback 2012

List of elements for Body Control Modules Wiring Diagram for Subaru Outback 2012:

  • (left end of dash) j/c b491
  • (right kick panel) gb-5
  • Anti-theft system
  • B280
  • B281
  • B36
  • Body integrated unit (center of dash)
  • Computer data lines system
  • Defogger system
  • Door locks & warning systems
  • Door locks system
  • Engine controls system
  • Exterior lights system
  • Fuse & relay box (f/b) (left kick panel)
  • Fuse 10a
  • Fuse 15a
  • Fuse 20a
  • Fuse 7.5a
  • Gb-5 (right kick panel)
  • Headlights & interior lights systems
  • Headlights system
  • Horns system
  • Hot at all times
  • Hot in acc or on
  • Hot in on or start
  • I152
  • I171
  • I84
  • Instrument cluster system
  • Interior lights & door locks systems
  • Interior lights system
  • J/c b491 (left end of dash)
  • J/c i166 (left side of dash)
  • Key warning switch (steering column)
  • Main fuse box (m/b)
  • Red
  • Shift interlock system
  • Sound & navigation systems
  • Warning systems
  • Wiper/washer system
  • Wiper/washer system headlights & interior lights systems

COMPUTER DATA LINES

Computer Data Lines Wiring Diagram for Subaru Outback 2012

List of elements for Computer Data Lines Wiring Diagram for Subaru Outback 2012:

  • (right end of dash) impact sensor
  • (sedan: center of rear parcel shelf) (wagon: left "d" pillar) tpms & keyless entry control module
  • (under center console) air bag control module
  • A/c control module (behind right side of dash)
  • A/t
  • Accelerator pedal position sensor shield
  • B135
  • B136
  • B281
  • B38
  • B52
  • B54
  • B55
  • B68
  • Body integrated unit (center of dash)
  • Combination meter
  • Cruise control switch
  • Cvt
  • Data link connector (left end of dash)
  • Delivery (test) mode fuse 36
  • Ecm (right side of dash)
  • Electronic throttle control shield
  • Epb control module (under rear seat)
  • Fuse & relay box (f/b) (left kick panel)
  • Fuse 7.5a
  • Hot at all times
  • Hot w/ ig2 relay energized
  • I/f
  • I1 b36
  • I102
  • I54
  • I80
  • I84
  • J/c b138 (right kick panel)
  • J/c b546 (top center of dash)
  • J/c i140 (center of dash)
  • J/c i141 (center of dash)
  • J/c i210 (right side of dash)
  • J/c i211 (right side of dash)
  • J/c r343 (behind rear seat)
  • J/c r344 (behind rear seat)
  • Main fuse box (m/b)
  • Nca
  • Neutral position switch (m/t)
  • Pnk
  • R167
  • R339 i2
  • R342
  • R354
  • R99
  • Red
  • Remote engine start control module (if equipped) (left side of dash)
  • Roll connector (left side of dash)
  • Security control module (if equipped) (right kick panel)
  • St1
  • St3
  • Steering angle sensor (steering column)
  • Tcm (left side of dash)
  • Vdc control module (right rear corner of engine compt)

COOLING FAN


2.5L

2.5L, Cooling Fan Wiring Diagram for Subaru Outback 2012

List of elements for 2.5L, Cooling Fan Wiring Diagram for Subaru Outback 2012:

  • (left front of engine compt) main fan motor
  • 2.5l
  • 2.5l turbo
  • A/c relay holder (left rear of engine compt)
  • B134
  • B135
  • B136
  • B137
  • B21
  • B52
  • Computer data lines system
  • Ecm (right side of dash)
  • Engine controls system
  • Engine coolant temperature sensor (top front of engine)
  • Fuse & relay box (f/b) (left kick panel)
  • Fuse 15a
  • Fuse 25a
  • Fuse 7.5a
  • Hot at all times
  • Hot in on or start
  • J/c b479 (left front of engine compt)
  • Main fan relay 1
  • Main fan relay 2
  • Main fuse box (m/b)
  • Nca
  • Sub fan motor (right front of engine compt)
  • Sub fan relay

3.6L

3.6L, Cooling Fan Wiring Diagram for Subaru Outback 2012

List of elements for 3.6L, Cooling Fan Wiring Diagram for Subaru Outback 2012:

  • (left front of engine compt) j/c b478
  • A/c relay holder (left rear of engine compt)
  • B134
  • B135
  • B137
  • B21
  • B504
  • B52
  • Computer data lines system
  • Ecm (right side of dash)
  • Engine controls system
  • Engine coolant temperature sensor (left front of engine)
  • F106
  • F135
  • F16
  • F17
  • Fuse & relay box (f/b) (left kick panel)
  • Fuse 7.5a
  • Hot at all times
  • Hot in on or start
  • Main fan motor (left front of engine compt)
  • Main fan relay
  • Main fuse box (m/b)
  • Nca
  • Radiator fan control module (right front of engine compt)
  • Sbf-2 fuse 80a
  • Sub fan motor (right front of engine compt)

CRUISE CONTROL

Cruise Control Wiring Diagram (1 of 2) for Subaru Outback 2012

List of elements for Cruise Control Wiring Diagram (1 of 2) for Subaru Outback 2012:

  • (left side of dash) roll connector
  • A/t
  • Accelerator pedal position sensor (left side of dash)
  • B12
  • B134
  • B135
  • B136
  • B137
  • B21
  • B52
  • B54
  • B55
  • B68
  • Bi58
  • Cancel
  • Clutch switch (left side of dash)
  • Cruise
  • Cruise control switch
  • Cvt
  • Ecm (right side of dash)
  • Electronic throttle control (rear of engine)
  • Electronic throttle control relay (in relay holder)
  • Except turbo
  • Except turbo turbo
  • Fuse & relay box (f/b) (left kick panel)
  • Fuse 12 15a
  • Fuse 15a
  • Fuse 4 7.5a
  • Fuse 5 7.5a
  • Fuse 7 7.5a
  • Fuse 8 15a
  • Ge (2.5l: right rear of engine) (except 2.5l: left rear of engine)
  • Hot at all times
  • Hot in on or start
  • Hot w/ ig2 relay energized
  • I152
  • Inhibitor relay (left kick panel)
  • Inhibitor switch (top of transmission)
  • J/c b138 (right kick panel)
  • J/c b83 (right kick panel)
  • M/t
  • Main fuse box (m/b)
  • Main relay (in relay holder)
  • Nca
  • Neutral position switch
  • Red
  • Res/+
  • Set/-
  • St1
  • St3
  • Tcm (left side of dash)

Cruise Control Wiring Diagram (2 of 2) for Subaru Outback 2012

List of elements for Cruise Control Wiring Diagram (2 of 2) for Subaru Outback 2012:

  • (left side of dash) stop light & brake switch
  • (top center of dash) stop light condenser
  • (top center of dash) stop light resistor
  • A/t
  • B11
  • B11 t4
  • B12
  • B12 t3
  • B54
  • B55
  • Can trans- ceiver & receiver
  • Combination meter
  • Computer data lines system
  • Control valve body (a/t)
  • Cruise display
  • Cvt
  • Front vehicle speed sensor
  • Front wheel speed sensor (cvt)
  • Fuse 7.5a
  • Gb-5 (right kick panel)
  • Hot w/ self-shut relay energized
  • I/f
  • Inhibitor switch
  • Lcd
  • Main fuse box (m/b)
  • Micro computer
  • Pnk
  • Primary speed sensor (cvt) (top right side of cvt transmission)
  • Rear vehicle speed sensor (a/t) (rear of transmission)
  • Red
  • Secondary speed sensor (cvt) (top front of cvt transmission)
  • Set display
  • T10
  • T14
  • T15
  • T3 b12
  • T4 b11
  • Tcm (left side of dash)
  • Turbine speed sensor 1 (a/t) (left side of transmission)
  • Turbine speed sensor 2

DEFOGGERS

Heated Mirrors Wiring Diagram for Subaru Outback 2012

List of elements for Heated Mirrors Wiring Diagram for Subaru Outback 2012:

  • (left kick panel)
  • B158
  • B36
  • B52
  • D34
  • D83
  • D84
  • Fuse & relay box (f/b) (left kick panel)
  • Fuse 17 15a
  • Fuse 22 25a
  • Gb-5 (right kick panel)
  • Gb-6
  • Gb-6 (left kick panel)
  • Hot at all times
  • I101
  • I152
  • I53
  • I76
  • J/c i82 (left end of dash)
  • Left outer mirror assembly
  • Main fuse box (m/b)
  • Main sbf fuse 120a
  • Mirror heater
  • Mirror heater relay
  • Nca
  • Outback module
  • R98
  • Rear defogger
  • Rear defogger relay
  • Red
  • Right outer mirror assembly

Rear Defogger Wiring Diagram for Subaru Outback 2012

List of elements for Rear Defogger Wiring Diagram for Subaru Outback 2012:

  • (base of right "b" pillar) (sedan) gb-8
  • A/c control module (behind right side of dash)
  • A/c control panel
  • Auto a/c
  • B280
  • B36
  • B52
  • Body integrated unit (center of dash)
  • D34
  • Defogger
  • Fuse & relay box (f/b) (left kick panel)
  • Fuse 22 15a
  • Fuse 22 25a
  • Gb-11 (outback) (right top of rear gate)
  • Hot at all times
  • Hot in on
  • I53
  • I80
  • I84
  • J/c i210 (right side of dash)
  • J/c i211 (right side of dash)
  • Main fuse box (m/b)
  • Main sbf fuse 120a
  • Manual a/c
  • Mirror heater relay
  • Module
  • Nca
  • Outback
  • R38
  • R98
  • Rear
  • Rear defogger relay
  • Rear defogger switch
  • Red

Wiper Deicer Wiring Diagram for Subaru Outback 2012

List of elements for Wiper Deicer Wiring Diagram for Subaru Outback 2012:

  • 7.5a
  • Ambient sensor (behind left side of front bumper)
  • B158
  • B281
  • B36
  • B52
  • Body integrated unit (center of dash)
  • Combination meter
  • Computer data lines system
  • Computer micro
  • Fuse
  • Fuse & relay box (f/b) (left kick panel)
  • Fuse 15a
  • Fuse 7.5a
  • Gb-5 (right kick panel)
  • Hot at all times
  • Hot in on or start
  • Hot w/ ig2 relay energized
  • I/f
  • I171
  • J/c i100 (right side of dash)
  • Receiver can transceiver &
  • Red
  • Wiper deicer (base of right "a" pillar)
  • Wiper deicer relay

ENGINE PERFORMANCE


2.5L

2.5L, Engine Performance Wiring Diagram (1 of 4) for Subaru Outback 2012

List of elements for 2.5L, Engine Performance Wiring Diagram (1 of 4) for Subaru Outback 2012:

  • (rear of engine) electronic throttle control
  • (right
  • (right rear of engine) egr control valve
  • (top of left cylinder head) fuel injector 2
  • (top of right cylinder head) fuel injector 1
  • Accelerator pedal position sensor (left side of dash)
  • Air conditioning system
  • B134
  • B135
  • B21
  • B280
  • B38
  • Body integrated unit (center of dash)
  • Clutch switch (left side of dash)
  • Computer data lines system
  • Cvt
  • Ecm (right side of dash)
  • Ge (right rear of engine)
  • Ignition coil 1 (right side of engine)
  • Ignition coil 2 (left side of engine)
  • Ignition coil 3 (right side of engine)
  • Ignition coil 4 (left side of engine)
  • M/t
  • Nca
  • Pnk
  • Rear of engine) ge
  • Red
  • Starting/ charging system

2.5L, Engine Performance Wiring Diagram (2 of 4) for Subaru Outback 2012

List of elements for 2.5L, Engine Performance Wiring Diagram (2 of 4) for Subaru Outback 2012:

  • & receiver transceiver can
  • (left rear of engine) left oil switching solenoid valve
  • (right kick panel) j/c b83
  • (right rear of engine) right oil switching solenoid valve
  • (top of left cylinder head) fuel injector 4
  • (top of right cylinder head) fuel injector 3
  • B21
  • B38
  • B38 i3
  • C6 model
  • Combination meter
  • Computer data lines system
  • Coolant engine
  • Coolant temperature warning light ind
  • Drain valve (sedan: left side of luggage compartment) (wagon: left quarterpanel)
  • Driver circuit
  • Eco gauge
  • Engine
  • Except for c6 model
  • Fuse & relay box (f/b) (left kick panel)
  • Fuse 5 7.5a
  • Fuse 7 7.5a
  • Gb-5 (right kick panel)
  • Hot at all times
  • Hot in on or start
  • I/f
  • I1 b36
  • I152
  • I54
  • Indicator malfunction
  • J/c b138 (right kick panel)
  • Light
  • Light ind oil warning low engine
  • Light ind warning oil pressure
  • Micro computer
  • Nca
  • Oil pressure switch (front center of engine)
  • R99
  • Red
  • Tacho- meter
  • Temperature ind
  • Temperature) engine oil (high buzzer

2.5L, Engine Performance Wiring Diagram (3 of 4) for Subaru Outback 2012

List of elements for 2.5L, Engine Performance Wiring Diagram (3 of 4) for Subaru Outback 2012:

  • (in relay holder) fuel pump relay
  • A/f, oxygen sensor relay (in relay holder)
  • B158
  • B21
  • B38
  • B52
  • Delivery (test) mode fuse 36
  • Electronic throttle control relay (in relay holder)
  • Energized
  • Fuse & relay box (f/b) (left kick panel)
  • Fuse 12 15a
  • Fuse 12 7.5a
  • Fuse 13 15a
  • Fuse 14 15a
  • Fuse 15 15a
  • Fuse 16 15a
  • Fuse 20 20a
  • Fuse 4 7.5a
  • Fuse 8 15a
  • Ge (right rear of engine)
  • Hot at all times
  • Hot in on
  • Hot w/ ig2 relay
  • I155
  • Ig relay (in relay holder)
  • Knock sensor (top left rear of engine)
  • Main fuse box (m/b)
  • Main relay (in relay holder)
  • Nca
  • Or start
  • Pnk
  • R333
  • Red
  • Stop light & brake switch (left side of dash)

2.5L, Engine Performance Wiring Diagram (4 of 4) for Subaru Outback 2012

List of elements for 2.5L, Engine Performance Wiring Diagram (4 of 4) for Subaru Outback 2012:

  • (in fuel tank) fuel pump assembly
  • (right front of engine) front oxygen (a/f) sensor
  • (right front of engine) rear oxygen sensor
  • (right side of engine compt)
  • (sedan: right side of luggage compt) (wagon: right quarterpanel) fuel tank pressure sensor
  • B136
  • B137
  • B21
  • B21 e2
  • Camshaft position sensor (left front of engine)
  • Computer data lines system
  • Crankshaft position sensor (front of engine)
  • Cruise control system
  • E2 b21
  • Ecm (right side of dash)
  • Engine coolant temperature sensor (top front of engine)
  • Engine oil temperature sensor (rear of right cylinder head)
  • Fuel level sensor
  • Fuel pump
  • Fuel temperature sensor
  • Gb-8 (base of right "b" pillar)
  • Ge (right rear of engine)
  • I3 b38
  • Instrument cluster system
  • Left variable valve lift diagnosis oil pressure switch (front of left cylinder head)
  • Manifold absolute pressure sensor (right rear of engine)
  • Mass air flow & intake air temperature sensor
  • Nca
  • Oil level switch (rear of left cylinder head)
  • Pnk
  • Power steering oil pressure switch (on power steering oil pump)
  • Purge control solenoid valve (left side of engine)
  • R333 i155
  • R57 r15
  • Red
  • Right variable valve lift diagnosis oil pressure switch (rear of right cylinder head)
  • Starting/ charging system
  • Starting/charging system

3.6L

3.6L, Engine Performance Wiring Diagram (1 of 5) for Subaru Outback 2012

List of elements for 3.6L, Engine Performance Wiring Diagram (1 of 5) for Subaru Outback 2012:

  • (rear of engine) electronic throttle control
  • (top of left cylinder head) fuel injector 2
  • (top of left cylinder head) fuel injector 4
  • (top of left cylinder head) fuel injector 6
  • (top of right cylinder head) fuel injector 1
  • (top of right cylinder head) fuel injector 3
  • (top of right cylinder head) fuel injector 5
  • Accelerator pedal position sensor (left side of dash)
  • Air conditioning system
  • B134
  • B135
  • B21
  • B280
  • B38
  • Body integrated unit (center of dash)
  • Computer data lines system
  • Ecm (right side of dash)
  • Ge (left rear of engine)
  • Ignition coil 1 (right side of engine)
  • Ignition coil 2 (left side of engine)
  • Ignition coil 3 (right side of engine)
  • Ignition coil 4 (left side of engine)
  • Ignition coil 5 (right side of engine)
  • Ignition coil 6 (left side of engine)
  • Pnk
  • Red
  • Starting/ charging system

3.6L, Engine Performance Wiring Diagram (2 of 5) for Subaru Outback 2012

List of elements for 3.6L, Engine Performance Wiring Diagram (2 of 5) for Subaru Outback 2012:

  • & receiver transceiver can
  • (front of left cylinder head) left exhaust oil flow control solenoid valve
  • (front of left cylinder head) left intake oil flow control solenoid valve
  • (front of right cylinder head)
  • (front of right cylinder head) right intake oil flow control solenoid valve
  • (rear of engine) egr valve
  • (right rear of engine) manifold absolute pressure sensor
  • B21
  • B36
  • B38
  • C6 module
  • Combination meter
  • Computer data lines system
  • Coolant engine
  • Drain valve (sedan: left side of luggage compt) (wagon: left quarterpanel)
  • Driver circuit
  • E76
  • E77
  • Eco gauge
  • Engine coolant temperature
  • Except for c6 module
  • Fuse & relay box (f/b) (left kick panel)
  • Fuse 5 7.5a
  • Fuse 7 7.5a
  • Gb-5 (right kick panel)
  • Hot at all times
  • Hot in on or start
  • I/f
  • I152
  • I54
  • Ind
  • Indicator light
  • Light ind oil warning low engine
  • Light ind warning oil pressure
  • Malfunction
  • Micro computer
  • Oil pressure switch (right front of engine)
  • R99
  • Red
  • Red red
  • Right exhaust oil flow control solenoid valve
  • Tacho- meter
  • Temperature warning light ind
  • Temperature) engine oil buzzer (high

3.6L, Engine Performance Wiring Diagram (3 of 5) for Subaru Outback 2012

List of elements for 3.6L, Engine Performance Wiring Diagram (3 of 5) for Subaru Outback 2012:

  • (right kick panel) j/c b138
  • A/f, o2 sensor relay (in relay holder)
  • B158
  • B21
  • B52
  • Delivery (test) mode fuse 36
  • E2 b21
  • E76
  • E76 e77
  • E77
  • Electronic throttle control relay (in relay holder)
  • Energized
  • Fuse & relay box (f/b) (left kick panel)
  • Fuse 12 15a
  • Fuse 12 7.5a
  • Fuse 13 15a
  • Fuse 14 15a
  • Fuse 15 15a
  • Fuse 16 15a
  • Fuse 20 20a
  • Fuse 4 7.5a
  • Fuse 8 15a
  • Hot at all times
  • Hot in on or start
  • Hot w/ ig2 relay
  • Ig relay (in relay holder)
  • Main fuse box (m/b)
  • Main relay (in relay holder)
  • Pnk
  • Purge control solenoid valve (right rear of engine)
  • Red
  • Stop light & brake switch (left side of dash)

3.6L, Engine Performance Wiring Diagram (4 of 5) for Subaru Outback 2012

List of elements for 3.6L, Engine Performance Wiring Diagram (4 of 5) for Subaru Outback 2012:

  • (downstream of catalytic converter)
  • (downstream of catalytic converter) left rear oxygen sensor
  • (in fuel tank) fuel pump assembly
  • (in relay holder) fuel pump relay
  • (left cylinder head exhaust)
  • (sedan: right side of luggage compartment) (wagon: right quarterpanel) fuel tank pressure sensor
  • (sedan: right side of luggage compt) (wagon: right quarterpanel) fuel pump control unit
  • B21
  • B22
  • B38
  • E3 b22
  • Fuel pump
  • Fuel temp sensor
  • Gb-7 (sedan: center front of luggage compt) (wagon: right quarterpanel)
  • Ge (left rear of engine)
  • I155
  • I3 b38
  • Instrument cluster system
  • J/c b479 (left front of engine compartment)
  • J/c b83 (right kick panel)
  • Knock sensor 1 (right center of engine)
  • Knock sensor 2 (left center of engine)
  • Left exhaust camshaft position sensor (front of left cylinder head)
  • Left front oxygen (a/f) sensor
  • Nca
  • Pnk
  • R15
  • R333
  • R57
  • Red
  • Right exhaust camshaft position sensor (front of right cylinder head)
  • Right intake camshaft position sensor (right rear of engine)
  • Right rear oxygen sensor

3.6L, Engine Performance Wiring Diagram (5 of 5) for Subaru Outback 2012

List of elements for 3.6L, Engine Performance Wiring Diagram (5 of 5) for Subaru Outback 2012:

  • (right cylinder head exhaust) right front oxygen (a/f) sensor
  • (right side of engine compt) mass air flow & intake air temperature sensor
  • B136
  • B137
  • B21
  • B22
  • Computer data lines system
  • Crankshaft position sensor (rear of engine)
  • Cruise control system
  • Ecm (right side of dash)
  • Engine coolant temperature sensor & thermometer (left front of engine)
  • Ge (left rear of engine)
  • J/c b503
  • Left intake camshaft position sensor (left rear of engine)
  • Nca
  • Oil level switch (lower left side of engine)
  • Oil temperature sensor (left cylinder head)
  • Pnk
  • Power steering oil pressure switch (on power steering oil pump)
  • Red
  • Starting/charging system

EXTERIOR LIGHTS

Backup Lamps Wiring Diagram for Subaru Outback 2012

List of elements for Backup Lamps Wiring Diagram for Subaru Outback 2012:

  • A/t
  • B12
  • B281
  • B36
  • B52
  • B54
  • Backup light switch
  • Backup relay (left kick panel)
  • Body integrated unit (center of dash)
  • Cvt
  • D34
  • Fuse & relay box (f/b) (left kick panel)
  • Fuse 7.5a
  • Gb-10 (base of left "b" pillar)
  • Gb-8 (base of right "b" pillar)
  • Hot w/ ig2 relay energized
  • I145
  • I154
  • I157
  • I54
  • Inhibitor switch (top of transmission)
  • Left rear combination light
  • Left rear finisher light (backup light)
  • M/t
  • Navigation unit (if equipped)
  • Nca
  • R332
  • R38
  • R50
  • R99
  • Rear view mirror
  • Right rear combination light
  • Right rear finisher light (backup light)
  • Sedan
  • Tcm (left side of dash)
  • Trailer connector
  • Wagon

Exterior Lamps Wiring Diagram (1 of 2) for Subaru Outback 2012

List of elements for Exterior Lamps Wiring Diagram (1 of 2) for Subaru Outback 2012:

  • & receiver
  • (left side
  • A/c control panel
  • Automatic a/c
  • B158
  • B52
  • Can transceiver
  • Clear- ance
  • Combination meter
  • Combination switch
  • Computer data lines system
  • Fuse & relay box (f/b) (left kick panel)
  • Fuse 15a
  • Fuse 35 10a
  • Fuse 7.5a
  • Gb-5 (right kick panel)
  • Gb-6 (left kick panel)
  • Hazard switch
  • Hot at all times
  • Hot w/ ig2 relay energized
  • I1 b36
  • I101 d84
  • I152
  • I54
  • I54 r99
  • I76 d83
  • J/c b478 (left front of engine compt)
  • J/c b483 (right front of engine compt)
  • J/c b491 (left end of dash)
  • J/c i100 (right side of dash)
  • J/c i82 (left end of dash)
  • Left front combination light
  • Left outer mirror assembly (w/ retractable)
  • Left turn ind
  • Main fuse box (m/b)
  • Manual a/c
  • Micro computer
  • Nca
  • Of dash)
  • Off
  • R99
  • Red
  • Right front combination light
  • Right outer mirror assembly (w/ retractable)
  • Right turn ind
  • Stop light & brake switch
  • Stop light condenser (top center of dash)
  • Stop light resistor (top center of dash)
  • Tail & illumination relay
  • Turn
  • Turn signal & hazard unit (left side of dash)
  • Turn signal switch

Exterior Lamps Wiring Diagram (2 of 2) for Subaru Outback 2012

List of elements for Exterior Lamps Wiring Diagram (2 of 2) for Subaru Outback 2012:

  • (left end of dash) j/c b491
  • Auto
  • B136
  • B280
  • B281
  • B332
  • B36
  • B55
  • B71
  • Body integrated unit (center of dash)
  • Combination switch
  • Computer data lines system
  • D34
  • Ecm (right side of dash)
  • Gb-7 (center front of luggage compt)
  • Gb-7 (right quarter- panel)
  • Gb-8 (base of right "b" pillar)
  • Gb-9 (center of rear parcel shelf)
  • Gb-9 (left "d" pillar)
  • Headlights system
  • High- mounted stop light
  • High- mounted stop light (w/ rear spoiler)
  • I154
  • I171
  • I54
  • I84
  • Left license plate light
  • Left rear combi- nation stop
  • Left rear combination light
  • Left rear finisher light (tail light)
  • License plate light
  • Light
  • Lighting switch
  • Nca
  • Off
  • R24
  • R332
  • R38
  • R60
  • R99
  • Red
  • Right license plate light
  • Right rear combi- nation light
  • Right rear combination light
  • Right rear finisher light (tail light)
  • Sedan
  • Stop
  • Tail
  • Tcm (cvt) (left side of dash)
  • Trailer connector (wagon)
  • Turn
  • Vdc control module (right rear corner of engine compt)
  • Wagon

GROUND DISTRIBUTION

Ground Distribution Wiring Diagram (1 of 3) for Subaru Outback 2012

List of elements for Ground Distribution Wiring Diagram (1 of 3) for Subaru Outback 2012:

  • (3.6l & 2.5l turbo) fuel pump relay
  • (3.6l) radiator fan control unit
  • (automatic a/c) power transistor
  • (left front of
  • (left kick panel) fuse & relay box (f/b)
  • (manual a/c) blower fan switch
  • (normal audio) audio (w/ handsfree microphone)
  • (premium audio)
  • 2.5l non- turbo
  • 2.5l turbo
  • A/c control module
  • A/c control panel
  • A/t
  • Ab6
  • Air bag control module
  • At select lever
  • Audio
  • Audio shield
  • Automatic a/c
  • B152
  • B280
  • B281
  • B504
  • B516
  • B516 b517
  • B517
  • B54
  • B70
  • B71
  • Body integrated unit
  • Brake fluid level switch
  • Clock
  • Combi- nation meter
  • Combi- nation switch (wiper)
  • Combination switch (lighting)
  • Compressor solenoid
  • Daytime running light relay
  • Daytime running light resistor
  • Engine compt)
  • Except m/t
  • F106
  • F135
  • Front wiper motor
  • Gb-5 (right kick panel)
  • Gv (right side of engine)
  • Hood switch
  • I131
  • I145
  • I171
  • I192
  • I225 (center of dash)
  • I80
  • I84
  • J/c
  • J/c b478
  • J/c b479 (left front of engine compt)
  • J/c b483 (right front of engine compt)
  • J/c b491 (left end of dash)
  • J/c i97 (right side of dash)
  • Keyless buzzer
  • Left front combination light
  • Left front fog light
  • M/t
  • Main fan motor
  • Main fan relay 2
  • Main fuse block (m/b)
  • Manual a/c
  • Navigation unit
  • Nca
  • Power window relay
  • Remote engine start control module
  • Right front combination light
  • Right front fog light
  • Roll connector
  • Running light
  • Security control module
  • Steering angle sensor
  • Tcm
  • To gb-6 (diagram 2 of 3)
  • To j/c i100 (diagram 2 of 3)
  • Vdc control module
  • W/ daytime
  • W/o daytime running light
  • Washer level sensor
  • Wiper relay

Ground Distribution Wiring Diagram (2 of 3) for Subaru Outback 2012

List of elements for Ground Distribution Wiring Diagram (2 of 3) for Subaru Outback 2012:

  • (diagram 1 of 3)
  • (left "d" pillar)
  • (manual seat) left seat belt switch
  • (manual seat) left seat heater
  • (w/ rear view display) rear view mirror
  • (w/ tpms) tpms & keyless entry control module
  • (w/o rear view display) rear view mirror
  • (w/o tpms) keyless entry control module
  • 1 of 3)
  • A/c control panel
  • Automatic a/c
  • B134
  • B137
  • B21
  • Crankshaft position sensor shield
  • D125
  • D144
  • D146
  • D147 d145
  • D17
  • D22
  • D83
  • D84
  • Ecm
  • Electronic throttle control shield
  • Epb control module
  • From gb-5 (diagram a
  • From gb-5 b
  • Front power window sub switch
  • Gb-10 (base of left "b" pillar)
  • Gb-6 (left kick panel)
  • Gb-9 (sedan: center of rear parcel shelf) (wagon: left "d" pillar)
  • Ge (3.6l) (left rear of engine)
  • Glove box illumination light
  • High mounted stop light
  • I101
  • I157
  • I76
  • Ignition coil
  • Impact sensor
  • J/c i100 (right side of dash)
  • J/c i82 (left end of dash)
  • J/c r336
  • Knock sensor 1 shield
  • Knock sensor 2 shield
  • Left front door switch
  • Left front power window motor
  • Left outer mirror assembly
  • Left power seat
  • Left rear combination light
  • Left rear combination switch
  • Left rear door switch
  • Left rear power window sub switch
  • Left seat heater switch
  • Left vanity mirror illumination light
  • Lower cover switch (trunk lid opener)
  • Lower cover switch (vdc off)
  • Manual a/c
  • Mirror
  • Mirror heater relay
  • Navigation unit shield
  • Nca
  • Outback
  • Passenger's door lock switch
  • Power window main switch
  • R10
  • R330
  • R340
  • R342
  • R354
  • R356
  • R389
  • R50
  • R55
  • R74
  • Rearview camera shield
  • Red
  • Remote control mirror switch
  • Right outer mirror assembly
  • Right vanity mirror illumination light
  • Room light
  • Seat heater relay
  • Sedan
  • Spot map light
  • Sunroof motor assembly
  • Trailer connector
  • Turn signal & hazard module
  • W/ retractable mirror
  • W/o navi- gation
  • W/o retractable
  • Wiper deicer

Ground Distribution Wiring Diagram (3 of 3) for Subaru Outback 2012

List of elements for Ground Distribution Wiring Diagram (3 of 3) for Subaru Outback 2012:

  • (2.5l non- turbo) camshaft position sensor shield
  • (2.5l non-turbo) fuel pump assembly (fuel pump)
  • (3.6l & 2.5l turbo) fuel pump control module
  • (a/t) tcm
  • (except base) audio amplifier
  • (rear spoiler) high- mounted stop light
  • (right side of luggage compt) (sedan) j/c r336
  • (sedan) rear defogger
  • (sedan) right rear combination light
  • 2.5l
  • Audio
  • Audio bracket ground
  • Auxiliary input terminal
  • B11
  • B12
  • B134
  • B137
  • B21
  • B54
  • B55
  • Crankshaft position sensor shield
  • Cvt
  • D28
  • Ecm
  • Electronic throttle control shield
  • Front oxygen (a/f) sensor shield
  • Front wheel speed sensor
  • Fuel pump assembly (fuel level sensor)
  • Gb-11 (outback) (right top of rear gate)
  • Gb-7 (sedan: center front of luggage compt) (wagon: right quarterpanel)
  • Gb-8 (base of right "b" pillar)
  • Ge (except 3.6l) (2.5l: right rear of engine) (2.5l turbo: left rear of engine)
  • Gr (left side of center console)
  • High mounted stop light
  • I144
  • I26
  • Ignition coil
  • Inhibitor switch
  • Knock sensor shield
  • Left license plate light
  • Left rear finisher light (backup light)
  • Left rear finisher light (tail light)
  • License plate light
  • Luggage room light
  • Navigation unit
  • Navigation unit shield
  • Nca
  • Non- turbo
  • Outback
  • Pnk
  • Primary speed sensor
  • R13
  • R15
  • R24
  • R24 r60
  • R317
  • R34
  • R38
  • R384 r383
  • R386
  • R57
  • R60
  • Rear defogger
  • Rear gate lock actuator & latch switch
  • Rear gate opener button
  • Rear oxygen sensor shield
  • Rear wiper motor
  • Rearview camera shield
  • Red
  • Right front door switch
  • Right license plate light
  • Right power seat
  • Right rear combination light
  • Right rear door switch
  • Right rear finisher light (backup light)
  • Right rear finisher light (tail light)
  • Right rear power window sub switch
  • Right seat heater
  • Right seat heater switch
  • Secondary speed sensor
  • Sedan
  • Tcm
  • Trunk lid lock actuator & switch
  • Turbo
  • W/ normal audio
  • W/ premium audio

HEADLIGHTS

Headlights Wiring Diagram (1 of 2) for Subaru Outback 2012

List of elements for Headlights Wiring Diagram (1 of 2) for Subaru Outback 2012:

  • (left end of dash) j/c b491
  • 3.6l
  • A/c relay holder (left rear of engine compt)
  • Auto
  • B36
  • Buzzer (headlight warning)
  • Can transceiver & receiver
  • Combination meter
  • Combination switch
  • Computer data lines system
  • Daytime running light relay
  • Daytime running light resistor (left side of engine compt)
  • Dimmer & passing switch
  • Drive circuit
  • Except 3.6l
  • Fog light
  • Front fog ind light
  • Front fog light relay
  • Fuse & relay box (f/b) (left kick panel)
  • Fuse 30 10a
  • Fuse 31 10a
  • Fuse 5 7.5a
  • Gb-5 (right kick panel)
  • Hi-beam ind light
  • Hot at all times
  • Hot in on or start
  • I/f
  • J/c b478 (left front of engine compt)
  • Lighting ind
  • Lighting switch
  • Main fuse box (m/b)
  • Main sbf fuse 120a
  • Micro computer
  • Nca
  • Off
  • Pass
  • Red

Headlights Wiring Diagram (2 of 2) for Subaru Outback 2012

List of elements for Headlights Wiring Diagram (2 of 2) for Subaru Outback 2012:

  • (steering column) key warning switch
  • A/c control module (automatic a/c) (behind right side of dash)
  • B280
  • B281
  • B36
  • Body integrated unit (center of dash)
  • Computer data lines system
  • Drl
  • Fuse 18 15a
  • Fuse 23 15a
  • Fuse 24 15a
  • Fuse 25 10a
  • Fuse 26 10a
  • High headlight relay
  • Hot at all times
  • I171
  • I80
  • I84
  • J/c b478 (left front of engine compt)
  • J/c b479 (left front of engine compt)
  • J/c b483 (right front of engine compt)
  • Left front combination light
  • Left front fog light
  • Light control sensor (base of right "a" pillar)
  • Low headlight relay
  • Main fuse box (m/b)
  • Red
  • Right front combination light
  • Right front fog light
  • Tail & illumination relay
  • W/ drl
  • W/o
  • W/o drl

HORN

Horn Wiring Diagram for Subaru Outback 2012

List of elements for Horn Wiring Diagram for Subaru Outback 2012:

  • B280
  • Body integrated unit (center of dash)
  • Fuse 32 7.5a
  • Fuse 33 7.5a
  • Horn (front center of engine compt)
  • Horn relay
  • Horn switch
  • Hot at all times
  • Main fuse box (m/b)
  • Nca
  • Red
  • Red b68
  • Roll connector (left side of dash)
  • St1
  • St3

INSTRUMENT CLUSTER

Instrument Cluster Wiring Diagram (1 of 2) for Subaru Outback 2012

List of elements for Instrument Cluster Wiring Diagram (1 of 2) for Subaru Outback 2012:

  • (2.5l: front center of engine) (2.5l turbo: upper front center of engine) (3.6l: right front of engine) oil pressure switch
  • (c6 model) epb warning light
  • 2.5l
  • 2.5l turbo & 3.6l
  • Ambient sensor (behind left side of front bumper)
  • Anti-theft system
  • Audio amplifier (under front passenger's seat)
  • B21
  • B36
  • Brake fluid level switch (brake master cylinder)
  • Buzzer
  • C6 model
  • Can transceiver & receiver
  • Charge warning light ind
  • Clock display switch
  • Combination meter
  • Computer data lines system
  • Drive circuit
  • Drive circuit (dimmer)
  • Drive circuit (one step dimmer)
  • Eco gauge
  • Eeprom
  • Engine controls system
  • Except for c6 model
  • Exterior lights system
  • Front fog light ind
  • Fuel gauge
  • Fuse & relay box (f/b) (left kick panel)
  • Fuse 10a
  • Fuse 5 7.5a
  • Fuse 7.5a
  • Gb-5 (right kick panel)
  • Hi-beam ind light
  • Hill hold on ind
  • Hot at all times
  • Hot in on or start
  • I/f
  • I145
  • I152
  • I153
  • I157
  • J/c b483 (right front of engine compt)
  • J/c i166 (left side of dash)
  • Lcd
  • Lcd illum light ind
  • Lighting ind
  • Low fuel warning light ind
  • Main fuse box (m/b)
  • Malfunction light ind
  • Micro computer
  • Navigation unit
  • Needle illum light ind
  • Odo/trip meter door/car frame cruise control shift indicator
  • Oil pressure warning light ind
  • Parking brake/brake fluid level warning light ind
  • Plate illum light ind
  • Pnk
  • R331
  • R339
  • R383
  • R384
  • R386
  • R50
  • R55
  • R74
  • Red
  • Security/ immobilizer light ind
  • Speedo- meter
  • Starting/charging system
  • Sunroof motor assembly (center front of roof)
  • Tacho- meter
  • To low-washer fluid warning light ind (diagram 2 of 2)
  • Tpms & keyless entry control module (sedan: center of rear parcel shelf) (wagon: left "d" pillar)
  • Trip reset switch
  • Vdc control module (right rear corner of engine compt)
  • Warning systems
  • Wiper/washer system

Instrument Cluster Wiring Diagram (2 of 2) for Subaru Outback 2012

List of elements for Instrument Cluster Wiring Diagram (2 of 2) for Subaru Outback 2012:

  • (except c5 model)
  • Abs warning light ind
  • Air bag light ind passenger's
  • Air bag off ind passenger's
  • Air bag on ind passenger's
  • Air bag warning light ind
  • Awd warning light ind
  • Body integrated unit (center of dash)
  • Clock
  • Combination meter
  • Computer data lines system
  • Cvt/at oil temperature warning light ind
  • D34
  • Drive circuit
  • Engine coolant temperature ind
  • Engine coolant temperature warning light ind
  • From oil pressure warning light ind (diagram 1 of 2)
  • Fuel pump assembly (fuel level sensor) (in fuel tank)
  • Fuel sub level sensor (in fuel tank)
  • Gb-10 (base of left "b" pillar)
  • Gb-5 (right kick panel)
  • Gb-7 (center front of luggage compartment)
  • Gb-7 (sedan: center front of luggage compt) (wagon: right quarterpanel)
  • Gb-8 (base of right "b" pillar)
  • I102
  • I154
  • I155
  • I53
  • I54
  • I84
  • Left front door switch (left "b" pillar)
  • Left rear door switch (left "c" pillar)
  • Left turn signal light ind
  • Low engine oil warning light ind
  • Low-washer fluid warning light ind
  • Micro computer
  • Passenger's seat belt warning light ind
  • R15
  • R167
  • R24
  • R332
  • R333
  • R38
  • R57
  • R60
  • R98
  • R99
  • Rear gate latch switch (bottom center of rear gate)
  • Red
  • Reverse circuit
  • Right front door switch (right "b" pillar)
  • Right rear door switch (right "c" pillar)
  • Right turn signal light ind
  • Seat belt warning light ind
  • Sedan
  • Tire inflation pressure warning light ind
  • Trunk lid lock actuator (rear center of luggage compt)
  • Vdc off ind
  • Vdc warning light/ vdc operation light ind
  • Vfd (ambient temperature average fuel economy, instantaneous fuel economy, possible travel distance, clock display)
  • Wagon

INTERIOR LIGHTS

Courtesy Lamps Wiring Diagram for Subaru Outback 2012

List of elements for Courtesy Lamps Wiring Diagram for Subaru Outback 2012:

  • & reseiver
  • (base of left "b" pillar) gb-10
  • Auto
  • B280
  • B281
  • B36
  • Body integrated unit (center of dash)
  • Circuit driver
  • Combination meter
  • Combination switch
  • Computer data lines system
  • D34
  • D83
  • D84
  • Door
  • Fuse & relay box (f/b) (left kick panel)
  • Fuse 10a
  • Fuse 15a
  • Fuse 7.5a
  • Gb-10 (base of left "b" pillar)
  • Gb-5 (right kick panel)
  • Gb-7 (center front of luggage compt)
  • Gb-7 (right quarterpanel)
  • Gb-7 (sedan: center front of luggage compt) (wagon: right quarterpanel)
  • Gb-8 (base of right "b" pillar)
  • Hot at all times
  • Hot in acc or on
  • Hot in on or start
  • I/f
  • I101
  • I102
  • I102 r167
  • I154
  • I157
  • I171
  • I53
  • I54
  • I76
  • I84
  • J/c b491 (left end of dash)
  • J/c i166 (left side of dash)
  • Key warning switch (steering column)
  • Left door step light
  • Left front door switch (left "b" pillar)
  • Left puddle light
  • Left rear door switch (left "c" pillar)
  • Left vanity mirror illumination light
  • Luggage room light
  • Main fuse box (m/b)
  • Micro computer
  • Nca
  • Off
  • Power
  • R167
  • R24
  • R332
  • R38
  • R50
  • R60
  • R98
  • R99
  • Rear gate latch switch (bottom center of rear gate)
  • Red
  • Right door step light
  • Right front door switch (right "b" pillar)
  • Right puddle light
  • Right rear door switch (right "c" pillar)
  • Right vanity mirror illumination light
  • Room light
  • Sedan
  • Spot map light
  • Transceiver can
  • Trunk lid lock actuator (rear center of luggage compt)
  • Trunk room light
  • Wagon

Instrument Illumination Wiring Diagram for Subaru Outback 2012

List of elements for Instrument Illumination Wiring Diagram for Subaru Outback 2012:

  • A/c control panel
  • At select lever illumination light (except for m/t model)
  • Audio
  • Automatic a/c
  • B280
  • B281
  • B36
  • B68
  • Body integrated unit (center of dash)
  • Bright switch
  • Can transceiver & receiver
  • Combination meter
  • Computer data lines system
  • Driver circuit
  • Driver circuit (dimmer)
  • Epb control switch
  • Fuse & relay box (f/b) (left kick panel)
  • Fuse 10a
  • Fuse 7.5a
  • Gb-5 (right kick panel)
  • Gb-5 (right side of dash)
  • Glove box illumination light
  • Headlights system
  • Hill hold switch
  • Hot at all times
  • Hot in on or start
  • I/f
  • I131
  • I144
  • I152
  • I157
  • I171
  • I26
  • I53
  • I84
  • Illumination control switch
  • Indicator needle illumi light ind
  • J/c i100 (right side of dash)
  • J/c i168 (left side of dash)
  • J/c i97 (right side of dash)
  • Lcd illumi light ind
  • Left seat heater switch
  • Lighting ind
  • Lower cover switch
  • Main fuse box (m/b)
  • Manual a/c
  • Micro computer
  • Navigation unit
  • Nca
  • Normal audio
  • Overhead console (shower light)
  • Plate illumi light ind
  • Premium audio
  • R339
  • R50
  • R98
  • Red
  • Remote control mirror switch
  • Right seat heater switch
  • Roll connector (left side of dash)
  • Satellite switch illumination light
  • St1
  • St3
  • Tail & illumination relay
  • Trunk lid opener
  • Vdc off
  • W/ navigation
  • W/o navigation

NAVIGATION

Navigation Wiring Diagram (1 of 2) for Subaru Outback 2012

List of elements for Navigation Wiring Diagram (1 of 2) for Subaru Outback 2012:

  • Ad13
  • Aux input terminal
  • Aux input terminal (usb)
  • B36
  • Body integrated unit (center of dash)
  • D22 r10
  • Exterior lights system
  • Fuse & relay box (f/b) (left kick panel)
  • Fuse 10 10a
  • Fuse 15a
  • Fuse 6 25a
  • Fuse 7.5a
  • Gb-5 (right kick panel)
  • Gr (left side of center console)
  • Hot at all times
  • Hot in on or acc
  • Hot w/ ig 2 relay energized
  • I131
  • I145
  • I146
  • I171
  • I2 r339
  • I212
  • J/c i165 (left side of dash)
  • J/c i97 (right side of dash)
  • Left rear door speaker
  • Main fuse box (m/b)
  • Navigation unit
  • Nca
  • Pins: 13 to 16 not used
  • Pnk
  • R13 d28
  • R331 i153
  • Rearview camera circuit
  • Red
  • Right rear door speaker
  • Xm radio tuner

Navigation Wiring Diagram (2 of 2) for Subaru Outback 2012

List of elements for Navigation Wiring Diagram (2 of 2) for Subaru Outback 2012:

  • (base of right "b" pillar) gb-8
  • (center front of luggage compt) gb-7
  • (left side of dash) j/c i167
  • Antenna amplifier (left "c" pillar)
  • Antenna amplifier (left "d" pillar)
  • Audio amplifier (under front passenger's seat)
  • B36
  • B68
  • D83
  • D84
  • Gr (left side of center console)
  • Hook off
  • Hook on
  • I1 b36
  • I101
  • I144
  • I153
  • I196
  • I54
  • I76
  • Interior lights system
  • J/c i166 (left side of dash)
  • Left front door speaker
  • Left side tweeter
  • Mode
  • Navigation unit
  • Nca
  • Pnk
  • R316
  • R317
  • R331
  • R331 i153
  • R384 r383
  • R385
  • R386
  • R99
  • Red
  • Right front door speaker
  • Right side tweeter
  • Roll connector (left side of dash)
  • Satellite switch
  • Sedan
  • Seek down
  • Seek up
  • St1
  • St3
  • Talk
  • Vdc control module (right rear corner of engine compt)
  • Vol+
  • Vol-
  • Wagon
  • Woofer

Rear View Camera Wiring Diagram, with Navigation for Subaru Outback 2012

List of elements for Rear View Camera Wiring Diagram, with Navigation for Subaru Outback 2012:

  • Fuse & relay box (f/b) (left kick panel)
  • Fuse 7.5a
  • Gb-7 (sedan) (center front of luggage compt)
  • Gb-9 (wagon) (left "d" pillar)
  • Hot w/ ig 2 relay energized
  • I144
  • I146
  • I154
  • J/c i165 (left side of dash)
  • J/c r336 (sedan: right side of luggage compt) (wagon: left "d" pillar)
  • Navigation unit
  • Nca
  • R24
  • R330
  • R332
  • R346
  • R348
  • R356
  • R60
  • Rearview camera (sedan: left rear of luggage compt) (wagon: in rear gate)
  • Sedan
  • Wagon

Rear View Camera Wiring Diagram, without Navigation for Subaru Outback 2012

List of elements for Rear View Camera Wiring Diagram, without Navigation for Subaru Outback 2012:

  • (in rear gate) rearview camera
  • B36
  • Exterior lights system
  • Fuse & relay box (f/b) (left kick panel)
  • Fuse 10a
  • Fuse 7.5a
  • Gb-9 (left "d" pillar)
  • Hot at all times
  • Hot w/ ig 2 relay energized
  • J/c r336 (wagon) (left "d" pillar)
  • Main fuse box (m/b)
  • Nca
  • R330
  • R339
  • R340
  • R356
  • R389
  • Rearview mirror (w/ rearview display)
  • Red

POWER DISTRIBUTION

Power Distribution Wiring Diagram (1 of 5) for Subaru Outback 2012

List of elements for Power Distribution Wiring Diagram (1 of 5) for Subaru Outback 2012:

  • (not used)
  • A/c control module
  • A/c relay holder (left rear of engine compt)
  • Audio (w/o navigation)
  • Audio amplifier
  • B158
  • B36
  • B38
  • B52
  • Base
  • Battery
  • Blower motor relay
  • Body integrated unit
  • Combination meter
  • D34
  • Epb control switch
  • From fuse 35 (diagram 3 of 5)
  • Fuse & relay box (f/b) (left kick panel)
  • Fuse 1 15a
  • Fuse 15a
  • Fuse 17 15a
  • Fuse 2 7.5a
  • Fuse 4 15a
  • Fuse 5 15a
  • Fuse 6 25a
  • Fuse 7 (except 3.6l) 25a
  • Fuse 7 7.5a
  • Fuse 8 (except 3.6l) 25a
  • Fuse 8 15a
  • Fuse 9 30a
  • Generator
  • I144
  • I152
  • I154
  • I26
  • I54
  • I80
  • I84
  • Impact sensor
  • Left license plate light (sedan)
  • Left rear combination light
  • Left rear finisher light
  • License plate light
  • Main fan relay 1
  • Main fuse box (m/b)
  • Main sbf fuse 120a
  • Mirror heater relay
  • Navigation unit (if equipped)
  • Nca
  • Premium
  • R24
  • R316
  • R331 i153
  • R332
  • R38
  • R99
  • Right license plate light (sedan)
  • Right rear combination light
  • Right rear finisher light
  • Sbf-5 fuse 40a
  • Sbf-6 fuse 40a
  • Sbf-7 fuse 50a
  • Sbf-8 fuse 50a
  • Seat heater relay
  • Security control module (if equipped)
  • Sedan
  • Starter motor
  • Stop light & brake switch
  • Stop light resistor
  • Sub fan relay
  • To accessory relay (diagram 4 of 5)
  • To ignition switch (diagram 2 of 5)
  • To rear defogger relay (diagram 3 of 5)
  • To tail & illumination relay (diagram 3 of 5)
  • Trailer connector
  • Vdc control module
  • Wagon
  • Wiper deicer relay

Power Distribution Wiring Diagram (2 of 5) for Subaru Outback 2012

List of elements for Power Distribution Wiring Diagram (2 of 5) for Subaru Outback 2012:

  • (2.5l turbo)
  • (not used)
  • 3.6l
  • A/c control module
  • A/c control panel
  • A/t
  • Ab35
  • Acc
  • Audio
  • Automatic a/c
  • B136
  • B152
  • B159
  • B52
  • B54
  • B55
  • Body integrated unit
  • Clock
  • Combination meter
  • Cvt
  • Ecm
  • Except 3.6l
  • From main fuse box (m/b) (diagram 1 of 5)
  • Fuel pump relay
  • Fuse & relay box (f/b) (left kick panel)
  • Fuse 12 15a
  • Fuse 21 7.5a
  • Fuse 24 15a
  • Fuse 31 7.5a
  • Fuse 7.5a
  • I144
  • I171
  • I193
  • I26
  • I80
  • Ig1
  • Ig2
  • Ig2 relay
  • Ignition coil 1
  • Ignition coil 2
  • Ignition coil 3
  • Ignition coil 4
  • Ignition switch
  • Inhibitor relay
  • J/c i166 (left side of dash)
  • Light control sensor
  • Manual a/c
  • Navigation
  • Navigation unit
  • Off
  • St1
  • St2
  • Start
  • Starter relay
  • Tcm
  • To accessory relay (diagram 4 of 5)
  • To fuse & relay box (f/b) (diagram 3 of 5)
  • To fuse & relay box (f/b) (diagram 4 of 5)
  • To fuse 25 (diagram 3 of 5)
  • To fuse 4 (diagram 5 of 5)
  • W/o

Power Distribution Wiring Diagram (3 of 5) for Subaru Outback 2012

List of elements for Power Distribution Wiring Diagram (3 of 5) for Subaru Outback 2012:

  • (diagram 2 of 5)
  • (left kick panel) fuse & relay box (f/b)
  • (left side of dash) j/c i168
  • 3.6l
  • A/c control panel
  • A/c relay holder (left rear of engine compt)
  • Ab35
  • Ab59
  • Ab6
  • Air bag control module
  • At select lever illumination light (cvt & a/t)
  • Audio
  • Automatic a/c
  • B152
  • B158
  • B159
  • B280
  • B281
  • B36
  • B52
  • Base
  • Blower motor relay
  • Body integrated unit
  • D147
  • Daytime running relay
  • Epb control module
  • Epb control switch
  • Except 3.6l
  • From fuse 12 (diagram 2 of 5)
  • From fuse 7 (diagram 1 of 5)
  • From ignition switch f
  • From main fuse box (m/b) (diagram 3 of 5)
  • From main sbf fuse (diagram 1 of 5)
  • Front fog light relay
  • Fuse & relay box (f/b) (left kick panel)
  • Fuse 10 10a
  • Fuse 19 7.5a
  • Fuse 22 15a
  • Fuse 25 15a
  • Fuse 26 7.5a
  • Fuse 3 20a
  • Fuse 33 7.5a
  • Fuse 34 10a
  • Fuse 35 10a
  • Glove box illumination light
  • Hi headlight relay
  • Hill hold switch
  • Horn relay
  • I101
  • I157
  • I193
  • I26
  • I53
  • Illumination control switch
  • Intake door actuator
  • J144
  • Left front combination light (clearance light)
  • Left seat heater switch
  • Low headlight relay
  • Lower cover switch
  • Main fan relay (3.6l)
  • Main fan relay 1 (except 3.6l)
  • Main fan relay 2 (except 3.6l)
  • Main fuse box (m/b)
  • Manual a/c
  • Navigation unit
  • Nca
  • Occupant detection control module
  • Overhead console (shower light)
  • Power window main switch
  • Power window relay
  • Premium
  • R167
  • R339
  • R342
  • R50
  • R98
  • Rear defogger relay
  • Red
  • Remote control mirror switch
  • Right front combination light (clearance light)
  • Right seat heater switch
  • Roll connector (left side of dash)
  • Satellite switch illumination light
  • Sbf-10 30a
  • St1
  • St3
  • Steering angle sensor
  • Sub fan relay (except 3.6l)
  • Tail & illumination relay
  • To at select lever illumination light (diagram 3 of 5)
  • To body integrated unit (diagram 5 of 5)
  • To fuse & relay box (f/b) (diagram 1 of 5)
  • To fuse 19 (diagram 4 of 5)
  • Vdc control module
  • W/ navigation
  • W/o navigation
  • Wiper relay

Power Distribution Wiring Diagram (4 of 5) for Subaru Outback 2012

List of elements for Power Distribution Wiring Diagram (4 of 5) for Subaru Outback 2012:

  • (not used)
  • (wagon)
  • A/c relay holder (left rear of engine compt)
  • A/f oxygen sensor relay
  • Accessory relay
  • B136
  • B152
  • B159
  • B281
  • B36
  • B54
  • B55
  • Body integrated unit
  • Data link connector
  • Ecm
  • Electronic throttle control relay
  • Epb control module
  • From fuse 24 (diagram 2 of 5)
  • From fuse 7 (diagram 1 of 5)
  • From horn relay (diagram 3 of 5)
  • From ig 2 relay (diagram 2 of 5)
  • From ignition switch (diagram 2 of 5)
  • Fuel pump relay
  • Fuse & relay box (f/b) (left kick panel)
  • Fuse 1 (cvt) 20a
  • Fuse 11 20a
  • Fuse 12 7.5a
  • Fuse 13 15a
  • Fuse 13 20a
  • Fuse 14 15a
  • Fuse 15 15a
  • Fuse 16 15a
  • Fuse 17 (a/t) 10a
  • Fuse 18 15a
  • Fuse 19 20a
  • Fuse 20 10a
  • Fuse 20 20a
  • Fuse 6 7.5a
  • Gb-5 (right kick panel)
  • Gb-9 (sedan: center of rear parcel shelf) (wagon: left "d" pillar)
  • I102
  • I152
  • I157
  • I171
  • Ig relay (3.6l & 2.5l)
  • J/c b491 (left end of dash)
  • J/c i100 (right side of dash)
  • Key warning switch
  • Left power seat
  • Main fan relay (3.6l)
  • Main fuse box (m/b)
  • Main relay
  • Nca
  • R167
  • R342
  • R50
  • R55
  • R74
  • R98
  • Rearview mirror (w/o rearview display)
  • Red
  • Remote control mirror switch
  • Right power seat
  • Sbf-11 30a
  • Sbf-2 80a
  • Sbf-9 30a
  • Seat heater relay
  • Self-shut relay
  • Sunroof motor assembly
  • Tcm
  • Turn signal & hazard module

Power Distribution Wiring Diagram (5 of 5) for Subaru Outback 2012

List of elements for Power Distribution Wiring Diagram (5 of 5) for Subaru Outback 2012:

  • (not used)
  • A/c control panel
  • A/t
  • A/t & cvt
  • Audio
  • Automatic a/c
  • B12
  • B135
  • B152 (not used)
  • B281
  • B36
  • B52
  • Backup light
  • Backup light relay
  • Body integrated unit
  • Clock
  • Clutch switch
  • Cvt
  • D83
  • D84
  • Data link connector
  • Ecm
  • From fuse 10 (diagram 3 of 5)
  • From ig2 relay (diagram 2 of 5)
  • Fuse & relay box (f/b) (left kick panel)
  • Fuse 11 7.5a
  • Fuse 18 7.5a
  • Fuse 4 7.5a
  • I101
  • I144
  • I152
  • I154
  • I157
  • I26
  • I76
  • Impact sensor
  • Inhibitor switch
  • J/c i165 (left side of dash)
  • J/c i167 (left side of dash)
  • Keyless entry control module (w/o tpms) tpms & keyless entry control module (w/ tpms)
  • Left door step light
  • Left puddle light
  • Left vanity mirror light
  • Luggage room light
  • M/t
  • Manual a/c
  • Navigation unit
  • Nca
  • R332
  • R339
  • R340
  • R389
  • R50
  • R55
  • R74
  • Rearview mirror (w/ rearview display)
  • Right door step light
  • Right puddle light
  • Right vanity mirror light
  • Room light
  • Sedan
  • Spot map light
  • Stop light & brake switch
  • Sunroof motor assembly
  • Tpms & keyless entry control module (w/ tpms)
  • Trunk room light
  • Turn signal & hazard module
  • W/ keyless entry
  • W/ tpms
  • W/o tpms
  • Wagon
  • Wiper deicer relay

POWER DOOR LOCKS

Power Door Locks Wiring Diagram (1 of 2) for Subaru Outback 2012

List of elements for Power Door Locks Wiring Diagram (1 of 2) for Subaru Outback 2012:

  • (base of left "b" pillar) gb-10
  • (right kick panel) gb-5
  • (sedan: center front of luggage compt) (wagon: right quarterpanel) gb-7
  • (sedan: center of rear parcel shelf) (wagon: left "d" pillar) gb-9
  • (sedan: center of rear parcel shelf) (wagon: left "d" pillar) tpms & keyless entry control module
  • At select lever
  • B280
  • B281
  • B36
  • Body integrated unit (center of dash)
  • Computer data lines system
  • Exterior lights system
  • Fuse & relay box (f/b) (left kick panel)
  • Fuse 10 10a
  • Fuse 12 15a
  • Fuse 18 15a
  • Fuse 4 7.5a
  • Fuse 7 7.5a
  • Gb-5 (right kick panel)
  • Horns system
  • Hot at all times
  • Hot in on or start
  • Hot w/ ig2 relay energized
  • I102
  • I152
  • I171
  • I53
  • I54
  • I84
  • Impact sensor (right end of dash)
  • Interior lights system
  • J/c b483 (right front of engine compt)
  • J/c b491 (left end of dash)
  • J/c i100 (right side of dash)
  • J/c i165 (left side of dash)
  • Key warning switch (steering column)
  • Keyless buzzer (right side of engine compt)
  • Keyless entry control module (sedan: center front of luggage compt) (wagon: left "d" pillar)
  • Left front door switch (left "b" pillar)
  • Left rear door switch (left "c" pillar)
  • Main fuse box (m/b)
  • R167
  • R339
  • R98
  • R99
  • Red
  • Right front door switch (right "b" pillar)
  • Right rear door switch (right "c" pillar)
  • W/ tpms
  • W/o tpms

Power Door Locks Wiring Diagram (2 of 2) for Subaru Outback 2012

List of elements for Power Door Locks Wiring Diagram (2 of 2) for Subaru Outback 2012:

  • (center front of luggage compt) gb-7
  • (left kick panel) gb-6
  • (right kick panel) gb-5
  • Circuit
  • Combination meter
  • Computer data lines system
  • D125
  • D144
  • D145
  • D146
  • D147
  • D22
  • D28
  • D34
  • D83
  • D84
  • D95
  • Door lock switch
  • Gb-11 (right top of rear gate)
  • Gb-6 (left kick panel)
  • Gb-8 (base of right "b" pillar)
  • Hood switch (right side of engine compt)
  • I101
  • I154
  • I53
  • I76
  • J/c b483 (right front of engine compt)
  • J/c b491 (left end of dash)
  • J/c i82 (left end of dash)
  • Lcd each door open/ close display
  • Left front door lock actuator (in driver's door)
  • Left rear door lock actuator (in left rear door)
  • Lock
  • Lower cover switch
  • Micro computer
  • Nca
  • Passenger's door lock switch
  • Power window main switch
  • R10
  • R13
  • R24
  • R332
  • R339
  • R38
  • R60
  • R98
  • Rear gate lock actuator & switch (bottom center of rear gate)
  • Rear gate opener button
  • Receiver transceiver & can
  • Red
  • Remote engine start control module (left side of dash)
  • Right front door lock actuator (in right front door)
  • Right rear door lock actuator (in right rear door)
  • Security immobilizer ind light
  • Sedan
  • Trunk lid lock actuator & switch (trunk lid lock actuator: rear center of luggage compt)
  • Trunk lid opener
  • Trunk opener cancel switch
  • Unlock
  • W/ driver's seat auto up function
  • W/o driver's seat auto up function
  • Wagon

POWER MIRRORS

Automatic Day/Night Mirror Wiring Diagram, with Rearview Display for Subaru Outback 2012

List of elements for Automatic Day/Night Mirror Wiring Diagram, with Rearview Display for Subaru Outback 2012:

  • A/t
  • B12
  • B36
  • B52
  • Back-up light relay (left kick panel)
  • Back-up light switch
  • Cvt
  • Exterior lights system
  • Fuse & relay box (f/b) (left kick panel)
  • Fuse 10 10a
  • Fuse 18 7.5a
  • Fuse 4 7.5a
  • Gb-10 (base of left "b" pillar)
  • Hot at all times
  • Hot in on or start
  • I54
  • Inhibitor switch (top of transmission)
  • J/c r336 (outback) (left "d" pillar)
  • M/t
  • Main fuse box (m/b)
  • Nca
  • R339
  • R356 r330
  • R389 r340
  • R99
  • Rearview camera
  • Rearview mirror
  • Red

Automatic Day/Night Mirror Wiring Diagram, without Rearview Display for Subaru Outback 2012

List of elements for Automatic Day/Night Mirror Wiring Diagram, without Rearview Display for Subaru Outback 2012:

  • (left kick panel)
  • A/t
  • B12
  • B36
  • B52
  • B54
  • Back-up light relay
  • Back-up light switch
  • Computer data lines system
  • Cvt
  • Fuse & relay box (f/b) (left kick panel)
  • Fuse 7.5a
  • Gb-5 (right kick panel)
  • Hot w/ accessory relay energized
  • Hot w/ ig2 relay energized
  • I157
  • Inhibitor switch (top of transmission) d
  • M/t
  • Nca
  • R50
  • Rearview mirror
  • Red
  • Tcm (left side of dash)

Power Mirror Wiring Diagram, with Retractable Outer Mirror for Subaru Outback 2012

List of elements for Power Mirror Wiring Diagram, with Retractable Outer Mirror for Subaru Outback 2012:

  • Change over switch
  • D83
  • D84
  • Defogger system
  • Fuse & relay box (f/b) (left kick panel)
  • Fuse 6 7.5a
  • Gb-6 (left kick panel)
  • Hot w/ accessory relay energized
  • I101
  • I76
  • J/c i82 (left end of dash)
  • Left outer mirror assembly
  • Left/ right motor
  • Mirror heater
  • Nca
  • Red
  • Remote control mirror switch
  • Remote control switch
  • Retractable mirror motor
  • Retraction switch
  • Right outer mirror assembly
  • Right/ left motor
  • Up/ down motor

Power Mirror Wiring Diagram, without Retractable Outer Mirror for Subaru Outback 2012

List of elements for Power Mirror Wiring Diagram, without Retractable Outer Mirror for Subaru Outback 2012:

  • Change over switch
  • D83
  • D84
  • Defogger system
  • Fuse & relay box (f/b) (left kick panel)
  • Fuse 6 7.5a
  • Gb-6 (left kick panel)
  • Hot w/ accessory relay energized
  • I101
  • I76
  • J/c i82 (left end of dash)
  • Left outer mirror assembly
  • Left/ right m
  • Mirror heater
  • Motor
  • Nca
  • Red
  • Remote control mirror switch
  • Remote control switch
  • Right outer mirror assembly
  • Right/ left m
  • Up/ down m
  • W/ heated mirrors
  • W/o heated mirrors

POWER SEATS

Heated Seats Wiring Diagram for Subaru Outback 2012

List of elements for Heated Seats Wiring Diagram for Subaru Outback 2012:

  • B158
  • B36
  • Fuse & relay box (f/b) (left kick panel)
  • Fuse 6 7.5a
  • Fuse 9 15a
  • Gb-6 (left kick panel)
  • Gb-7 (sedan: center front of luggage compt) (wagon: right quarterpanel)
  • Gb-9 (sedan: center of rear parcel shelf) (wagon: left "d" pillar)
  • Hot at all times
  • Hot w/ accessory relay energized
  • I53
  • Interior lights system
  • J/c i82 (left end of dash)
  • Left power seat
  • Left seat heater
  • Left seat heater switch
  • Manual seats
  • Off
  • Power seats
  • R339
  • R98
  • Right seat heater
  • Right seat heater switch
  • Seat heater relay

Power Seat Wiring Diagram for Subaru Outback 2012

List of elements for Power Seat Wiring Diagram for Subaru Outback 2012:

  • B36
  • Down
  • Gb-8 (base of right "b" pillar)
  • Gb-9 (sedan: center of rear parcel shelf) (wagon: left "d" pillar)
  • Hot at all times
  • I102
  • I53
  • Left power seat
  • Left power seat switch
  • Lifter motor
  • Lifter switch
  • Lumbar motor
  • Lumber switch
  • Main fuse box (m/b)
  • Nca
  • R167
  • R191
  • R367
  • R373
  • R374
  • R377
  • R378
  • R98
  • Reclining motor
  • Reclining switch
  • Red
  • Right power seat
  • Right power seat switch
  • Sbf-11 30a
  • Slide motor
  • Slide switch
  • Tilt motor
  • Tilt switch

POWER TOP/SUNROOF

Power Top/Sunroof Wiring Diagram for Subaru Outback 2012

List of elements for Power Top/Sunroof Wiring Diagram for Subaru Outback 2012:

  • (right kick panel) gb-5
  • B36
  • Close
  • Down
  • Fuse & relay box (f/b) (left kick panel)
  • Fuse 20a
  • Fuse 7.5a
  • Hot at all times
  • Hot w/ ig2 relay energized
  • I157
  • J/c i166 (left side of dash)
  • Main fuse box (m/b)
  • Open
  • R50
  • R55
  • R74
  • Red
  • Sunroof motor assembly (center front of roof)
  • Sunroof switch
  • Sunroof switch (tilt)
  • Vdc control module (right rear corner of engine compt)

POWER WINDOWS

Power Windows Wiring Diagram, with Auto Up Function (1 of 2) for Subaru Outback 2012

List of elements for Power Windows Wiring Diagram, with Auto Up Function (1 of 2) for Subaru Outback 2012:

  • (left end of dash) power window circuit breaker
  • (left kick panel) gb-6
  • Auto down
  • Auto up
  • B158
  • B159
  • B36
  • B516
  • B517
  • B52
  • D144
  • D145
  • D146
  • D147
  • D22
  • D28
  • D83
  • D84
  • D95
  • Door lock
  • Door lock switch
  • Door locks system
  • Down
  • Except
  • Fuse & relay box (f/b) (left kick panel)
  • Fuse 15 20a
  • Fuse 2 20a
  • Fuse 26 7.5a
  • Fuse 29 20a
  • Fuse 3 20a
  • Hot at all times
  • Hot in on or start
  • I101
  • I53
  • I76
  • J/c b478 (left front of engine compt)
  • J/c b491 (left end of dash)
  • Left front
  • Left front power window motor (in driver's door)
  • Left rear
  • Lock
  • M/t
  • Main fuse box (m/b)
  • Off
  • Power window controller
  • Power window lock switch
  • Power window main switch
  • Power window relay
  • R10
  • R13
  • R339
  • R98
  • Red
  • Right front
  • Right rear
  • Sbf 10 fuse 30a
  • Un- lock
  • Unlock

Power Windows Wiring Diagram, with Auto Up Function (2 of 2) for Subaru Outback 2012

List of elements for Power Windows Wiring Diagram, with Auto Up Function (2 of 2) for Subaru Outback 2012:

  • D144
  • D146
  • D22
  • D22 r10
  • D28
  • D83
  • Down
  • Front power window sub switch
  • Gb-10 (base of left "b" pillar)
  • Gb-5 (right kick panel)
  • Gb-7 (wagon: right quarterpanel) (sedan: center front of luggage compt)
  • I1 b36
  • I53
  • I76
  • Left rear power window motor (in left rear door)
  • Left rear power window sub switch
  • Nca
  • Off
  • R10
  • R13
  • R339
  • R98
  • Red
  • Right front power window motor (in right front door)
  • Right rear power window motor (in right rear door)
  • Right rear power window sub switch

Power Windows Wiring Diagram, without Auto Up Function for Subaru Outback 2012

List of elements for Power Windows Wiring Diagram, without Auto Up Function for Subaru Outback 2012:

  • Auto down
  • B158
  • B159
  • B36
  • B516
  • B517
  • B52
  • D144
  • D145
  • D146
  • D147
  • D22
  • D28
  • D83
  • D84
  • D95
  • Door lock
  • Door lock switch
  • Door locks system
  • Down
  • Front power window sub switch
  • Fuse & relay box (f/b) (left kick panel)
  • Fuse 15 20a
  • Fuse 2 20a
  • Fuse 26 7.5a
  • Fuse 29 20a
  • Gb-6 (left kick panel)
  • Hot at all times
  • Hot in on or start
  • I101
  • I53
  • I76
  • J/c b478 (left front of engine compt)
  • J/c b491 (left end of dash)
  • Left front
  • Left front power window motor (in driver's door)
  • Left rear
  • Left rear power window motor (in left rear door)
  • Left rear power window sub switch
  • Lock
  • M/t
  • Main fuse box (m/b)
  • Nca
  • Off
  • Off down
  • Power window circuit breaker (left end of dash)
  • Power window controller
  • Power window lock switch
  • Power window main switch
  • Power window relay
  • R10
  • R13
  • R339
  • R98
  • Red
  • Right front
  • Right front power window motor (in right front door)
  • Right rear
  • Right rear power window motor (in right rear door)
  • Right rear power window sub switch
  • Sbf 10 fuse 30a
  • Un- lock
  • Unlock

RADIO

Premium Radio Wiring Diagram (1 of 2) for Subaru Outback 2012

List of elements for Premium Radio Wiring Diagram (1 of 2) for Subaru Outback 2012:

  • (center of dash) body integrated unit
  • Ad13
  • Antenna amplifier (left "c" pillar)
  • Antenna amplifier (left "d" pillar)
  • Audio
  • Audio bracket ground
  • Aux input terminal
  • Auxiliary input terminal (w/ usb)
  • B36
  • D22
  • D28
  • D84
  • Fuse & relay box (f/b) (left kick panel)
  • Fuse 15a
  • Fuse 6 25a
  • Gb-5 (right kick panel)
  • Gr (left side of center console)
  • Hot at all times
  • Hot in on or acc
  • I101
  • I131
  • I153
  • I157
  • I171
  • I192
  • I54
  • Interior lights system
  • J/c i225 (center of dash)
  • J/c i97 (right side of dash)
  • Left front door speaker
  • Left rear door speaker
  • Main fuse box (m/b)
  • Nca
  • Overhead console (handsfree microphone)
  • Pnk
  • R10
  • R13
  • R331
  • R339
  • R50
  • R99
  • Red
  • Right rear door speaker
  • Sedan
  • Wagon

Premium Radio Wiring Diagram (2 of 2) for Subaru Outback 2012

List of elements for Premium Radio Wiring Diagram (2 of 2) for Subaru Outback 2012:

  • (center front of luggage compt) gb-7
  • (right rear corner of engine compt)
  • (sedan)
  • Audio
  • Audio amplifier (under front passenger's seat)
  • B36
  • B68
  • D83
  • Gb-8 (base of right "b" pillar)
  • Gr (left side of center console)
  • Hook off
  • Hook on
  • I153
  • I196
  • I26
  • I76
  • Interior lights system
  • J/c i166 (left side of dash)
  • Left side tweeter
  • Mode
  • Nca
  • Pnk
  • R316
  • R317
  • R331
  • R383
  • R384
  • R385
  • R386
  • Red
  • Right front door speaker
  • Right side tweeter
  • Roll connector (left side of dash)
  • Satellite switch
  • Seek down
  • Seek up
  • St1
  • St3
  • Talk
  • Vdc control module
  • Vol+
  • Vol-
  • Woofer

Radio Provision Wiring Diagram for Subaru Outback 2012

List of elements for Radio Provision Wiring Diagram for Subaru Outback 2012:

  • Antenna amplifier (left "c" pillar)
  • Antenna amplifier (left "d" pillar)
  • Audio bracket ground
  • Audio connector
  • B36
  • Body integrated unit (center of dash)
  • D22
  • D28
  • D83
  • D84
  • Fuse & relay box (f/b) (left kick panel)
  • Fuse 10 10a
  • Fuse 15a
  • Fuse 6 25a
  • Gr (left side of center console)
  • Hot at all times
  • Hot in on or acc
  • I101
  • I171
  • I195
  • I26
  • I54
  • I76
  • Interior lights system
  • J/c i164 (left side of dash)
  • J/c i167 (left side of dash)
  • Left front door speaker
  • Left rear door speaker
  • Left side tweeter
  • Main fuse box (m/b)
  • R10
  • R13
  • R339
  • R382
  • R99
  • Right front door speaker
  • Right rear door speaker
  • Right side tweeter
  • Sedan
  • Wagon

Standard Radio Wiring Diagram, Base for Subaru Outback 2012

List of elements for Standard Radio Wiring Diagram, Base for Subaru Outback 2012:

  • Antenna amplifier (left "c" pillar)
  • Antenna amplifier (left "d" pillar)
  • Audio
  • Audio bracket ground
  • Aux input terminal
  • B36
  • B68
  • Body integrated unit (center of dash)
  • D22
  • D28
  • D84
  • Fuse & relay box (f/b) (left kick panel)
  • Fuse 10 10a
  • Fuse 15a
  • Fuse 6 25a
  • Fuse 7.5a
  • Gr (left side of center console)
  • Hot at all times
  • Hot in on or acc
  • Hot in on or start
  • I101
  • I131
  • I171
  • I195
  • I26
  • I54
  • I76 d83
  • Interior lights system
  • J/c i164 (left side of dash)
  • J/c i165 (left side of dash)
  • J/c i167 (left side of dash)
  • Left front door speaker
  • Left rear door speaker
  • Main fuse box (m/b)
  • Mode
  • Mute
  • Nca
  • R10
  • R13
  • R339
  • R382
  • R99
  • Red
  • Right front door speaker
  • Right rear door speaker
  • Roll connector (left side of dash)
  • Satellite switch
  • Sedan
  • Seek down
  • Seek up
  • St1
  • St3
  • Vol+
  • Vol-
  • Wagon

Standard Radio Wiring Diagram, Except Base for Subaru Outback 2012

List of elements for Standard Radio Wiring Diagram, Except Base for Subaru Outback 2012:

  • Ad13
  • Antenna amplifier (left "c" pillar)
  • Antenna amplifier (left "d" pillar)
  • Audio
  • Audio bracket ground
  • Auxiliary input terminal
  • Auxiliary input terminal (w/ usb)
  • B36
  • B68
  • Body integrated unit (center of dash)
  • D22
  • D28
  • D83
  • D84
  • Fuse & relay box (f/b) (left kick panel)
  • Fuse 10 10a
  • Fuse 15a
  • Fuse 6 25a
  • Gb-5 (right kick panel)
  • Gr (left side of center console)
  • Hook off
  • Hook on
  • Hot at all times
  • Hot in on or acc
  • I101
  • I131
  • I157
  • I171
  • I195
  • I26
  • I54
  • I76
  • Interior lights system
  • J/c i164 (left side of dash)
  • J/c i167 (left side of dash)
  • J/c i97 (right side of dash)
  • Left front door speaker
  • Left rear door speaker
  • Left side tweeter
  • Main fuse box (m/b)
  • Mode
  • Nca
  • Overhead console (handsfree microphone)
  • R10
  • R13
  • R339
  • R382
  • R50
  • R99
  • Red
  • Right front door speaker
  • Right rear door speaker
  • Right side tweeter
  • Roll connector (left side of dash)
  • Satellite switch
  • Sedan
  • Seek down
  • Seek up
  • St1
  • St3
  • Talk
  • Vol+
  • Vol-
  • Wagon

SHIFT INTERLOCK

Park Brake Release Wiring Diagram for Subaru Outback 2012

List of elements for Park Brake Release Wiring Diagram for Subaru Outback 2012:

  • (base of left "b" pillar) gb-10
  • (right kick panel) gb-5
  • B152
  • B36 i1
  • Body integrated unit (center of dash)
  • Buzzer
  • Can
  • Clutch stroke sensor (m/t) (left side of dash)
  • Combination meter
  • Computer data lines system
  • Drive circuit
  • Driver circuit
  • Epb control module (under rear seat)
  • Epb control switch
  • Epb on ind
  • Epb warning light ind
  • Fuse & relay box (f/b) (left kick panel)
  • Fuse 19 7.5a
  • Fuse 7 7.5a
  • Hill hold switch
  • Hot at all times
  • Hot in on or start
  • I102
  • I102 r167
  • I152
  • I84
  • Interior lights system
  • Lock
  • Main fuse box (m/b)
  • Micro computer
  • Parking brake/ brake fluid level warning light ind
  • Pnk
  • R167
  • R342
  • R354
  • Red
  • Release
  • Sbf-9 fuse 30a
  • Transceiver & receiver
  • Vdc control module (right rear corner of engine compt)

Shift Interlock Wiring Diagram for Subaru Outback 2012

List of elements for Shift Interlock Wiring Diagram for Subaru Outback 2012:

  • (steering column) key lock solenoid & key warning switch
  • At select lever
  • B158
  • B280
  • B281
  • Body integrated unit (center of dash)
  • Computer data lines system
  • Fuse & relay box (f/b) (left kick panel)
  • Fuse 15a
  • Fuse 7.5a
  • Hot at all times
  • I152
  • I84
  • J/c b479 (left front of engine compt)
  • J/c b491 (left end of dash)
  • Main fuse box (m/b)
  • P range switch
  • Red
  • Shift lock solenoid
  • Stop light & brake switch (left side of dash)

STARTING/CHARGING


2.5L

2.5L, Charging Wiring Diagram for Subaru Outback 2012

List of elements for 2.5L, Charging Wiring Diagram for Subaru Outback 2012:

  • B36
  • Battery
  • Charge warning light ind
  • Combination meter
  • Fuse & relay box (f/b) (left kick panel)
  • Fuse 2 7.5a
  • Fuse 5 7.5a
  • Generator
  • Hot in on or start
  • Main fuse box (m/b)
  • Main sbf fuse 120a
  • Nca
  • Starter motor

2.5L, Remote Starting Wiring Diagram for Subaru Outback 2012

List of elements for 2.5L, Remote Starting Wiring Diagram for Subaru Outback 2012:

  • (door lock switch)
  • (left kick panel) gb-6
  • (right kick panel) gb-5
  • (steering column)
  • At select lever
  • B136
  • B158
  • B280
  • B281
  • B52
  • Body integrated unit (center of dash)
  • Computer data lines system
  • D144
  • D145
  • D146
  • D147
  • D95
  • Ecm (right side of dash)
  • Fuse & relay box (f/b) (left kick panel)
  • Fuse 12 15a
  • Fuse 18 15a
  • Fuse 31 7.5a
  • Fuse 4 7.5a
  • Fuse 7 7.5a
  • Fuse 8 15a
  • Gb-6 (left kick panel)
  • Hood switch (right side of engine compt)
  • Hot at all times
  • Hot in on or acc
  • Hot in on or start
  • I101 d84
  • I152
  • I171
  • I76 d83
  • I84
  • J/c b483 (right front of engine compt)
  • J/c b491 (left end of dash)
  • J/c i166 (left side of dash)
  • Key warning switch
  • Lock
  • Main fuse box (m/b)
  • Nca
  • P range switch
  • Passenger's door lock switch
  • Power window main switch
  • Red
  • Remote engine start control module (left side of dash)
  • Stop light & brake switch (left side of dash)
  • Stop light condenser
  • Stop light resistor
  • Unlock
  • W/ driver's seat auto up function
  • W/o driver's seat auto up function

2.5L, Starting Wiring Diagram for Subaru Outback 2012

List of elements for 2.5L, Starting Wiring Diagram for Subaru Outback 2012:

  • Acc
  • B135
  • B136
  • B152
  • B159
  • Battery
  • Clutch stroke sensor (clutch start switch) (left side of dash)
  • Cvt
  • Ecm (right side of dash)
  • Fuse & relay box (f/b) (left kick panel)
  • Fuse 21 7.5a
  • Ignition switch
  • Inhibitor switch (top of transmission)
  • J/c b138 (right kick panel)
  • M/t
  • Main fuse box (m/b)
  • Main sbf fuse 120a
  • Nca
  • Neutral position switch
  • Off
  • Sbf-5 fuse 40a
  • Start
  • Starter motor
  • Starter relay (fuse & relay box (f/b))
  • T3 b12

3.6L

3.6L, Charging Wiring Diagram for Subaru Outback 2012

List of elements for 3.6L, Charging Wiring Diagram for Subaru Outback 2012:

  • B36
  • Battery
  • Charge warning light ind
  • Combination meter
  • Fuse & relay box (f/b) (left kick panel)
  • Fuse 2 7.5a
  • Fuse 5 7.5a
  • Generator
  • Hot in on or start
  • Main fuse box (m/b)
  • Main sbf fuse 120a
  • Nca
  • Starter motor

3.6L, Remote Starting Wiring Diagram for Subaru Outback 2012

List of elements for 3.6L, Remote Starting Wiring Diagram for Subaru Outback 2012:

  • (door lock switch)
  • (left kick panel) gb-6
  • (right kick panel) gb-5
  • (steering column)
  • At select lever
  • B136
  • B158
  • B280
  • B281
  • B52
  • Body integrated unit (center of dash)
  • Computer data lines system
  • D144
  • D145
  • D146
  • D147
  • D95
  • Ecm (right side of dash)
  • Fuse & relay box (f/b) (left kick panel)
  • Fuse 12 15a
  • Fuse 18 15a
  • Fuse 31 7.5a
  • Fuse 4 7.5a
  • Fuse 7 7.5a
  • Fuse 8 15a
  • Gb-6 (left kick panel)
  • Hood switch (right side of engine compt)
  • Hot at all times
  • Hot in on or acc
  • Hot in on or start
  • I101 d84
  • I152
  • I171
  • I76 d83
  • I84
  • J/c b483 (right front of engine compt)
  • J/c b491 (left end of dash)
  • J/c i166 (left side of dash)
  • Key warning switch
  • Lock
  • Main fuse box (m/b)
  • Nca
  • P range switch
  • Passenger's door lock switch
  • Power window main switch
  • Red
  • Remote engine start control module (left side of dash)
  • Stop light & brake switch (left side of dash)
  • Stop light condenser
  • Stop light resistor
  • Unlock
  • W/ driver's seat auto up function
  • W/o driver's seat auto up function

3.6L, Starting Wiring Diagram for Subaru Outback 2012

List of elements for 3.6L, Starting Wiring Diagram for Subaru Outback 2012:

  • Acc
  • B135
  • B136
  • B152
  • B159
  • B54
  • Battery
  • Ecm (right side of dash)
  • Fuse & relay box (f/b) (left kick panel)
  • Fuse 7.5a
  • Ignition switch
  • Inhibitor relay (left kick panel)
  • Main fuse box (m/b)
  • Main sbf fuse 120a
  • Nca
  • Off
  • Sbf-5 fuse 40a
  • Start
  • Starter motor
  • Starter relay (fuse & relay box (f/b))
  • Tcm (left side of dash)

SUPPLEMENTAL RESTRAINTS

Supplemental Restraints Wiring Diagram (1 of 2) for Subaru Outback 2012

List of elements for Supplemental Restraints Wiring Diagram (1 of 2) for Subaru Outback 2012:

  • Ab17
  • Ab2
  • Ab35
  • Ab37
  • Ab38
  • Ab6
  • Ab62
  • Ab7
  • Air bag control module (under center console)
  • B36
  • Computer data lines system
  • Driver's air bag module (in steering wheel)
  • Fuse 15a
  • Fuse 7.5a
  • Fuse block (f/b)
  • Hot in on or start
  • I193
  • I53
  • J/c b491 (left end of dash)
  • Left curtain air bag module (wagon: left "d" pillar) sedan: left "c" pillar)
  • Left curtain air bag sensor (left "c" pillar)
  • Left front door impact sensor (driver's door)
  • Left front sub sensor (behind left side of front bumper)
  • Left pretensioner (base of left "b" pillar)
  • Left side air bag module (left side of driver's seat back)
  • Left side air bag sensor (left "b" pillar)
  • Nca
  • Passenger's air bag module (right side of dash)
  • R123
  • R98
  • Red
  • Roll connector (left side of dash)
  • Warning systems

Supplemental Restraints Wiring Diagram (2 of 2) for Subaru Outback 2012

List of elements for Supplemental Restraints Wiring Diagram (2 of 2) for Subaru Outback 2012:

  • (base of right "b" pillar) right pretensioner
  • (in seat belt buckle) buckle switch
  • (right side of front passenger's seat back) right side air bag module
  • (sedan: right "c" pillar) (wagon: right "d" pillar) right curtain air bag module
  • Ab18
  • Ab53
  • Ab59
  • Ab63
  • Air bag control module (under center console)
  • Air bag warning light ind
  • Clock
  • Combination meter
  • Driver circuit
  • Except u4, u5 & u6 model
  • Ind light ind air bag
  • Occupant detection module (under front passenger's seat)
  • Occupant detection sensor
  • Off ind air bag
  • On ind air bag
  • Passenger's
  • R124
  • R346
  • R348
  • Red
  • Reverse circuit
  • Right curtain air bag sensor (right "c" pillar)
  • Right front door impact sensor (front passenger's door)
  • Right front sub sensor (behind right side of front bumper)
  • Right side air bag sensor (right "b" pillar)
  • U4, u5 & u6 model

TRANSMISSION

A/T Wiring Diagram (1 of 2) for Subaru Outback 2012

List of elements for A/T Wiring Diagram (1 of 2) for Subaru Outback 2012:

  • (in relay holder) main relay
  • All times
  • At select lever
  • B12
  • B52
  • B54
  • B68 st1
  • Computer data lines system
  • Down
  • Engine controls system
  • Exterior lights system
  • Fuse & relay box (f/b) (left kick panel)
  • Fuse 10a
  • Fuse 15a
  • Fuse 7.5a
  • Hot at
  • Hot at all times
  • Hot in on or start
  • I152
  • J/c b491 (left end of dash)
  • Main fuse box (m/b)
  • Manual mode switch
  • Nca
  • Paddle shift switch
  • Rear vehicle speed sensor (rear of transmission)
  • Red
  • Roll connector (left side of dash)
  • St4
  • Starting/charging system
  • Tcm (left side of dash)
  • Turbine speed sensor 1 (left side of transmission)

A/T Wiring Diagram (2 of 2) for Subaru Outback 2012

List of elements for A/T Wiring Diagram (2 of 2) for Subaru Outback 2012:

  • (right kick panel)
  • Aft temp sensor
  • Atf temperature warning light ind
  • Awd warning light ind
  • B11
  • B11 t4
  • B12
  • B55
  • Brake forward
  • Brake front
  • Can transceiver & receiver
  • Clutch direct
  • Clutch input
  • Combination meter
  • Computer data lines system
  • Control valve body
  • Direct clutch
  • Driver circuit
  • Forward brake
  • Front brake
  • Front vehicle speed sensor
  • Gb-5
  • Hi/low rev clutch
  • I/f
  • Inhibitor switch
  • Input clutch
  • Line pressure
  • Linear solenoid
  • Lock up pressure
  • Micro computer
  • Nca
  • Oil pressure switch
  • Pnk
  • Red
  • Reverse high-low
  • T10
  • T11
  • T14
  • T15
  • T20
  • T21
  • T24
  • Tcm (left side of dash)
  • Transfer
  • Turbine speed sensor 2

CVT Wiring Diagram (1 of 2) for Subaru Outback 2012

List of elements for CVT Wiring Diagram (1 of 2) for Subaru Outback 2012:

  • (fuse & relay box (f/b)) self shut relay
  • At select lever
  • B11
  • B12
  • B158
  • B52
  • B55
  • B68 st1
  • Computer data lines system
  • Down
  • Front wheel speed sensor
  • Fuse & relay box (f/b) (left kick panel)
  • Fuse 15a
  • Fuse 20a
  • Fuse 7.5a
  • Hot at all times
  • Hot in on or start
  • I152
  • J/c b491 (left end of dash)
  • Main fuse box (m/b)
  • Manual mode switch
  • Nca
  • Paddle shift switch
  • Pnk
  • Primary speed sensor (top right side of cvt transmission)
  • Red
  • Roll connector (left side of dash)
  • Secondary speed sensor (top front of cvt transmission)
  • St4
  • Stop light & brake switch (left side of dash)
  • Tcm (left side of dash)

CVT Wiring Diagram (2 of 2) for Subaru Outback 2012

List of elements for CVT Wiring Diagram (2 of 2) for Subaru Outback 2012:

  • Awd solenoid
  • Awd warning light ind
  • B11 t4
  • B12
  • B54
  • Can transceiver & receiver
  • Combination meter
  • Computer data lines system
  • Control valve body
  • Cvt oil temperature warning light ind
  • Driver circuit
  • Duty solenoid lock up
  • Gb-5 (right kick panel)
  • I/f
  • Inhibitor switch (top of transmission)
  • Micro computer
  • On/off solenoid lock up
  • Pnk
  • Primary down solenoid
  • Primary up solenoid
  • Red
  • Secondary pressure sensor (top front of cvt transmission)
  • Sensor aft temperature
  • Solenoid f & r
  • Solenoid secondary
  • Tcm (left side of dash)

WARNING SYSTEMS

Chime Wiring Diagram for Subaru Outback 2012

List of elements for Chime Wiring Diagram for Subaru Outback 2012:

  • & receiver can transceiver
  • Ab17
  • Ab53
  • Ab59
  • Ab6
  • Air bag control module (under center console)
  • B280
  • B281
  • B36
  • Body integrated unit (center of dash)
  • Buckle switch (in seat belt buckle)
  • Buzzer
  • Circuit
  • Clock
  • Combination meter
  • Computer data lines system
  • Drive circuit
  • Fuse & relay box (f/b) (left kick panel)
  • Fuse 10 10a
  • Fuse 18 15a
  • Fuse 5 7.5a
  • Fuse 7 7.5a
  • Gb-10 (base of left "b" pillar)
  • Gb-9 (sedan: center of rear parcel shelf) (wagon: left "d" pillar)
  • Hot at all times
  • Hot in on or start
  • I/f
  • I102
  • I152
  • I84
  • Key warning switch (steering column)
  • Left front door switch (left "b" pillar)
  • Left power seat
  • Left seat belt switch
  • Left seat belt switch (under driver's seat)
  • Main fuse box (m/b)
  • Micro computer
  • Occupant detection control module (under front passenger's seat)
  • Passenger's seat belt warning light ind
  • R167
  • R339 i2
  • R341
  • R346
  • R348
  • R360
  • Red
  • Seat belt warning light ind
  • W/ power seat
  • W/o power seat

Tire Pressure Monitoring Wiring Diagram for Subaru Outback 2012

List of elements for Tire Pressure Monitoring Wiring Diagram for Subaru Outback 2012:

  • Body integrated unit (center of dash)
  • Combination meter
  • Computer data lines system
  • Drive circuit
  • Fuse & relay box (f/b) (left kick panel)
  • Fuse 10 10a
  • Fuse 4 7.5a
  • Fuse 5 7.5a
  • Gb-10 (base of left "b" pillar)
  • Hot at all times
  • Hot in on or start
  • Hot w/ ig2 relay energized
  • I/f
  • I1 b36
  • I171
  • J/c i166 (left side of dash)
  • Main fuse box (m/b)
  • Micro computer
  • R339
  • R339 i2
  • Tire inflation pressure warning light ind
  • Tpms & keyless entry control module (sedan: center of rear parcel shelf) (wagon: left "d" pillar)
  • Vdc control module (right rear corner of engine compt)

WIPER/WASHER

Front Wiper/Washer Wiring Diagram for Subaru Outback 2012

List of elements for Front Wiper/Washer Wiring Diagram for Subaru Outback 2012:

  • B280
  • B36
  • B52
  • B70
  • Body integrated unit (center of dash)
  • Combination meter
  • Combination switch
  • Drive circuit
  • Front washer motor (left front of engine compt)
  • Front washer switch
  • Front wiper motor (left side of firewall)
  • Front wiper switch
  • Fuse & relay box (f/b) (left kick panel)
  • Fuse 28 10a
  • Fuse 29 30a
  • Fuse 7.5a
  • Gb-5 (right kick panel)
  • Hot at all times
  • Hot in on or start
  • I/f
  • Int
  • Intermittent volume
  • J/c b478 (left front of engine compt)
  • J/c b483 (right front of engine compt)
  • J/c b491 (left end of dash)
  • Low-washer fluid warning light indicator
  • Main fuse block (m/b)
  • Main sbf fuse 120a
  • Micro computer
  • Mist
  • Nca
  • Off
  • Pc board
  • Washer level sensor (in washer fluid reservoir)
  • Wiper relay

Rear Wiper/Washer Wiring Diagram for Subaru Outback 2012

List of elements for Rear Wiper/Washer Wiring Diagram for Subaru Outback 2012:

  • B159
  • B280
  • B281
  • B36
  • B52
  • B70
  • Body integrated unit (center of dash)
  • Combination meter
  • Combination switch (rear wiper & washer switch)
  • Computer data lines system
  • D34
  • Drive circuit
  • Exterior lights system
  • Fuse & relay box (f/b) (left kick panel)
  • Fuse 27 15a
  • Fuse 7.5a
  • Gb-5 (right kick panel)
  • Gb-8 (base of right "b" pillar)
  • Hot at all times
  • Hot in on or start
  • I/f
  • I1 b36
  • I152
  • I154
  • Int
  • J/c b478 (left front of engine compt)
  • J/c b479 (left front of engine compt)
  • J/c b491 (left end of dash)
  • Low-washer fluid warning light indicator
  • Main fuse block (m/b)
  • Main sbf fuse 120a
  • Micro computer
  • Nca
  • Off
  • On+wash
  • R332
  • R38
  • Rear washer motor (left front of engine compt)
  • Rear wiper motor (in rear gate)
  • Rear wiper/ washer switch
  • Red
  • Wash
  • Washer level sensor (in washer fluid reservoir)
  • Wiper relay

Can't find your car? Check -> DiagnostData.com!