AUTOMOTIVE ELECTRICIANS

Все схемы для электропроводки Mercedes-Benz C320 2005

Автомтическая коробка Передач (АКПП) Полная привод (4WD) Блокировка Дифференциала

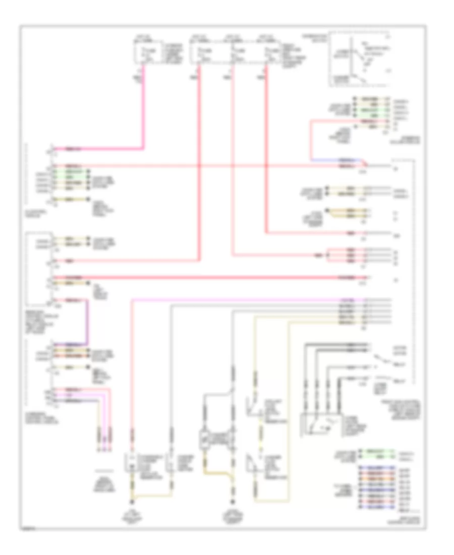
Электросхема автоматической коробки передач АКПП для Mercedes-Benz C320 2005

Электросхема автоматической коробки передач АКПП для Mercedes-Benz C320 2005

Электросхема автоматической коробки передач АКПП для Mercedes-Benz C320 2005 - Список элементов:

  • 1-2/ 4-5 valve
  • 1-2/4-5 vlv
  • 2-3 shift valve
  • 2-3 vlv
  • 3-4 shift valve
  • 3-4 vlv
  • Automatic transmission program selector pushbutton
  • C10
  • C22
  • Can (+)
  • Can (-)
  • Can h
  • Can l
  • Computer data lines system
  • Diag
  • Electronic selector lever control module (base of gear selector lever)
  • Etc control module (under right side of dash)
  • Front sam control module w/ fuse & relay module (left rear of engine compt)
  • Gear
  • Gear display sensor
  • Illum
  • Kickdn
  • Kickdown switch (in accel pedal assembly)
  • Lock up valve
  • Mode
  • Modul- ator valve
  • Modulator vlv
  • Pins 2 thru 28: not used
  • Pnk
  • Pwm vlv
  • Rpm 2
  • Rpm 3
  • Rpm sensor
  • Sensor ground
  • Sensor v+
  • Shift valve
  • Shift vlv
  • Start interlock switch
  • Temp sensor
  • Temp/start
  • Valve unit (right front of transmission housing)
  • W18 (under left front seat)
  • W19 (under left front seat)

БАГАЖНИК ЗАДНЯЯ ДВЕРЬ ЛЮЧОК ТОПЛИВНОГО БАКА

Электросхема открывания багажника и лючка топливного бака для Mercedes-Benz C320 2005

Электросхема открывания багажника и лючка топливного бака для Mercedes-Benz C320 2005 - Список элементов:

  • (coupe)
  • (left rear of engine compt) front sam control module w/ fuse & relay module
  • (right side of trunk) w55
  • (sedan & wagon)
  • C10
  • C13
  • C21
  • Can h
  • Can l
  • Can-b h
  • Can-b l
  • Computer data lines system
  • Front pre-fuse box (right rear of engine compt)
  • Fuse 200a
  • Hot at all times
  • Nca
  • Pnk/red
  • Rear sam control module w/ fuse & relay module (left side of trunk)
  • Red
  • Trunk ajar
  • Trunk emerg
  • Trunk ext
  • Trunk lid central locking motor
  • Trunk lid contact switch
  • Trunk lid emergency release switch
  • Trunk lid external switch
  • Trunk motor
  • W16/3 (left side of engine compt)
  • W6 (left side of trunk)

БЛОК ПРЕДОХРАНИТЕЛЕЙ И РЕЛЕ

Электросхема блока предохранителей и реле для Mercedes-Benz C320 2005

Электросхема блока предохранителей и реле для Mercedes-Benz C320 2005 - Список элементов:

  • (diagram 1 of 2)
  • 1.8l super- charged
  • 175a
  • Battery
  • Cd changer
  • Central gateway control unit
  • Comfort acc pushbutton control module, upper control panel control module
  • Coupe
  • Di control module
  • Driver front seat adjustment control module
  • Electric suction fan engine & a/c w/ integrated control
  • Electronic steering lock control module
  • Emergency call system control unit
  • Emergency call system control unit, e-net compensator, ctel interface
  • Except 1.8l super- charged
  • From fuse 31 a
  • Front pre-fuse box (right rear of engine compt)
  • Front sam control module w/ fuse & relay module
  • Fuse 125a
  • Fuse 15a ('05)
  • Fuse 200a
  • Fuse 20a
  • Fuse 30a
  • Fuse 30a (c240, c320)
  • Fuse 60a
  • Fuse 7.5a
  • Generator
  • Heating systems recirculation unit
  • Instrument cluster
  • Interior fuse box (under left end of dash)
  • Left front door control module
  • Passenger front seat adjustment control module
  • Rear blower motor control module
  • Rear left door control module
  • Rear right door control module
  • Rear sam control module w/ fuse & relay module
  • Red
  • Red/ pnk
  • Right front door control module
  • Sedan & coupe
  • Sound amplifier
  • Starter motor
  • Starter/ alternator fuse
  • To fuse 32 (diagram 1 of 2)
  • Trunk lid emergency release switch, rear sam control module w/ fuse & relay module
  • Upper control panel control module

БЛОКИ УПРАВЛЕНИЯ КУЗОВОМ

передняя схема управляющего модуля SAM (1 из 3) для Mercedes-Benz C320 2005

передняя схема управляющего модуля SAM (1 из 3) для Mercedes-Benz C320 2005 - Список элементов:

  • Air pump relay
  • Anti-lock brakes system
  • Bla
  • C12
  • C16
  • C17
  • C23
  • C24
  • Circuit 15r relay
  • Circuit relay
  • Circuit relay (chassis)
  • Circuit relay (engine)
  • Crash
  • D2b telephone & tele aid transmitter (2003 model) emergency call system control unit (2004-2005 models)
  • Diag
  • Engine controls system
  • Fanfare horns relay
  • From fuse 45 (diagram 1 of 3)
  • Front pre-fuse box (right rear of engine compt)
  • Front sam control module w/ fuse & relay module (left rear of engine compt)
  • Fuse
  • Fuse 15a
  • Fuse 200a
  • Fuse 40a
  • Fuse 5a
  • Fuse 60a
  • Fuse 7.5a
  • Headlights system
  • Hot at all times
  • Range
  • Red
  • Starter relay
  • Starting system
  • To pin 1, conn c19 (diagram 2 of 3)
  • To pin 1, conn c3 (diagram 2 of 3)
  • To pin 2, conn c2 (diagram 2 of 3)
  • To pin 2, conn c3 (diagram 2 of 3)
  • To pin 3, conn c13 (diagram 2 of 3)
  • To pin 4, conn c12 (diagram 1 of 3)
  • To pin 4, conn c19 (diagram 2 of 3)
  • To pin 6, conn c19 (diagram 2 of 3)
  • To pin 6, conn c2 (diagram 2 of 3)
  • To pin 8, conn c19 (diagram 2 of 3)
  • To pin 8, conn c3 (diagram 2 of 3)
  • To pin 9, conn c2 (diagram 2 of 3)
  • Transmission system
  • Vss lf
  • Vss rf
  • Wiper
  • Wiper on/off relay
  • Wiper stage 1-2 relay
  • Wiper/washer system

передняя схема управляющего модуля SAM (2 из 3) для Mercedes-Benz C320 2005

передняя схема управляющего модуля SAM (2 из 3) для Mercedes-Benz C320 2005 - Список элементов:

  • (2003 & early 2004 models only)
  • (cl)
  • (except cl)
  • (left side of engine compt) w16/3
  • (under left side of dash)
  • 15r
  • Air conditioning system
  • Air pump
  • Anti-lock brakes system
  • Anti-theft system
  • Bridge
  • C11
  • C13
  • C19
  • Can-b h
  • Can-b l
  • Computer data lines system
  • Cooling fans system
  • Cpp
  • Data link connector
  • Di control module
  • Diag
  • Ecm
  • Engine controls system
  • From fanfare l horns relay (diagram 1 of 3)
  • From fuse 47 f (diagram 1 of 3)
  • From fuse 48 h (diagram 1 of 3)
  • From fuse 50 i (diagram 1 of 3)
  • From fuse 51 j (diagram 1 of 3)
  • From fuse 51 k (diagram 1 of 3)
  • From fuse 53 b (diagram 1 of 3)
  • From fuse 53 c (diagram 1 of 3)
  • From fuse 53 d (diagram 1 of 3)
  • From fuse 54 e (diagram 1 of 3)
  • From fuse 57 a (diagram 1 of 3)
  • Front cigar lighter
  • Front sam control module w/ fuse & relay module (left rear of engine compt)
  • Fuse 57 5a
  • Fuse 59 50a
  • Fuse 60 40a
  • Fuse 62 5a
  • Fuse 63 5a
  • Fuse 64 10a
  • Headlights system
  • Hood
  • Horns system
  • Hot at all times
  • Instrument cluster
  • Interior lights system
  • Kpr
  • Memory system
  • Pnk/red
  • Rear sam control module w/ fuse & relay module
  • Red
  • Sound systems
  • W28/2 (behind right kick panel)

передняя схема управляющего модуля SAM (3 из 3) для Mercedes-Benz C320 2005

передняя схема управляющего модуля SAM (3 из 3) для Mercedes-Benz C320 2005 - Список элементов:

  • (2003 & 2004 early production models only)
  • 58d
  • A/c system
  • Anti-lock brakes system
  • Backup
  • Brk lvl
  • C10
  • C14
  • C15
  • C18
  • C20
  • C21
  • C22
  • C24
  • C25
  • C26
  • Can-b h
  • Can-b l
  • Charging system
  • Computer data lines system
  • Control module box blower motor
  • Cool lvl
  • Cooling fans system
  • Cpp
  • Crash sig
  • Data link connector (under left side of dash)
  • Di control module
  • Diag
  • Dlc
  • Ecm
  • Emergency call system control unit (front of cargo area)
  • Engine controls system
  • Except models
  • Exterior lights system
  • Fan
  • Front sam control module w/ fuse & relay module (left rear of engine compt)
  • Frt wiper
  • Headlights system
  • Headlights system (xenon)
  • Hose heat
  • L fog
  • L hi
  • L lo
  • Lamp sw
  • Lf mark
  • Lf park
  • Lf turn
  • Mod cool
  • Nzl heat
  • Park brk
  • Pnk
  • R fog
  • R hi
  • R lo
  • R press
  • Rf mark
  • Rf park
  • Rf turn
  • Sra
  • Telephone wiring
  • Temp
  • Transmission system
  • Vss lf sig out
  • W9 (at left headlamp unit)
  • Warning systems
  • Wash lvl
  • Wiper/washer system
  • Xenon diagnos.

задняя схема управляющего модуля SAM (1 из 2) для Mercedes-Benz C320 2005

задняя схема управляющего модуля SAM (1 из 2) для Mercedes-Benz C320 2005 - Список элементов:

  • (-)
  • (2003 & 2004 early production models)
  • Anti-theft system
  • C10
  • C12
  • C13
  • C19
  • C20
  • Can-b h
  • Can-b l
  • Circuit 15r (1) relay
  • Circuit 15r (2) relay
  • Computer data lines system
  • Crash
  • Defogger system
  • Door locks system
  • Engine controls system
  • Front pre-fuse box (right rear of engine compt)
  • Front sam control module w/ fuse & relay module (left rear of engine compt)
  • Fuel lvl
  • Fuel pump relay
  • Fuse 15a
  • Fuse 17 20a
  • Fuse 20 7.5a
  • Fuse 200a
  • Fuse 20a
  • Fuse 30a
  • Fuse 40a
  • Fuse 5a
  • Fuse 7.5a
  • Fuse 8 7.5a
  • Hot at all times
  • Interior socket
  • Kpr
  • Lf comfort
  • Lf door
  • Lr door
  • Memory system & seat system)
  • Passive restraints system
  • Pnk
  • Pnk/red
  • Power windows system
  • Rear defogger relay
  • Rear sam control module w/ fuse & relay module (left side of trunk)
  • Red
  • Rf comfort
  • Rf door
  • Rr door
  • S17
  • S18
  • S19
  • S20
  • Sdar control unit (right rear of trunk)
  • Seats system
  • Side of trunk) (coupe)
  • Side of trunk) (sedan & wagon)
  • Sig
  • Telephone wiring
  • To pin 2 conn c26 (diagram 2 of 2)
  • W55 (right
  • W6 (left
  • Wiper/ washer system

задняя схема управляющего модуля SAM (2 из 2) для Mercedes-Benz C320 2005

задняя схема управляющего модуля SAM (2 из 2) для Mercedes-Benz C320 2005 - Список элементов:

  • Amp mod
  • C10
  • C11
  • C12
  • C13
  • C14
  • C15
  • C16
  • C17
  • C18
  • C21
  • C22
  • C23
  • C24
  • C25
  • C26
  • C27
  • C28
  • Chmsl
  • Common
  • Coupe & wagon only
  • Door locks system
  • Exterior lights system
  • From fuse 7 (diagram 1 of 2)
  • Fuel filter cap polarity change 1 relay
  • Fuel filter cap polarity change 2 relay
  • Fuse 15 10a
  • Fuse 3 7.5a
  • Fuse 8 7.5a
  • Fuse 9 25a
  • Hot at all times
  • Interior lights system
  • L license
  • Lock pawl
  • Lr back
  • Lr fog lmp
  • Lr mark
  • Lr park
  • Lr stop
  • Lr turn
  • Models only
  • Nca
  • Neck-pro head restraint triggering device
  • Overhead control panel control module
  • Power windows system
  • R license
  • R wiper
  • Radio
  • Rear blind
  • Rear sam control module w/ fuse & relay module (left side of trunk)
  • Rhr (kaf) release valve (left side of trunk)
  • Rhr rel
  • Rr back
  • Rr mark
  • Rr park
  • Rr stop
  • Rr turn
  • Sound systems
  • Trk lamp
  • Trunk cl
  • Trunk emerg
  • Trunk ext
  • Trunk sw
  • Wiper/washer system

БЛОКИРОВКИ СЕЛЕКТОРА СТОЯНОЧНЫЙ ТОРМОЗ

Электросхема блокировки селектора для Mercedes-Benz C320 2005

Электросхема блокировки селектора для Mercedes-Benz C320 2005 - Список элементов:

  • (2003 & 2004 early prod.)
  • (2004 late prod & 2005)
  • 30z
  • C10
  • C20
  • C22
  • Can h
  • Can l
  • Computer data lines system
  • Diag
  • Electronic selector lever control module (base of gear selector lever)
  • Esp & bas control module (left side of engine compt)
  • Etc control module (under right side of dash)
  • Front pre-fuse box (right rear of engine compt)
  • Front sam control module w/ fuse & relay module (left rear of engine compt)
  • Fuse 200a
  • Fuse 5a
  • Fuse 60a
  • Hot at all times
  • Hot in run, acc, or start
  • Mls
  • Pnk
  • Red
  • Stoplamp switch (on brake pedal bracket)
  • W16/3 (left side of engine compt)
  • W18 (base of left "b" pillar)
  • W19 (under right front seat)

ВНЕШНЕЕ ОСВЕЩЕНИЕ

Электросхема заднего хода для Mercedes-Benz C320 2005

Электросхема заднего хода для Mercedes-Benz C320 2005 - Список элементов:

  • Back- up lamp
  • Back- up lamp switch (on right side of transmission) (m/t)
  • C10
  • C14
  • Can-b h
  • Can-b l
  • Computer data lines system
  • Electronic selector lever control module (at base of selector lever) (a/t)
  • Front sam control module w/ fuse & relay module (left rear of engine compt)
  • Left taillamp unit
  • Lr backup
  • Rear sam control module w/ fuse & relay module (left side of trunk)
  • Reverse
  • Right taillamp unit
  • Rr backup
  • W18 (at base of left "b" pillar)
  • W6 (left side of trunk)

Электросхема внешнего освещения (1 из 2) для Mercedes-Benz C320 2005

Электросхема внешнего освещения (1 из 2) для Mercedes-Benz C320 2005 - Список элементов:

  • Auto
  • C10
  • C13
  • C19
  • C20
  • Can h
  • Can l
  • Can-b h
  • Can-b l
  • Computer data lines system
  • Esp & bas control module (left side of engine compt)
  • Exterior lamps
  • Fog lamp
  • Fog lamp ind
  • Front sam control module w/ fuse & relay module (left rear of engine compt)
  • Fuse 5a
  • Head
  • Headlamp wash
  • Hot at all times
  • Hot in run or start
  • Hot in run, acc, or start
  • In
  • Instrument cluster
  • Lamp switch module
  • Left
  • Left exterior mirror
  • Left front door control module
  • Left front side marker lamp
  • Left headlamp unit
  • Left turn ind
  • Lf mark
  • Lf park
  • Lf turn
  • Mirror adjust
  • Mirror fold
  • Mirror select
  • Mls
  • Nca
  • Off
  • Out
  • Park
  • Pnk/red
  • Red
  • Rf mark
  • Rf park
  • Rf turn
  • Right
  • Right exterior mirror
  • Right front door control module
  • Right front side marker lamp
  • Right headlamp unit
  • Right turn ind
  • Sounder
  • Stand/ park lamp
  • Stoplamp switch (on brake pedal bracket)
  • Turn
  • Turn lamp
  • W16/3 (left side of engine compt)
  • W16/4 (right rear of engine compt)
  • W28/2 (behind right kick panel)
  • W9 (at left headlamp)

Электросхема внешнего освещения (2 из 2) для Mercedes-Benz C320 2005

Электросхема внешнего освещения (2 из 2) для Mercedes-Benz C320 2005 - Список элементов:

  • (coupe) (sedan & wagon)
  • (right side of trunk) w55 w6 (left side of trunk)
  • Ambient light & road ahead sensors
  • Automatic light switch daylight sensor (front of headliner)
  • Back- up lamp
  • C14
  • C21
  • Can-b h
  • Can-b l
  • Center high mount stop lamp
  • Chmsl
  • Combination switch
  • Computer data lines system
  • Di control module
  • Front pre-fuse box (right rear of engine compt)
  • Fuse 200a
  • Hazard switch
  • Hot at all times
  • L license
  • Left license plate lamp
  • Left rear side marker lamp (coupe)
  • Left taillamp unit
  • Lr backup
  • Lr mark
  • Lr park
  • Lr stop
  • Lr turn
  • Overhead control panel control module
  • Pnk
  • Pnk/red
  • R license
  • Rear sam control module w/ fuse & relay module (left side of trunk)
  • Red
  • Right license plate lamp
  • Right rear side marker lamp (coupe)
  • Right taillamp unit
  • Rr backup
  • Rr mark
  • Rr park
  • Rr stop
  • Rr turn
  • Stop lamp
  • Tail/ park lamp
  • Turn signal lamp
  • Turn signal switch
  • Upper control panel control module
  • W28/2 (behind right kick panel)
  • W6 (left side of trunk)

ВНУТРЕННЕЕ ОСВЕЩЕНИЕ

Электросхема подсветки для Mercedes-Benz C320 2005

Электросхема подсветки для Mercedes-Benz C320 2005 - Список элементов:

  • (behind left kick panel) w28/1
  • C10
  • C13
  • C17
  • C19
  • C21
  • C22
  • C24
  • Can h
  • Can l
  • Can-b h
  • Can-b l
  • Computer data lines system
  • Ctsy lmp
  • Except wagon
  • Front dome
  • Front pre-fuse box (right rear of engine compt)
  • Front sam control module w/ fuse & relay module (left rear of engine compt)
  • Fuse 15a
  • Fuse 200a
  • Glove compartment switch & lamp
  • Hot at all times
  • Hot in run or start
  • Left front door contact switch
  • Left front door control module
  • Left front door entrance & exit lamp
  • Left reading
  • Left rear door contact switch (sedan, wagon)
  • Left rear door control
  • Left rear door entrance & exit lamp
  • Left trunk lamp
  • Left vanity mirror lamp
  • Lf door ajar
  • Lr door ajar
  • Overhead control panel control module
  • Pnk/red
  • Rear dome
  • Rear dome lamp
  • Rear sam control module w/ fuse & relay module (left side of trunk)
  • Red
  • Rf door ajar
  • Right front door contact switch
  • Right front door control module
  • Right front door entrance & exit lamp
  • Right reading
  • Right rear door contact switch (sedan, wagon)
  • Right rear door control module
  • Right rear door entrance & exit lamp
  • Right trunk lamp
  • Right vanity mirror lamp
  • Rr door ajar
  • Trunk ajar
  • Trunk lamp (except wagon)
  • Trunk lid contact switch
  • W16/3 (left side of engine compt)
  • W18 (at base of left "b" pillar)
  • W19 (under right front seat)
  • W28/2 (behind right kick panel)
  • W6 (left side of trunk)
  • Wagon

Электросхема подсветки приборов для Mercedes-Benz C320 2005

Электросхема подсветки приборов для Mercedes-Benz C320 2005 - Список элементов:

  • (-)
  • Auto
  • Automatic transmission program selector pushbutton
  • C10
  • C11
  • C19
  • C20
  • C25
  • Can h
  • Can l
  • Can-b h
  • Can-b l
  • Center air outlet illumination
  • Clock- spring
  • Computer data lines system
  • Exterior lamps
  • Fog lamp
  • Fog lamp ind
  • Front ashtray illumination
  • Front cigar lighter
  • Front pre-fuse box (right rear of engine compt)
  • Front sam control module w/ fuse & relay module (left rear of engine compt)
  • Fuse 200a
  • Fuse 5a
  • Fuse 7.5a
  • Head
  • Headlamp wash
  • Hot at all times
  • Hot in run or start
  • Illum
  • Illumination
  • Illumination rheostat
  • In
  • Instrument cluster
  • Lamp switch module
  • Left
  • Left air outlet illumination
  • Left rear door control module
  • Left rear power window switch
  • Lower control field control module
  • Mb-info & breakdown assistance button group
  • Mirror adjust
  • Mirror fold
  • Mirror select
  • Nca
  • Off
  • Out
  • Park
  • Rear blower electronic selector wheel
  • Red
  • Right
  • Right air outlet illumination
  • Right front door control module
  • Right front power window switch
  • Right rear door control module
  • Right rear power window switch
  • Sos push button switch
  • Steering wheel multi- function switches (2001, 2002 early production)
  • Upper control panel control module
  • W16/3 (left side of engine compt)
  • W19 (under right front seat)
  • W28/2 (behind right kick panel)
  • W7 (right side of trunk)

ЗАЗЕМЛЕНИЕ ПОДКЛЮЧЕНИЕ МАССЫ

Электросхема подключение массы заземления для Mercedes-Benz C320 2005

Электросхема подключение массы заземления для Mercedes-Benz C320 2005 - Список элементов:

  • Amplifier module 1, amplifier module 2
  • Ata [edw] hood switch, brake fluid indicator switch, parking brake indicator switch, clutch pedal switch, washer nozzle heaters
  • Cd changer, front passenger front seat adjustment control module with memory, driver front seat adjustment control module with memory, left rear door contact switch, lower control field control module, left front door contact switch, backup lamp switch, clutch pedal switch, driver seat backrest release microswitch, fuel pump (fp), right front backrest heated cushion, right front seat heated cushion, left front backrest heated cushion, left front seat heated cushion, left front door control module, rear left door control module, fan motors 1 & 2, kickdown switch, ect control module, automatic transmission program selector pushbutton, electronic selector level module control module
  • Central gateway control unit, right fog lamp, right front side marker lamp, air pump, charge air cooler circulation pump, fanfare horns, c-aac [k-kla] multifunction sensor, c-aac sun sensor, coolant circulation pump, right front headlamp unit, alarm signal horn
  • Esp and bas control module, front sam control module with fuse and relay module,
  • Hcs pump, left front headlamp unit, tailgate washer fluid pump, level control oil level switch, washer nozzle hose heater, electric suction fan engine and ac with integrated control, left fog lamp, left front side marker lamp, windshield washer fluid pump, control module box blower motor
  • Overhead control panel control module, rear blower motor control module, rear blower electronic selector wheel, can databus adapter connector, aac pushbutton control module, heating systems recirculation unit
  • Radio interference suppression capacitor, air pump, radio interference suppression capacitor 1, radio interference suppression capacitor 2
  • Radio, comand operating, display and control module, right front door contact switch, right rear door contact switch, front passenger seat backrest release microswitch, rear right door control module, right front door control module, ctel separation point
  • Rear sam control module, left taillamp, right taillamp, subwoofer loudspeaker, interior socket, rear screen blind relay, tailgate wiper motor, trunk lid external operation switch, lock pawl rotary tumbler switch, trunk lid external operation switch, trunk lid contact switch, right license plate lamp, center high-mounted stop lamp, left license plate lamp, trunk lid cl actuator motor, right rear side marker lamp, left rear side marker lamp
  • Sound amplifier, voice control system control module, universal portable ctel interface (upci [uhi]) control module, sdar control unit, auxiliary battery, sos pushbutton switch, mb-info and breakdown assistance button group, e-net compensator, frequency switchover control module, ctel (tel) interface, emergency call system control unit
  • Upper control panel control module, electric steering lock control module, di control module, steering column module, instrument cluster, glove compartment illumination with switch, front ashtray illumination, front cigar lighter, left front seat ventilation blower regulator, right front seat ventilation blower regulator, center air outlet illumination, left air outlet illumination, right air outlet illumination, combination switch, fanfare horns and airbag clock spring contact, steering angle sensor, brake booster vacuum pump control module, lamp switch module
  • W11/3 (top center front of engine)
  • W16/3 (left side of engine compt)
  • W16/4 (right rear of engine compt)
  • W18 (base of left "b" pillar)
  • W19 (under right front seat)
  • W28/1 (behind left kick panel)
  • W28/2 (behind right kick panel)
  • W6 (left side of trunk)
  • W7 (right side of trunk)
  • W8/1 (right side of trunk)
  • W9 (at left headlamp)

Звуковой сигнал Гудок

Электросхема звукового сигнал Гудка для Mercedes-Benz C320 2005

Электросхема звукового сигнал Гудка для Mercedes-Benz C320 2005 - Список элементов:

  • 30z
  • C10
  • C19
  • C20
  • Can-b h
  • Can-b l
  • Can-c h
  • Can-c l
  • Clock- spring
  • Computer data lines system
  • Fanfare horns
  • Fanfare horns relay
  • Front pre-fuse box (right rear of engine compt)
  • Front sam control module w/ fuse & relay module (left rear of engine compt)
  • Fuse 200a
  • Fuse 60a
  • Horn switch
  • Hot at all times
  • Left multi-function steering wheel pushbutton group
  • Nca
  • Red
  • Relay
  • Right multi-function steering wheel pushbutton group
  • Steering column module
  • Str whl
  • W16/3 (left side of engine compt)
  • W16/4 (right rear of engine compt)
  • W28/2 (behind right kick panel)

Магнитола Мультимедия

схема приведения в действие COMAND (1 из 2) для Mercedes-Benz C320 2005

схема приведения в действие COMAND (1 из 2) для Mercedes-Benz C320 2005 - Список элементов:

  • A-st
  • Am/fm
  • Amfm
  • Amplifier module 1 (screen antenna)
  • Amplifier module 2
  • C10
  • C11
  • C23
  • Can h
  • Can l
  • Can-b h
  • Can-b l
  • Cd changer
  • Clear
  • Command operating, display & control module
  • Computer data lines system
  • Control
  • Ctel interface (if equipped)
  • D2b
  • D2b fiber optic cable connector
  • D2b in
  • D2b out
  • D2b telephone & tele aid transmitter/ receiver (front of spare tire well)
  • Diag
  • Front pre-fuse box (right rear of engine compt)
  • Front sam control module w/ fuse & relay module (left rear of engine compt)
  • Fuse 200a
  • Fzu
  • Gps
  • Gps antenna (if equipped)
  • Hot at all times
  • J10
  • Mute
  • Nca
  • Rear sam control module w/ fuse & relay module
  • Red
  • Sdar control unit (right rear of trunk)
  • Voice control module (if equipped)
  • W16/3 (left side of engine compt)
  • W19 (under right front seat)
  • W6 (left side of trunk)
  • W8/1 (right side of trunk)
  • Wake
  • Wake up
  • Wake-up signal connector
  • X1/19
  • X1/20
  • X1/22
  • X35/71

схема приведения в действие COMAND (2 из 2) для Mercedes-Benz C320 2005

схема приведения в действие COMAND (2 из 2) для Mercedes-Benz C320 2005 - Список элементов:

  • (+)
  • (-)
  • (or pnk)
  • Can-b h
  • Can-b l
  • Center cockpit speaker
  • Clear
  • Command operating, display & control module
  • Computer data lines system
  • Coupe
  • D2b
  • D2b in
  • D2b out
  • Fuse 30a
  • Gnd
  • Hot at all times
  • Interior fuse box (under left end of dash)
  • Left front door mirror speaker
  • Left front door speaker
  • Left rear door speaker
  • Mic +
  • Mic -
  • Nca
  • Nf-l
  • Nf-r
  • Pnk
  • Right front door mirror speaker
  • Right front door speaker
  • Right rear door speaker
  • Sedan
  • Shld
  • Sound amplifier
  • Sound amplifier microphone
  • Subwoofer loudspeaker
  • W/o amp
  • W/o amplifier
  • W6 (left side of trunk)
  • W7 (right side of trunk)
  • Wagon
  • Wake
  • Wake up
  • Walkman separation point

Электросхема магнитолы, С Усилитель (1 из 2) для Mercedes-Benz C320 2005

Электросхема магнитолы, С Усилитель (1 из 2) для Mercedes-Benz C320 2005 - Список элементов:

  • (+)
  • (-)
  • A-st
  • Am/fm
  • Amplifier module 1
  • Amplifier module 2
  • Ant
  • Bass module loudspeaker (sedan & wagon)
  • C10
  • C11
  • C23
  • C24
  • Can h
  • Can l
  • Can-b h
  • Can-b l
  • Cd changer
  • Clear
  • Computer data lines system
  • D2b
  • D2b data bus circuit
  • D2b in
  • D2b out
  • D2b telephone & tele aid transmitter/ receiver
  • Diag
  • Front pre-fuse box (right rear of engine compt)
  • Front sam control module w/ fuse & relay module (left rear of engine compt)
  • Fuse 200a
  • Fzu
  • Gps
  • Gps antenna (if equipped)
  • Hot at all times
  • J10
  • Left front door mirror speaker
  • Left front door speaker
  • Left rear door speaker
  • Mute
  • Nca
  • Pnk
  • Radio
  • Rear sam control module w/ fuse & relay module
  • Red
  • Right front door mirror speaker
  • Right front door speaker
  • Right rear door speaker
  • Sdar control unit (right rear of trunk)
  • Universal portable ctel interface (if equipped)
  • Voice control system control module (at front cargo area)
  • W16/3 (left side of engine compt)
  • W19 (under right front seat)
  • W6 (left side of trunk)
  • W8/1 (right side of trunk)
  • Wake
  • Wake up
  • Wake-up signal connector
  • X1/19
  • X1/20
  • X1/22
  • X35/71

Электросхема магнитолы, С Усилитель (2 из 2) для Mercedes-Benz C320 2005

Электросхема магнитолы, С Усилитель (2 из 2) для Mercedes-Benz C320 2005 - Список элементов:

  • (+)
  • (-)
  • (or pnk)
  • Center cockpit speaker
  • Clear
  • Coupe
  • D2b
  • D2b data bus circuit
  • D2b in
  • D2b out
  • Fuse 30a
  • Hot at all times
  • Interior fuse box (under left end of dash)
  • Left front door mirror speaker
  • Left front door speaker
  • Left rear door speaker
  • Mic +
  • Mic -
  • Nca
  • Pnk
  • Right front door mirror speaker
  • Right front door speaker
  • Right rear door speaker
  • Sedan
  • Shld
  • Sound amplifier microphone
  • Subwoofer loudspeaker
  • W6 (left side of trunk)
  • W7 (right side of trunk)
  • Wagon
  • Wake

Электросхема магнитолы, без Усилитель для Mercedes-Benz C320 2005

Электросхема магнитолы, без Усилитель для Mercedes-Benz C320 2005 - Список элементов:

  • (+)
  • (-)
  • A-st
  • Am/fm
  • Amplifier module 1
  • Amplifier module 2
  • Ant
  • Bass module loudspeaker (sedan & wagon)
  • C10
  • C11
  • C23
  • C24
  • Can h
  • Can l
  • Can-b h
  • Can-b l
  • Cd changer
  • Clear
  • Computer data lines system
  • D2b
  • D2b data bus circuit
  • D2b in
  • D2b out
  • D2b telephone & tele aid transmitter/ receiver
  • Diag
  • Front pre-fuse box (right rear of engine compt)
  • Front sam control module w/ fuse & relay module (left rear of engine compt)
  • Fuse 200a
  • Fzu
  • Gps
  • Gps antenna (if equipped)
  • Hot at all times
  • J10
  • Left front door mirror speaker
  • Left front door speaker
  • Left rear door speaker
  • Mute
  • Nca
  • Out
  • Pnk
  • Radio
  • Rear sam control module w/ fuse & relay module
  • Red
  • Right front door mirror speaker
  • Right front door speaker
  • Right rear door speaker
  • Sdar control unit (right rear of trunk)
  • Universal portable ctel interface (if equipped)
  • Voice control system control module (at front cargo area)
  • W16/3 (left side of engine compt)
  • W19 (under right front seat)
  • W6 (left side of trunk)
  • W8/1 (right side of trunk)
  • Wake
  • Wake up
  • Wake-up signal connector
  • X1/19
  • X1/20
  • X1/22
  • X35/71

Навигация GPS Парктроники

схема приведения в действие COMAND (1 из 2) для Mercedes-Benz C320 2005

схема приведения в действие COMAND (1 из 2) для Mercedes-Benz C320 2005 - Список элементов:

  • A-st
  • Am/fm
  • Amfm
  • Amplifier module 1 (screen antenna)
  • Amplifier module 2
  • C10
  • C11
  • C23
  • Can h
  • Can l
  • Can-b h
  • Can-b l
  • Cd changer
  • Clear
  • Command operating, display & control module
  • Computer data lines system
  • Control
  • Ctel interface (if equipped)
  • D2b
  • D2b fiber optic cable connector
  • D2b in
  • D2b out
  • D2b telephone & tele aid transmitter/ receiver (front of spare tire well)
  • Diag
  • Front pre-fuse box (right rear of engine compt)
  • Front sam control module w/ fuse & relay module (left rear of engine compt)
  • Fuse 200a
  • Fzu
  • Gps
  • Gps antenna (if equipped)
  • Hot at all times
  • J10
  • Mute
  • Nca
  • Rear sam control module w/ fuse & relay module
  • Red
  • Sdar control unit (right rear of trunk)
  • Voice control module (if equipped)
  • W16/3 (left side of engine compt)
  • W19 (under right front seat)
  • W6 (left side of trunk)
  • W8/1 (right side of trunk)
  • Wake
  • Wake up
  • Wake-up signal connector
  • X1/19
  • X1/20
  • X1/22
  • X35/71

схема приведения в действие COMAND (2 из 2) для Mercedes-Benz C320 2005

схема приведения в действие COMAND (2 из 2) для Mercedes-Benz C320 2005 - Список элементов:

  • (+)
  • (-)
  • (or pnk)
  • Can-b h
  • Can-b l
  • Center cockpit speaker
  • Clear
  • Command operating, display & control module
  • Computer data lines system
  • Coupe
  • D2b
  • D2b in
  • D2b out
  • Fuse 30a
  • Gnd
  • Hot at all times
  • Interior fuse box (under left end of dash)
  • Left front door mirror speaker
  • Left front door speaker
  • Left rear door speaker
  • Mic +
  • Mic -
  • Nca
  • Nf-l
  • Nf-r
  • Pnk
  • Right front door mirror speaker
  • Right front door speaker
  • Right rear door speaker
  • Sedan
  • Shld
  • Sound amplifier
  • Sound amplifier microphone
  • Subwoofer loudspeaker
  • W/o amp
  • W/o amplifier
  • W6 (left side of trunk)
  • W7 (right side of trunk)
  • Wagon
  • Wake
  • Wake up
  • Walkman separation point

схема шины данных D2B для Mercedes-Benz C320 2005

схема шины данных D2B для Mercedes-Benz C320 2005 - Список элементов:

  • Cd changer
  • Command operating, display & control unit
  • Computer data lines system
  • D2b
  • D2b fiber optics connector (under right rear seat)
  • D2b in
  • D2b out
  • D2b telephone & tele aid transmitter/receiver
  • Diag
  • J10
  • Radio
  • Sdars control unit
  • Sound amplifier
  • Telephone interface
  • Voice control system control module
  • W/ command actuation circuit
  • W/ radio circuit
  • Wake up
  • Wake up signal connector (inside interior of right footwell)

телек помогает схеме для Mercedes-Benz C320 2005

телек помогает схеме для Mercedes-Benz C320 2005 - Список элементов:

  • (at right side of trunk) w7
  • +aux. batt
  • 15r
  • Airbag sig
  • Aux. antenna
  • Auxiliary battery
  • C11
  • C23
  • C25
  • C26
  • Can h
  • Can l
  • Computer data lines system
  • Ctel antenna
  • D2b
  • D2b data bus circuit
  • D2b in
  • D2b out
  • D2b telephone & tele aid transmitter/ receiver (at front of cargo area)
  • Diag
  • Emergency call spare antenna
  • Frequency switchover control module
  • Front sam control module fuse & relay module (left rear of engine compt)
  • Fuse 30a
  • Gps
  • Gps antenna
  • Hot at all times
  • Info led
  • Info sw
  • Interior fuse box (left side of dash)
  • J10
  • Led
  • Left front emergency call speaker
  • Mb-info & breakdown assistance switch
  • Mic +
  • Mic -
  • Mic+
  • Mic-
  • Mute
  • Navigation system (voice activation circuit)
  • Nca
  • Pnk
  • Radio/command operating, display & control unit or radio
  • Rap sw
  • Rear sam control module w/ fuse & relay module (left side of trunk)
  • Red
  • Rf sw
  • Sos led
  • Sos pushbutton switch
  • Sos sw
  • Speaker +
  • Speaker -
  • Telephone system
  • Trunk lid/ ffs separation point
  • Unlock
  • W7 (at right side of trunk)
  • Wake up

переговорная схема активации для Mercedes-Benz C320 2005

переговорная схема активации для Mercedes-Benz C320 2005 - Список элементов:

  • 15r
  • D2b
  • D2b data bus circuit
  • D2b in
  • D2b out
  • D2b telephone & tele aid transmitter/ receiver
  • Fuse 5a
  • Fuse 7.5a
  • Hands free microphone
  • Hot at all times
  • Hot in acc, run or start
  • J10
  • Mic+
  • Mic-
  • Nca
  • Rear sam control module fuse & relay module (left side of trunk)
  • Voice control system control module
  • W7 (at right rear wheelwell)
  • Wake up

Подогрев стекол и зеркал

Электросхема подогрева зеркал заднего вида для Mercedes-Benz C320 2005

Электросхема подогрева зеркал заднего вида для Mercedes-Benz C320 2005 - Список элементов:

  • Aac pushbutton control module
  • Can-b h
  • Can-b l
  • Computer data lines system
  • Defroster switch
  • Fuse 15a
  • Fuse 30a
  • Hot at all times
  • Interior fuse box (under left end of dash)
  • Left "b" pillar)
  • Left exterior mirror
  • Left front door control module
  • Nca
  • Right exterior mirror
  • Right front door control module
  • Sh (+)
  • Sh (-)
  • W18 (at base of
  • W19 (under right front seat)
  • W28/1 (behind left kick panel)

Электросхема заднего стекла для Mercedes-Benz C320 2005

Электросхема заднего стекла для Mercedes-Benz C320 2005 - Список элементов:

  • Aac pushbutton control module
  • C20
  • Can-b h
  • Can-b l
  • Computer data lines system
  • Front pre-fuse box (right rear of engine compt)
  • Fuse 15a
  • Fuse 200a
  • Fuse 40a
  • Heated rear window
  • Hot at all times
  • Interior fuse box (under left end of dash)
  • Rear signal pickup & activation control module (sam) w/ fuse & relay module (left side of trunk)
  • Rear window defroster relay
  • Rear window defroster switch
  • Red
  • W13 (at rear window defroster)
  • W28/1 (behind left kick panel)
  • W6 (left side of trunk)

ПОДУШКИ БЕЗОПАСНОСТИ AIR BAG

Электросхема подушек безопасности SRS AirBag (1 из 2) для Mercedes-Benz C320 2005

Электросхема подушек безопасности SRS AirBag (1 из 2) для Mercedes-Benz C320 2005 - Список элементов:

  • (pins 5 thru 32: not used)
  • 15r
  • Ab1 lf+
  • Ab1 lf-
  • Ab1 rf+
  • Ab1 rf-
  • Ab2 lf+
  • Ab2 lf-
  • Ab2 rf+
  • Ab2 rf-
  • Belt
  • Belt tension sensor (right front door sill)
  • C12
  • Can h
  • Can l
  • Computer data lines system
  • Crash sig
  • Driver seat belt buckle restraint systems switch
  • Drvr belt
  • Etr lf+
  • Etr lf-
  • Etr lr+
  • Etr lr-
  • Etr rf+
  • Etr rf-
  • Etr rr+
  • Etr rr-
  • Front sam control module w/ fuse & relay module (left rear of engine compt)
  • Left airbags sensor (under left rear seat)
  • Left frontal accel- eration sensor
  • Left rear etr squib (under left rear seat)
  • Pass belt
  • Passenger seat belt buckle restraint systems switch
  • Pnk
  • Press
  • Pressure sensor (under right front seat)
  • Red
  • Restraint systems control module (under center console, left of shifter)
  • Right airbags sensor (under right rear seat)
  • Right frontal accel- eration sensor
  • Right rear etr squib (under right rear seat)
  • Sb lf+
  • Sb lf-
  • Sb lr+
  • Sb lr-
  • Sb rf+
  • Sb rf-
  • Sb rr+
  • Sb rr-
  • Side l
  • Side r
  • Upfront l
  • Upfront r
  • W26 (under center console, left of shifter)
  • Wb l+
  • Wb l-
  • Wb r+
  • Wb r-
  • Weight sensing system (wss) control unit (under right front seat)

Электросхема подушек безопасности SRS AirBag (2 из 2) для Mercedes-Benz C320 2005

Электросхема подушек безопасности SRS AirBag (2 из 2) для Mercedes-Benz C320 2005 - Список элементов:

  • Clockspring
  • Driver airbag squib 1 (behind drivers airbag)
  • Driver airbag squib 2 (behind drivers airbag)
  • Driver etr squib (at base of left "b" pillar)
  • Front passenger airbag squib 1 (behind right side of dash)
  • Front passenger airbag squib 2 (behind right side of dash)
  • Front passenger etr squib (at base of right "b" pillar)
  • Left front side airbag squib (in left front door)
  • Left rear side airbag squib (in left rear door)
  • Left rear window airbag squib (at left "c" pillar)
  • Pnk
  • Right front side airbag squib (in right front door)
  • Right rear side airbag squib (in right rear door)
  • Right rear window airbag squib (at right "c" pillar)
  • Steering column module

ПРЕДУПРЕЖДАЮЩИЕ СИСТЕМЫ

Электросхема предупреждающей системы для Mercedes-Benz C320 2005

Электросхема предупреждающей системы для Mercedes-Benz C320 2005 - Список элементов:

  • 1.8l
  • 2.6l,
  • 3.2l
  • Bk wear
  • Brake fluid & parking brake warning lamp
  • Brake fluid indicator switch (in brake fluid reservoir)
  • Brk fluid
  • C19
  • Can h
  • Can l
  • Compt)
  • Computer data lines system
  • Driver seat belt buckle restraint systems switch
  • Drvr belt
  • Esp & bas control module (left side of engine compt)
  • Front sam control module w/ fuse & relay module (left rear of engine c6
  • Fuse 7.5a
  • Hot at all times
  • Hot in run or start
  • Instrument cluster
  • Interior fuse box (under left end of dash)
  • Left front brake pad contact sensor
  • Multifunction display
  • Nca
  • Parking brake indicator switch (near park brake lever)
  • Prk brk
  • Restraint systems control module (under center console, left of shifter)
  • Right front brake pad contact sensor
  • Seat belt reminder lamp
  • W16/3 (left side of engine compt)
  • W26 (under center console, left of shifter)
  • W28/2 (behind right kick panel)
  • Warning buzzer

ПРИБОРНАЯ ПАНЕЛЬ

Электросхема панели приборов для Mercedes-Benz C320 2005

Электросхема панели приборов для Mercedes-Benz C320 2005 - Список элементов:

  • (-)
  • (1.8l)
  • (2.6l, 3.2l)
  • Abs mil
  • Airbag indicator & warning lamp
  • Brake fluid & parking brake warning lamp
  • Brake fluid indicator switch (in brake fluid reservoir)
  • Brk fluid
  • Can h
  • Can l
  • Computer data lines system
  • Driver seat belt buckle restraint systems switch
  • Drvr belt
  • Dtr warning lamp
  • Electronic selector lever control module (base of gear selector lever)
  • Engine malfunction indicator lamp
  • Esp warning lamp
  • Etc control module (under right side of dash)
  • Front sam control module w/ fuse & relay module (left rear of engine compt)
  • Fuel level gauge w/ reserve indicator
  • Fuse 7.5a
  • Gear display (prndl)
  • High beam indicator lamp
  • Hot at all times
  • Hot in run or start
  • Illumination
  • Illumination rheostat
  • Instrument cluster
  • Interior fuse box (under left end of dash)
  • L fuel
  • Left fuel level sensor (under left front seat)
  • Left turn indicator
  • Me-sfi control module (left rear of engine compt)
  • Multifunction display
  • Nca
  • Parking brake indicator switch (near park brake lever)
  • Prk brk
  • R fuel
  • Rear sam control module w/ fuse & relay module (left side of trunk)
  • Restraint systems control module (under center console, left of shifter)
  • Right fuel level sensor (under right front seat)
  • Right turn indicator
  • Seat belt reminder lamp
  • Sounder
  • Speedometer
  • Tachometer
  • Trip odometer reset button
  • W16/3 (left side of engine compt)
  • W26 (under center console, left of shifter)
  • W28/2 (behind right kick panel)
  • Warning buzzer

ПРИВОД ЗЕРКАЛ

Электросхема затемняющегося зеркала заднего вида для Mercedes-Benz C320 2005

Электросхема затемняющегося зеркала заднего вида для Mercedes-Benz C320 2005 - Список элементов:

  • 15r
  • 31 ais
  • Ais
  • Auto dim
  • C22
  • Can-b h
  • Can-b l
  • Can-c h
  • Can-c l
  • Computer data lines system
  • Coupe
  • Dim
  • Electronic selector lever control module (at base of selector lever)
  • Front pre-fuse box (right rear of engine compt)
  • Fuse 200a
  • Fuse 30a
  • Hot at all times
  • Interior fuse box (under left end of dash)
  • Interior rearview mirror unit
  • Left exterior mirror
  • Left front door control module
  • Mirror sensor (back)
  • Mirror sensor (front)
  • Nca
  • Overhead control panel control module
  • Pnk/red
  • Rear sam control module w/ fuse & relay module (left side of trunk)
  • Red
  • Sedan & covertible
  • W18 (at base of left "b" pillar)
  • W28/1 (behind left kick panel)
  • W55 (rightside of trunk)
  • W6 (left side of trunk)

Электросхема привода зеркал для Mercedes-Benz C320 2005

Электросхема привода зеркал для Mercedes-Benz C320 2005 - Список элементов:

  • 30z
  • Auto
  • Auto dim
  • C10
  • C19
  • C20
  • Can h
  • Can l
  • Can-b h
  • Can-b l
  • Common
  • Computer data lines system
  • Dim
  • Exterior lamps
  • Fog lamp
  • Fog lamp ind
  • Fold
  • Fold-in motor
  • Front pre-fuse box (right rear of engine compt)
  • Front sam control module w/ fuse & relay module (left rear of engine compt)
  • Fuse 200a
  • Fuse 30a
  • Fuse 5a
  • Fuse 60a
  • Head
  • Headlamp wash
  • Heat
  • Heating element
  • Hot at all times
  • Hot in run or start
  • In
  • Interior fuse box (under left end of dash)
  • L/r mtr
  • Lamp switch module
  • Left
  • Left exterior mirror
  • Left front door control module
  • Left/ right motor
  • Mirror adjust
  • Mirror fold
  • Mirror select
  • Nca
  • Off
  • Out
  • Park
  • Pnk/red
  • Red
  • Right
  • Right exterior mirror
  • Right front door control module
  • Turn
  • Turn signal
  • U/d mtr
  • Up/ down motor
  • W16/3 (left side of engine compt)
  • W18 (at base of left "b" pillar)
  • W19 (under right front seat)
  • W28/2 (behind right kick panel)

ПРИВОД ЛЮКА И КРЫШИ

Электросхема привода люка или крыши для Mercedes-Benz C320 2005

Электросхема привода люка или крыши для Mercedes-Benz C320 2005 - Список элементов:

  • (coupe) (right side of trunk)
  • (left side of trunk) (sedan & wagon) w6
  • (sedan & wagon only)
  • C22
  • Can-b h
  • Can-b l
  • Computer data lines system
  • Front pre-fuse box (right rear of engine compt)
  • Fuse 200a
  • Hall sensor
  • Hot at all times
  • Hs1
  • Hs2
  • Nca
  • Obstruction sensor
  • Overhead control panel control module
  • Power roof switch
  • Rear roller blind (if equipped)
  • Rear sam control module w/ fuse & relay module (left side of trunk)
  • Red
  • Roof drive system
  • Roof motor
  • Shd (+)
  • Shd (-)
  • Ukb
  • W28/1 (behind left kick panel)
  • W55

ПРИВОД СТЕКЛОПОДЪЕМНИКОВ

Электросхема стеклоподъемников для Mercedes-Benz C320 2005

Электросхема стеклоподъемников для Mercedes-Benz C320 2005 - Список элементов:

  • (+)
  • (-)
  • 58d
  • C11
  • Can-b h
  • Can-b l
  • Computer data lines system
  • Driver power window switch group
  • Fh h
  • Fh t
  • Fh vr
  • Fuse 30a
  • H (-)
  • H sig 1
  • H sig 2
  • Hot at all times
  • If equipped
  • Interior fuse box (under left end of dash)
  • Left front door control module
  • Left front power window motor
  • Left front window
  • Left rear door control module (if equipped)
  • Left rear power window motor
  • Left rear power window switch
  • Left rear window
  • Rear windows lockout
  • Red
  • Rf w/l
  • Right front door control module
  • Right front power window motor
  • Right front power window switch
  • Right front window
  • Right rear door control module (if equipped)
  • Right rear power window motor
  • Right rear power window switch
  • Right rear window
  • Sw group
  • Trunk lid release
  • W18 (at base of left "b" pillar)
  • W19 (under right front seat)

Электросхема шторки заднего стекла для Mercedes-Benz C320 2005

Электросхема шторки заднего стекла для Mercedes-Benz C320 2005 - Список элементов:

  • (behind right kick panel) w28/2
  • (coupe)
  • (right side of trunk) w55
  • (sedan & wagon)
  • C25
  • Can-b h
  • Can-b l
  • Comfort aac pushbutton control module
  • Computer data lines system
  • Front pre-fuse box (right rear of engine compt)
  • Fuse 10a
  • Fuse 15a
  • Fuse 200a
  • Fuse 7.5a
  • Hot at all times
  • Hto at all times
  • Interior fuse box (under left end of dash)
  • R blind
  • Rear blind switch
  • Rear roller blind motor
  • Rear sam control module w/ fuse & relay module (left side of trunk)
  • Rear screen blind relay (left side of trunk)
  • Red
  • S20
  • Upper control panel control module
  • W6 (left side of trunk)

Противоугонная система Сигнализация

Электросхема противоугонной сигнализации (1 из 2) для Mercedes-Benz C320 2005

Электросхема противоугонной сигнализации (1 из 2) для Mercedes-Benz C320 2005 - Список элементов:

  • (-)
  • (behind left kick panel) w28/1
  • (coupe)
  • (coupe) (sedan)
  • (sedan)
  • A-st
  • Alarm signal horn
  • Amplifier module
  • Ata hood switch
  • Ata inclination sensor
  • C10
  • C13
  • C14
  • C21
  • C22
  • C23
  • Can h
  • Can l
  • Can-b h
  • Can-b l
  • Computer data lines system
  • Exterior lights system
  • Front pre-fuse box (right rear of engine compt)
  • Front sam control module w/ fuse & relay module (left rear of engine compt)
  • Fuse 200a
  • Fuse 7.5a
  • Fzu
  • Headlights system
  • Hood sw
  • Hot at all times
  • Left front door contact switch
  • Left rear door contact switch (sedan, wagon)
  • Lf door ajar
  • Lock pawl
  • Lock pawl rotary tumbler switch
  • Low beam
  • Lr door ajar
  • Motor w/ position & obstruction sensors
  • Nca
  • Of engine compt)
  • Overhead control panel control module
  • Park lamp
  • Pnk/red
  • Rear sam control module w/ fuse & relay module (left side of trunk)
  • Red
  • Rf door ajar
  • Right front door contact switch
  • Right rear door contact switch (sedan, wagon)
  • Roof drive system
  • Rr door ajar
  • Sedan, coupe
  • Sig
  • Trunk ajar
  • Trunk emerg
  • Trunk ext
  • Trunk lid central locking motor
  • Trunk lid contact switch
  • Trunk lid emergency release switch
  • Trunk lid external operation switch
  • Trunk motor
  • Turn lamp
  • Turn sig
  • W16/3 (left side of engine compt)
  • W16/4 (right rear
  • W18 (at base of left "b" pillar)
  • W19 (under right front seat)
  • W6 (left side of trunk)
  • Wagon
  • Wagon, coupe

Электросхема противоугонной сигнализации (2 из 2) для Mercedes-Benz C320 2005

Электросхема противоугонной сигнализации (2 из 2) для Mercedes-Benz C320 2005 - Список элементов:

  • 1.8l
  • 2.3l
  • 2.6l, 3.2l
  • Can-b h
  • Can-b l
  • Computer data lines system
  • Di control module (provides drive-away protection)
  • Display
  • Door motor
  • Electronic steering lock module (on steering column)
  • Esa
  • Fuse 30a
  • Hot at all times
  • Instrument cluster
  • Interior central locking switch
  • Interior fuse box (under left end of dash)
  • Ir rec
  • Left front door central locking motor
  • Left front door control module
  • Left front ir receiver
  • Left rear door central locking motor
  • Left rear door control module (sedan, wagon)
  • Me-sfi control module (provides drive-away protection)
  • Red
  • Right front door central locking motor
  • Right front door control module
  • Right front ir receiver
  • Right rear door central locking motor
  • Right rear door control module (sean, wagon)
  • Upper control panel control module
  • W18 (at base of left "b" pillar)
  • W19 (under right front seat)
  • W28/2 (behind right kick panel)

СИСТЕМА АНТИБЛОКИРОВОЧНОЙ ТОРМОЗНОЙ СИСТЕМЫ ABS

Электросхема антиблокировочной тормозной системы АБС (ABS) для Mercedes-Benz C320 2005

Электросхема антиблокировочной тормозной системы АБС (ABS) для Mercedes-Benz C320 2005 - Список элементов:

  • (left rear of engine compt)
  • (left rear of engine compt) bas brake booster
  • (left rear of engine compt) front sam control module w/ fuse & relay module
  • +5v
  • 1.8l
  • 2.6l,
  • 3.2l
  • Ba mv+
  • Bla
  • Brk wear
  • C10
  • Can-b h
  • Can-b l
  • Can-c h
  • Can-c l
  • Computer data lines system
  • Dg1+5v
  • Dg1-sig
  • Diag
  • Diaphragm travel sensor
  • Esp & bas control module (left side of engine compt)
  • Esp brake pressure sensor
  • Front axle inlet solenoid valve
  • Front axle switch- over solenoid valve
  • Fuse 40a
  • Fuse 50a
  • Gd1m
  • High pressure & return pump motor
  • Hot at all times
  • Left front axle solenoid valve (hold)
  • Left front axle solenoid valve (release)
  • Left front wheel speed sensor
  • Left rear axle solenoid valve (hold)
  • Left rear axle solenoid valve (release)
  • Left rear wheel speed sensor
  • Ls1
  • Ls2
  • Lsr
  • Mp-
  • Mps
  • Nca
  • Rear axle inlet solenoid valve
  • Rear axle switch- over solenoid valve
  • Red
  • Release switch
  • Right front axle solenoid valve (hold)
  • Right front axle solenoid valve (release)
  • Right front brake pad contact sensor
  • Right front wheel speed sensor
  • Right rear axle solenoid valve (hold)
  • Right rear axle solenoid valve (release)
  • Right rear brake pad contact sensor
  • Right rear wheel speed sensor
  • Solenoid valve
  • Sps sol
  • Sps solenoid valve (under vehicle, on
  • Ss lf
  • Ss lr
  • Ss rf
  • Ss rr
  • Steering rack)
  • Tr & la
  • Turn rate & lateral acceleration sensor (front of cargo area)
  • Um 1
  • Um 2
  • Vss lf
  • Vss rf
  • W16/3 (left side of engine compt)

СИСТЕМА КОНДИЦИОНЕРА

Электросхема кондиционера для Mercedes-Benz C320 2005

Электросхема кондиционера для Mercedes-Benz C320 2005 - Список элементов:

  • (2.3l)
  • (2.6l, 3.2l)
  • (behind left kick panel) w28/1
  • (in evaporator housing) evaporator temperature sensor
  • (right rear of engine compt) w16/4
  • 12v
  • Aac multifunction sensor (in fresh air inlet)
  • Aac pushbutton control module
  • Aac sun sensor (right rear of engine compt)
  • Air humidity sensor
  • Blower motor
  • C10
  • C15
  • C19
  • Can h
  • Can l
  • Common
  • Computer data lines system
  • Coolant circulation pump (w/ residual engine heat utilization system)
  • Data
  • Electric suction fan engine & a/c with integrated control
  • Evap sens
  • Fresh air flaps actuator
  • Fresh air/recirc air flaps actuator
  • Front pre-fuse box (right rear of engine compt)
  • Front sam control module w/ fuse & relay module (left rear of engine compt)
  • Fuse 125a
  • Fuse 15a
  • Fuse 30a
  • Fuse 7.5a
  • Heating systems recirc- ulation unit
  • Heating systems recirculation unit
  • Hot at all times
  • Hot in run or start
  • In-car temperature sensor
  • In-car temperature sensor fsn motor
  • Interior fuse box (under left end of dash)
  • Interior lights system
  • Left & right defroster flaps actuator
  • Left & right footwell flaps actuator
  • Left blending air flap actuator
  • Left defroster vent flap actuator
  • Left footwell flap actuator
  • Left fresh air flap actuator
  • Me-sfi control module
  • Nca
  • Overhead control panel control module
  • Press/temp
  • R blwr ctrl
  • R blwr select
  • Rear blower electronic selector wheel
  • Rear blower motor
  • Rear blower motor control module (below rear of center console)
  • Recirc unit
  • Red
  • Refrigerant pressure & temperature sensor (bottom left side of radiator condensor)
  • Residual heat
  • Right blending air flap actuator
  • Right defroster vent flap actuator
  • Right footwell flap actuator
  • Right fresh air flap actuator
  • Sig
  • W/ comfort aac
  • W/ outside temperature indicator
  • W16/4 (right rear of engine compt)
  • W28/1 (behind left kick panel)
  • W9 (at left headlamp)

СИСТЕМА КРУИЗКОНТРОЛЯ

Электросхема системы круизконтроля для Mercedes-Benz C320 2005

Электросхема системы круизконтроля для Mercedes-Benz C320 2005 - Список элементов:

  • (top of column)
  • Acc
  • Accel/ set
  • Accelerator pedal assembly (above pedal assembly)
  • C19
  • Can-b h
  • Can-b l
  • Can-c h
  • Can-c l
  • Computer data lines system
  • Contact
  • Cruise control switch
  • Dec
  • Decel/ set
  • Engine control module (left rear of engine compt)
  • Front sam control module w/ fuse & relay module (left rear of engine compt)
  • Off
  • Pedal sens 1 +
  • Pedal sens 1 -
  • Pedal sens 2 +
  • Pedal sens 2 -
  • Pedal sens volt
  • Res
  • Resume
  • Safety
  • Steering column module
  • Throttle valve actuator (front left side of engine)
  • Tva
  • Tva mtr
  • Tva sig
  • W28/2 (behind right kick panel)

СИСТЕМА ОХЛАЖДЕНИЯ

Электросхема системы охлаждения для Mercedes-Benz C320 2005

Электросхема системы охлаждения для Mercedes-Benz C320 2005 - Список элементов:

  • C10
  • C15
  • Can h
  • Can l
  • Computer data lines system
  • Cool fan
  • Coolant circulation pump (w/ residual engine heat utilization system)
  • Coolant temperature sensor (right front of engine)
  • Ct sens +
  • Electric suction fan engine & a/c with integrated control
  • Engine controls system
  • Front pre-fuse box (right rear of engine compt)
  • Front sam control module w/ fuse & relay module (left rear of engine compt)
  • Fuse 125a
  • Fuse 7.5a
  • Hot at all times
  • Hot in run or start
  • Me-sfi control module
  • Press/temp
  • Red
  • Refrigerant pressure & temperature sensor (bottom left side of radiator condenser)
  • Residual heat
  • Sens -
  • W16/4 (right rear of engine compt)
  • W9 (at left headlamp)

СИСТЕМА ПЕРЕДАЧИ ДАННЫХ

схема соединителя канала связи для Mercedes-Benz C320 2005

схема соединителя канала связи для Mercedes-Benz C320 2005 - Список элементов:

  • (1.8l)
  • (except 1.8l)
  • C10
  • C20
  • C24
  • Can h
  • Can l
  • Central gateway control unit (under steering column)
  • Computer data lines system (high/low bus circuit)
  • Datalink connector (under left side of dash)
  • Di control module
  • Diag
  • Electronic selector lever module
  • Engine control module (left rear of engine compt)
  • Esp & bas control module (left side of engine compt)
  • Etc control module (under right side of dash)
  • Front pre-fuse box (right rear of engine compt)
  • Front sam control module w/ fuse & relay module (left rear of engine compt)
  • Fuse 200a
  • Fuse 5a
  • Hot at all times
  • Left headlamp unit
  • Pnk/red
  • Red
  • Right headlamp unit
  • W16/3 (left side of engine compt)
  • W16/5 (left rear of engine compt)

высокая/Низкая Автобусная Схема (1 из 2) для Mercedes-Benz C320 2005

высокая/Низкая Автобусная Схема (1 из 2) для Mercedes-Benz C320 2005 - Список элементов:

  • 1.8l
  • 2.5l, 3.0l, 3.5l
  • 5 speed a/t
  • 7 speed a/t
  • Brake booster vacuum pump control module (c230) (left rear of engine compt)
  • C10
  • C20
  • Can databus adapter connector (behind left kick panel)
  • Can h
  • Can l
  • Can-b h
  • Can-b l
  • Can-c h
  • Can-c l
  • Central gateway control module (2005) (under steering column)
  • Cockpit voltage distributor connector (under left side of dash)
  • Comfort aac pushbutton control module
  • Di control module
  • Electric control unit (vgs) (under right side of dash)
  • Electronic selector lever control module (base of gear selector lever)
  • Engine control module (me-sfi) (left rear of engine compt)
  • Esp & bas control module (left side of engine compt)
  • Etc control module (egs) (under right side of dash)
  • Front sam control module w/ fuse & relay module (left rear of engine compt)
  • Instrument cluster
  • Overhead control panel control module
  • Steering column module
  • Steering column module (at top of steering column)
  • Upper control panel control module
  • W28/1 (behind left kick panel)

высокая/Низкая Автобусная Схема (2 из 2) для Mercedes-Benz C320 2005

высокая/Низкая Автобусная Схема (2 из 2) для Mercedes-Benz C320 2005 - Список элементов:

  • C10
  • C11
  • Can h
  • Can l
  • Can-b h
  • Can-b l
  • Central gateway control module (2005) (under steering column)
  • Comand operating, display & control module (w/ comand)
  • Coupe
  • D2b telephone & tele aid transmitter/ receiver
  • Driver seat adjustment control module (w/ memory) (under seat)
  • Front sam control module w/ fuse & relay module (left rear of engine compt)
  • J10
  • Left front door control module
  • Left rear door control module
  • Left voltage distributor connector (behind left kick panel) kick panel)
  • Radio (w/o comand)
  • Rear sam control module w/ fuse & relay module (at left side of trunk)
  • Restraint systems control module
  • Right front door control module
  • Right front seat adjustment control module (w/ memory) (under seat)
  • Right rear door control module
  • Right voltage distributor connector (behind right kick panel)
  • Sedan, wagon

СИСТЕМА УПРАВЛЕНИЯ ДВИГАТЕЛЯ


3.2L

3.2L, Электросхема системы управления двигателем (1 из 3) для Mercedes-Benz C320 2005

3.2L, Электросхема системы управления двигателем (1 из 3) для Mercedes-Benz C320 2005 - Список элементов:

  • (left side of engine compt) w16/3
  • (rear of right cyl bank) egr vacuum transducer
  • (right front of engine) air pump switchover sensor
  • Accelerator pedal sensor (above pedal assembly)
  • Acf vlv
  • Activated charcoal filter shutoff valve (above right rear wheelwell)
  • Air pump
  • Aps vlv
  • Can h
  • Can l
  • Clutch pedal switch
  • Coil 5a
  • Computer data lines system
  • Cooling fans system
  • Data link connector
  • Diag
  • Egr
  • Engine control module (me-sfi) (left rear of engine compt)
  • Fan
  • Ftp +5v
  • Ftp -
  • Ftp sig
  • Fuel injectors
  • Fuel pump
  • Fuel tank pressure sensor (under left rear seat)
  • Gen
  • Generator
  • Inj 2
  • Inj 3
  • Inj 5
  • Inj 6
  • Kickdown switch (incorporated w/ accelerator pedal assembly)
  • Kickdwn
  • L o2 d
  • L o2 s
  • Left o2 sensor (downstream) (left front of vehicle, in exhaust)
  • Nca
  • O2 d
  • P/n
  • R o2 d
  • R o2 u
  • Right o2 sensor (downstream) (right front of vehicle, in exhaust)
  • Sp1m
  • Sp1s
  • Sp2m
  • Sp2s
  • Start
  • Tna
  • Usp1
  • Variable intake manifold switchover valve
  • Vims vlv

3.2L, Электросхема системы управления двигателем (2 из 3) для Mercedes-Benz C320 2005

3.2L, Электросхема системы управления двигателем (2 из 3) для Mercedes-Benz C320 2005 - Список элементов:

  • (base of left "b" pillar) w18
  • (left rear of engine compt) front sam control module w/ fuse & relay module
  • 87 m1
  • 87 m2
  • C10
  • C13
  • C17
  • Can h
  • Can l
  • Circuit 87 relay (engine)
  • Computer data lines system
  • Cpp
  • Front pre-fuse box (right rear of engine compt)
  • Fuel pump
  • Fuel pump assembly
  • Fuel pump relay
  • Fuse 15a
  • Fuse 200a
  • Fuse 25a
  • Fuse 5a
  • Fuse 60a
  • Hot at all times
  • Hot in run or start
  • Left fuel level sensor
  • Left o2 sensor (upstream) (left front of vehicle, in exhaust)
  • Nca
  • Of engine compt)
  • Rear sam control module w/ fuse & relay module (left side of trunk)
  • Red
  • Right fuel level sensor
  • Right o2 sensor (upstream) (right front of vehicle, in exhaust)
  • Throttle valve actuator (front left side of engine)
  • Tna
  • W16/3 (left side

3.2L, Электросхема системы управления двигателем (3 из 3) для Mercedes-Benz C320 2005

3.2L, Электросхема системы управления двигателем (3 из 3) для Mercedes-Benz C320 2005 - Список элементов:

  • (center rear of intake manifold) hot film maf sensor
  • (left cyl bank) left knock sensor
  • (left rear corner of engine compt) purge control valve
  • (left rear of engine compt)
  • (left rear of engine) crankshaft position sensor
  • (lower right front of engine) oil sensor
  • (pins 29-38: not used)
  • (right
  • (right cyl bank) right knock sensor
  • (right front of engine) camshaft hall sensor
  • (right front of engine) coolant temperature sensor
  • +5v
  • Akf
  • Ap mo+
  • Ap mo-
  • Ckp
  • Clear
  • Cmp sig
  • Coil 1a
  • Coil 1b
  • Coil 2a
  • Coil 2b
  • Coil 3a
  • Coil 3b
  • Coil 4a
  • Coil 4b
  • Coil 5b
  • Coil 6a
  • Coil 6b
  • Cool tmp
  • Cylinder ignition coils
  • Ea ip1s
  • Ea ip2s
  • Engine control module (me-sfi) (left rear of engine compt)
  • Front of engine) pressure sensor
  • Inj 1
  • Inj 4
  • L ks -
  • L ks sig
  • L o2 d
  • L o2 u
  • Maf
  • Maf +5v
  • Maf -
  • Maf sig
  • Mr ip
  • O2 u
  • Oil sens
  • Pnk
  • Press sig
  • R ks -
  • R ks sig
  • R o2 d
  • R o2 u
  • Radio interference suppression capacitor 1 (top of engine)
  • Radio interference suppression capacitor 2 (top of engine)
  • Red
  • Sens -
  • To spark plugs
  • Uref 2
  • W11/3 (top center front of engine)
  • W16/5

Система Фар

Электросхема фар, С ксеноновые лампы для Mercedes-Benz C320 2005

Электросхема фар, С ксеноновые лампы для Mercedes-Benz C320 2005 - Список элементов:

  • Ambient light & road ahead sensors
  • Auto
  • Automatic light switch daylight sensor (front of headliner)
  • C10
  • C14
  • C19
  • C20
  • Can h
  • Can l
  • Can-b h
  • Can-b l
  • Computer data lines system
  • Diag
  • Exterior lamps
  • Fog lamp
  • Fog lamp ind
  • Front axle sensor
  • Front pre-fuse box (right rear of engine compt)
  • Front sam control module w/ fuse & relay module (left rear of engine compt)
  • Fuse 200a
  • Fuse 5a
  • Fuse 7.5a
  • Head
  • Headlamp range adjustment motor
  • Headlamp wash
  • High beam indicator
  • High xenon beam
  • Hot at all times
  • Hot in run or start
  • In
  • Instrument cluster
  • L fog
  • L hi beam
  • L lo beam
  • Lamp switch module
  • Left
  • Left front fog lamp
  • Left headlamp unit
  • Mirror adjust
  • Mirror fold
  • Mirror select
  • Off
  • Out
  • Overhead control panel control module
  • Park
  • R fog
  • R hi beam
  • R lo beam
  • Rear axle sensor
  • Red
  • Right
  • Right front fog lamp
  • Right headlamp unit
  • W16/3 (left side of engine compt)
  • W16/4 (right rear of engine compt)
  • W28/2 (behind right kick panel)
  • W9 (at left headlamp)
  • Xenon beam
  • Xenon control module
  • Xenon ignition module

Электросхема фар, без Ксеноновые лампы для Mercedes-Benz C320 2005

Электросхема фар, без Ксеноновые лампы для Mercedes-Benz C320 2005 - Список элементов:

  • Ambient light & road ahead sensors
  • Auto
  • Automatic light switch daylight sensor (front of headliner)
  • C10
  • C14
  • C19
  • C20
  • Can h
  • Can l
  • Can-b h
  • Can-b l
  • Computer data lines system
  • Exterior lamps
  • Fog lamp
  • Fog lamp ind
  • Front pre-fuse box (right rear of engine compt)
  • Front sam control module w/ fuse & relay module (left rear of engine compt)
  • Fuse 200a
  • Fuse 5a
  • Head
  • Headlamp wash
  • High beam
  • High beam indicator
  • Hot at all times
  • Hot in run or start
  • In
  • Instrument cluster
  • L fog
  • L hi beam
  • L lo beam
  • Lamp switch module
  • Left
  • Left front fog lamp
  • Left headlamp unit
  • Low beam
  • Mirror adjust
  • Mirror fold
  • Mirror select
  • Off
  • Out
  • Overhead control panel control module
  • Park
  • R fog
  • R hi beam
  • R lo beam
  • Red
  • Right
  • Right front fog lamp
  • Right headlamp unit
  • W16/3 (left side of engine compt)
  • W16/4 (right rear of engine compt)
  • W28/2 (behind right kick panel)
  • W9 (at left headlamp)

СИСТЕМЫ ПАМЯТИ

Электросхема памяти водительского сиденья для Mercedes-Benz C320 2005

Электросхема памяти водительского сиденья для Mercedes-Benz C320 2005 - Список элементов:

  • (+)
  • (-)
  • (at base of left "b" pillar) w18
  • 15r
  • Backrest
  • Can-b h
  • Can-b l
  • Computer data lines system
  • Coupe
  • Driver front seat adjustment control module (under seat)
  • Driver seat backrest adjustment motor
  • Driver seat forward/back adjustment motor
  • Driver seat front up/down adjustment motor
  • Driver seat head restraint raise/lower adjustment motor
  • Driver seat rear up/down adjustment motor
  • Esa sw
  • Front (raise/ lower)
  • Front pre-fuse box (right rear of engine compt)
  • Fuse 200a
  • Fuse 30a
  • Head restraint (raise/ lower)
  • Hot at all times
  • Interior fuse box (under left end of dash)
  • Left front door control module
  • Left front door esa switch group
  • Memory location
  • Memory store
  • Rear (raise/ lower)
  • Rear sam control module w/ fuse & relay module (left side of trunk)
  • Red
  • Seat (forward/ back)
  • Sedan & wagon
  • Steering column memory circuit
  • W18 (at base of left "b" pillar)
  • W55 (at right side of trunk)
  • W6 (left side of trunk)

Электросхема памяти пассажирского сиденья для Mercedes-Benz C320 2005

Электросхема памяти пассажирского сиденья для Mercedes-Benz C320 2005 - Список элементов:

  • (+)
  • (-)
  • (at base of left "b" pillar) w18
  • 15r
  • Backrest
  • Can-b h
  • Can-b l
  • Computer data lines system
  • Coupe
  • Esa sw
  • Front (raise/ lower)
  • Front pre-fuse box (right rear of engine compt)
  • Fuse 200a
  • Fuse 30a
  • Head restraint (raise/ lower)
  • Hot at all times
  • Interior fuse box (under left end of dash)
  • Memory location
  • Memory store
  • Passenger front seat adjustment control module (under seat)
  • Passenger seat backrest adjustment motor
  • Passenger seat forward/back adjustment motor
  • Passenger seat front up/down adjustment motor
  • Passenger seat head restraint raise/lower adjustment motor
  • Passenger seat rear up/down adjustment motor
  • Rear (raise/ lower)
  • Rear sam control module w/ fuse & relay module (left side of trunk)
  • Red
  • Right front door control module
  • Right front door esa switch group
  • Seat (forward/ back)
  • Sedan & wagon
  • W18 (at base of left "b" pillar)
  • W55 (at right side of trunk)
  • W6 (left side of trunk)

СИСТЕМЫ СИДЕНИЙ

Электросхема подогрева сидений для Mercedes-Benz C320 2005

Электросхема подогрева сидений для Mercedes-Benz C320 2005 - Список элементов:

  • (at base of left "b" pillar) w18
  • (behind right kick panel) w28/2
  • (under right front seat) w19
  • Can-b h
  • Can-b l
  • Comfort aac pushbutton control module
  • Computer data lines system
  • Fuse 10a
  • Fuse 15a
  • Hot at all times
  • Interior fuse box (under left end of dash)
  • Left front heated backrest cushion
  • Left front heated seat cushion
  • Left front heated seat switches
  • Lf htd seat
  • Nca
  • Rf htd seat
  • Right front heated backrest cushion
  • Right front heated seat cushion
  • Right front heated seat switches
  • Upper control panel control module

Электросхема привода сидений для Mercedes-Benz C320 2005

Электросхема привода сидений для Mercedes-Benz C320 2005 - Список элементов:

  • Aft
  • Back rest switch
  • Backrest fore/aft motor
  • Down
  • Driver seat adjustment switch
  • Fore
  • Front passenger seat adjustment switch
  • Fuse 30a
  • Hot in run, acc or start
  • Rear sam control module w/ fuse & relay module (left side of trunk)
  • Seat height switch
  • Seat height up/down motor
  • W18 (at base of left "b" pillar)
  • W19 (under right front seat)

Стартер Генератор

Электросхема Генератора для Mercedes-Benz C320 2005

Электросхема Генератора для Mercedes-Benz C320 2005 - Список элементов:

  • 1.8l
  • 175a
  • 2.6l, 3.2l
  • Battery
  • C18
  • Can-b h
  • Can-b l
  • Can-c h
  • Can-c l
  • Computer data lines system
  • Display
  • Front sam control module w/ fuse & relay module c10 (left rear of engine compt)
  • Gen
  • Generator
  • Instrument cluster
  • Me-sfi (me) control module (at top left side of c2 engine)
  • Starter motor
  • Starter/ alternator fuse
  • W10 (right rear of engine compt)

Электросхема стартера, A/T для Mercedes-Benz C320 2005

Электросхема стартера, A/T для Mercedes-Benz C320 2005 - Список элементов:

  • (ignition/ start protection)
  • Battery
  • C10
  • C17
  • Can-b h
  • Can-b l
  • Can-c h
  • Can-c l
  • Computer data lines system
  • Di control module
  • Electronic selector lever
  • Front pre-fuse box (right rear of engine compt)
  • Front sam control module w/ fuse & relay module (left rear of engine compt)
  • Fuse 15a
  • Fuse 200a
  • Me-sfi control module (me) (left rear of engine compt)
  • Red
  • Start
  • Starter motor
  • Starter relay
  • W10 (right rear of engine compt)
  • W16/3 (left side of engine compt)

Электросхема стартера, M/T для Mercedes-Benz C320 2005

Электросхема стартера, M/T для Mercedes-Benz C320 2005 - Список элементов:

  • (ignition/ start protection)
  • 1.8l
  • 2.6l, 3.2l
  • Battery
  • C10
  • C17
  • Can-b h
  • Can-b l
  • Can-c h
  • Can-c l
  • Clutch pedal switch (1.8l)
  • Clutch pedal switch (2.6l, 3.2l)
  • Computer data lines system
  • Di control module
  • Front pre-fuse box (right rear of engine compt)
  • Front sam control module w/ fuse & relay module (left rear of engine compt)
  • Fuse 15a
  • Fuse 200a
  • Kup2
  • Me-sfi control module (me)
  • Red
  • Start
  • Starter motor
  • Starter relay
  • W10 (right rear of engine compt)
  • W16/3 (left side of engine compt)

Стеклоочистители и Стеклоомыватели Дворники

схема шайбы фары для Mercedes-Benz C320 2005

схема шайбы фары для Mercedes-Benz C320 2005 - Список элементов:

  • 30z
  • C15
  • C20
  • Can h
  • Can l
  • Computer data lines system
  • Front pre-fuse box (right rear of engine compt)
  • Front sam control module w/ fuse & relay module (left rear of engine compt)
  • Fuse 200a
  • Fuse 60a
  • Headlamp cleaning system (hcs) pump (left front of engine compt, on washer reservoir)
  • Headlamp cleaning system (hcs) switch
  • Hot at all times
  • Lamp switch module
  • Red
  • Sra
  • W16/3 (left side of engine compt)
  • W9 (at left headlamp unit)

Электросхема стеклоочистителя, дворников и омывателя, Купе Sedan & для Mercedes-Benz C320 2005

Электросхема стеклоочистителя, дворников и омывателя, Купе Sedan & для Mercedes-Benz C320 2005 - Список элементов:

  • 15r
  • 30z
  • C10
  • C13
  • C16
  • C19
  • C22
  • Can-b h
  • Can-b l
  • Can-c h
  • Can-c l
  • Combination switch
  • Computer data lines system
  • Coolant fluid level switch (in reservoir)
  • Di control module
  • Esp & bas control module
  • Front pre-fuse box (right rear of engine compt)
  • Front sam control module w/ fuse & relay module (left rear of engine compt)
  • Fuse 200a
  • Fuse 20a
  • Fuse 60a
  • Hot at all times
  • Int
  • Interior fuse box (under left end of dash)
  • Motor
  • Nca
  • Off
  • Overhead control panel control module
  • Pnk/red
  • Rain sensor (front of headliner)
  • Rear sam control module w/ fuse & relay module (left side of trunk)
  • Red
  • Relay
  • Ss lf
  • Ss lr
  • Ss rf
  • Ss rr
  • Steering column module
  • To wheel speed sensors
  • W16/3 (left side of engine compt)
  • W28/1 (behind left kick panel)
  • W28/2 (behind right kick panel)
  • W6 (left side of trunk)
  • W9 (at left headlamp unit)
  • Washer fluid level switch (in reservoir)
  • Washer nozzle heaters
  • Washer nozzle hose heater
  • Washer switch
  • Windshield washer fluid pump (on fluid reservoir)
  • Wiper motor (left rear of engine compt)
  • Wiper on/off relay
  • Wiper switch

Электросхема стеклоочистителя, дворников и омывателя, Универсал для Mercedes-Benz C320 2005

Электросхема стеклоочистителя, дворников и омывателя, Универсал для Mercedes-Benz C320 2005 - Список элементов:

  • 15r
  • 30z
  • C10
  • C13
  • C16
  • C19
  • C20
  • C21
  • C22
  • Can-b h
  • Can-b l
  • Can-c h
  • Can-c l
  • Combination switch
  • Comfort aac pushbutton control module
  • Computer data lines system
  • Coolant fluid level switch (in reservoir)
  • Di control module
  • Esp & bas control module
  • Front pre-fuse box (right rear of engine compt)
  • Front sam control module w/ fuse & relay module (left rear of engine compt)
  • Fuse 15a
  • Fuse 200a
  • Fuse 20a
  • Fuse 60a
  • Hot at all times
  • Int
  • Interior fuse box (under left end of dash)
  • Motor
  • Nca
  • Off
  • Overhead control panel control module
  • Pnk/red
  • Rain sensor (front of headliner)
  • Rear fluid switch
  • Rear sam control module w/ fuse & relay module (left side of trunk)
  • Rear wiper switch
  • Red
  • Relay
  • Ss lf
  • Ss lr
  • Ss rf
  • Ss rr
  • Steering column module
  • Tailgate washer fluid pump (on side of fluid reservoir)
  • Tailgate wiper motor (in liftgate)
  • To wheel speed sensors
  • Upper control panel control module
  • W16/3 (left side of engine compt)
  • W28/1 (behind left kick panel)
  • W28/2 (behind right kick panel)
  • W6 (left side of trunk)
  • W9 (at left headlamp unit)
  • Washer fluid level switch (in reservoir)
  • Washer nozzle heaters
  • Washer nozzle hose heater
  • Washer switch
  • Windshield washer fluid pump (on fluid reservoir)
  • Wiper motor (left rear of engine compt)
  • Wiper on/off relay
  • Wiper switch

ЦЕНТРАЛЬНЫЙ ЗАМОК

Электросхема центрального замка (1 из 2) для Mercedes-Benz C320 2005

Электросхема центрального замка (1 из 2) для Mercedes-Benz C320 2005 - Список элементов:

  • (behind left kick panel) w28/1
  • (left rear of engine compt) front sam control module w/ fuse & relay module
  • (sedan) (coupe)
  • C10
  • C13
  • C21
  • C22
  • Can h
  • Can l
  • Can-b h
  • Can-b l
  • Computer data lines system
  • Display
  • Front pre-fuse box (right rear of engine compt)
  • Fuel cap
  • Fuel filler cap central locking motor
  • Fuse 200a
  • Hot at all times
  • Instrument cluster
  • Interior central locking switch
  • Left front door contact switch
  • Left rear door contact switch (sedan, wagon)
  • Lf door ajar
  • Lock pawl
  • Lock pawl rotary tumbler switch (coupe, sedan)
  • Lr door ajar
  • Motor w/ position & obstruction sensors
  • Nca
  • Overhead control panel control module
  • Pnk/red
  • Rear sam control module w/ fuse & relay module (left side of trunk)
  • Red
  • Rf door ajar
  • Right front door contact switch
  • Right rear door contact switch (sedan, wagon)
  • Roof drive system
  • Rr door ajar
  • Sedan, wagon
  • Trunk ajar
  • Trunk emerg
  • Trunk ext
  • Trunk lid central locking motor
  • Trunk lid contact switch
  • Trunk lid emergency release switch
  • Trunk lid external operation switch
  • Trunk motor
  • Upper control panel control module
  • W16/3 (left side of engine compt)
  • W18 (at base of left "b" pillar)
  • W19 (under right front seat)
  • W6 (left side of trunk)

Электросхема центрального замка (2 из 2) для Mercedes-Benz C320 2005

Электросхема центрального замка (2 из 2) для Mercedes-Benz C320 2005 - Список элементов:

  • Can-b h
  • Can-b l
  • Computer data lines system
  • Door motor
  • Esp & bas control module
  • Fuse 30a
  • Hot at all times
  • Interior fuse box (under left end of dash)
  • Ir rec
  • Left front door central locking motor
  • Left front door control module
  • Left front ir receiver
  • Left rear door central locking motor
  • Left rear door control module (sedan, wagon)
  • Red
  • Right front door central locking motor
  • Right front door control module
  • Right front ir receiver
  • Right rear door central locking motor
  • Right rear door control module (sedan, wagon)
  • Ss lf
  • Ss lr
  • Ss rf
  • Ss rr
  • To wheel speed sensors
  • W18 (at base of left "b" pillar)
  • W19 (under right front seat)

Can't find your car? Check -> DiagnostData.com!