AUTOMOTIVE ELECTRICIANS

Все схемы для электропроводки Mercedes-Benz CLK320 2003

Автомтическая коробка Передач (АКПП) Полная привод (4WD) Блокировка Дифференциала

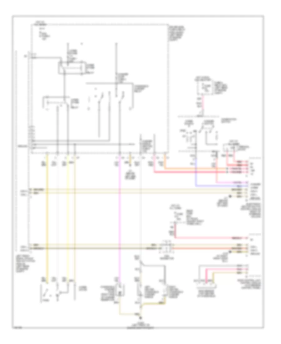
Электросхема автоматической коробки передач АКПП для Mercedes-Benz CLK320 2003

Электросхема автоматической коробки передач АКПП для Mercedes-Benz CLK320 2003

Электросхема автоматической коробки передач АКПП для Mercedes-Benz CLK320 2003 - Список элементов:

  • 1-2/ 4-5 valve
  • 2-3 shift valve
  • 2003 & 2004
  • 3-4 shift valve
  • C10
  • C22
  • Can (+)
  • Can (-)
  • Can h
  • Can l
  • Computer data lines system
  • Data link connector (at left footwell)
  • Di control module (left side of dash)
  • Diag
  • Electric steering lock control module (upper left footwell)
  • Electronic selector lever control module (base of gear selector lever)
  • Etc control module (behind right kick panel)
  • Front sam control module fuse & relay module (left rear of engine compt)
  • Gear display sensor (in center console)
  • Ground
  • Keyless go/start push buttom (center console)
  • Lock up valve
  • Modul- ator valve
  • N.c.
  • Nca
  • Pnk
  • Red
  • Rpm sensor
  • Shift valve
  • Signal
  • Start interlock switch
  • Steering column lock ind switch
  • Steering column module
  • Temp sensor
  • Valve unit (in automatic transmission)
  • W19 (at right doorsill)
  • W19 (at right doorsill) w18 (at left doorsill)

Электросхема автоматической коробки передач АКПП, Кабриолет для Mercedes-Benz CLK320 2003

Электросхема автоматической коробки передач АКПП, Кабриолет для Mercedes-Benz CLK320 2003 - Список элементов:

  • 1-2/ 4-5 valve
  • 1-2/4-5 vlv
  • 2-3 shift valve
  • 2-3 vlv
  • 3-4 shift valve
  • 3-4 vlv
  • Backup sw in
  • Backup sw out
  • C2 driver's side fuse & relay module box (left rear of engine compt)
  • Can (+)
  • Can (-)
  • Can h
  • Can l
  • Command actuation display & control unit
  • Computer data lines system
  • Data line
  • Diagnostic test clutch
  • Electronic ignition switch control module (right of steering column)
  • Electronic selector lever control module (base of gear selector lever)
  • Etc control module (under front passenger's footwell foot plate)
  • Exterior lights system
  • Exterior lights system (backup lamps)
  • Fuse 10a
  • Ground
  • Hot at all times
  • Illum
  • Illumination control module
  • Interior lights
  • Kickdown sw
  • Kickdown switch (under accelerator pedal)
  • Lock up valve
  • Lower field control control module
  • Modul- ator valve
  • Modulator vlv
  • Navigation unit & radio
  • P/n
  • Passenger's side fuse & relay module box (right rear of engine compt)
  • Pnk
  • Pnk/red
  • Polarity protection relay
  • Power
  • Pwm vlv
  • Rpm 2
  • Rpm 3
  • Rpm sensor
  • Selector lever position illum
  • Sensor ground
  • Sensor v+
  • Shift valve
  • Shift vlv
  • Start interlock switch
  • Stop light switch (on brake pedal bracket)
  • Stoplamp sw
  • Tele aid & d2b telephone transmitter/ receiver control module
  • Temp sensor
  • Temp/start
  • Valve unit (in automatic transmission)
  • W/ auto pilot system
  • W/ command actuation
  • W/ tele aid (emergency call system)
  • W16/4 (right component compartment)
  • W18 (under driver's seat)
  • W29/2 (behind right end of dash)

БАГАЖНИК ЗАДНЯЯ ДВЕРЬ ЛЮЧОК ТОПЛИВНОГО БАКА

Электросхема открывания багажника для Mercedes-Benz CLK320 2003

Электросхема открывания багажника для Mercedes-Benz CLK320 2003 - Список элементов:

  • (at left door sill) w18
  • (at right door sill) w19
  • (not used)
  • 2004 & 2005
  • C21
  • C24
  • Can h
  • Can l
  • Computer data lines system
  • Coupe convertible
  • Left door contact switch
  • Pawl rotary tumbler switch
  • Power tops system
  • Rear sam control module fuse & relay module (left side of trunk)
  • Remote trunk lid release switch
  • Rhr release valve (coupe)
  • Right door contact switch
  • Trunk lid contact switch
  • Trunk lid external operation switch
  • Trunk light
  • W6 (at left side of trunk) w6/1 (left wheelwell)

Электросхема открывания багажника, Кабриолет для Mercedes-Benz CLK320 2003

Электросхема открывания багажника, Кабриолет для Mercedes-Benz CLK320 2003 - Список элементов:

  • (at right rear wheelwell) w7
  • (cabriolet)
  • Can h
  • Can l
  • Computer data lines system
  • Fuse & relay box (left rear of engine compt)
  • Fuse 30a
  • Fuse 40a
  • Fuse 5a
  • Fuse 7.5a
  • Ground
  • Hot at all times
  • Lower control field control module
  • Navigation system
  • Nca
  • Pneumatic system equipment (pse) control module (right rear of trunk)
  • Rear fuse box (in trunk, against right wheelwell)
  • Remote trunk release (rtr) switch
  • Rotary latch switch
  • Trunk lid internal operation switch
  • Trunk release switch
  • W18 (under driver's seat)
  • W7 (at right rear wheelwell)

БЛОК ПРЕДОХРАНИТЕЛЕЙ И РЕЛЕ

Электросхема блока предохранителей и реле, Кабриолет (1 из 2) для Mercedes-Benz CLK320 2003

Электросхема блока предохранителей и реле, Кабриолет (1 из 2) для Mercedes-Benz CLK320 2003 - Список элементов:

  • 2.1
  • 3.2
  • A/c system
  • Air pump relay module, asr/ets/esp hydraulic unit
  • Battery
  • Circuit 30z fuse 7.5a
  • Control module box
  • Data link connectors (obd ii, dtc readout)
  • Driver's side fuse & relay module box (left rear of eng compt)
  • Engine control module
  • Esp/bas control module
  • Fuel pump relay module
  • Fuse & relay box (left side of engine compt)
  • Fuse 10a
  • Fuse 15a
  • Fuse 25a
  • Fuse 30a
  • Fuse 30a (or 60a)
  • Fuse 40a
  • Fuse 5a
  • Generator, starter, esp/bas control module
  • Hcs pump fuse 3 30a
  • Hcs pump relay
  • High pressure/ return pump relay
  • Horn relay
  • Horns fuse 4 10a
  • Instrument cluster
  • Interior lights system, anti- theft system
  • Interior lights system, passenger's side door control module, ctel transmitter/ receiver, tele-aid control module
  • Nca
  • Oil cooler fan relay
  • Passenger's side fuse & relay module box (right rear corner of engine compt)
  • Polarity protection relay
  • Power tops system
  • Pse control module
  • Rear fuse box
  • Red
  • Red/ pnk
  • Reserve fuse 7 30a
  • Roof control unit control module
  • Sam fuse 5 15a
  • Seats system
  • Signal pick-up & activation module
  • Starter
  • Steering angle sensor
  • Terminal block x12/3 (left rear of engine compt)
  • Terminal block x4 (left footwell)
  • To electronic ignition- starter switch control module (diagram 2 of 2)
  • To terminal block x4 (diagram 2 of 2)
  • W/ cabriolet
  • W10 (right rear of trunk)

Электросхема блока предохранителей и реле, Кабриолет (2 из 2) для Mercedes-Benz CLK320 2003

Электросхема блока предохранителей и реле, Кабриолет (2 из 2) для Mercedes-Benz CLK320 2003 - Список элементов:

  • (not used)
  • 15r
  • 2.2
  • A/c system
  • Cf relay module, seats system
  • Combination switch
  • Ctel transmitter/ receiver, navigation system, sound systems, command activation display & control unit, voice activation control module
  • Driver's side door control module
  • Driver's side fuse & relay module box (left rear corner of eng compt)
  • Electronic ignition- starter switch (eis) control module
  • Engine controls system
  • Esc control module
  • Exterior lights system, headlights system, mirrors system, electronic selector lever control module
  • From battery (diagram 1 of 2)
  • From terminal block x4 (diagram 1 of 2)
  • Front cigar lighter
  • Front passenger's side door control module
  • Fuse
  • Fuse & relay box (left side of engine compt)
  • Fuse 10a
  • Fuse 15a
  • Fuse 20a
  • Fuse 25a
  • Fuse 2o 15a
  • Fuse 30a
  • Fuse 5a
  • Fuse 7.5
  • Fuse 7.5a
  • Glove compartment lamp, garage door opener
  • Heated seats circuit
  • Horn relay
  • Ignition coils fuse 6 15a
  • Illumination control module
  • Instrument cluster
  • Instrument cluster, exterior lights system
  • Interior lights system
  • Lower control field control
  • Module,
  • Navigation processor, ctel interface, mirrors system, e-net compensator
  • Navigation system, sound system
  • Navigation system, sound systems, command activation display & control unit
  • Passenger's side fuse & relay module box (right rear corner of engine compt)
  • Pnk
  • Pnk/ red
  • Pnk/red
  • Polarity protection relay
  • Power tops system
  • Rear window sunshade switch, navigation processor, mirrors system
  • Red
  • Roof control unit control module
  • Sound systems
  • Starter relay
  • Steering lock
  • Terminal block x4 (left footwell)
  • Transmission range recognition switch
  • Ultrasonic pts control module
  • W1 (behind left end of dash)
  • Washer nozzle heating fuse 6 7.5a
  • Washer pump fuse 2 7.5a
  • Windshield washer relay
  • Wiper stage 1 relay
  • Wiper stage 1-2 fuse 1 40a
  • Wiper stage 2 relay
  • Wiper/ washer system

Электросхема блока предохранителей и реле, Кабриолет Except (1 из 3) для Mercedes-Benz CLK320 2003

Электросхема блока предохранителей и реле, Кабриолет Except (1 из 3) для Mercedes-Benz CLK320 2003 - Список элементов:

  • A/c system
  • Air pump relay
  • Anti- theft system
  • Battery
  • Body computer system
  • C19
  • Circuit 15 relay
  • Circuit 15r relay 2
  • Circuit 87 relay (chassis)
  • Circuit 87 relay (engine)
  • Cooling fans system
  • Door locks system
  • Electronic power steering system
  • Engine controls system
  • Front prefuse box (right rear of engine compt)
  • Front sam control module fuse & relay module (left rear of engine compt)
  • Fuel filler cap relay 1& 2
  • Fuel filler cap relay 1
  • Fuel filler cap relay 2
  • Fuel pump relay
  • Fuse
  • Fuse (reserve) 30a
  • Fuse 10a
  • Fuse 125a
  • Fuse 200a
  • Fuse 20a
  • Fuse 25a
  • Fuse 30a
  • Fuse 40a
  • Fuse 5a
  • Fuse 60a
  • Fuse 7.5a
  • Interior fuse box (left side of dash)
  • Memory system
  • Nca
  • Rear sam control module fuse & relay module (left side of trunk)
  • Red
  • Red/ pnk
  • Reserve fuse
  • Reserve relay
  • S17
  • S19
  • Seats system
  • Sound system
  • Telephone system
  • To interior fuse box (diagram 2 of 3)
  • To rear sam control module (diagram 2 of 3)
  • W10 (at right rear of engine compt)

Электросхема блока предохранителей и реле, Кабриолет Except (2 из 3) для Mercedes-Benz CLK320 2003

Электросхема блока предохранителей и реле, Кабриолет Except (2 из 3) для Mercedes-Benz CLK320 2003 - Список элементов:

  • A/c system
  • Anti- theft system
  • Body computer system
  • C12
  • C13
  • C14
  • C16
  • C17
  • C19
  • C28
  • Circuit 15 relay
  • Circuit 15r relay
  • Circuit 15r relay 2
  • Circuit 87 relay (engine)
  • Cooling fans system
  • Door locks system
  • Engine controls system
  • From interior b fuse box (diagram 1 of 3)
  • From rear sam a control module (diagram 1 of 3)
  • Front sam control module fuse & relay module (left rear of engine compt)
  • Fuel pump relay
  • Fuse
  • Fuse (reserve) 25a
  • Fuse 15a
  • Fuse 20a
  • Fuse 25a
  • Fuse 30a
  • Fuse 5a
  • Fuse 7.5a
  • Instrument cluster
  • Interior fuse box (left side of dash)
  • Interior lights system
  • Memory system
  • Navigation system
  • Power tops system
  • Power window system
  • Rear sam control module fuse & relay module (left side of trunk)
  • Red
  • Reserve fuse
  • Reserve relay 1
  • S18
  • S20
  • Sound system
  • Starter relay
  • Starting/ charging system
  • Telephone system
  • To front sam control module (diagram 3 of 3)
  • To rear sam control module (diagram 3 of 3)
  • Warning system

Электросхема блока предохранителей и реле, Кабриолет Except (3 из 3) для Mercedes-Benz CLK320 2003

Электросхема блока предохранителей и реле, Кабриолет Except (3 из 3) для Mercedes-Benz CLK320 2003 - Список элементов:

  • Anti-lock brakes system
  • Body computer system
  • C11
  • C12
  • C19
  • C20
  • C21
  • C22
  • C23
  • C24
  • Circuit 15r relay
  • Circuit 15r relay 1
  • Computer data lines system
  • Cruise control system
  • Defogger system
  • Fan relay
  • From front sam c control module (diagram 2 of 3)
  • From front sam e control module (diagram 3 of 3)
  • From rear sam d control module (diagram 2 of 3)
  • Front sam control module fuse & relay module (left rear of engine compt)
  • Fuse 15a
  • Fuse 20a
  • Fuse 25a
  • Fuse 40a
  • Fuse 43a 15a
  • Fuse 43b 15a
  • Fuse 50a
  • Fuse 5a
  • Fuse 7.5a
  • Headlights system
  • Interior lights system
  • Navigation system
  • Power outlet
  • Rear sam control module fuse & relay module (left side of trunk)
  • Rear window defroster relay
  • Red
  • Seats system
  • Seq pump control relay
  • Sound system
  • To front sam control module (diagram 3 of 3)
  • Wiper relay on/off
  • Wiper relay stage 1& 2

БЛОКИ УПРАВЛЕНИЯ КУЗОВОМ

передняя и задняя схема контроллера для Mercedes-Benz CLK320 2003

передняя и задняя схема контроллера для Mercedes-Benz CLK320 2003 - Список элементов:

  • (at right doorsill) w28/2
  • 58d
  • Air conditioning system
  • Can h
  • Can l
  • Computer data lines system
  • Fh h (+)
  • Fh t (+)
  • Fhs signal
  • Fuse 30a
  • H (+)
  • H (-)
  • H signal 1
  • H signal 2
  • Hot at all times
  • Interior fuse box (left side of dash)
  • Interior lights system
  • Passive restraint system
  • Power tops system
  • Power windows system
  • Rear control module (left side of trunk)
  • Red
  • Seats system
  • Signal
  • Upper control panel control module (upper center of trunk)
  • W6 (at left side of trunk)

передняя схема контроллера, Кабриолет для Mercedes-Benz CLK320 2003

передняя схема контроллера, Кабриолет для Mercedes-Benz CLK320 2003 - Список элементов:

  • Air conditioning system
  • Can h
  • Can l
  • Computer data lines system
  • Defogger system
  • Door locks system, seats system
  • Driver side fuse & relay module box (left rear of engine compt)
  • Electronic ignition switch control module (right of steering column)
  • Engine controls system
  • Exterior lights system
  • Fuse 5 15a
  • Hcs pump relay
  • Horn relay
  • Hot at all times
  • Left front signal pickup & activation module (sam) (left rear of engine compt)
  • W1 (behind left end of dash)
  • Windshield washer relay
  • Wiper stage 1 relay
  • Wiper stage 2 relay
  • Wiper/washer system

передняя схема управляющего модуля SAM (1 из 2) для Mercedes-Benz CLK320 2003

передняя схема управляющего модуля SAM (1 из 2) для Mercedes-Benz CLK320 2003 - Список элементов:

  • Air conditioning system
  • Anti-lock brake system
  • Anti-lock brakes system
  • Anti-theft system
  • Body computer (rear sam control module)
  • C10
  • C11
  • C12
  • C13
  • C14
  • C15
  • C16
  • C17
  • C18
  • C19
  • Computer data lines system
  • Cooling fans system
  • Electronic power steering system
  • Engine control system
  • Engine controls system
  • Exterior lights system
  • Front prefuse box (right rear of engine compt)
  • Front sam control module fuse & relay module (left rear of engine compt)
  • Fuse 200a
  • Fuse 60a
  • Headlights system
  • Horns system
  • Hot at all times
  • Instrument cluster
  • Interior lights system
  • Navigation & sound system
  • Nca
  • Pnk/red
  • Power windows system
  • Red
  • Sound system
  • Starting/charging system
  • Transmission system
  • W16/3 (at left front of engine compt)
  • Wiper/washer system

передняя схема управляющего модуля SAM (2 из 2) для Mercedes-Benz CLK320 2003

передняя схема управляющего модуля SAM (2 из 2) для Mercedes-Benz CLK320 2003 - Список элементов:

  • C20
  • C21
  • C22
  • C23
  • C24
  • C25
  • C26
  • Computer data lines system
  • Cruise control system
  • Front sam control module fuse & relay module (left rear of engine compt)
  • Headlights system
  • Instrument cluster
  • Interior lights system
  • Navigation system
  • Pnk
  • Transmission system

задняя схема управляющего модуля SAM (1 из 2) для Mercedes-Benz CLK320 2003

задняя схема управляющего модуля SAM (1 из 2) для Mercedes-Benz CLK320 2003 - Список элементов:

  • (inside interior of left front seat) driver seat
  • Anti-theft system
  • Body computer system (front sam control module)
  • C10
  • C11
  • C12
  • C13
  • C14
  • C15
  • C16
  • C17
  • C18
  • C19
  • C20
  • C21
  • Can h
  • Can l
  • Computer data lines system
  • Contacting strip
  • Convertible
  • Coupe
  • Defoggers system
  • Door locks system
  • Engine controls system
  • Exterior lights system
  • Front passenger seat contacting strip (inside interior of right front seat)
  • Instrument cluster
  • Interior lights system
  • N.c
  • N.c.
  • Navigation system
  • Navigation systen
  • Power distribution system
  • Power outlet
  • Power tops system
  • Rear sam control module fuse & relay module (left side of trunk)
  • Red
  • Seats system
  • Signal
  • Sound system
  • Trunk, tailgate, fuel doors system
  • Trunk, tailgate. fuel doors systen
  • W6 (at left side of trunk)
  • Warning system

задняя схема управляющего модуля SAM (2 из 2) для Mercedes-Benz CLK320 2003

задняя схема управляющего модуля SAM (2 из 2) для Mercedes-Benz CLK320 2003 - Список элементов:

  • Anti-theft system
  • C22
  • C23
  • C24
  • C25
  • C26
  • C27
  • C28
  • Instrument cluster
  • Interior lights system
  • N.c.
  • Power windows system
  • Rear sam control module fuse & relay module (left side of trunk)
  • S17
  • S19
  • S20
  • Seats system
  • Sound system
  • Trunk, tailgate, fuel door system
  • Trunk. tailgate, fuel doors system

БЛОКИРОВКИ СЕЛЕКТОРА СТОЯНОЧНЫЙ ТОРМОЗ

Электросхема блокировки селектора для Mercedes-Benz CLK320 2003

Электросхема блокировки селектора для Mercedes-Benz CLK320 2003 - Список элементов:

  • 2003 & 2004
  • C10
  • C22
  • Can (+)
  • Can (-)
  • Can h
  • Can l
  • Computer data lines system
  • Data link connector (at left footwell)
  • Di control module (left side of dash)
  • Diag
  • Electric steering lock control module (upper left footwell)
  • Electronic selector lever control module (base of gear selector lever)
  • Esp/bas control module (left side of eng compt)
  • Etc control module (behind right kick panel)
  • Front sam control module fuse & relay module (left rear of engine compt)
  • Gear display sensor (in center console)
  • Ground
  • Instrument cluster
  • Keyless go/start push button (center console)
  • Me-sfi (me) control module (left side of engine)
  • N.c.
  • Nca
  • Pnk
  • Red
  • Steering column lock ind switch
  • Steering column module
  • W19 (at right doorsill)
  • W19 (at right doorsill) w18 (at left doorsill)

Электросхема блокировки селектора, Кабриолет для Mercedes-Benz CLK320 2003

Электросхема блокировки селектора, Кабриолет для Mercedes-Benz CLK320 2003 - Список элементов:

  • (dtc readout) (right rear of engine compt)
  • C2 driver's side fuse & relay module box (left rear of engine compt)
  • Can (+)
  • Can (-)
  • Can h
  • Can l
  • Computer data lines system
  • Data line
  • Data link connector (dlc)
  • Electronic ignition switch control module (right of steering column)
  • Electronic selector lever control module (base of gear selector lever)
  • Exterior lights system
  • Fuse 10a
  • Ground
  • Hot at all times
  • P/n
  • Passenger's side fuse & relay module box (right rear of engine compt)
  • Pnk/red
  • Polarity protection relay
  • Power
  • Stoplamp sw
  • Stoplamp switch (on brake pedal bracket assembly)
  • Transmission control module (under front passenger's footwell foot plate
  • W16/4 (in right component compartment)
  • W29/2 (behind right end of dash)

ВНЕШНЕЕ ОСВЕЩЕНИЕ

Электросхема заднего хода для Mercedes-Benz CLK320 2003

Электросхема заднего хода для Mercedes-Benz CLK320 2003 - Список элементов:

  • Back-up lamp
  • C14
  • Can h
  • Can l
  • Computer data lines system
  • Electronic selector lever control module
  • Left taillamp unit
  • Rear sam control module fuse & relay module (left side of trunk)
  • Right taillamp unit
  • W6/1 (left wheelwell)

Электросхема заднего хода, Кабриолет для Mercedes-Benz CLK320 2003

Электросхема заднего хода, Кабриолет для Mercedes-Benz CLK320 2003 - Список элементов:

  • (at right rear wheelwell) w7
  • Back-up lamp
  • Electronic ignition switch control module (right of steering column)
  • Electronic selector lever control module
  • Hot at all times
  • Hot in run or start
  • Illumination control module (behind left side of dash, part of headlight switch)
  • Left taillamp unit
  • Pnk/ red
  • Pnk/red
  • Red
  • Right taillamp unit
  • Terminal block (x4) (left footwell)
  • W1 (behind left end of dash)

Электросхема внешнего освещения, Кабриолет (1 из 2) для Mercedes-Benz CLK320 2003

Электросхема внешнего освещения, Кабриолет (1 из 2) для Mercedes-Benz CLK320 2003 - Список элементов:

  • 19b
  • 19e
  • 22c
  • Back-up lamps circuit
  • Back-up lights circuit
  • Center high mounted stop lamp
  • Combination switch
  • Electronic ignition switch control module (right of steering column)
  • Esp/bas control module (in control module box)
  • Fuse & relay box (left rear of engine compartment)
  • Fuse 10a
  • Fuse 5a
  • Headlights system
  • Hot at all times
  • Hot in accy, run, or start
  • Illumination control module (behind left side of dash, part of headlight switch)
  • Instrument cluster system
  • Interior lights circuit
  • Left head- lamp unit
  • Left license plate lamp
  • Left side marker lamp
  • Nca
  • Park
  • Pneumatic system equipment control module (right rear of trunk)
  • Pnk/red
  • Red
  • Right head- lamp unit
  • Right license plate lamp
  • Right side marker lamp
  • Stop lamp suppression relay module (anti-lock brakes system) (under front passenger's footwell foot plate)
  • Stop light switch (on brake pedal bracket housing)
  • Terminal block (x4) (left footwell)
  • Turn signal switch
  • W1 (behind left end of dash)
  • W16/3 (left front of engine compt)
  • W16/4 (in right component compt)
  • W16/4 (right component compt)
  • W7 (at right rear wheelwell)

Электросхема внешнего освещения, Кабриолет (2 из 2) для Mercedes-Benz CLK320 2003

Электросхема внешнего освещения, Кабриолет (2 из 2) для Mercedes-Benz CLK320 2003 - Список элементов:

  • (behind left end of dash) w1
  • Aux tail
  • Back- up
  • Back-up lamps circuit
  • Cockpit switch group
  • Computer data lines system
  • Electronic ignition switch control module (right of steering column)
  • Exterior lamp failure ind
  • Fog
  • Hot at all times
  • Instrument cluster
  • Interior lights system
  • Left front signal pickup & activation module (sam) (left rear of engine compt)
  • Left outside mirror turn signal lamp
  • Left taillamp unit
  • Left turn ind
  • Left turn signal/side marker lamp
  • Off
  • Parking brake ind
  • Pneumatic system equipment control module (right rear of trunk)
  • Red
  • Right outside mirror turn signal lamp
  • Right taillamp unit
  • Right turn ind
  • Right turn signal/side marker lamp
  • Sounder
  • Stop/ tail
  • Terminal block (x4) (left footwell)
  • Turn
  • W1 (behind left end of dash)
  • W16/3 (left front of engine compartment)
  • W16/4 (in right component compartment)
  • W18 (under driver's seat)
  • W19 (at right front door sill)
  • W6 (below left trunk hinge)
  • W7 (at right rear wheelwell)

Электросхема внешнего освещения, Кабриолет Except для Mercedes-Benz CLK320 2003

Электросхема внешнего освещения, Кабриолет Except для Mercedes-Benz CLK320 2003 - Список элементов:

  • (at right doorsill)
  • C14
  • C19
  • C20
  • C21
  • Center high mounted stop lamp
  • Fog
  • Front passenger side door control module (in right front door)
  • Front sam control module fuse & relay module (left rear of engine compt)
  • Fuse 5a
  • Hot at all times
  • Left exterior mirror turn signal lamp
  • Left front headlamp unit
  • Left front side door control module (in left front door)
  • Left front side marker lamp
  • Left license plate lamp
  • Left taillight unit
  • Light switch module (left side of dash)
  • Marker
  • Park
  • Rear sam control module fuse & relay module (left side of trunk)
  • Red
  • Red/
  • Right exterior mirror turn signal lamp
  • Right front headlamp unit
  • Right front side marker lamp
  • Right license plate lamp
  • Right taillight unit
  • Stop
  • Turn
  • W16/4 (right front of engine compt)
  • W28/2
  • W6 (at left side of trunk)
  • W6/1 (left wheelwell)
  • W9 (left front of engine compt)

ВНУТРЕННЕЕ ОСВЕЩЕНИЕ

Электросхема подсветки (1 из 2) для Mercedes-Benz CLK320 2003

Электросхема подсветки (1 из 2) для Mercedes-Benz CLK320 2003 - Список элементов:

  • (at left door sill) w18
  • (at right doorsill)
  • (not used)
  • Ambient light
  • Armrest storage compartment light
  • C10
  • C17
  • C19
  • C20
  • C21
  • C24
  • Computer data lines system
  • Convertible
  • Coupe
  • Front dome lamp
  • Front sam control module fuse & relay module (left rear of engine compt)
  • Fuse 5a
  • Glove compartment illumination with switch
  • Hot at all times
  • Interior lights system (instrument illumination lights)
  • Interior rearview mirror unit
  • Left door contact switch
  • Left front reading lamp
  • Left vanity mirror light
  • Light switch module (left side of dash)
  • Overhead control panel control module (center of interior roof)
  • Power soft top control module
  • Rear dome lamp
  • Rear sam control module fuse & relay module (left side of trunk)
  • Remote trunk lid release switch
  • Right door contact switch
  • Right front reading lamp
  • Right vanity mirror light
  • Rtl pushbutton
  • Trunk lamp
  • W19 (at right door sill)
  • W28/2
  • W28/2 (at right door sill)
  • W6 (at left side of trunk) w6/1 (left wheelwell)

Электросхема подсветки (2 из 2) для Mercedes-Benz CLK320 2003

Электросхема подсветки (2 из 2) для Mercedes-Benz CLK320 2003 - Список элементов:

  • Computer data lines system
  • Dome light switch
  • Front passenger side control module (in right front door)
  • Left door entrance & exit lamp
  • Left door inside handle illumination
  • Left front door control module (in left front door)
  • Left front reading light switch
  • Nca
  • Overhead control panel control module (center of interior roof)
  • Rear dome light switch
  • Right door entrance & exit lamp
  • Right door inside handle illumination
  • Right front reading light switch

Электросхема подсветки, Кабриолет для Mercedes-Benz CLK320 2003

Электросхема подсветки, Кабриолет для Mercedes-Benz CLK320 2003 - Список элементов:

  • (not used)
  • (under driver's seat) w18
  • 17b
  • 23b
  • Can h
  • Can l
  • Computer data lines system
  • Convertible
  • Coupe
  • Dome lamp with delay/ front reading lamp, left front reading lamp, right front reading lamp, soft top operation/ locking gong, rear dome lamp switch, door switch on/off
  • Front driver side door control module (front of left front door)
  • Front passenger side door control module (front of right front door)
  • Fuse & relay box (left rear of engine compt)
  • Fuse 15a
  • Fuse 25a
  • Fuse 30a
  • Fuse 40a
  • Fuse 5a
  • Glove compartment illumination with switch
  • Hot at all times
  • Hot in acc, run or start
  • Instrument cluster
  • Left front door switch
  • Left front entrance/ exit lamp
  • Left sun visor (w/illuminated vanity mirror)
  • Nca
  • Power distribution system (cigar lighter)
  • Pse control module (right rear of trunk)
  • Rear dome lamp (coupe)
  • Rear fuse box (in trunk, against right wheelwell)
  • Right front door switch
  • Right front entrance/ exit lamp
  • Right sun visor (w/illuminated vanity mirror)
  • Roof control unit control module (in overhead control panel)
  • Rotary latch switch
  • Solid state
  • Trunk lamp
  • Trunk lamp switch
  • W1 (behind left end of dash)
  • W19 (at right front door sill)
  • W7 (at right rear wheelwell)

Электросхема подсветки приборов (1 из 2) для Mercedes-Benz CLK320 2003

Электросхема подсветки приборов (1 из 2) для Mercedes-Benz CLK320 2003 - Список элементов:

  • (-)
  • (at right doorsill)
  • 58d
  • C19
  • C20
  • C25
  • Center air outlet illumination
  • Computer data lines system
  • Front ashtray light
  • Front cigar lighter
  • Front passenger power window switch
  • Front passenger side door control module (in right front door)
  • Front sam control module fuse & relay module (left rear of engine compt)
  • Fuse 5a
  • Hot at all times
  • Instrument cluster
  • Instrument illumination
  • Interior light system (courtesy lights)
  • Left rear power window switch
  • Light switch module (left side of dash)
  • Nca
  • Power soft top control module (left front of trunk)
  • Rear control module (left side of trunk)
  • Right rear power window switch
  • Soft top control switch (2003)
  • W28/2
  • W28/2 (at right door sill)

Электросхема подсветки приборов (2 из 2) для Mercedes-Benz CLK320 2003

Электросхема подсветки приборов (2 из 2) для Mercedes-Benz CLK320 2003 - Список элементов:

  • (front center of trunk) tele aid system control module
  • C12
  • C17
  • Emergency call system control module (front center of trunk) (2005)
  • Info led
  • J10
  • Led
  • Mb-info & breakdown assistance switch (2003 & 2004)
  • Mb-info & breakdown assistance switch (2005)
  • Overhead control panel control module
  • Rear pts warning display (coupe)
  • Rear sam control module fuse & relay module (left side of trunk)
  • Sos pushbutton switch (2005)
  • W19 (at right doorsill)
  • W7 (at right rear wheelhouse)

Электросхема подсветки приборов, Кабриолет (1 из 2) для Mercedes-Benz CLK320 2003

Электросхема подсветки приборов, Кабриолет (1 из 2) для Mercedes-Benz CLK320 2003 - Список элементов:

  • (at right front door sill) w19
  • (behind left end of dash) w1
  • (behind right end of dash) w29/2
  • (below left trunk hinge) w6
  • 15b
  • 58d
  • 58k
  • Ata status/towing/ interior protection switch
  • Can h
  • Can l
  • Center air outlet illumination
  • Cockpit switch group
  • Computer data lines system
  • Electronic selector lever module control module
  • Esp off switch
  • Front cigar lighter
  • Front heated seat control module
  • Fuse & relay box (left rear of engine compt)
  • Fuse 5a
  • Fuse 7.5a
  • Hazard flasher switch
  • Headlamp cleaner (hcs) switch
  • Hot at all times
  • Hot in run or start
  • Illum
  • Illumination control module
  • Instrument cluster
  • Instrument illumination
  • Led
  • Left air outlet illumination
  • Left front heated seat switch
  • Lower control field control module
  • Nca
  • Pse control module (right rear of trunk)
  • Pts on/off switch
  • Red
  • Right air outlet illumination
  • Right front heated seat switch
  • Solid state
  • Tele aid pushbutton
  • Terminal block x4
  • Ultrasonic pts control module (under front passenger's foot well plate)
  • W1 (behind left end of dash)
  • W18 (under driver's seat)
  • X30/13

Электросхема подсветки приборов, Кабриолет (2 из 2) для Mercedes-Benz CLK320 2003

Электросхема подсветки приборов, Кабриолет (2 из 2) для Mercedes-Benz CLK320 2003 - Список элементов:

  • (at right front door sill) w19
  • (at right rear wheelwell) w7
  • (under driver's seat) w18
  • 11d
  • 17b
  • 58d
  • Can h
  • Can l
  • Computer data lines system
  • Emergency call system service & breakdown service pushbutton
  • Front driver side door control module (front of left front door)
  • Front passenger side door control module (front of right front door)
  • Fuse & relay box (left rear of engine compt)
  • Fuse 15a
  • Fuse 25a
  • Fuse 30a
  • Garage door opener control lamp
  • Hot at all times
  • Interior rear view mirror assembly
  • Left front door esa switch group (if equipped)
  • Left front power window switch
  • Nca
  • Outside rearview mirror switch (with fold-in/out feature) (if equipped)
  • Power soft top control module
  • Power soft top switch
  • Radio
  • Rear fuse box (in trunk, against right wheelwell)
  • Rear window sunshade switch (center console)
  • Right front door esa switch group (if equipped)
  • Right front power window switch
  • Roof control unit control module

ЗАЗЕМЛЕНИЕ ПОДКЛЮЧЕНИЕ МАССЫ

Электросхема подключение массы заземления, Кабриолет для Mercedes-Benz CLK320 2003

Электросхема подключение массы заземления, Кабриолет для Mercedes-Benz CLK320 2003 - Список элементов:

  • Ata status/towing/interior protection switch, frequency change-over control module, soft top closed limit switch, soft top open limit switch, voice activation control module
  • Battery
  • Ctel transmitter-receiver, pse control module, tv tuner, left taillamp unit, right taillamp unit, left license plate lamp, right license plate lamp, center high mounted stop lamp, power soft top control module, auxiliary battery, trunk lid internal operation switch, trunk release switch, rotary latch switch, trunk lamp switch, sound system amplifier, tele aid control module, d2b interface/portable ctel, power top valve block, rb valve block, center soft top cover switch group, rb & power soft top hydraulic unit, rb extended limit switch, rb retracted limit switch, soft top compartment open limit switch, retractable luggage cover engaged limit switch, top fabric bow locked limit switch
  • Electrolytic capacitor
  • Engine control module, data link connector, diagnostic module (odb ii) generic scan tool connector
  • Engine/climate control electric cooling fan control module, left headlamp unit, left heated windshield washer nozzle, right heated windshield washer nozzle, headlamp washer pump, left fog lamp, left side marker lamp, left turn signal lamp, brake fluid level switch, engine hood switch, windshield washer pump, fanfare horns, alarm horn, alarm siren with auxiliary battery
  • Esp/sps/bas control module, transmission control module, pts on/off switch, electronic selector lever module control module,
  • Instrument cluster, a/c pushbutton control module, electronic ignition switch control module, glove compartment lamp with switch, steering angle sensor, electronic steering locking control module, illumination control module, front cigar lighter, left air outlet illumination, right air outlet illumination, center air outlet illumination, in-car temperature sensor, heater system air circulation unit, driver-side fuse and relay module box,
  • Kickdown switch, headlamp range adjustment control module, ultrasonic pts control module
  • Left taillamp unit, soft top opened limit switch, soft top fabric bow/down/ up limit switch, sound system amplifier,
  • Navigation unit & radio, arm rest parcel tray illumination, front driver side door control module, left front seat belt buckle switch, soft top locked left limit switch, power soft top switch, rear window sunshade switch, left outside mirror turn signal lamp, comand actuation display control module, left front seat belt buckle/ belt comfort feature switch, left front esa control module, right front esa control module, lower control field control module, fuel pump, cockpit switch group, left front door switch
  • Outside rearview mirror switch, emergency call system service & break down service pushbutton, front passenger side door control module, tele aid pushbutton, lower control field control module, left & right front seat heater elements, parking brake switch, esp off switch, sr switch, right front esa control module, right outside mirror turn signal lamp, right front seat belt buckle/ belt comfort feature switch
  • Pts on/off switch,
  • Radio,
  • Right front door switch,
  • Right headlamp unit, kickdown switch, electric air pump, right fog lamp, right side marker lamp, right turn signal lamp, diagnostic module (obd ii) generic scan tool connector, fanfare horns, passenger-side fuse and relay module box
  • Roof control unit control module,
  • Srs control module, driver door air bag sensor, passenger door air bag sensor, left front seat belt buckle switch, right front seat belt buckle switch, passenger seat occupied recognition w/automatic child seat recognition
  • Switchover valve block
  • Traction system hydraulic unit,
  • Ultrasonic pts control module,
  • W1 (behind left end of dash)
  • W10 (right rear of trunk)
  • W11/3 (left side of engine)
  • W16/3 (left front of engine compartment)
  • W16/4 (in right component compartment)
  • W16/6 (in right component compartment)
  • W18 (under driver's seat)
  • W19 (at right front door sill)
  • W26 (center console, forward of shifter)
  • W29/2 (behind right end of dash)
  • W6 (below left trunk hinge)
  • W7 (at right rear wheelwell)

Электросхема подключение массы заземления, Кабриолет Except для Mercedes-Benz CLK320 2003

Электросхема подключение массы заземления, Кабриолет Except для Mercedes-Benz CLK320 2003 - Список элементов:

  • Aac pushbutton control module dtr control module rear blower motor control module rear blower electronic selector wheel a/c recirculation unit steering column module
  • Battery
  • Brake fluid switch washer nozzle heater front sam control module esp & bas control module
  • Cd changer
  • Driver front seat adjustment control module left door contact switch etc control module electronic selector lever module left door keyless go control module left door control module right front seat heated cushion left front side airbag ignition fuel pump radio fan left front seat heated cushion dtr control module
  • Fanfare horn
  • Front astray light
  • Front passenger front seat adjustment control module
  • Glove compartment light
  • Hcs pump
  • Instrument cluster
  • Left license plate light right license plate light center high-mounted stop light paml rotary tumbler switch trunk lid switch remote trunk lid release switch
  • Lower control field control module
  • Me-sfi control module data link connector
  • Overhead control panel control module
  • Overhead control panel control module breakdown assistance switch sdar control unit am trunk lid antenna amplifier right head restraint lower valve
  • Parking brake switch
  • Radio & navigation unit right door keyless go control module right door control module radio etc control module electronic selector lever module pts control module right front side airbag ignition breakdown assistance switch right front seat heated cushion gear display sensor rear pts warning display right door contact switch
  • Rear module keyless go control module
  • Rear sam control module rear control module tlc control module rear screen blind relay subwoofer loud speaker
  • Right fanfare horn automatic climate control multifunction sensor right fog light right front side marker light right front headlight dtr control unit headlight range adjustment control module alarm signal horn coolant circulation pump automatic climate control sun sensor
  • Sound amplifier
  • Steering column module center air outlet light front cigar light left front seat vent blower regulator right front seat vent blower regulator light switch module glove compartment actuator central armrest actuator armrest stowage light
  • Trunk lid contact switch
  • Upper control panel control module
  • W10 (at right rear of engine compt)
  • W16/3 (at left front of engine compt)
  • W16/4 (right front of engine compt)
  • W16/5 (left front of engine compt)
  • W18 (at left doorsill)
  • W19 (at right doorsill)
  • W28/1 (at left doorsill)
  • W28/1 (at right doorsill)
  • W6 (at left side of trunk)
  • W7 (at right rear wheelhouse)
  • W9 (left front of engine compt)
  • Windshield washer fluid pump washer nozzle hose heater electric suction fan ata hood switch left fog light left front side marker light left front headlight

Звуковой сигнал Гудок

Электросхема звукового сигнал Гудка для Mercedes-Benz CLK320 2003

Электросхема звукового сигнал Гудка для Mercedes-Benz CLK320 2003 - Список элементов:

  • C10
  • C20
  • Can h
  • Can l
  • Computer data lines system
  • Di control module
  • Fan relay module
  • Fanfare horns
  • Fanfare horns switch
  • Front sam control module fuse & relay module (left rear of engine compt)
  • Fuse 43a 15a
  • Left multifunction steering wheel pushbutton group
  • Nca
  • Red
  • Right fanfare horns
  • Right multifunction steering wheel pushbutton group
  • Steering column control module
  • W16/4 (right front of engine compt)

Электросхема звукового сигнал Гудка, Кабриолет для Mercedes-Benz CLK320 2003

Электросхема звукового сигнал Гудка, Кабриолет для Mercedes-Benz CLK320 2003 - Список элементов:

  • 15r
  • 2.1
  • Can h
  • Can l
  • Computer data lines system
  • Driver's side fuse & relay module box (left rear of engine compt)
  • Electronic ignition switch control module (right of steering column)
  • Fanfare horns
  • Fuse 10a
  • Fuse 15a
  • Horn relay
  • Horn sw
  • Horn/ airbag clock spring contact
  • Hot at all times
  • Instrument cluster
  • Left end of dash)
  • Left front signal pick-up & activation module (sam) (left rear of engine compt)
  • Left multi- function steering wheel pushbutton group
  • Nca
  • Pneumatic horn switch
  • Power distribution system
  • Red
  • Right multi- function steering wheel pushbutton group
  • Terminal block x4 (left footwell)
  • W1 (behind
  • W1 (behind left end of dash)
  • W16/3 (left front of engine compt)
  • W16/4 (in right component compt)

Магнитола Мультимедия

авто пилот системная схема, Кабриолет withAmplifier для Mercedes-Benz CLK320 2003

авто пилот системная схема, Кабриолет withAmplifier для Mercedes-Benz CLK320 2003 - Список элементов:

  • (in control module box) esp/bas control module
  • (or red)
  • (right rear of engine compt) data link connector
  • 10b
  • 12b
  • Antenna splitter
  • Cabriolet
  • Cd changer
  • Command actuation display & control unit (w/ command actuation)
  • Coupe
  • Ctel transmitter- receiver (left rear of trunk)
  • D2b
  • D2b data bus circuit
  • D2b fiber optics connector
  • Electronic selector lever module control module
  • Fm/am/ctel amplifier
  • Fuse & relay box (left rear of engine compt)
  • Fuse 10 15a
  • Fuse 12 25a
  • Fuse 3 15a
  • Gps antenna (coupe) rear gps antenna (cabriolet)
  • Hot at all times
  • Hot in acc, run or start
  • Instrument cluster
  • Instrument cluster system (steering wheel controls)
  • Interior lights system
  • Left front door speaker
  • Left front door speaker group
  • Left rear speaker (coupe)
  • Navigation unit & radio
  • Nca
  • Pnk
  • Rear window antenna
  • Red
  • Rev out
  • Right front door speaker
  • Right front door speaker group
  • Right front vss sensor (right front wheel hub)
  • Right rear speaker (coupe)
  • Short mast antenna
  • Sound system amplifier
  • Standard equipment
  • Subwoofer speaker (cabriolet)
  • Tele aid
  • Tele aid & d2b telephone transmitter/ receiver control module (w/ tele aid)
  • Tele aid control module
  • W18 (under driver's seat)
  • W6 (below left trunk hinge) (coupe)
  • W7 (at right rear wheelwell) (cabriolet)

авто пилот системная схема, Кабриолет without Amplifier для Mercedes-Benz CLK320 2003

авто пилот системная схема, Кабриолет without Amplifier для Mercedes-Benz CLK320 2003 - Список элементов:

  • (right rear of engine compt) data link connector
  • 10b
  • Antenna splitter
  • Cabriolet
  • Cd changer
  • Command actuation display & control unit (w/ command actuation)
  • Coupe
  • Ctel transmitter- receiver (left rear of trunk)
  • D2b
  • D2b data bus circuit
  • D2b fiber optics connector
  • Dual cone speaker
  • Electronic selector lever module control module
  • Esp/bas control module (in control module box)
  • Fm/am/clet amplifier
  • Fuse & relay box (left rear of engine compt)
  • Fuse 10 15a
  • Fuse 3 15a
  • Gps antenna (coupe) rear gps antenna (cabriolet)
  • Hot at all times
  • Hot in acc, run or start
  • Instrument cluster
  • Instrument cluster system (steering wheel controls)
  • Interior lights system
  • Left door speaker
  • Left front door mirror triangle speaker
  • Left front door speaker
  • Left rear speaker
  • Nca
  • Pnk
  • Radio
  • Rear window antenna
  • Rev out
  • Right door speaker
  • Right front door mirror triangle speaker
  • Right front door speaker
  • Right front vss front sensor (right front wheel hub)
  • Right rear speaker
  • Short mast antenna
  • Standard equipment
  • Tele aid
  • Tele aid & d2b telephone transmitter/ receiver control module (w/ tele aid)
  • Tele aid control module
  • W18 (under driver's seat)

схема приведения в действие COMAND, Кабриолет (1 из 2) для Mercedes-Benz CLK320 2003

схема приведения в действие COMAND, Кабриолет (1 из 2) для Mercedes-Benz CLK320 2003 - Список элементов:

  • (or red)
  • Antenna splitter
  • Cd changer
  • Comand actuation display control module
  • D2b
  • D2b data bus circuit
  • D2b fiber optics connector
  • Fm/am/ctel amplifier
  • Gps antenna (coupe) rear gps antenna (cabriolet)
  • Instrument cluster
  • Instrument cluster system (steering wheel controls)
  • Left front door speaker
  • Left front door speaker group
  • Left rear speaker (coupe)
  • Nca
  • Pnk
  • Red
  • Right front door speaker
  • Right front door speaker group
  • Right rear speaker (coupe)
  • Sound system amplifier
  • Standard equipment
  • Subwoofer speaker (cabriolet)
  • Tele aid
  • Tele aid & d2b telephone transmitter/ receiver control module (w/ tele aid)
  • Tele aid control module
  • W18 (under driver's seat)
  • W6 (below left trunk hinge) (coupe)
  • W7 (at right rear wheelwell) (cabriolet)

схема приведения в действие COMAND, Кабриолет (2 из 2) для Mercedes-Benz CLK320 2003

схема приведения в действие COMAND, Кабриолет (2 из 2) для Mercedes-Benz CLK320 2003 - Список элементов:

  • (in control module box) esp/bas control module
  • 10a
  • 10b
  • 12b
  • Actuation
  • Af-l
  • Af-r
  • Am/fm
  • Ami
  • Bottom left rear window antenna amplifier
  • Bottom right rear window antenna amplifier (w/ tv tuner)
  • Can h
  • Can l
  • Cassette player connector
  • Comand
  • Control
  • Ctel transmitter/ receiver
  • Data link connector
  • Dfvr
  • Diag
  • Display
  • Electronic selector lever module control module
  • Fuse & relay box (in luggage compt, behind right trim panel)
  • Fuse 15a
  • Fuse 25a
  • Fuse 5a
  • Hot at all times
  • Hot in run or start
  • Module
  • Mute
  • Nca
  • Nf-l
  • Nf-r
  • Red
  • Rev out
  • Right front vss sensor (right front wheel hub)
  • Top left rear window antenna amplifier
  • Top right rear window antenna amplifier (w/ tv tuner)
  • Tv tuner (if equipped)
  • Tv1
  • Tv2
  • Tv3
  • Tv4
  • W18 (under driver's seat)
  • W7 (at right rear wheelwell)
  • Wake up
  • Walkman separation point

схема приведения в действие COMAND, Кабриолет Except (1 из 2) для Mercedes-Benz CLK320 2003

схема приведения в действие COMAND, Кабриолет Except (1 из 2) для Mercedes-Benz CLK320 2003 - Список элементов:

  • Am/fm
  • Amplifier module 1
  • C11
  • C23
  • Can h
  • Can l
  • Computer data lines system
  • Connection
  • Control
  • D2b
  • D2b in
  • D2b out
  • D2b tele & tele aid transmitter/receiver (center of trunk)
  • Data link connector (at left footwell)
  • Diag
  • Front sam control module fuse & relay module (left rear of engine compt)
  • Fuse 15a
  • Fuse 7.5a
  • Gps
  • Gps antenna
  • Hot at all times
  • J10
  • Mute
  • N.c.
  • Nca
  • Nf-l
  • Nf-r
  • Radio & navigation unit
  • Rear sam control module fuse & relay module (left side of trunk)
  • Red
  • Shield
  • Tv tuner
  • Tv1
  • Tv2
  • Tv3
  • Tv4
  • W19 (at right door sill)
  • W29/3 (left front engine compt)
  • Wake up
  • Walkman

схема приведения в действие COMAND, Кабриолет Except (2 из 2) для Mercedes-Benz CLK320 2003

схема приведения в действие COMAND, Кабриолет Except (2 из 2) для Mercedes-Benz CLK320 2003 - Список элементов:

  • Cd changer
  • Center cockpit speaker
  • D2b
  • D2b data bus circuit
  • D2b in
  • D2b out
  • Fuse 25a
  • Hot at all times
  • Interior fuse box (left side of trunk)
  • Left front door mirror triangle speaker
  • Left front door speaker
  • Left rear speaker
  • Nca
  • Pnk
  • Right front door mirror triangle speaker
  • Right front door speaker
  • Right rear speaker
  • Sound amplifier
  • Sound amplifier microphone
  • Subwoofer loudspeaker
  • W6 (at left side of trunk)
  • W7 (at right rear wheelhouse)
  • Wake up

схема шины данных D2B для Mercedes-Benz CLK320 2003

схема шины данных D2B для Mercedes-Benz CLK320 2003 - Список элементов:

  • Cd changer
  • Command operating, display & control unit
  • Computer data lines system
  • D2b
  • D2b fiber optics connector (front center of console)
  • D2b in
  • D2b out
  • D2b telephone & tele aid transmitter/receiver
  • Diag
  • J10
  • Radio
  • Radio & navigation unit
  • Sdars control unit
  • Sound amplifier
  • Telephone interface
  • Voice control system control module
  • W/ auto pilot circuit
  • W/ command actuation circuit
  • W/ radio circuit
  • Wake up
  • Wake up signal connector (inside interior of right footwell)

схема шины данных D2B, Кабриолет для Mercedes-Benz CLK320 2003

схема шины данных D2B, Кабриолет для Mercedes-Benz CLK320 2003 - Список элементов:

  • Cd changer
  • Comand actuation display & control unit
  • Computer data lines system
  • Connections may be different depending upon options installed
  • D2b
  • D2b fiber optics connector
  • D2b in
  • D2b interface/ portable ctel
  • D2b out
  • Diag
  • Navigation unit & radio
  • Radio
  • Tele aid & d2b telephone transmitter/receiver control module
  • Tele aid control module
  • Voice activation control module
  • W/ auto pilot circuit
  • W/ comand actuation circuit
  • W/ radio only
  • Wake up

Электросхема магнитолы, Кабриолет withAmplifier, С Шина данных D2B для Mercedes-Benz CLK320 2003

Электросхема магнитолы, Кабриолет withAmplifier, С Шина данных D2B для Mercedes-Benz CLK320 2003 - Список элементов:

  • (in control module box) esp/bas control module
  • (right rear of engine compt) data link connector
  • 10b
  • 12b
  • Cabriolet
  • Cd changer
  • Coupe
  • Ctel transmitter- receiver (left rear of trunk)
  • D2b
  • D2b data bus circuit
  • D2b fiber optics connector
  • Fm/am/ctel amplifier
  • Fuse & relay box (left rear of engine compt)
  • Fuse 10 15a
  • Fuse 12 25a
  • Fuse 3 15a
  • Hot at all times
  • Hot in acc, run or start
  • Instrument cluster
  • Instrument cluster system (steering wheel controls)
  • Interior lights system
  • Left front door speaker
  • Left front door speaker group
  • Left front vss sensor (left front wheel hub)
  • Left rear speaker (coupe)
  • Nca
  • Pnk
  • Radio
  • Rear window antenna
  • Red
  • Right front door speaker
  • Right front door speaker group
  • Right rear speaker (coupe)
  • Short mast antenna
  • Sound system amplifier
  • Subwoofer speaker (cabriolet)
  • W18 (under driver's seat)
  • W6 (below left trunk hinge) (coupe)
  • W7 (at right rear wheelwell) (cabriolet)

Электросхема магнитолы, Кабриолет withAmplifier, без Шина данных D2B для Mercedes-Benz CLK320 2003

Электросхема магнитолы, Кабриолет withAmplifier, без Шина данных D2B для Mercedes-Benz CLK320 2003 - Список элементов:

  • (in control module box) esp/bas control module
  • 10b
  • 12b
  • Cabriolet
  • Cd changer
  • Coupe
  • Ctel transmitter- receiver (left rear of trunk)
  • Fm/am/ctel amplifier
  • Fuse & relay box (left rear of engine compt)
  • Fuse 10 15a
  • Fuse 12 25a
  • Fuse 3 15a
  • Hot at all times
  • Hot in acc, run or start
  • Interior lights system
  • Left front door speaker
  • Left front door speaker group
  • Left front vss sensor (left front wheel hub)
  • Left rear speaker (coupe)
  • Nca
  • Pnk
  • Radio
  • Rear window antenna
  • Red
  • Right front door speaker
  • Right front door speaker group
  • Right rear speaker (coupe)
  • Short mast antenna
  • Sound system amplifier
  • Subwoofer speaker (cabriolet)
  • W18 (under driver's seat)
  • W6 (below left trunk hinge) (coupe)
  • W7 (at right rear wheelwell) (cabriolet)

Электросхема магнитолы, Кабриолет without Amplifier, С Шина данных D2B для Mercedes-Benz CLK320 2003

Электросхема магнитолы, Кабриолет without Amplifier, С Шина данных D2B для Mercedes-Benz CLK320 2003 - Список элементов:

  • (right rear of engine compt) data link connector
  • 10b
  • Cabriolet
  • Cd changer
  • Coupe
  • Ctel transmitter- receiver (left rear of trunk)
  • D2b
  • D2b data bus circuit
  • D2b fiber optics connector
  • Dual cone speaker
  • Esp/bas control module (in control module box)
  • Fm/am/clet amplifier
  • Fuse & relay box (left rear of engine compt)
  • Fuse 10 15a
  • Fuse 3 15a
  • Hot at all times
  • Hot in acc, run or start
  • Instrument cluster
  • Instrument cluster system (steering wheel controls)
  • Interior lights system
  • Left door speaker
  • Left front door mirror triangle speaker
  • Left front door speaker
  • Left front vss sensor (left front wheel hub)
  • Left rear speaker
  • Nca
  • Pnk
  • Radio
  • Rear window antenna
  • Right door speaker
  • Right front door mirror triangle speaker
  • Right front door speaker
  • Right rear speaker
  • Short mast antenna
  • W18 (under driver's seat)

Электросхема магнитолы, Кабриолет without Amplifier, без Шина данных D2B для Mercedes-Benz CLK320 2003

Электросхема магнитолы, Кабриолет without Amplifier, без Шина данных D2B для Mercedes-Benz CLK320 2003 - Список элементов:

  • 10b
  • Cabriolet
  • Cd changer
  • Coupe
  • Ctel transmitter- receiver (left rear of trunk)
  • Dual cone speaker
  • Esp/bas control module (in control module box)
  • Fm/am/ctel amplifier
  • Fuse & relay box (left rear of engine compt)
  • Fuse 10 15a
  • Fuse 3 15a
  • Hot at all times
  • Hot in acc, run or start
  • Interior lights system
  • Left door speaker
  • Left front door mirror triangle speaker
  • Left front door speaker
  • Left front vss sensor (left front wheel hub)
  • Left rear speaker
  • Nca
  • Pnk
  • Radio
  • Rear window antenna
  • Right door speaker
  • Right front door mirror triangle speaker
  • Right front door speaker
  • Right rear speaker
  • Short mast antenna
  • W18 (under driver's seat)

Электросхема магнитолы, Кабриолет Except С Усилитель, С Шина данных D2B для Mercedes-Benz CLK320 2003

Электросхема магнитолы, Кабриолет Except С Усилитель, С Шина данных D2B для Mercedes-Benz CLK320 2003 - Список элементов:

  • Am/fm
  • Amplifier module 1
  • C11
  • C23
  • Can h
  • Can l
  • Cd changer
  • Center cockpit speaker
  • Computer data lines system
  • Control
  • D2b
  • D2b data bus circuit
  • D2b in
  • D2b out
  • D2b tele & tele aid transmitter/receiver (center of trunk)
  • Data link connector (at left footwell)
  • Diag
  • Front sam control module fuse & relay module (left rear of engine compt)
  • Fuse 15a
  • Fuse 25a
  • Fuse 7.5a
  • Hot at all times
  • Interior fuse box (left side of trunk)
  • J10
  • Left front door mirror triangle speaker
  • Left front door speaker
  • Left rear speaker
  • Mute
  • Nca
  • Pnk
  • Radio
  • Rear sam control module fuse & relay module (left side of trunk)
  • Right front door mirror triangle speaker
  • Right front door speaker
  • Right rear speaker
  • Shield
  • Sound amplifier
  • Sound amplifier microphone
  • Subwoofer loudspeaker
  • W19 (at right door sill)
  • W29/3 (left front engine compt)
  • W6 (at left side of trunk)
  • W7 (at right rear wheelhouse)
  • Wake up

Электросхема магнитолы, Кабриолет Except С Усилитель, без Шина данных D2B (1 из 2) для Mercedes-Benz CLK320 2003

Электросхема магнитолы, Кабриолет Except С Усилитель, без Шина данных D2B (1 из 2) для Mercedes-Benz CLK320 2003 - Список элементов:

  • Am/fm
  • Amplifier module 1
  • Bass module loudspeaker
  • C11
  • C23
  • Can h
  • Can l
  • Cd changer
  • Computer data lines system
  • Control
  • D2b
  • D2b data bus circuit
  • D2b in
  • D2b out
  • D2b tele & tele aid transmitter/ receiver (center of trunk)
  • Data link connector (at left footwell)
  • Diag
  • Front sam control module fuse & relay module (left rear of engine compt)
  • Fuse 15a
  • Fuse 7.5a
  • Hot at all times
  • J10
  • Left front door mirror triangle speaker
  • Left front door speaker
  • Left rear speaker
  • Mute
  • Nca
  • Pnk
  • Radio
  • Rear sam control module fuse & relay module (left side of trunk)
  • Right front door mirror triangle speaker
  • Right front door speaker
  • Right rear speaker
  • Shield
  • W19 (at right door sill)
  • W29/3 (left front engine compt)
  • Wake up

Электросхема магнитолы, Кабриолет Except С Усилитель, без Шина данных D2B (2 из 2) для Mercedes-Benz CLK320 2003

Электросхема магнитолы, Кабриолет Except С Усилитель, без Шина данных D2B (2 из 2) для Mercedes-Benz CLK320 2003 - Список элементов:

  • (at right door sill) w19
  • Am/fm
  • Amplifier module 1
  • C11
  • C23
  • Can h
  • Can l
  • Cd changer
  • Center cockpit speaker
  • Computer data lines system
  • Control
  • D2b tele & tele aid transmitter/ receiver (center of trunk)
  • Data link connector (at left footwell)
  • Diag
  • Front sam control module fuse & relay module (left rear of engine compt)
  • Fuse 15a
  • Fuse 25a
  • Fuse 7.5a
  • Hot at all times
  • Interior fuse box (left side of trunk)
  • J10
  • Left front door mirror triangle speaker
  • Left front door speaker
  • Left rear speaker
  • Mute
  • Nca
  • Pnk
  • Radio
  • Rear sam control module fuse & relay module (left side of trunk)
  • Right front door mirror triangle speaker
  • Right front door speaker
  • Right rear speaker
  • Shield
  • Sound amplifier
  • Sound amplifier microphone
  • Subwoofer loudspeaker
  • W29/3 (left front engine compt)
  • W6 (at left side of trunk)
  • W7 (at right rear wheelhouse)

Электросхема магнитолы, Кабриолет Except без Усилитель, без Шина данных D2B для Mercedes-Benz CLK320 2003

Электросхема магнитолы, Кабриолет Except без Усилитель, без Шина данных D2B для Mercedes-Benz CLK320 2003 - Список элементов:

  • Am/fm
  • Amplifier module 1
  • Bass module loudspeaker
  • C11
  • C23
  • Can h
  • Can l
  • Cd changer
  • Computer data lines system
  • Control
  • D2b tele & tele aid transmitter/ receiver (center of trunk)
  • Data link connector (at left footwell)
  • Diag
  • Front sam control module fuse & relay module (left rear of engine compt)
  • Fuse 15a
  • Fuse 7.5a
  • Hot at all times
  • J10
  • Left front door mirror triangle speaker
  • Left front door speaker
  • Left rear speaker
  • Mute
  • Nca
  • Pnk
  • Radio
  • Rear sam control module fuse & relay module (left side of trunk)
  • Right front door mirror triangle speaker
  • Right front door speaker
  • Right rear speaker
  • Shield
  • W19 (at right door sill)
  • W29/3 (left front engine compt)

Электросхема спутникового радио для Mercedes-Benz CLK320 2003

Электросхема спутникового радио для Mercedes-Benz CLK320 2003 - Список элементов:

  • (at right rear wheelhouse) w7
  • D2b
  • D2b data bus circuit
  • D2b in
  • D2b out
  • Fuse 20a
  • Hot at all times
  • Rear sam control module fuse & relay module (left side of trunk)
  • Sat
  • Sdars control unit (right rear of trunk)
  • Shield
  • Ter
  • Vics antenna

переговорная схема активации для Mercedes-Benz CLK320 2003

переговорная схема активации для Mercedes-Benz CLK320 2003 - Список элементов:

  • D2b
  • D2b data bus circuit
  • D2b telephone & tele aid transmitter/ receiver
  • Fuse 20a
  • Fuse 5a
  • Hands free microphone
  • Hot at all times
  • Hot in acc, run or start
  • J10
  • Nca
  • Rear sam control module fuse & relay module (left side of trunk)
  • Telephone system
  • Voice control system control module
  • W7 (at right rear wheelwell)

переговорная схема активации, Кабриолет для Mercedes-Benz CLK320 2003

переговорная схема активации, Кабриолет для Mercedes-Benz CLK320 2003 - Список элементов:

  • 10a
  • Comand actuation display & control unit
  • Computer data lines system
  • Connections may be different depending upon options installed
  • D2b
  • D2b data bus circuit
  • D2b fiber optics connector
  • D2b in
  • D2b interface/ portable ctel
  • D2b out
  • Diag
  • Fuse & relay box (left rear of engine compt)
  • Fuse 10 15a
  • Fuse 3 5a
  • Hands free microphone
  • Hot at all times
  • Hot in acc, run or start
  • Navigation unit & radio
  • Nca
  • Radio
  • Voice activation control module
  • W/ auto pilot circuit
  • W/ comand actuation circuit
  • W/ radio only
  • W6 (below left trunk hinge)
  • W7 (at right rear wheelwell)
  • Wake up

Навигация GPS Парктроники

схема Parktronic, Кабриолет для Mercedes-Benz CLK320 2003

схема Parktronic, Кабриолет для Mercedes-Benz CLK320 2003 - Список элементов:

  • (coupe) (right front door sill)
  • 58l
  • A lwr
  • Cabriolet
  • Coupe
  • Data link connector (right rear of engine compt)
  • Diag
  • Esp/bas control module
  • F data
  • Front bumper pts sensor assembly (behind center of front bumper)
  • Fuse & relay box (left rear of engine compt)
  • Fuse 5a
  • Hot in run or start
  • Illum
  • Illumination control module
  • Interior lights system
  • Left center sensor
  • Left inner sensor
  • Left outer sensor
  • On/off
  • Pts
  • Pts on/off switch
  • Pts warning indicator (center instrument panel air outlet)
  • Pts warning indicator (left instrument panel air outlet)
  • Pts warning indicator (rear dome lamp)
  • R data
  • Rear bumper pts sensor assembly (behind center of rear bumper)
  • Rf erk
  • Right center sensor
  • Right inner sensor
  • Right outer sensor
  • Sensor 10r
  • Sensor 1f
  • Sensor 2f
  • Sensor 3f
  • Sensor 4f
  • Sensor 5f
  • Sensor 6f
  • Sensor 7r
  • Sensor 8r
  • Sensor 9r
  • Ultrasonic pts control module (under front passenger's foot well foot plate)
  • Vss rf
  • W19 w29/2 (cabriolet) (behind right end of dash)
  • W29/2 (behind right end of dash)

схема Parktronic, Кабриолет Except для Mercedes-Benz CLK320 2003

схема Parktronic, Кабриолет Except для Mercedes-Benz CLK320 2003 - Список элементов:

  • (+) sf
  • (+) sr
  • (-) sf
  • (-) sr
  • 15r
  • C10
  • C12
  • C17
  • Can h
  • Can l
  • Center pts warning display
  • Computer data lines system
  • Front bumper pts sensor unit
  • Fuse 5a
  • Hot at circuit 15 relay 1
  • Interior fuse box (left side of dash)
  • Left center sensor
  • Left inner sensor
  • Left outer sensor
  • N.c.
  • Overhead control panel control module
  • Pts control module (behind right kick panel)
  • Rear bumper pts sensor unit
  • Rear pts warning display
  • Rear sam control module fuse & relay module (left side of trunk)
  • Right center sensor
  • Right inner sensor
  • Right outer sensor
  • S1 f
  • S10 r
  • S2 f
  • S3 f
  • S4 f
  • S5 f
  • S6 f
  • S7 r
  • S8 r
  • S9 r
  • W f (+)
  • W f (-)
  • W f (data)
  • W r (+)
  • W r (-)
  • W r (data)
  • W19 (at right doorsill)

Телек помогает Схеме, Кабриолету withD2B Data Bus (1 из 2) для Mercedes-Benz CLK320 2003

Телек помогает Схеме, Кабриолету withD2B Data Bus (1 из 2) для Mercedes-Benz CLK320 2003 - Список элементов:

  • (right rear of engine compt) data link connector
  • Antenna splitter
  • Auto pilot/ command actuation system
  • Auxiliary battery
  • Comand actuation display & control unit (w/ comand actuation) system)
  • Ctel antenna
  • D2b
  • D2b data bus circuit
  • Double coil speaker (radio ctel hfs)
  • Electronic selector lever module control module
  • Emergency backup antenna
  • Emergency call system service & breakdown service pushbutton group
  • Fuse & relay box (left rear of engine compt)
  • Fuse 3 10a
  • Fuse 5a
  • Fuse 6 7.5a
  • Gps antenna
  • Hot at all times
  • Hot in acc, run or start
  • Interior lights system
  • Navigation unit & radio (w/ auto pilot system)
  • Nca
  • Pneumatic system equipment (pse) control module (right rear of trunk)
  • Pnk
  • Rear fuse box (in trunk, against right wheelwell)
  • Rev out
  • S a1
  • Standard equipment
  • Tele aid control module
  • Tele aid pushbutton
  • Trunk lid internal operation switch
  • Trunk release switch
  • W/ portable ctel option
  • W19 (at right front door sill)
  • W7 (at right rear wheelwell)

Телек помогает Схеме, Кабриолету withD2B Data Bus (2 из 2) для Mercedes-Benz CLK320 2003

Телек помогает Схеме, Кабриолету withD2B Data Bus (2 из 2) для Mercedes-Benz CLK320 2003 - Список элементов:

  • Antenna amplifier
  • Command actuation display & control unit (w/ command actuation)
  • Ctel interface
  • D2b interface/ portable ctel (if equipped)
  • Esp/bas control module (in control module box)
  • Frequency change-over control module (w/ portable ctel option)
  • Hands free microphone
  • Instrument cluster
  • Instrument cluster system (steering wheel controls)
  • Nca
  • Pnk
  • Srs control module (on transmission tunnel, forward of shifter)
  • Transmitter- receiver/ handset connector
  • Voice activation control module (if equipped)
  • W/ portable ctel option
  • W6 (below left trunk hinge)

Телек помогает Схеме, Кабриолету without D2B Data Bus (1 из 2) для Mercedes-Benz CLK320 2003

Телек помогает Схеме, Кабриолету without D2B Data Bus (1 из 2) для Mercedes-Benz CLK320 2003 - Список элементов:

  • (right rear of engine compt) data link connector
  • Antenna splitter
  • Auto pilot/ command actuation system
  • Comand actuation display & control unit (w/ comand actuation) system)
  • Ctel antenna
  • Emergency backup antenna
  • Emergency call system service & breakdown service pushbutton group
  • Fuse & relay box (left rear of engine compt)
  • Fuse 3 10a
  • Fuse 6 7.5a
  • Gps antenna
  • Hands free microphone
  • Hot at all times
  • Hot in acc, run or start
  • Interior lights system
  • Navigation unit & radio (w/ auto pilot system)
  • Nca
  • Rear fuse box (in trunk, against right wheelwell)
  • Standard equipment
  • Tele aid control module
  • Tele aid pushbutton
  • Voice activation control module (if equipped)
  • W19 (at right front door sill)
  • W7 (at right rear wheelwell)

Телек помогает Схеме, Кабриолету without D2B Data Bus (2 из 2) для Mercedes-Benz CLK320 2003

Телек помогает Схеме, Кабриолету without D2B Data Bus (2 из 2) для Mercedes-Benz CLK320 2003 - Список элементов:

  • (at right rear wheelwell) w7
  • Command actuation display & control unit
  • Ctel transmitter/ receiver
  • Double coil speaker (radio ctel hfs)
  • Navigation unit & radio
  • Nca
  • Radio
  • Red
  • Srs control module (on transmission tunnel, forward of shifter)
  • Tele aid control module
  • W/ auto pilot system
  • W/ comand actuation
  • W/ standard radio

Телек помогает Схеме, С Шине данных D2B для Mercedes-Benz CLK320 2003

Телек помогает Схеме, С Шине данных D2B для Mercedes-Benz CLK320 2003 - Список элементов:

  • (at right rear wheelhouse) w7
  • 15r
  • 58d
  • Airbag sig
  • Aux. antenna
  • C11
  • C21
  • C23
  • C25
  • C26
  • Can h
  • Can l
  • Computer data lines system
  • Ctel antenna
  • D2b
  • D2b data bus circuit
  • D2b in
  • D2b out
  • Diag
  • Frequency switchover control module
  • Front sam control module fuse & relay module (left rear of engine compt)
  • Fuse 7.5a
  • Gps
  • Gps antenna
  • Hot at all times
  • Info led
  • Info sw
  • Interior fuse box (left side of dash)
  • J10
  • Led
  • Left front emergency call speaker
  • Mb-info & breakdown assistance switch
  • Mic +
  • Mic -
  • Mute
  • Navigation system (voice activation circuit)
  • Nca
  • Pnk
  • Radio & navigation unit
  • Radio/command operating, display & control unit
  • Rap sw
  • Rear sam control module fuse & relay module (left side of trunk)
  • Rf sw
  • Right front emergency call speaker
  • Sos led
  • Sos pushbutton switch (in overhead control panel control module)
  • Sos sw
  • Speaker +
  • Speaker -
  • Tele aid spare antenna
  • Tele aid system control module (front center of trunk)
  • Telephone interface
  • Unlock
  • W/ auto pilot circuit
  • W/ radio circuit/ command actuation circuit
  • W19 (at right doorsill)
  • W7 (at right rear wheelhouse)
  • Wake up

Телек помогает Схеме, без Шине данных D2B для Mercedes-Benz CLK320 2003

Телек помогает Схеме, без Шине данных D2B для Mercedes-Benz CLK320 2003 - Список элементов:

  • (at right rear wheelhouse) w7
  • 15r
  • 58d
  • Airbag sig
  • Aux. antenna
  • C11
  • C21
  • C23
  • C25
  • C26
  • Can h
  • Can l
  • Computer data lines system
  • Ctel antenna
  • Diag
  • Frequency switchover control module
  • Front sam control module fuse & relay module (left rear of engine compt)
  • Fuse 7.5a
  • Gps
  • Gps antenna
  • Hot at all times
  • Info led
  • Info sw
  • Interior fuse box (left side of dash)
  • J10
  • Led
  • Left front emergency call speaker
  • Mb-info & breakdown assistance switch
  • Mic +
  • Mic -
  • Mute
  • Navigation system (voice activation circuit)
  • Nca
  • Pnk
  • Radio & navigation unit
  • Radio/command operating, display & control unit
  • Rap sw
  • Rear sam control module fuse & relay module (left side of trunk)
  • Rf sw
  • Right front emergency call speaker
  • Sos led
  • Sos pushbutton switch (in overhead control panel control module)
  • Sos sw
  • Speaker +
  • Speaker -
  • Tele aid spare antenna
  • Tele aid system & d2b telephone transmitter/receiver control module (front center of trunk)
  • Telephone interface
  • Unlock
  • W/ auto pilot circuit
  • W/ radio circuit/ command actuation circuit
  • W19 (at right doorsill)
  • W7 (at right rear wheelhouse)

ПАССИВНЫЕ ОГРАНИЧЕНИЯ

Система подушек безопасности SRS AirBag для Mercedes-Benz CLK320 2003

Система подушек безопасности SRS AirBag для Mercedes-Benz CLK320 2003 - Список элементов:

  • Left sbe (left rear interior compt) (convertible)
  • Left sbe (left rear interior compt) (coupe)
  • Nca
  • Power soft top control module (left front of trunk)
  • Rear control module (left side of trunk)
  • Red
  • Right sbe (right rear interior compt) (convertible)
  • Right sbe (right rear interior compt) (coupe)

Подогрев стекол и зеркал

Электросхема подогрева стекол и зеркал для Mercedes-Benz CLK320 2003

Электросхема подогрева стекол и зеркал для Mercedes-Benz CLK320 2003 - Список элементов:

  • Aac pushbutton control module (lewer center console)
  • Ambient temperature display temperature sensor
  • C10
  • C20
  • C22
  • Cah l
  • Can h
  • Can l
  • Computer data lines system
  • Convertible
  • Coupe
  • Di control module
  • Front passenger side door control module (in right front door)
  • Front sam control module fuse & relay module (left rear of engine compt)
  • Fuse 20a
  • Fuse 25a
  • Fuse 40a
  • Heat
  • Heated rear window
  • Hs1
  • Hs2
  • Left exterior heated mirror
  • Left front door control module (in left front door)
  • Nca
  • Overhead control panel control module
  • Rear sam control module fuse & relay module (left side of trunk)
  • Rear window defroster relay
  • Right exterior heated mirror
  • Shd (+)
  • Shd (-)
  • Slide/pop-up roof assembly
  • Soft top switch
  • W13 (under right side of rear window)

Электросхема подогрева стекол и зеркал, Кабриолет для Mercedes-Benz CLK320 2003

Электросхема подогрева стекол и зеркал, Кабриолет для Mercedes-Benz CLK320 2003 - Список элементов:

  • 11d
  • 15d
  • A/c pushbutton control module
  • Can connector
  • Computer data lines system
  • Convertible
  • Convertible only
  • Coupe
  • Electrolytic capacitor
  • Equipment (pse) control module (right rear of trunk)
  • Fuse & relay box (left rear of eng compt)
  • Fuse 15a
  • Fuse 40a
  • Fuse 5a
  • Hot at all times
  • Hot in run or start
  • Left front signal pick-up & activation module (left rear of engine compt)
  • Nca
  • Pneumatic system
  • Power soft top control module
  • Rear window defroster element
  • Rear fuse box (in trunk, against right wheelwell)
  • Soft top bow down/ up limit switch
  • Soft top opened limit switch
  • W13
  • W6 (below left trunk hinge)
  • W7 (at right rear wheelwell)

ПОДУШКИ БЕЗОПАСНОСТИ AIR BAG

Электросхема подушек безопасности SRS AirBag для Mercedes-Benz CLK320 2003

Электросхема подушек безопасности SRS AirBag для Mercedes-Benz CLK320 2003 - Список элементов:

  • (near srs control module) w26
  • 100 ohms
  • 15r
  • Ab, fa+
  • Ab, fa-
  • Ab, p+
  • Ab, p-
  • Ac sr-
  • Acsr
  • As out
  • Child seat recognition air bag off indicator lamp
  • Crash-out
  • D (+)
  • Diag
  • Diagnostic test clutch (partial)
  • Driver door air bag sensor
  • Driver etr squib
  • Driver front air bag squib
  • Driver side door air bag squib
  • Etr, d+
  • Etr, d-
  • Etr, p+
  • Etr, p-
  • Front passenger etr squib
  • Fuse & relay box (left rear corner of engine compt)
  • Fuse 5a
  • Horn/ air bag clock spring contact
  • Hot in acc, on or start
  • Instrument cluster
  • Left front seat belt buckle switch
  • Lower control field control module
  • Me-sfi control module (right rear of engine compt)
  • Mil
  • Nca
  • Ohms
  • P +
  • Passenger air bag squib
  • Passenger door air bag sensor
  • Passenger seat occupied recognition w/automatic child seat recognition (acsr)
  • Passenger side door air bag squib
  • Pnk
  • Right front seat belt buckle switch
  • Sb, d
  • Sb, d+
  • Sb, d-
  • Sb, p
  • Sb, p+
  • Sb, p-
  • Shorting bar
  • Solid state
  • Srs control module
  • Srs malfunction indicator (mil)
  • Tele-aid control module

ПРЕДУПРЕЖДАЮЩИЕ СИСТЕМЫ

Электросхема системы контроля давления в шинах для Mercedes-Benz CLK320 2003

Электросхема системы контроля давления в шинах для Mercedes-Benz CLK320 2003 - Список элементов:

  • C17
  • Can h
  • Can l
  • Computer data lines system
  • Data
  • Fuse 20a
  • Grd
  • Hot at all times
  • Left front tpm wheel antenna
  • Left front tpm wheel sensor
  • Left rear tpm wheel antenna
  • Left rear tpm wheel sensor
  • Nca
  • Rear sam control module fuse & relay module (left side of trunk)
  • Right front tpm wheel antenna
  • Right front tpm wheel sensor
  • Right rear tpm wheel antenna
  • Right rear tpm wheel sensor
  • Tps control module

ПРИБОРНАЯ ПАНЕЛЬ

Электросхема панели приборов для Mercedes-Benz CLK320 2003

Электросхема панели приборов для Mercedes-Benz CLK320 2003 - Список элементов:

  • (convertible)
  • Abs mil ind
  • Brake fluid indicator switch
  • C10
  • C19
  • C20
  • Can h
  • Can l
  • Check engine ind
  • Computer data lines system
  • Display
  • Dtr waring ind
  • Dtr warning ind
  • Ect gauge
  • Electronic clock
  • Electronic speedometer
  • Engine coolant level ind
  • Esp waring ind
  • Front sam control module fuse & relay module (left rear of engine compt)
  • Fuel level gauge
  • Fuse 42 7.5a
  • Fuse 51 7.5a
  • High beam ind
  • Hot at all times
  • Instrument cluster
  • Instrument illumination
  • Interior fuse box (left side of dash)
  • Left fuel level sensor (under left rear seat)
  • Left turn signal ind
  • Low brake fluid/ parking brake ind
  • Low fuel level ind
  • Malfunction ind
  • Parking brake indicator switch (on parking brake support bracket)
  • Rb mil ind
  • Rear sam control module fuse & relay (left side of trunk)
  • Right fuel level sensor (under right rear seat)
  • Right turn signal ind
  • Seat belt reminder ind
  • Tachometer
  • W16/3 (at left front of engine compt)
  • W28/2 (at right doorsill)
  • Warning buzzer
  • Warning ind

Электросхема панели приборов, Кабриолет (1 из 2) для Mercedes-Benz CLK320 2003

Электросхема панели приборов, Кабриолет (1 из 2) для Mercedes-Benz CLK320 2003 - Список элементов:

  • (+)
  • (-)
  • (min)
  • (not used)
  • (o)
  • (r)
  • (under driver's seat) w18
  • (h)
  • 19b
  • 1a1
  • 1a10
  • 1a11
  • 1a12
  • 1a13
  • 1a14
  • 1a15
  • 1a17
  • 1a18
  • 1a2
  • 1a3
  • 1a4
  • 1a5
  • 1a6
  • 1a7
  • 1a8
  • 1a9
  • 1b1
  • 1b11
  • 1b12
  • 1b4
  • 1b7
  • 26b
  • 2a1
  • 2a2
  • 2b1
  • 2b2
  • 2c1
  • 2c2
  • 2l1
  • 2l2
  • 2l3
  • 2l4
  • 2l5
  • 2l6
  • A/c pushbutton control module
  • Abs mil
  • Asr mil
  • Asr warn ind
  • Brake fluid level switch
  • Brake pad wear ind
  • Computer data lines system
  • Data link connector (dlc) (partial) (right rear of engine compartment)
  • Display
  • Ect gauge
  • Electronic speedo- meter
  • Esp mil
  • Exterior lights system
  • Fuel level gauge
  • Fuel reserve ind
  • Fuse & relay box (left rear of engine compartment)
  • Fuse 19 10a
  • Fuse 26 10a
  • Fuse 4 5a
  • Headlights system
  • High beam indicator
  • Hot at all times
  • Hot in off, acc, or start
  • Hot in run or start
  • Illumination control module
  • Instrument cluster
  • Instrument illumination (4 bulbs)
  • Interior lights system
  • Left front seat belt buckle switch (seat belt reminder)
  • Left fuel level sensor (under left rear seat)
  • Left turn signal indicator
  • Low brake fluid level/ parking brake indicator
  • Malfunction display illumination (red)
  • Malfunction display illumination (white)
  • Malfunction indicator
  • Nca
  • Pnk
  • Right fuel level sensor (under right rear seat)
  • Right turn signal indicator
  • Seat belt reminder ind
  • Sound systems, navigation system
  • Speed warning buzzer
  • Srs mil & ctrl ind
  • Starting/charging system
  • Tacho- meter
  • Vas switch
  • W1 (behind left end of dash)
  • W16/3 (left front of engine compartment)
  • Warning buzzer

Электросхема панели приборов, Кабриолет (2 из 2) для Mercedes-Benz CLK320 2003

Электросхема панели приборов, Кабриолет (2 из 2) для Mercedes-Benz CLK320 2003 - Список элементов:

  • (attached to coolant reservoir) ecl switch
  • (center console, w26 forward of shifter)
  • (under driver's seat) w18
  • A45x2
  • B13
  • Electronic ignition switch control module (right of steering column)
  • Forward/ backward scroll button, system selection button
  • Horn
  • Horn/ airbag clock spring contact
  • Left front door switch
  • Left multifunction steering wheel pushbutton group
  • Nca
  • Outside temperature indicator temperature sensor (behind left side of front bumper)
  • Pins 6 & 7 jumpered together by pins 31 & 32
  • Pnk
  • Pse control module (right rear of trunk)
  • Right multifunction steering wheel pushbutton group
  • Solid state
  • Srs control module (on transmission tunnel, forward of shifter)
  • Volume increase/ decrease button, ctel call receive/ end button
  • Windshield washer fluid level switch (on washer fluid reservoir)

Электросхема верхней консоли управления для Mercedes-Benz CLK320 2003

Электросхема верхней консоли управления для Mercedes-Benz CLK320 2003 - Список элементов:

  • (at left doorsill) w18 (at left doorsill) w28/1
  • (at right rear wheelwell) w7
  • 15r
  • 31 ais
  • 58d
  • Ais
  • Ambient light
  • Auto dimming interior rearview sensor
  • Automatic dimming mirror
  • C17
  • C22
  • C25
  • Can h
  • Can l
  • Computer data lines system
  • Convertible coupe
  • Dome lamp switch
  • Front dome lamp
  • Front sam control module fuse & relay module (left rear of engine compt)
  • Fuse 20a
  • Fuse 25a
  • Garage door opener 1
  • Garage door opener 2
  • Garage door opener 3
  • Garage door opener transmitter unit
  • Hot at all times
  • Hs1
  • Hs2
  • In-car temperature sensor
  • In-car temperature sensor motor
  • Interior rearview mirror unit
  • Left front dome lamp
  • Left front reading lamp switch
  • Left vanity mirror light
  • N.c.
  • Navigation system (2003 & 2004)
  • Nca
  • Overhead control panel control module
  • Pnk/red
  • Rain/light sensor
  • Rear dome lamp switch
  • Rear dome light
  • Rear sam control module fuse & relay module (left side of trunk)
  • Right front dome lamp
  • Right front reading lamp switch
  • Right vanity mirror light
  • Shd (+)
  • Shd (-)
  • Slide/pop-up roof assembly
  • Sliding/tilting roof switch
  • Soft top switch
  • Sos pushbutton switch

ПРИВОД ЗЕРКАЛ

Электросхема автозатемнения зеркала заднего вида для Mercedes-Benz CLK320 2003

Электросхема автозатемнения зеркала заднего вида для Mercedes-Benz CLK320 2003 - Список элементов:

  • 15r
  • 31 ais
  • 58d
  • Ais
  • Ambient light
  • Auto dimming interior rearview sensor
  • Automatic dimming mirror
  • C10
  • C19
  • C20
  • Can h
  • Can l
  • Computer data lines system
  • Di control module
  • Front sam control module fuse & relay module (left rear of engine compt)
  • Fuse 5a
  • Garage door opener 1
  • Garage door opener 2
  • Garage door opener 3
  • Garage door opener transmitter unit
  • Hot at all times
  • Interior rearview mirror unit
  • Left front door control module (in left front door)
  • Light switch module (left side of dash)
  • N.c.
  • Nca
  • Overhead control panel control module
  • Pnk/red
  • Right exterior mirror turn signal light
  • W28/2 (at right doorsill)

Электросхема автозатемнения зеркала заднего вида, Кабриолет для Mercedes-Benz CLK320 2003

Электросхема автозатемнения зеркала заднего вида, Кабриолет для Mercedes-Benz CLK320 2003 - Список элементов:

  • Can connector
  • Convertible
  • Coupe
  • Electronic selector lever module control module
  • Fuse & relay box (left rear of engine compt)
  • Fuse 7 7.5a
  • Fuse 9 25a
  • Hot at all times
  • Illumination control module
  • Interior lights system
  • Interior rearview mirror assembly
  • Left outside rearview mirror
  • Lower control field control module
  • Pnk/red
  • Roof control unit control module (in overhead control panel)
  • W18 (under driver's seat)
  • W19 (at right front door sill)

ПРИВОД ЛЮКА И КРЫШИ

Электросхема складной крыши (1 из 2) для Mercedes-Benz CLK320 2003

Электросхема складной крыши (1 из 2) для Mercedes-Benz CLK320 2003 - Список элементов:

  • & fabric bow open
  • & power top compartment cover open
  • (not used)
  • 15b
  • Air conditioning system
  • Center soft top cover switch group
  • Compartment cover closed
  • Computer data lines system
  • Cover lock open compartment power top
  • Fabric bow closed
  • Fuse & relay box (left rear corner of engine compt)
  • Fuse 15a
  • Fuse 25a
  • Fuse 40a
  • Fuse 5a
  • Hot at all times
  • Hot in run and start
  • Hydraulic motor
  • Lock open fabric bow
  • Nca
  • Overload protection
  • Piston side valve
  • Pnk
  • Power soft top control module
  • Power soft top test connector
  • Power top closed &
  • Power top compartment cover closed
  • Power top open & power top
  • Power top valve block
  • Power windows system
  • Rb & power soft top hydraulic unit
  • Rb valve block
  • Rear fuse box (in trunk, against right wheel- well)
  • Red
  • Rod side valve
  • Soft top cover limit switch (closed)
  • Soft top cover limit switch (locked)
  • W7 (right rear wheelwell)

Электросхема складной крыши (2 из 2) для Mercedes-Benz CLK320 2003

Электросхема складной крыши (2 из 2) для Mercedes-Benz CLK320 2003 - Список элементов:

  • (right rear wheelwell) w7
  • Interior lights system
  • Nca
  • Power soft top switch
  • Rb deployment solenoid
  • Rb extended limit switch
  • Rb retracted limit switch
  • Rb switch (manual operation)
  • Retractable luggage cover engaged limit switch
  • Soft top closed limit switch
  • Soft top compartment open limit switch
  • Soft top fabric bow up/down limit switch
  • Soft top locked left limit switch
  • Soft top open limit switch
  • Top fabric bow locked limit switch
  • W18 (under driver's seat)
  • W6 (below left trunk hinge)

стеклянная схема крыши для Mercedes-Benz CLK320 2003

стеклянная схема крыши для Mercedes-Benz CLK320 2003 - Список элементов:

  • (at left doorsill) w28/1
  • Aac pushbutton control module (lower center console)
  • Can h
  • Can l
  • Can l
  • Computer data lines system
  • Di control module
  • Front passenger side door control module (in right front door)
  • Front sam control module fuse & relay module (right rear of engine compt)
  • Left front door control module (in left front door)
  • Left front ir receiver (in left front door)
  • Overhead control panel control module
  • Right front ir receiver (in right front door))
  • Slide/pop-up roof assembly

ПРИВОД СТЕКЛОПОДЪЕМНИКОВ

Электросхема стеклоподъемников, Кабриолет для Mercedes-Benz CLK320 2003

Электросхема стеклоподъемников, Кабриолет для Mercedes-Benz CLK320 2003 - Список элементов:

  • 10d
  • 12d
  • Battery
  • Can h
  • Can l
  • Computer data lines system
  • Driver's door control module (front of left front door)
  • Fuse & relay box (left rear of engine compartment)
  • Fuse 10 25a
  • Fuse 12 25a
  • Fuse 3 30a
  • Fuse 7 7.5a
  • Fuse 8 30a
  • Ground
  • Hot at all times
  • Interior lights system
  • Left front power window motor
  • Left front power window switch (front center console)
  • Left rear power window motor
  • Lower control field control module
  • Passenger's door control module (front of right front door)
  • Power soft top control module
  • Rear fuse box (in trunk, against right wheelwell)
  • Right front power window motor
  • Right front power window switch (front center console)
  • Right rear power window motor
  • W18 (under driver's seat)
  • W19 (at right front door sill)
  • W7 (at right rear wheelwell)

Электросхема стеклоподъемников, Кабриолет Except (1 из 2) для Mercedes-Benz CLK320 2003

Электросхема стеклоподъемников, Кабриолет Except (1 из 2) для Mercedes-Benz CLK320 2003 - Список элементов:

  • (+)
  • (-)
  • 58d
  • Driver power window switch group
  • Fh h
  • Fh t
  • Fh vr
  • Front passenger power window switch
  • Front passenger side door control module (in right front door)
  • Fuse 30a
  • H (-)
  • H signal 1
  • H signal 2
  • Hot at all times
  • Interior fuse box (left side of dash)
  • Left front door control module (in left front door)
  • Left front power window motor
  • Red
  • Right front power window motor

Электросхема стеклоподъемников, Кабриолет Except (2 из 2) для Mercedes-Benz CLK320 2003

Электросхема стеклоподъемников, Кабриолет Except (2 из 2) для Mercedes-Benz CLK320 2003 - Список элементов:

  • 58d
  • Fh h (+)
  • Fh t (+)
  • Fhs signal
  • Fuse 30a
  • H (+)
  • H (-)
  • H signal 1
  • H signal 2
  • Hot at all times
  • Interior fuse box (left side of dash)
  • Left rear power window motor
  • Left rear power window switch
  • Rear control module (left side of trunk)
  • Right rear power window motor
  • Right rear power window switch

Электросхема шторки заднего стекла для Mercedes-Benz CLK320 2003

Электросхема шторки заднего стекла для Mercedes-Benz CLK320 2003 - Список элементов:

  • C25
  • Can h
  • Can l
  • Computer data lines system
  • Di control module
  • Fuse 20a
  • Hot at all times
  • Rear sam control module fuse & relay module (left side of trunk) c25
  • Rear window sun shade motor
  • Rear window sun shade relay
  • S20
  • Uppper control panel control module (upper center cockpit)
  • W6 (at left side of trunk)

Противоугонная система Сигнализация

Электросхема противоугонной сигнализации, Кабриолет для Mercedes-Benz CLK320 2003

Электросхема противоугонной сигнализации, Кабриолет для Mercedes-Benz CLK320 2003 - Список элементов:

  • (at right rear wheelwell) w7
  • (behind left end of dash) w1
  • (coupe)
  • (right of steering column) electronic ignition switch control module
  • 27b
  • 27e
  • Alarm siren (w/ auxiliary battery)
  • Ata
  • Ata status/towing/ interior protection switch
  • Ata tow sensor
  • Bls
  • Cabriolet
  • Can h
  • Can l
  • Computer data lines system
  • Coupe
  • Ctrl
  • Door locks system
  • Electronic steering locking control module
  • Engine hood switch (front of engine compt)
  • Exterior lights system
  • Fuse & relay box (left rear of engine compt)
  • Fuse 15a
  • Fuse 30a
  • Fuse 40a
  • Fuse 5a
  • Ground
  • Hood
  • Hot at all times
  • Illumination control module (behind left side of dash)
  • Interior lights system
  • Lamp rear dome (coupe)
  • Led
  • Left door switch
  • Lf door
  • Lk pwr
  • Lock
  • Navigation system
  • Pneumatic system equipment (pse) control module (right rear side of trunk)
  • Pwm a
  • Pwm b
  • Pwr
  • R dome
  • R tail
  • Rear fuse box (in trunk, against right wheelwell)
  • Red
  • Rf door
  • Right door switch
  • Rotary latch switch
  • Sens gnd
  • Sens in
  • Siren
  • Sr switch
  • Sw in
  • Terminal block (x4) (left footwell)
  • Trunk
  • Trunk lamp (coupe)
  • Trunk lamp switch (coupe)
  • W16/3 (left front of engine compt)
  • W18 (under driver's seat)
  • W19 (at right front door sill)
  • W6 (below left trunk hinge)
  • W7 (at right rear wheelwell)

Удаленная Цепь аварийной сигнализации Входа/Антиворовства Без ключа, Кабриолет Except (1 из 2) для Mercedes-Benz CLK320 2003

Удаленная Цепь аварийной сигнализации Входа/Антиворовства Без ключа, Кабриолет Except (1 из 2) для Mercedes-Benz CLK320 2003 - Список элементов:

  • (at left door sill) w18
  • (at left side of trunk) w6
  • (at right door sill) w19
  • (left side of trunk) rear sam control module fuse & relay module
  • Alarm signal horn (in right front wheelhouse)
  • Ata inclination sensor (left side of trunk)
  • C28
  • D in
  • Enable
  • Interior module keyless go control module (middle console between front seats)
  • Keylees go rear bumper antenna
  • Keyless go interior antenna (2005)
  • Keyless go rf antenna cable end
  • Keyless go trunk antenna
  • Keyless go trunk lid pushbutton
  • Left door handle switch
  • Left door keyless go antenna
  • Left door keyless go control module (in left door)
  • Left front opening assist motor
  • Lf1
  • Lf2
  • N.c.
  • Nca
  • Rear module keyless go control module (left side of trunk)
  • Right door handle switch
  • Right door keyless go antenna
  • Right door keyless go control module (in right door)
  • Right front opening assist motor
  • Shield
  • Signal
  • Vcc
  • W16/4 (right front of engine compt)
  • W6 (at left side of trunk)
  • X35/1
  • X35/2

Удаленная Цепь аварийной сигнализации Входа/Антиворовства Без ключа, Кабриолет Except (2 из 2) для Mercedes-Benz CLK320 2003

Удаленная Цепь аварийной сигнализации Входа/Антиворовства Без ключа, Кабриолет Except (2 из 2) для Mercedes-Benz CLK320 2003 - Список элементов:

  • (at left door sill) w18
  • (at right door sill) w19
  • (not used)
  • 15r
  • 30z
  • C19
  • C20
  • Can h
  • Can l
  • Computer data lines system
  • Computer data lines system (2005)
  • Di control module (left side of dash)
  • Diag
  • Electronic selector lever control module
  • Electronic steering lock control module (upper left footwell)
  • Front sam control module fuse & relay module (left rear of engine compt)
  • Fuse 20a
  • Hot at all times
  • Interior fuse box (left side of dash)
  • Keyless go/start push buttom (center console)
  • Left door contact switch
  • N.c.
  • Nca
  • Pnk/red
  • Red
  • Right door contact switch
  • Steering column adjustment lock indicator switch
  • Steering column control module
  • W28/2 (at right doorsill)
  • X35/33

СИСТЕМА АНТИБЛОКИРОВОЧНОЙ ТОРМОЗНОЙ СИСТЕМЫ ABS

Электросхема антиблокировочной тормозной системы АБС (ABS) для Mercedes-Benz CLK320 2003

Электросхема антиблокировочной тормозной системы АБС (ABS) для Mercedes-Benz CLK320 2003 - Список элементов:

  • +5v
  • Ba mv+
  • Ba mv-
  • Bla
  • Body computer system
  • Brake booster (bas) (near brake master cylinder)
  • Brake wear
  • C10
  • C13
  • C26
  • Can h
  • Can l
  • Computer data lines system
  • Dg1 +15v
  • Dg1-signal
  • Dg1m
  • Diag
  • Diaphragm travel sensor
  • Esp brake pressure sensor
  • Esp/bas control module
  • Front axle inlet
  • Front axle switchover
  • Front sam control module fuse & relay module (left rear of engine compt)
  • Fuse 40a
  • Fuse 50a
  • Fuse 5a
  • High- pressure return pump
  • Hold left front
  • Hot at all times
  • Inlet rear axle
  • Left front release
  • Left front wheel speed sensor
  • Left rear hold
  • Left rear wheel speed sensor
  • Ls1
  • Ls2
  • Lsr
  • Mp-
  • Mps
  • Nca
  • Rear axle switchover
  • Red
  • Release left rear
  • Release right rear
  • Release switch
  • Right front brake pad contact sensor
  • Right front hold
  • Right front release
  • Right front wheel speed sensor
  • Right rear brake pad contact sensor
  • Right rear hold
  • Right rear wheel speed sensor
  • Solenoid valve
  • Sps solenoid valve
  • Ss lf
  • Ss lr
  • Ss rf
  • Ss rr
  • Traction system hydraulic unit
  • Transmission system
  • Turnrate & lateral acceleration sensor
  • Um 1
  • Um 2
  • Vss lf
  • Vss rf
  • W16/3 (at left front of engine compt)

Электросхема антиблокировочной тормозной системы АБС (ABS), Кабриолет (1 из 3) для Mercedes-Benz CLK320 2003

Электросхема антиблокировочной тормозной системы АБС (ABS), Кабриолет (1 из 3) для Mercedes-Benz CLK320 2003 - Список элементов:

  • +5v
  • +mv
  • 26b
  • 37a
  • 37e
  • Abs mil
  • Ba mv+
  • Ba mv-
  • Bas/esp mil
  • Battery
  • Bbv vl
  • Bbv vr
  • Brake pad wear indicator
  • Can h
  • Can l
  • Computer data lines system
  • Df vl
  • Df vr
  • Dg +5v
  • Dg-signal
  • Dgm
  • Driver side fuse & relay module box (at left rear of engine compt)
  • Esp warning lamp
  • Esp/bas control module (in control module box)
  • Front axle precharge
  • Front axle switchover
  • Fuse & relay box (on left rear of engine compt)
  • Fuse 10a
  • Fuse 40a
  • Ground
  • High- pressure return pump
  • High- pressure/ return pump relay module
  • Hl av
  • Hl ev
  • Hold left front
  • Hot at all times
  • Hr av
  • Hr ev
  • Instrument cluster
  • Left front brake lining wear sensor (at left front brake caliper)
  • Left front release
  • Left front vss sensor (left front wheel hub)
  • Left rear hold
  • Low brake fluid level/parking brake indicator
  • Ls1
  • Ls2
  • Lsr
  • Mpm
  • Mps
  • Mra
  • Mru
  • Nca
  • Pnk
  • Precharge rear axle
  • Rear axle switchover
  • Red
  • Release left rear
  • Release right rear
  • Right front brake lining wear sensor (at right front brake caliper)
  • Right front hold
  • Right front release
  • Right front vss sensor (right front wheel hub)
  • Right rear hold
  • Terminal block x4 (left footwell)
  • Traction system hydraulic unit (in right component compartment)
  • Um rfp
  • Usv 1
  • Usv 2
  • Vl av
  • Vl ev
  • Vl v1
  • Vl v2
  • Vr av
  • Vr ev
  • W16/3 (left front of engine compartment)
  • W29/2 (behind right end of dash)
  • X62/6
  • X62/7

Электросхема антиблокировочной тормозной системы АБС (ABS), Кабриолет (2 из 3) для Mercedes-Benz CLK320 2003

Электросхема антиблокировочной тормозной системы АБС (ABS), Кабриолет (2 из 3) для Mercedes-Benz CLK320 2003 - Список элементов:

  • (w/ autopilot system) navigation unit & radio
  • 87a
  • Brake booster (bas) (near brake master cylinder)
  • Comand actuation, display & control unit (w/ comand actuation)
  • Esp brake pressure sensor (in engine compt, on hydraulic unit)
  • Esp off switch
  • Headlamp range adjustment control module (under front passenger's footwell foot plate)
  • Hot at all times
  • Illumination control module
  • Interior lights system
  • Membrane travel sensor
  • Nca
  • Parking brake switch (on parking brake support bracket)
  • Pnk
  • Pts control module
  • Red
  • Release switch
  • Signal
  • Solenoid valve
  • Stoplamp suppression relay module (under front passenger's footwell foot plate)
  • Terminal block x12/3 (left rear of engine compt)
  • W19 (at right front door sill)

Электросхема антиблокировочной тормозной системы АБС (ABS), Кабриолет (3 из 3) для Mercedes-Benz CLK320 2003

Электросхема антиблокировочной тормозной системы АБС (ABS), Кабриолет (3 из 3) для Mercedes-Benz CLK320 2003 - Список элементов:

  • (if equipped) tele aid & d2b telephone transmitter/ receiver control module
  • 24b
  • Ay signal
  • Bls
  • Data link connector (dlc) (dtc readout) (right rear of engine compt)
  • Df hl
  • Df hr
  • Diag
  • Driver side fuse & relay module box (left rear of engine compt)
  • Drs +12v
  • Drsm
  • Drsr
  • Drss
  • Drst
  • Electronic ignition switch control module (right of steering column)
  • Esp off sw
  • Esp/bas control module (in control module box)
  • Fsb
  • Fuse & relay box (left rear of engine compt)
  • Fuse 2 10a
  • Fuse 5a
  • Hot at all times
  • Left rear vss sensor (left rear wheel hub)
  • Lw-signal
  • Mdf hl
  • Mdf hr
  • Nca
  • Passenger side fuse & relay module box (right rear of engine compt)
  • Pnk/red
  • Polarity protection relay
  • Radio
  • Right rear vss sensor (right rear wheel hub)
  • Rotational speed & lateral acceleration sensor
  • Steering angle sensor (behind instrument cluster)
  • Stoplamp switch (on brake pedal bracket assembly)
  • Vss lf
  • Vss rf
  • W1 (behind left end of dash)
  • W16/4 (right component compartment)
  • X62/1
  • X62/2

СИСТЕМА КОНДИЦИОНЕРА

Электросхема кондиционера для Mercedes-Benz CLK320 2003

Электросхема кондиционера для Mercedes-Benz CLK320 2003 - Список элементов:

  • (in left front of engine compt) refrigerant pressure & temperature sensor
  • 12v
  • 15 ges.
  • A/c recir- culation unit (right side of dash)
  • A/c recirculation unit (right side of dash)
  • Aac pushbutton control module (lower center console)
  • Automatic climate control multifunction sensor (right rear of engine compt)
  • Automatic climate control sun sensor (rear of engine hood)
  • Blower motor
  • Blower regulator
  • C15
  • C19
  • C20
  • Can h
  • Can l
  • Computer data lines system
  • Data out
  • Evaporator temperature sensor (left front footwell)
  • Fresh air/recirculated air flaps actuator motor (under glove box)
  • Front sam control module fuse & relay module (left rear of engine compt)
  • Fuse 15a
  • Fuse 40a
  • Fuse 7.5a
  • Hot at all times
  • Instrument cluster
  • Interior fuse box (left side of dash)
  • Left footwell flap actuator motor (behind instru- ment panel)
  • Left blending air flap actuator (left side of dash)
  • Left defroster vent flap actuator motor (right side of instrument panel)
  • Left fresh air flap actuator (front middle console)
  • Nca
  • Rear blower electronic selector wheel
  • Rear blower motor (in middle console)
  • Rear blower motor control module (lower center console)
  • Red
  • Right footwell flap actuator motor (right side of dash)
  • Right blending air flap actuator (under glove box)
  • Right defroster vent flap actuator motor (center of dash)
  • Right fresh air flap actuator (front middle console)
  • Signal
  • Upper control panel control module (upper center cockpit)
  • W16/4 (right front of engine compt)
  • W28/1 (at left doorsill)

Электросхема кондиционера, Кабриолет (1 из 2) для Mercedes-Benz CLK320 2003

Электросхема кондиционера, Кабриолет (1 из 2) для Mercedes-Benz CLK320 2003 - Список элементов:

  • (behind left end of dash) w1
  • 12v
  • 15x
  • 20b
  • 25b
  • 26a
  • 38a
  • A/c compressor (behind left of front bumper)
  • A/c pushbutton control module
  • Aspirator blower
  • Aux fan
  • Cabriolet
  • Cmpr cltch
  • Coolant circulation pump (at right front of engine compartment)
  • Coupe
  • Data
  • Data link (partial) (right rear of engine compartment)
  • Diag
  • Driver side fuse & relay module box (left rear of engine compartment)
  • Duovalve (in right component compartment)
  • Fuse & relay box (left rear of engine compartment)
  • Fuse 10a
  • Fuse 15a
  • Fuse 30a
  • Hot at all times
  • Hot in run or start
  • In-car temperature sensor
  • In-car temperature sensor (front center of roof)
  • Instrument cluster
  • Left side water valve
  • Nca
  • Pnk
  • Pump
  • R valve
  • Ref temp
  • Refrigerant pressure sensor (at left front corner of engine compartment)
  • Right side water valve
  • Rwd on/off
  • Switchover valve block (behind right side of dash)
  • Valve

Электросхема кондиционера, Кабриолет (2 из 2) для Mercedes-Benz CLK320 2003

Электросхема кондиционера, Кабриолет (2 из 2) для Mercedes-Benz CLK320 2003 - Список элементов:

  • (behind left end of dash) w1
  • (left front of engine compartment) w16/3
  • 15x
  • B10
  • B11
  • B12
  • Blower motor
  • Blower regulator
  • Can h
  • Can l
  • Computer data lines system
  • Coupe cabriolet
  • Driver side fuse & relay module box (left rear of engine compartment)
  • Electronic ignition switch control module (right of steering column)
  • Engine control module (me-sfi) (in right component compartment)
  • Engine/climate control electric cooling fan (behind radiator)
  • Engine/climate control electric cooling fan control module (if equipped) (in trunk, next to battery)
  • Evaporator temperature sensor (behind left side of dash)
  • Heater core temperature sensor (behind center of dash)
  • Heater system air circulation unit
  • Hot at all times
  • Left front signal pickup & activation module (sam) (left rear of engine compt)
  • Nca
  • Power soft top (r/b) control module
  • Red
  • Refrigerant temperature sensor (at left front of engine compartment)
  • Terminal block x4 (below left side of dash)

СИСТЕМА КРУИЗКОНТРОЛЯ

Электросхема системы круизконтроля, Кабриолет для Mercedes-Benz CLK320 2003

Электросхема системы круизконтроля, Кабриолет для Mercedes-Benz CLK320 2003 - Список элементов:

  • Accel/set
  • Cruise control switch
  • Ctrl contact
  • Decel/set
  • Electronic ignition switch control module (right of steering column)
  • Engine control module (me-sfi) (in control module box)
  • Hot at all times
  • Memory recall
  • Off
  • Pedal value sensor
  • Red
  • Terminal block x4 (left footwell)
  • Throttle valve actuator (top rear of engine)
  • W1 (behind left end of dash)

Электросхема системы круизконтроля, Кабриолет Except для Mercedes-Benz CLK320 2003

Электросхема системы круизконтроля, Кабриолет Except для Mercedes-Benz CLK320 2003 - Список элементов:

  • (at left doorsill) w18 (at right doorsill) w19
  • (at left footwell) data link connector
  • 58d
  • Accelerator pedal sensor
  • C21
  • Can h
  • Can l
  • Computer data lines system
  • Coupe convertible
  • Cruise control switch
  • Data +
  • Data -
  • Dtr control module (at right kick panel)
  • Dtr radar sensor (behind grill)
  • Front sam control module fuse & relay module (left rear of engine compt)
  • Fuse 7.5a
  • Grd
  • Hot at all times
  • Lower control field control module (upper center cockpit)
  • M +
  • M -
  • Me-sfi (me) control module (left side of engine)
  • Nca
  • P +
  • P -
  • Pnk
  • Sp1m
  • Sp1s
  • Sp2m
  • Sp2s
  • Steering column control module
  • Throttle valve actuator (left side of engine compt)
  • Upper control panel control module (upper center cockpit)
  • Usp1
  • Vf +
  • Vf -
  • W18 (at left doorsill)

СИСТЕМА ОХЛАЖДЕНИЯ

Электросхема системы охлаждения для Mercedes-Benz CLK320 2003

Электросхема системы охлаждения для Mercedes-Benz CLK320 2003 - Список элементов:

  • (left front of engine compt) w9
  • C15
  • Coolant circulation pump (in right front of engine compt)
  • Coolant level indicator switch
  • Coolant temperature sensor
  • Electric suction fan, engine & ac with integrated control (front engine compt, behind grille)
  • Front prefuse box (right rear of engine compt)
  • Front sam control module fuse & relay module (left rear of engine compt)
  • Fuse 125a
  • Fuse 7.5a
  • Hot at all times
  • Me-sfi (me) control module (left side of engine)
  • Red
  • W16/4 (right front of engine compt)
  • Windshield washer fluid level indicator switch

Электросхема системы охлаждения, Кабриолет для Mercedes-Benz CLK320 2003

Электросхема системы охлаждения, Кабриолет для Mercedes-Benz CLK320 2003 - Список элементов:

  • 38a
  • Clk 320
  • Clk 430
  • Engine control module (me-sfi) (in right component compartment)
  • Engine/climate control electric cooling fan (behind radiator)
  • Engine/climate control electric cooling fan control module (in trunk, next to battery)
  • Fuse & relay box (left rear of engine compartment)
  • Fuse 38 30a
  • Hot at all times
  • Left front signal pickup & activation module (sam) (left rear of engine compt)
  • Nca
  • W16/3 (left front of engine compt)

СИСТЕМА ПЕРЕДАЧИ ДАННЫХ

схема соединителя канала связи для Mercedes-Benz CLK320 2003

схема соединителя канала связи для Mercedes-Benz CLK320 2003 - Список элементов:

  • C10
  • C11
  • C20
  • C21
  • C24
  • Command operating, display & control module
  • D2b telephone & tele aid transmitter/ receiver (2003)
  • Data link connector (at left footwell)
  • Di control module (2003)
  • Di control module (2004 & 2005)
  • Dtr control module (at right kick panel) (2003)
  • Electronic selector lever control module (2003)
  • Esp/bas control module (in left side of engine compt) (2003)
  • Etc control module (behind right kick panel)
  • Front sam control module fuse & relay module (right rear of engine compt)
  • Fuse 5a
  • Hot at all times
  • J10
  • Left front headlamp unit
  • Me-sfi (me) control module (left side of engine)
  • Navigation system (2004 & 2005)
  • Pnk
  • Pnk/red
  • Radio
  • Radio & navigation unit
  • Right front headlamp unit
  • W/ auto pilot circuit
  • W/ command actuation circuit
  • W/ radio circuit
  • W16/3 (left front of engine compt)
  • W16/5 (left front of engine compt)

схема соединителя канала связи, Кабриолет для Mercedes-Benz CLK320 2003

схема соединителя канала связи, Кабриолет для Mercedes-Benz CLK320 2003 - Список элементов:

  • (left rear of engine compt) driver's side fuse & relay module box
  • A/c pushbutton control module
  • Can h
  • Can l
  • Comand actuation display & control unit
  • Data link connector (dlc) (dtc readout) (right rear of engine compt)
  • Diag
  • Diagnostic module (obd ii) generic scan tool connector (left end of dash)
  • Electronic ignition switch control module (right of steering column)
  • Electronic selector lever control module
  • Engine control module (me-sfi) (in right component compartment)
  • Esp/bas control module (in control module box)
  • Fuse 1 7.5a
  • Fuse 4 15a
  • Headlamp range adjustment control module (under front passenger's footwell foot plate)
  • Hot at all times
  • Hot in run or start
  • Instrument cluster
  • Lambda
  • Navigation unit & radio
  • P/n
  • Passenger's side fuse & relay module box (right rear corner of engine compt)
  • Passenger's side fuse & relay module box (right rear of engine compartment)
  • Radio
  • Srs control module (on transmission tunnel forward of shifter)
  • Tele aid & d2b telephone transmitter/receiver control module
  • Transmission control module (under front passenger's footwell foot plate)
  • Ultrasonic pts control module (under front passenger's footwell foot plate)
  • W16/4 (in right component compartment)
  • W16/6 (in right component compartment)

высокая/Низкая Автобусная Схема (1 из 4) для Mercedes-Benz CLK320 2003

высокая/Низкая Автобусная Схема (1 из 4) для Mercedes-Benz CLK320 2003 - Список элементов:

  • 2004 & 2005
  • 2004 & 2005 convertible
  • C10
  • C11
  • Can connector (left footwell)
  • Can h
  • Can l
  • Coupe
  • D2b telephone & tele aid transmitter/receiver (2003)
  • Front passenger side door control module (in right front door)
  • J10
  • Passenger front esa control module (under right front seat) (w/ memory)
  • Pts control module (behind right kick panel)
  • Pts control module (behind right kick panel) (2003)
  • Restraint system control module (in center console) (2003)
  • Right can connector (right footwell)
  • Tire pressure monitoring control module
  • Weight sensing system control module (under right front seat)

высокая/Низкая Автобусная Схема (2 из 4) для Mercedes-Benz CLK320 2003

высокая/Низкая Автобусная Схема (2 из 4) для Mercedes-Benz CLK320 2003 - Список элементов:

  • Aac pushbutton control module (lower center console)
  • C10
  • C11
  • C20
  • Can h
  • Can l
  • Cockpit can connector (left footwell)
  • Di control module
  • Front sam control module fuse & relay module (left rear of engine compt)
  • Instrument cluster
  • Lower control field control module (upper center cockpit)
  • Overhead control panel control module
  • Steering control module (behind steering wheel, in column)
  • Upper control panel control module (upper center cockpit)

высокая/Низкая Автобусная Схема (3 из 4) для Mercedes-Benz CLK320 2003

высокая/Низкая Автобусная Схема (3 из 4) для Mercedes-Benz CLK320 2003 - Список элементов:

  • 2003 convertible
  • 2004 & 2005 convertible
  • 2004 & 2005 coupe
  • C10
  • C11
  • C18
  • Can connector (left footwell)
  • Can h
  • Can l
  • Command operating, display & control unit
  • Driver front esa control module (under driver's seat) (w/ memory)
  • Front passenger side door control module (in right front door) (2004 & 2005)
  • Front sam control module fuse & relay module (left rear of engine compartment)
  • Left front door control module (in left front door)
  • Overhead control panel control module
  • Overhead control panel control module (2003 coupe)
  • Pts control module (behind right kick panel) (2004 & 2005 coupe)
  • Radio
  • Radio & navigation unit
  • Rear control module (left side of trunk)
  • Rear sam control module fuse & relay module (left side of trunk)
  • Restraint system control module (in center console) (2004 & 2005)
  • Right can connector (right footwell)
  • Tlc control module
  • W/ auto pilot circuit
  • W/ command actuation circuit
  • W/ radio circuit
  • Weight sensing system control unit

высокая/Низкая Автобусная Схема (4 из 4) для Mercedes-Benz CLK320 2003

высокая/Низкая Автобусная Схема (4 из 4) для Mercedes-Benz CLK320 2003 - Список элементов:

  • (left side of engine) me-sfi (me) control module
  • 2004 & 2005
  • C10
  • C11
  • Can connector (left footwell)
  • Can h
  • Can l
  • Di control module
  • Dtr control module (at right kick panel)
  • Electronic selector lever control module
  • Esp/bas control module (in left side of engine compt)
  • Etc control module (behind right kick panel)
  • Instrument cluster
  • Steering column module (behind steering wheel)
  • W28/1 (at left doorsill)

высокая/Низкая Автобусная Схема, Кабриолет для Mercedes-Benz CLK320 2003

высокая/Низкая Автобусная Схема, Кабриолет для Mercedes-Benz CLK320 2003 - Список элементов:

  • Cabriolet
  • Can connector
  • Can h
  • Can l
  • Electronic ignition switch control module (right of steering column)
  • Front driver side door control module (front of left front door)
  • Front passenger side door control module (front of right front door)
  • Left front esa control module
  • Left front signal pickup & activation module (sam) (left rear of engine compt)
  • Lower control field control module
  • Power soft top control module
  • Pse control module (right rear of trunk)
  • Right front esa control module
  • Roof control unit control module
  • W/ memory

СИСТЕМА УПРАВЛЕНИЯ ДВИГАТЕЛЯ


3.2L

3.2L, Электросхема системы управления двигателем (1 из 3) для Mercedes-Benz CLK320 2003

3.2L, Электросхема системы управления двигателем (1 из 3) для Mercedes-Benz CLK320 2003 - Список элементов:

  • Accelerator pedal sensor
  • Computer data lines system
  • Cooling fans system
  • Data link connector (at left footwell)
  • Front sam control module fuse & relay module (left rear of engine compt)
  • Fuse 5a
  • Hot at all times
  • Left oxygen sensor 1 (before twc) (left rear of rear of eng compt)
  • Left oxygen sensor 2 (after twc) (under left front of vehicle)
  • Me-sfi (me) control module (left side of engine)
  • Nca
  • Purge control valve (left front of engine compt)
  • Red
  • Right oxygen sensor 1 (before twc) (right rear of rear of eng compt)
  • Right oxygen sensor 2 (after twc) (under right front of vehicle)
  • Starting/charging system
  • W16/5 (left front of engine compt)

3.2L, Электросхема системы управления двигателем (2 из 3) для Mercedes-Benz CLK320 2003

3.2L, Электросхема системы управления двигателем (2 из 3) для Mercedes-Benz CLK320 2003 - Список элементов:

  • (at left front of engine compt) w16/3
  • (front center of engine compt) shifting induction pipe switchover valve
  • (on right front of engine compt) air pump switchover valve
  • (right rear of engine compt) egr pressure transducer
  • Activated charcoal canister shut-off valve (near right rear wheelhouse)
  • Air pump relay
  • C13
  • C17
  • Camshaft hall-effect sensor (on right front of engine compt)
  • Crankshaft position sensor (left rear of engine)
  • Electric air pump (front center of engine)
  • Front sam control module fuse & relay module (left rear of engine compt)
  • Fuel pump (under left rear seat)
  • Fuel pump relay module
  • Fuel tank pressure sensor (under left rear seat)
  • Fuse 15a
  • Fuse 30a
  • Fuse 40a
  • Hot at all times
  • Hot film maf sensor (at center rear of engine compt)
  • Hot in run or start
  • Kickdown switch (under accelerator pedal)
  • Pnk
  • Rear sam control module fuse & relay module (left side of trunk)
  • Throttle valve actuator (left side of engine compt)
  • W11/3 (left side of engine compt)
  • W18 (at left doorsill)

3.2L, Электросхема системы управления двигателем (3 из 3) для Mercedes-Benz CLK320 2003

3.2L, Электросхема системы управления двигателем (3 из 3) для Mercedes-Benz CLK320 2003 - Список элементов:

  • (front center of engine) ect sensor
  • (on front bottom of engine) oil sensor
  • (right front of engine) pressure sensor
  • C17
  • Electrolytic capacitor (left front of engine compt)
  • Front sam control module fuse & relay module (left rear of engine compt)
  • Fuel injectors
  • Fuse 15a
  • Hot in run or start
  • Ign coil
  • Ign coil coil
  • Left knock sensor 2 (left side of engine, under intake manifold)
  • Me-sfi (me) control module (left side of engine)
  • Pnk
  • Right knock sensor 1 (right side of engine, under intake manifold)
  • Shield
  • To spark plugs
  • W11/3 (left side of engine)

3.2L, Электросхема системы управления двигателем, Кабриолет (1 из 3) для Mercedes-Benz CLK320 2003

3.2L, Электросхема системы управления двигателем, Кабриолет (1 из 3) для Mercedes-Benz CLK320 2003 - Список элементов:

  • Computer data lines system
  • Cooling fans system
  • Data link connector (right rear of engine compt)
  • Diagnostic
  • Engine control module (me-sfi) (in right component compartment)
  • Hot at all times
  • Left oxygen sensor 1 (before twc) (left rear of rear of eng compt)
  • Left oxygen sensor 2 (after twc) (left rear of rear of eng compt)
  • Module (obdii) generic scan tool connector (under left side of dash)
  • Nca
  • Passenger fuse & relay module box (right rear of engine compt)
  • Pedal value sensor
  • Purge control valve (left front of engine compt)
  • Right oxygen sensor 1 (before twc) (right rear of rear of eng compt)
  • Right oxygen sensor 2 (after twc) (left rear of rear of eng compt)
  • Starting/charging system
  • W16/6 (right rear corner of eng compt)

3.2L, Электросхема системы управления двигателем, Кабриолет (2 из 3) для Mercedes-Benz CLK320 2003

3.2L, Электросхема системы управления двигателем, Кабриолет (2 из 3) для Mercedes-Benz CLK320 2003 - Список элементов:

  • (center rear of engine compt) egr pressure transducer
  • (in right component compartment) w16/4
  • (left front of engine compt) shifting induction pipe switchover valve
  • Activated charcoal canister shut-off valve (at left rear wheelwell)
  • Air pump relay module
  • Camshaft hall-effect sensor (front of right cylinder bank)
  • Ckp sensor (left rear of engine)
  • Electric air pump (front of engine)
  • Exhaust flap switchover valve
  • Fuel pump
  • Fuel pump relay module (in trunk, near right wheelwell)
  • Fuel pump with fuel level sensor (right rear of vehicle)
  • Fuel tank pressure sensor (behind trim on fuel filler pipe)
  • Fuse 15a
  • Fuse 25a
  • Fuse 40a
  • Hot at all times
  • Hot film maf sensor (top rear of engine)
  • Hot in run or start
  • Kickdown switch (under accelerator pedal)
  • Passenger fuse & relay module box (right rear of engine compt)
  • Pnk
  • Rear fuse box (in trunk, against right wheelwell)
  • Throttle valve control element (top rear of engine)
  • W16/4 (in right component compartment)
  • W18 (under driver's seat)

3.2L, Электросхема системы управления двигателем, Кабриолет (3 из 3) для Mercedes-Benz CLK320 2003

3.2L, Электросхема системы управления двигателем, Кабриолет (3 из 3) для Mercedes-Benz CLK320 2003 - Список элементов:

  • (front center of engine) ect sensor
  • (right front of engine) oil sensor
  • (right front of engine) pressure sensor
  • Electrolytic capacitor
  • Engine control module (me-sfi) (in right component compartment)
  • Fuel injectors
  • Fuse 15a
  • Fuse 20a
  • Hot in run or start
  • Ign coil
  • Ign coil coil
  • Knock sensor 1 (top center of right cyl bank)
  • Knock sensor 2 (top center of left cyl bank)
  • Passenger side fuse & relay module box (right rear of engine compt)
  • Pnk
  • Shield
  • To spark plugs
  • W11/3 (left side of engine)

СИСТЕМА УСИЛИТЕЛЯ РУЛЯ

Электросхема усилителя руля, Кабриолет Except для Mercedes-Benz CLK320 2003

Электросхема усилителя руля, Кабриолет Except для Mercedes-Benz CLK320 2003 - Список элементов:

  • (at right doorsill) w28/2
  • 30z
  • C19
  • Can h
  • Can l
  • Clock spring contact
  • Combination switch
  • Computer data lines system
  • Cruise control switch
  • Di control module
  • Electronic selector lever module control module
  • Front sam control module fuse & relay module (left rear of engine compt)
  • Horns system
  • N.c.
  • Nca
  • Red
  • Steering angle sensor
  • Steering column adjusment switch
  • Steering column control module
  • W28/1 (at left doorsill)

Система Фар

Электросхема фар, Кабриолет withXenon Lamps (1 из 2) для Mercedes-Benz CLK320 2003

Электросхема фар, Кабриолет withXenon Lamps (1 из 2) для Mercedes-Benz CLK320 2003 - Список элементов:

  • 19b
  • 19e
  • 22b
  • Arm rest parcel tray illumination
  • Combination switch
  • Electronic ignition switch control module (right of steering column)
  • Exterior lamp failure ind
  • Exterior lights system
  • Fog
  • Fuse & relay box (left rear of engine compartment)
  • Fuse 10a
  • Fuse 5a
  • Headlamp flasher/ high beam switch
  • High beam ind
  • Hot at all times
  • Hot in accy, run, or start
  • Illumination control module (behind left side of dash, part of headlight switch)
  • Instrument cluster
  • Instrument cluster system
  • Left fog lamp
  • Left taillamp unit
  • Navigation system (parktronic system)
  • Nca
  • Nca 15r
  • Nca 56a
  • P30
  • Pneumatic system equipment control module (right rear of trunk)
  • Pnk/red
  • Red
  • Right fog lamp
  • Terminal block (x4) (left footwell)
  • W1 (behind left end of dash)
  • W16/3 (left front of engine compartment)
  • W16/4 (right component compartment)
  • W18 (under driver's seat)
  • W7 (at right rear wheelwell)

Электросхема фар, Кабриолет withXenon Lamps (2 из 2) для Mercedes-Benz CLK320 2003

Электросхема фар, Кабриолет withXenon Lamps (2 из 2) для Mercedes-Benz CLK320 2003 - Список элементов:

  • (right rear of engine compartment)
  • (under front passenger's footwell plate)
  • 13b
  • Anti-lock brakes system
  • Data link connector (dlc)
  • Front axle sensor (headlamp range adjustment) (at right front wheelwell)
  • Fuse & relay box (on left rear of engine compartment)
  • Fuse 15a
  • Headlamp range adjustment control module
  • High beam
  • Hot in run or start
  • Left headlamp unit
  • Low beam xenon
  • Nca
  • Rear axle sensor (headlamp range adjustment)
  • Right headlamp unit
  • Standing/ parking
  • W16/3 (left front of engine compartment)
  • W16/4 (right component compartment)
  • W29/2 (behind right end of dash)

Электросхема фар, Кабриолет without Xenon Lamps (1 из 2) для Mercedes-Benz CLK320 2003

Электросхема фар, Кабриолет without Xenon Lamps (1 из 2) для Mercedes-Benz CLK320 2003 - Список элементов:

  • 19b
  • 19e
  • 22b
  • Arm rest parcel tray illumination
  • Combination switch
  • Electronic ignition switch control module (right of steering column)
  • Exterior lights system
  • Fog
  • Fuse & relay box (left rear of engine compartment)
  • Fuse 10a
  • Fuse 5a
  • Headlamp flasher/ high beam switch
  • Hot at all times
  • Hot in accy, run, or start
  • Illumination control module (behind left side of dash, part of headlight switch)
  • Instrument cluster system
  • Left fog lamp
  • Left taillamp unit
  • Navigation system (parktronic system)
  • Nca
  • Nca 15r
  • Nca 56a
  • P30
  • Pneumatic system equipment control module (right rear of trunk)
  • Pnk/red
  • Red
  • Right fog lamp
  • Terminal block (x4) (left footwell)
  • W1 (behind left end of dash)
  • W16/3 (left front of engine compartment)
  • W16/4 (right component compartment)
  • W18 (under driver's seat)
  • W7 (at right rear wheelwell)

Электросхема фар, Кабриолет without Xenon Lamps (2 из 2) для Mercedes-Benz CLK320 2003

Электросхема фар, Кабриолет without Xenon Lamps (2 из 2) для Mercedes-Benz CLK320 2003 - Список элементов:

  • Exterior lamp failure ind
  • High beam
  • High beam ind
  • Instrument cluster
  • Left headlamp unit
  • Low beam
  • Right headlamp unit
  • Standing/ parking
  • W1 (behind left end of dash)
  • W16/3 (left front of engine compartment)
  • W16/4 (right component compartment)

Электросхема фар, С ксеноновые лампы для Mercedes-Benz CLK320 2003

Электросхема фар, С ксеноновые лампы для Mercedes-Benz CLK320 2003 - Список элементов:

  • (left front of engine compt) w9
  • C20
  • C24
  • Can h
  • Can l
  • Combination switch
  • Computer data lines system
  • Front axle sensor
  • Front sam control module fuse & relay module (left rear of engine compt)
  • Fuse f51 7.5a
  • High
  • High beam indicator
  • Hot at all times
  • Instrument cluster
  • L/r turn sig sw headlamp flasher/ high beam sw
  • Left fog lamp
  • Left front headlight unit
  • Low
  • Nca
  • Park
  • Rear axle sensor
  • Right fog lamp
  • Right front headlight unit
  • Steering column control module
  • Turn
  • W16/4 (right front of engine compt)
  • W9 (left front of engine compt)

Электросхема фар, без Ксеноновые лампы для Mercedes-Benz CLK320 2003

Электросхема фар, без Ксеноновые лампы для Mercedes-Benz CLK320 2003 - Список элементов:

  • (left front of engine compt) w9
  • C20
  • Can h
  • Can l
  • Combination switch
  • Computer data lines system
  • Front sam control module fuse & relay module (left rear of engine compt)
  • High
  • High beam indicator
  • Instrument cluster
  • L/r turn sig sw headlamp flasher/ high beam sw
  • Left fog lamp
  • Left front headlight unit
  • Low
  • Nca
  • Park
  • Right fog lamp
  • Right front headlight unit
  • Steering column control module
  • Turn
  • W16/4 (right front of engine compt)
  • W9 (left front of engine compt)

СИСТЕМЫ ПАМЯТИ

Электросхема памяти водительского сиденья для Mercedes-Benz CLK320 2003

Электросхема памяти водительского сиденья для Mercedes-Benz CLK320 2003 - Список элементов:

  • (2003)
  • (2003) (2004 & 2005)
  • (2004 & 2005)
  • Backrest motor
  • C10
  • C11
  • Can h
  • Can l
  • Computer data lines system
  • Driver front seat adjustment control module
  • Driver seat backrest release microswitch
  • Driver seat height release microswitch
  • Forward/ back longitudinal adjustment motor
  • Forward/ back motor
  • Front up/down motor
  • Fuse 27 fuse 29 30a
  • Height adjustment up/down motor
  • Hh (+)
  • Hh (-)
  • Hot at all times
  • Hv (+)
  • Hv (-)
  • Interior fuse box (left side of dash)
  • Left door seat adjustment switch
  • Left front door control module (in left front door)
  • Lk (+)
  • Lk (-)
  • Lv (+)
  • Lv (-)
  • Mhh (+)
  • Mhh (-)
  • Mhv (+)
  • Mhv (-)
  • Mlk (+)
  • Mlk (-)
  • Mlv (+)
  • Mlv (-)
  • Rear up/down motor
  • Red
  • W18 (at left doorsill)

Электросхема памяти водительского сиденья, Кабриолет для Mercedes-Benz CLK320 2003

Электросхема памяти водительского сиденья, Кабриолет для Mercedes-Benz CLK320 2003 - Список элементов:

  • (under driver's seat) w18
  • Backrest fore/aft
  • Backrest unlocking motor
  • Can connector
  • Can h
  • Can l
  • Computer data lines
  • Fore/aft
  • Front driver's side door control module (front of left front door)
  • Front raise/lower
  • Fuse & relay box (left rear of engine compt)
  • Fuse 25a
  • Fuse 30a
  • Ground
  • Head restraint
  • Hot at all times
  • Illumination (3 led's)
  • Left front backrest fore/aft motor
  • Left front electronic seat adjustment control module
  • Left front electronic seat adjustment switch
  • Left front seat fore/ aft motor
  • Left front seat front raise/lower motor
  • Left front seat rear raise/lower motor
  • Left front seatback inclination microswitch
  • Left front seatback release microswitch
  • Left head restraint raise/lower motor
  • Memory 1
  • Memory 2
  • Memory 3
  • Memory store
  • Nca
  • Rear fuse box (in trunk, against right wheelwell)
  • Rear raise/lower
  • Red
  • W18 (under driver's seat)

Электросхем памяти регулировки зеркал заднего вида для Mercedes-Benz CLK320 2003

Электросхем памяти регулировки зеркал заднего вида для Mercedes-Benz CLK320 2003 - Список элементов:

  • Can h
  • Can l
  • Computer data lines system
  • Exterior lights system
  • Front passenger side door control module (in right front door)
  • Fuse 30a
  • Hot at all times
  • Interior fuse box (left side of dash)
  • Left door seat adjustment switch
  • Left front door control module (in left front door)
  • Left outside rearview mirror
  • Nca
  • Pnk/red
  • Red
  • Right door seat adjustment switch
  • Right outside rearview mirror

Электросхем памяти регулировки зеркал заднего вида, Кабриолет для Mercedes-Benz CLK320 2003

Электросхем памяти регулировки зеркал заднего вида, Кабриолет для Mercedes-Benz CLK320 2003 - Список элементов:

  • (at right front door sill)
  • 17b
  • Can connector
  • Can h
  • Can l
  • Computer data lines
  • Electronic selector lever module control module
  • Exterior lights system
  • Front driver side door control module (front of left front door)
  • Front passenger side door control module (front of right front door)
  • Fuse & relay box (left rear of engine compt)
  • Fuse 20a
  • Fuse 30a
  • Fuse 7.5a
  • Ground
  • Hot at all times
  • Hot in run, acc or start
  • Illumination (3 led's)
  • Illumination control module
  • Interior lights
  • Left front electronic seat adjustment switch
  • Left outside rearview mirror
  • Lower control field control module
  • Memory 1
  • Memory 2
  • Memory 3
  • Memory store
  • Outside rearview folding mirror switch
  • Pnk/red
  • Power mirror switch control
  • Red
  • Right front electronic seat adjustment switch
  • Right outside rearview mirror
  • W18 (under driver's seat)
  • W19
  • W19 (at right front door sill)

Электросхема памяти пассажирского сиденья для Mercedes-Benz CLK320 2003

Электросхема памяти пассажирского сиденья для Mercedes-Benz CLK320 2003 - Список элементов:

  • Backrest motor
  • C10
  • C11
  • Can h
  • Can l
  • Computer data lines system
  • Driver front seat adjustment control module
  • Driver seat backrest release microswitch
  • Driver seat height release microswitch
  • Forward/ back motor
  • Front passenger side door control module (in right front door)
  • Front up/down motor
  • Fuse 30a
  • Hh (+)
  • Hh (-)
  • Hot at all times
  • Hv (+)
  • Hv (-)
  • Interior fuse box (left side of dash)
  • Lk (+)
  • Lk (-)
  • Lv (+)
  • Lv (-)
  • Mhh (+)
  • Mhh (-)
  • Mhv (+)
  • Mhv (-)
  • Mlk (+)
  • Mlk (-)
  • Mlv (+)
  • Mlv (-)
  • Rear up/down motor
  • Red
  • Right door seat adjustment switch
  • W19 (at right doorsill)

Электросхема памяти пассажирского сиденья, Кабриолет для Mercedes-Benz CLK320 2003

Электросхема памяти пассажирского сиденья, Кабриолет для Mercedes-Benz CLK320 2003 - Список элементов:

  • (under driver's seat) w18
  • 17b
  • Backrest fore/aft
  • Backrest unlocking motor
  • Can connector
  • Can h
  • Can l
  • Computer data lines
  • Fore/aft
  • Front passenger's side door control module (front of right front door)
  • Front raise/lower
  • Fuse & relay box (left rear of engine compt)
  • Fuse 25a
  • Fuse 30a
  • Ground
  • Head restraint
  • Hot at all times
  • Illumination (3 led's)
  • Memory 1
  • Memory 2
  • Memory 3
  • Memory store
  • Nca
  • Rear fuse box (in trunk, against right wheelwell)
  • Rear raise/lower
  • Red
  • Right front backrest fore/aft motor
  • Right front electronic seat adjustment control module
  • Right front electronic seat adjustment switch
  • Right front seat fore/ aft motor
  • Right front seat front raise/lower motor
  • Right front seat rear raise/lower motor
  • Right front seatback inclination microswitch
  • Right front seatback release microswitch
  • Right head restraint raise/lower motor
  • W/ frame floor system
  • W/o frame floor system
  • W19 (at right front door sill)

СИСТЕМЫ СИДЕНИЙ

Электросхема подголовника для Mercedes-Benz CLK320 2003

Электросхема подголовника для Mercedes-Benz CLK320 2003 - Список элементов:

  • C26
  • Driver neck-pro head restraint solenoid
  • Front passenger neck-pro head restraint solenoid
  • Neck-pro head restraints triggering device
  • Rear sam control module fuse & relay module (left side of trunk)
  • W18 (at left doorsill)

Электросхема подогрева сидений для Mercedes-Benz CLK320 2003

Электросхема подогрева сидений для Mercedes-Benz CLK320 2003 - Список элементов:

  • 2004 & 2005
  • Fuse 30a
  • Hot at all times
  • Interior fuse box (left side of dash)
  • Left front backrest heater element
  • Left front seat cushion heater element
  • N.c.
  • Nca
  • Right front backrest heater element
  • Right front seat cushion heater element
  • Upper control panel control module (upper center cockpit)
  • W18 (at left doorsill)
  • W19 (at right door sill) w18 (at left doorsill)

Электросхема подогрева сидений, Кабриолет для Mercedes-Benz CLK320 2003

Электросхема подогрева сидений, Кабриолет для Mercedes-Benz CLK320 2003 - Список элементов:

  • 11b
  • 58d
  • Cockpit switch group
  • Front heated seat control module
  • Fuse & relay box (left rear of engine compt)
  • Fuse 20a
  • Fuse 5a
  • Hot at all times
  • Hot in acc, run or start
  • Interior lights system
  • Left front backrest heater element
  • Left front heated seat switch
  • Left front seat cushion heater element
  • Pnk
  • Right front backrest heater element
  • Right front heated seat switch
  • Right front seat cushion heater element
  • W18 (under driver's seat)
  • W19 (at right front door sill)

задняя схема подголовника для Mercedes-Benz CLK320 2003

задняя схема подголовника для Mercedes-Benz CLK320 2003 - Список элементов:

  • Can connector
  • Cockpit switch
  • Fuse 30a
  • Hot at all times
  • Interior lights system
  • Left front signal pick-up & activation module (left rear of engine compt)
  • Pneumatic system equipment (pse) control module (right side rear of trunk)
  • Rear fuse box (in trunk, against right wheelwell)
  • Rear head rest unlocking switch
  • W18 (under driver's seat)
  • W7 (at right rear wheelwell)

Стартер Генератор

Электросхема Генератора для Mercedes-Benz CLK320 2003

Электросхема Генератора для Mercedes-Benz CLK320 2003 - Список элементов:

  • Battery
  • C18
  • Front sam control module fuse & relay module (left rear of engine comtp)
  • Generator
  • Me-sfi (me) control module (left side of engine)
  • Starter
  • W10 (at right rear of engine compt)

Электросхема Генератора, Кабриолет для Mercedes-Benz CLK320 2003

Электросхема Генератора, Кабриолет для Mercedes-Benz CLK320 2003 - Список элементов:

  • 19b
  • Battery
  • Charge indicator
  • Fuse & relay box (left rear of engine compt)
  • Fuse 5a
  • Generator
  • Hot in run or start
  • Instrument cluster
  • Passenger side fuse & relay module box (right rear of engine compt)
  • Starter
  • Terminal block x4 (left footwell)
  • W10 (right rear of trunk)

Электросхема стартера для Mercedes-Benz CLK320 2003

Электросхема стартера для Mercedes-Benz CLK320 2003 - Список элементов:

  • Battery
  • C17
  • C19
  • Circuit 87 relay, engine
  • Di control module
  • Engine controls system
  • Front prefuse box (right rear of engine compt)
  • Front sam control module fuse & relay module (left rear of engine compt)
  • Fuse 15a
  • Fuse 60a
  • Generator
  • Hot at all times
  • Me-sfi (me) control module (left side of engine)
  • Pnk/red
  • Red
  • Starter
  • Starter relay
  • W10 (at right rear of engine compt)
  • W16/3 (at left front of engine compt)

Электросхема стартера, Кабриолет для Mercedes-Benz CLK320 2003

Электросхема стартера, Кабриолет для Mercedes-Benz CLK320 2003 - Список элементов:

  • 87m1
  • Battery
  • Driver- side fuse & relay module box (left rear of engine compt)
  • Electronic ignition switch control module
  • Engine control module (me-sfi) (in right component compartment)
  • Generator
  • Passenger- side fuse & relay module box (right rear of engine compt)
  • Pnk/red
  • Red
  • Starter
  • Starter relay
  • Terminal block x4 (left footwell)
  • W10 (right rear of trunk)
  • W16/4 (right component compartment)

Стеклоочистители и Стеклоомыватели Дворники

Электросхема передних стеклоочистителей дворников и омывателя лобового стекла для Mercedes-Benz CLK320 2003

Электросхема передних стеклоочистителей дворников и омывателя лобового стекла для Mercedes-Benz CLK320 2003 - Список элементов:

  • 15a
  • C16
  • C20
  • Can h
  • Can l
  • Combination switch
  • Computer data lines system
  • Cooling fans system
  • Front sam control module fuse & relay module (left rear of engine compt)
  • Fuse 40a
  • Fuse 43b 15a
  • Hot w/ fan relay module energized
  • Nca
  • Overhead control panel control module
  • Rain/light sensor (top center of windshield)
  • Red
  • Steering column control module
  • W16/3 (at left front of engine compt)
  • W9 (left front of engine compt)
  • Washer nozzle heater
  • Washer nozzle hose heater
  • Windshield washer fluid level indicator switch
  • Windshield washer fluid pump
  • Windshield wiper sw
  • Wiper motor
  • Wiper relay on/off
  • Wiper relay stage 1 & 2
  • Wiper switch

Электросхема передних стеклоочистителей дворников и омывателя лобового стекла, Кабриолет для Mercedes-Benz CLK320 2003

Электросхема передних стеклоочистителей дворников и омывателя лобового стекла, Кабриолет для Mercedes-Benz CLK320 2003 - Список элементов:

  • 15r
  • 22b
  • Can connector
  • Can h
  • Can l
  • Combination switch
  • Driver side fuse & relay module box (left rear of engine compt)
  • Electronic ignition switch control module (right of steering column)
  • Fuse & relay box (left rear of engine compt)
  • Fuse 10a
  • Fuse 25a
  • Ground
  • Hot at all times
  • Hot in run, acc or start
  • Int
  • Left front signal pickup and activation module (left rear of engine compt)
  • Left heated windshield washer nozzle
  • Nca
  • Off
  • Park
  • Pnk
  • Pnk/ red
  • Pnk/red
  • Rain sensor (top center of windshield)
  • Rear fuse box (in trunk, against right wheelwell)
  • Red
  • Right heated windshield washer nozzle
  • Roof control unit control module (in overhead control panel)
  • Sam fuse 5 15a
  • Terminal block
  • W1 (behind left end of dash)
  • W16/3 (left front of engine compartment)
  • W19 (at right front door sill)
  • Washer
  • Washer nozzle heating fuse 6 7.5a
  • Washer pump fuse 2 7.5a
  • Washer switch
  • Windshield washer pump (right side of washer reservoir)
  • Windshield washer relay
  • Wiper
  • Wiper motor
  • Wiper stage 1-2 fuse 1 40a
  • Wiper stage relay
  • Wiper switch

схема шайбы фары для Mercedes-Benz CLK320 2003

схема шайбы фары для Mercedes-Benz CLK320 2003 - Список элементов:

  • C15
  • C19
  • C20
  • Can h
  • Can l
  • Computer data lines system
  • Di control
  • Front sam control module fuse & relay module (left rear of engine compt)
  • Fuse 5a
  • Hcs pump (front left footwell)
  • Hot at all times
  • Light switch module (left side of dash)
  • Sra
  • W28/2 (at right doorsill)

схема шайбы фары, Кабриолет для Mercedes-Benz CLK320 2003

схема шайбы фары, Кабриолет для Mercedes-Benz CLK320 2003 - Список элементов:

  • Driver side fuse & relay module box (left rear of engine compt)
  • Front of engine compartment)
  • Ground
  • Hcs pump fuse 3 30a
  • Hcs relay
  • Hcs switch
  • Headlamp cleaning system pump relay
  • Headlamp cleaning system switch
  • Headlamp washer pump (front of washer reservoir)
  • Horn fuse 4 10a
  • Hot at all times
  • Interior lights
  • Left front signal pick-up & activation module (left rear of engine compt)
  • Sam fuse 5 15a
  • W1 (behind left end of dash)
  • W16/3 (left

ЦЕНТРАЛЬНЫЙ ЗАМОК

Электросхема центрального замка (1 из 2) для Mercedes-Benz CLK320 2003

Электросхема центрального замка (1 из 2) для Mercedes-Benz CLK320 2003 - Список элементов:

  • (at left door sill) w18
  • (at right door sill) w19
  • 58d
  • Can h
  • Can l
  • Closed
  • Computer data lines system
  • Front passenger side door control module (in right front door)
  • Fuse 25a
  • Fuse 30a
  • Hot at all times
  • Interior fuse box (left side of dash)
  • Left door cl motor
  • Left door entrance & exit lamp
  • Left door inside handle illumination
  • Left front door control module (in left front door)
  • Left front ir reciever
  • Nca
  • Open
  • Power locking switch
  • Red
  • Right door cl motor
  • Right door entrance & exit lamp
  • Right door inside handle illumination
  • Right front ir reciever
  • Rtl pushbutton
  • Tlc control module (coupe)
  • Trunk lid motor
  • Trunk lid opening angle dectection sensor
  • W6 (at left side of trunk)

Электросхема центрального замка (2 из 2) для Mercedes-Benz CLK320 2003

Электросхема центрального замка (2 из 2) для Mercedes-Benz CLK320 2003 - Список элементов:

  • (at left door sill) w18
  • (at right door sill) w19
  • (not used)
  • 58d
  • C13
  • C21
  • Can h
  • Can l
  • Computer data lines system
  • Convertible
  • Coupe
  • Fuel filler cap polarity change relay 1
  • Fuel filler cap polarity change relay 2
  • Fuel filler flap cl motor
  • Fuse 10a
  • Glove compartment cl electromagnetic actuator
  • Left door contact switch
  • Rear sam control module fuse & relay module (left side of trunk)
  • Right door contact switch
  • Rtl pushbutton (convertible)
  • W28/2 (at right doorsill)

Электросхема центрального замка, Кабриолет для Mercedes-Benz CLK320 2003

Электросхема центрального замка, Кабриолет для Mercedes-Benz CLK320 2003 - Список элементов:

  • (at right front door sill) w19
  • (at right rear wheelwell) w7
  • (cabriolet)
  • (left rear of eng compt) left front signal pickup and activation module
  • 17b
  • Ant
  • Antenna
  • Can connector
  • Can h
  • Can l
  • Cockpit switch group
  • Computer data lines
  • Driver side door control module (front of left door)
  • Driver's seat)
  • Fuse & relay box (left rear of engine compt)
  • Fuse 25a
  • Fuse 30a
  • Fuse 40a
  • Fuse 5a
  • Grd
  • Ground
  • Hot at all times
  • Ir d
  • Ir u+
  • Left front door ir receiver
  • Left front door lock switch
  • Left front door switch
  • Lf lock
  • Lf unlock
  • Lock
  • Navigation system
  • Nca
  • Passenger door ir receiver
  • Passenger side door control module (front of right door)
  • Pneumatic system equipment (pse) control module (right rear of trunk)
  • Rear fuse box (in trunk, against right wheelwell)
  • Rf lock
  • Rf unlock
  • Right front door lock switch
  • Right front door switch
  • Roof control unit control module
  • Rotary latch switch
  • Sw in
  • Trunk lid internal operation switch
  • Trunk release switch
  • Unlk
  • W18 (under
  • W18 (under driver's seat)
  • W19 (at right front door sill)
  • W7 (at right rear wheelwell)

Can't find your car? Check -> DiagnostData.com!