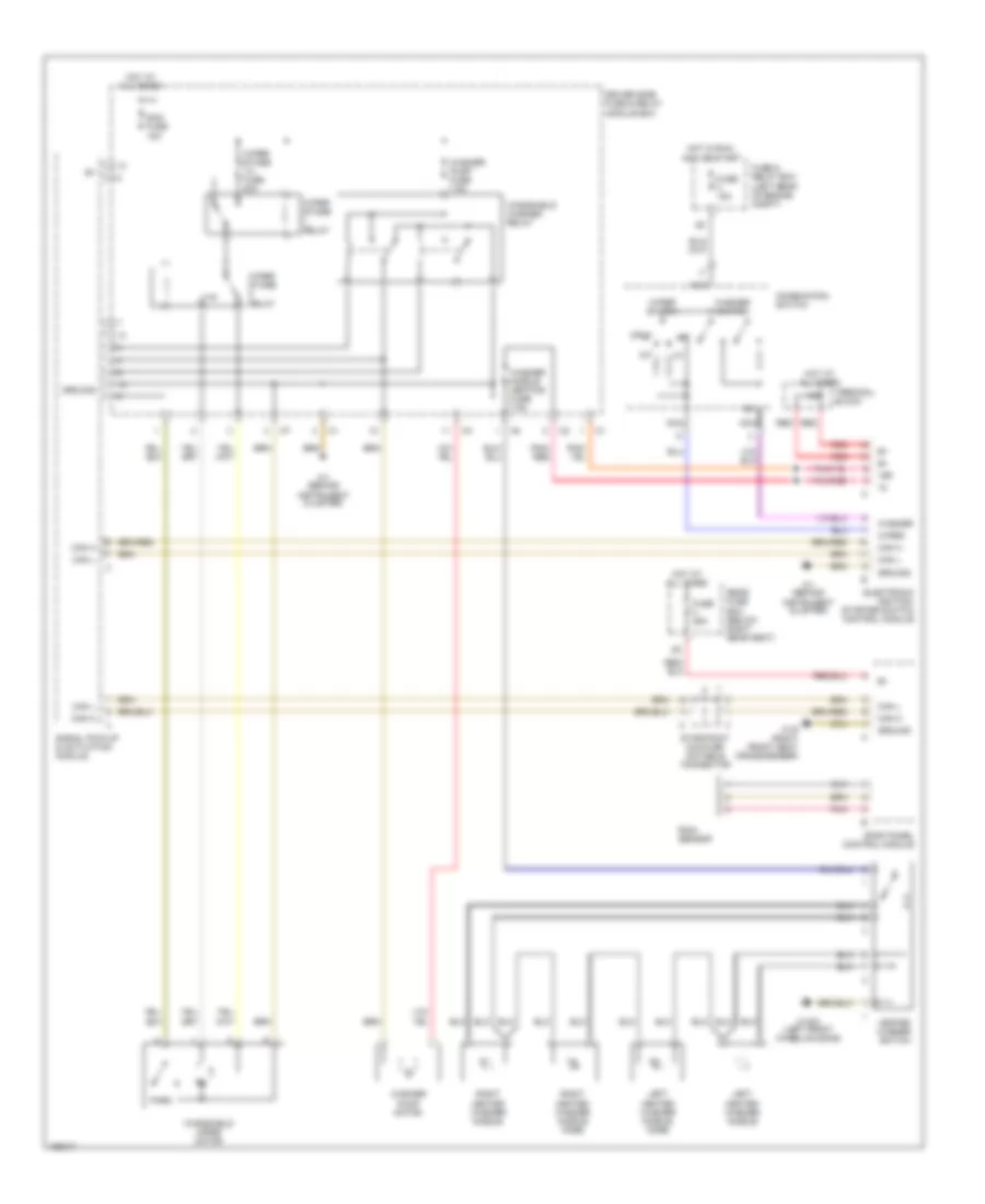
Автомтическая коробка Передач (АКПП) Полная привод (4WD) Блокировка Дифференциала
Электросхема автоматической коробки передач АКПП для Mercedes-Benz E320 2001
Электросхема автоматической коробки передач АКПП для Mercedes-Benz E320 2001 - Список элементов:
- (left front seat cross- member)
- 1-2/ 4-5 valve
- 1-2/4-5 vlv
- 2-3 shift valve
- 2-3 vlv
- 3-4 shift valve
- 3-4 vlv
- A pnk/red
- Can (+)
- Can (-)
- Can h
- Can l
- Computer data lines system
- Data line
- Data link connector (below left side of dash)
- Electronic ignition-starter switch (eis) control module
- Fuse 3 etc/ads 10a
- Ground
- Hot at all times
- Ignition
- Ignition out
- Illum
- Illumination control module (left side of dash, part of headlamp sw)
- Interior lights
- Kickdown sw
- Kickdown switch (under accelerator pedal)
- Lock up valve
- Lower control field control module
- Modul- ator valve
- Modulator vlv
- Passenger's side fuse & relay module box
- Pnk/red
- Polarity protection relay
- Power
- Pts control module
- Pwm vlv
- Rpm 2
- Rpm 3
- Rpm sensor
- Sensor ground
- Sensor v+
- Shift valve
- Shift vlv
- Start interlock switch
- Stoplamp
- Stoplamp sw
- Stoplamp switch (on brake pedal bracket)
- Temp sensor
- Temp/start
- Transmission control module (right rear of engine compt)
- Valve block relay module (base of gear selector lever)
- Valve unit (electronic transmission control)
- W16/4 (right front wheelhouse)
- W18
- W18 (left front seat cross- member)
БАГАЖНИК ЗАДНЯЯ ДВЕРЬ ЛЮЧОК ТОПЛИВНОГО БАКА
выпуск ствола и сбрасывает схему для Mercedes-Benz E320 2001
выпуск ствола и сбрасывает схему для Mercedes-Benz E320 2001 - Список элементов:
- 19a
- Can h
- Can l
- Computer data lines system
- Fuse 20a
- Fuse 25a
- Fuse 40a
- Ground
- Hot at all times
- Lock
- Nca
- Pneumatic system equipment (pse) control module (below right rear seat)
- Rear fuse box (below right rear seat)
- Solid state
- Tailgate
- Tailgate closing assist
- Tailgate closing assist motor
- Trnk lk
- Trnk rel
- Trnk unlk
- Trunk lid lock switch
- Trunk release switch
- Unlk
- W19 (right front seat crossmember)
- W29/8 (left "d" pillar)
- W6/1 (behind left taillamp)
БЛОК ПРЕДОХРАНИТЕЛЕЙ И РЕЛЕ
Электросхема блока предохранителей и реле для Mercedes-Benz E320 2001
Электросхема блока предохранителей и реле для Mercedes-Benz E320 2001 - Список элементов:
- (behind instrument cluster) w1
- (e320)
- (e430)
- (not used)
- 15r
- 15x
- A1 pnk/red
- A6 red
- Air conditioning system
- Auxiliary/ electrical cooling fan control module
- Battery
- Cargo area connector, radio
- Cigarette lighter
- Cruise control switch
- Ctel transmitter- receiver
- Data link connector, diagnostic module (obd ii) connector
- Data link connector, r/p lock solenoid, kickdown cut-out relay module, ultrasonic pts control module, headlamp range adjustment control module
- Driver side door control module
- Driver side fuse & relay module box
- Electronic ignition-starter switch control module
- Esc control module
- Exterior lights system
- Front heated seat control module, front heated seat & seat ventilation control module
- Fuel pump relay module
- Fuse & relay box
- Fuse 10a
- Fuse 15a
- Fuse 15a (or 7.5a)
- Fuse 20a
- Fuse 20a (or 10a)
- Fuse 25a
- Fuse 40a
- Fuse 50a 30a
- Fuse 7.5a
- Glove compartment lamp, combination switch
- Gnd
- Ignition coils, esp/sps/bas control module, asr/ets/esp hydraulic unit
- Illumination control module
- Instrument cluster, a/c pushbutton control module
- Interior lights system
- Left front electronic seat adjustment control module
- Left/right audio power amplifier
- Lower control field control module, seats system, interior lights system
- Nca
- P30
- Passenger side door control module
- Passenger side fuse & relay module box
- Pnk/ red
- Pnk/red
- Pse control module
- Pse control module, radio, operating monitoring system operating module
- Rear driver side door control module
- Rear fuse box
- Rear passenger side door control module
- Rear window sunshade switch, front heated seat control module, front heated seat & seat ventilation control module, left front seat belt comfort solenoid, right front seat belt comfort solenoid
- Rear window wiper motor, outside rearview mirror switch, rcl control module, ir/das control module
- Red
- Relay module, starter, generator, engine control module
- Right front electronic seat adjustment control module
- Roof control unit control module
- Steering angle sensor, alarm siren
- Tailgate closing assist
- Terminal block (x12/3) (left rear of engine compt)
- Terminal block (x4) (left footwell)
- Terminal block (x4/31) (right footwell)
- Tv tuner
- W/ in-line engine
- W/ interior lights package
- W/o in-line engine
- W/o interior lights package
- W1 (behind instrument cluster)
БЛОКИ УПРАВЛЕНИЯ КУЗОВОМ
Электросхема блоков управления кузовом для Mercedes-Benz E320 2001
Электросхема блоков управления кузовом для Mercedes-Benz E320 2001 - Список элементов:
- Air conditioning system
- Computer data lines system
- Defogger system
- Door locks system
- Driver side fuse & relay module box
- Engine controls system
- Exterior lights system
- Hcs pump relay
- Horn relay
- Hot at all times
- Oil cooler fan relay
- Sam fuse 15a
- Signal pick-up & activation module (sam) (left front)
- W1 (behind instrument cluster)
- Windshield washer relay
- Wiper stage 1 relay
- Wiper stage 2 relay
- Wiper/washer system
БЛОКИРОВКИ СЕЛЕКТОРА СТОЯНОЧНЫЙ ТОРМОЗ
Электросхема блокировки селектора для Mercedes-Benz E320 2001
Электросхема блокировки селектора для Mercedes-Benz E320 2001 - Список элементов:
- A pnk/red
- Can (+)
- Can (-)
- Can h
- Can l
- Computer data lines system
- Data line
- Data link connector (dlc) (dtc readout) (on left rear of engine compt)
- Electronic ignition-starter switch (eis) control module
- Fuse 3 etc/ads 10a
- Ground
- Hot at all times
- Ignition
- Passenger's side fuse & relay module box
- Pnk/red
- Polarity protection relay
- Power
- Stoplamp
- Stoplamp sw
- Stoplamp switch (on brake pedal bracket)
- Transmission control module (right rear of engine compt)
- Valve block relay module (base of gear selector lever)
- W16/4 (right front wheelhousing)
- W18 (left front seat crossmember)
ВНЕШНЕЕ ОСВЕЩЕНИЕ
Электросхема заднего хода для Mercedes-Benz E320 2001
Электросхема заднего хода для Mercedes-Benz E320 2001 - Список элементов:
- (behind left taillamp) w6/1
- (wagon) (sedan/limo)
- Back-up lamp
- Fuse & relay box (left rear of engine compt)
- Fuse 15a
- Hot at all times
- Hot in run or start
- Illumination control module (behind left side of dash, part of headlight switch)
- Left taillamp unit
- Pnk/ red
- Pnk/red
- Red
- Right taillamp unit
- Terminal block (x4) (left footwell)
- Transmission system
- Valve block relay module
- W1 (behind instrument cluster)
внешняя схема огней (1 из 2) для Mercedes-Benz E320 2001
внешняя схема огней (1 из 2) для Mercedes-Benz E320 2001 - Список элементов:
- Anti-lock brake system
- Center high mounted stop lamp
- Combination switch
- Electronic ignition - starter switch control module
- Exterior lights system (back-lamps circuit)
- Fuse & relay box (left rear of engine compt)
- Fuse 15a
- Headlights system
- Headlights system (fog lights)
- Hot at all times
- Hot in accy, run, or start
- Illumination control module (behind left side of dash, part of headlight switch)
- Instrument cluster system
- Left headlamp unit (park lamp)
- Left license plate lamp
- Left side marker lamp
- Nca
- Parktronic system (pts) control module
- Pneumatic system equipment control module (below right rear seat)
- Pnk/red
- Red
- Right headlamp unit (park lamp)
- Right license plate lamp
- Right side marker lamp
- Sedan, limousine
- Stop lamp supression relay module
- Stop lamp switch
- Terminal block (x4) (left footwell)
- Turn signal switch
- W/ electronic stability
- W/o electronic stability
- W1 (behind instrument cluster)
- W16/3 (left front wheelhousing)
- W16/4 (right front wheelhousing)
- W19 (sedan, limousine) (right front seat crossmember)
- W6/1 (behind left taillamp)
- W7/1 (behind right taillamp)
- W7/1 (wagon) (behind right taillamp)
- Wagon
внешняя схема огней (2 из 2) для Mercedes-Benz E320 2001
внешняя схема огней (2 из 2) для Mercedes-Benz E320 2001 - Список элементов:
- (behind instrument cluster) w1
- (sedan/limo) (wagon)
- (wagon) (sedan/limo)
- Audible ind
- Back- up
- Cockpit switch group
- Computer data lines system
- Electronic ignition - starter switch control module
- Exterior lamp failure ind
- Fog
- Hot at all times
- Instrument cluster
- Interior lights system
- Left outside mirror
- Left taillamp unit
- Left turn ind
- Left turn signal/side marker lamp
- Off
- Red
- Right outside mirror
- Right taillamp unit
- Right turn ind
- Right turn signal/side marker lamp
- Signal pickup & activation module (sam)
- Stop/ tail
- Tail/ park
- Terminal block (x4) (left footwell)
- Turn
- Turn signal lamp
- W/ turn signal lights in exterior mirrors
- W1 (behind instrument cluster)
- W16/3 (left front wheelhousing)
- W16/4 (right front wheelhousing)
- W18 (left front seat cross- member)
- W18 (left front seat crossmember)
- W19 (right front seat cross- member)
- W19 (sedan, limousine) (right front seat crossmember)
- W6/1 (behind left taillamp)
- W7/1 (wagon) (behind right taillamp)
ВНУТРЕННЕЕ ОСВЕЩЕНИЕ
Электросхема подсветки для Mercedes-Benz E320 2001
Электросхема подсветки для Mercedes-Benz E320 2001 - Список элементов:
- (behind instrument cluster) w1
- (right front seat crossmember) w19
- Can h
- Can l
- Computer data lines system
- Dome lamp with delay/ front reading lamp, rear dome lamp switch, door switch on/off
- Front driver-side door control module
- Front fuse/relay box (on left rear of engine compt)
- Front passenger-side door control module
- Fuse 10a
- Fuse 15a
- Fuse 20a
- Fuse 25a
- Fuse 40a
- Glove compartment lamp
- Hot at all times
- Hot in acc, run or start
- Instrument cluster
- Left "d" pillar interior lamp (wagon)
- Left front door switch
- Left front entrance/ exit lamp
- Left rear door entrance/ exit lamp
- Left rear door switch
- Left sun visor (w/illuminated vanity mirror)
- Pse control module (below right rear seat)
- Rear dome lamp
- Rear driver-side door control module
- Rear fuse box (below right rear seat)
- Rear passenger-side door control module
- Right "d" pillar interior lamp (wagon)
- Right front door switch
- Right front entrance/ exit lamp
- Right rear door entrance/ exit lamp
- Right rear door switch
- Right sun visor (w/illuminated vanity mirror)
- Roof control unit control module
- Sedan & limousine
- Solid state
- Trunk lamp (sedan & limousine)
- Trunk lamp switch (sedan & limousine)
- Trunk/tailgate & fuel doors system
- W18 (left front seat crossmember)
- W19 (right front seat crossmember)
- W6/1 (behind left taillamp)
- Wagon
Электросхема подсветки приборов для Mercedes-Benz E320 2001
Электросхема подсветки приборов для Mercedes-Benz E320 2001 - Список элементов:
- (left front seat crossmember) w18
- 58k
- 58d
- Box
- Can h
- Can l
- Cargo area connector
- Center air outlet illumination
- Cockpit switch group
- Computer data lines system
- Ctel transmitter/ receiver (on left side of trunk)
- Emergency call system pushbutton (tele aid)
- Emergency call system service & breakdown service pushbutton group
- Esp off switch
- Front cigar lighter
- Front driver side- door control module
- Front fuse/ relay box (on left rear of engine compt)
- Front heated seat control module
- Front passenger side- door control module
- Fuse 10a
- Fuse 15a
- Fuse 20a
- Hazard flasher switch
- Hot at all times
- Hot in acc, run or start
- Illumination control module (behind left side of dash, part of headlight switch)
- Instrument cluster
- Left front door esa switch group (with memory)
- Left front heated seat switch
- Left rear power window switch
- Lower control field control module
- Nca
- Outside rearview mirror switch (with fold-in/ out feature)
- Pts control module
- Pts on/off switch
- Radio
- Rear driver-side door control module
- Rear fuse box (below right rear seat)
- Rear passenger-side door control module
- Rear window sunshade switch
- Right air outlet illumination
- Right front door esa switch group (with memory)
- Right front heated seat switch
- Right rear power window switch
- Solid state
- Station wagon
- Valve block relay module
- W1 (behind instrument cluster)
- W18 (left front seat cross- member)
- W18 (left front seat crossmember)
- W19 (right front seat cross- member)
- W19 (right front seat crossmember)
- W6/1 (behind left taillamp)
ЗАЗЕМЛЕНИЕ ПОДКЛЮЧЕНИЕ МАССЫ
Электросхема подключение массы заземления для Mercedes-Benz E320 2001
Электросхема подключение массы заземления для Mercedes-Benz E320 2001 - Список элементов:
- Air pump, air pump switchover valve
- Air pump, ignition coil 5, ignition coil 6, ignition coil 7, ignition coil 8
- Asr snow chain switch (with indicator),
- Asr/ets/esp hydraulic unit, emissions sensor, left headlamp unit, left fog lamp, left turn signal/side marker lamp, left side marker lamp, left auxiliary turn signal lamp, windshield washer pump, headlamp washer pump, engine control module (hfm-sfi), preglow time-limit relay module, asr/sps control module, ets/sps control module, esp/sps/bas control module, ads control module, brake fluid level switch, starter lock-out/back-up lamp switch, heated windshield washer system thermoswitch, clutch pedal switch, transmission overload protection switch, hydraulic fluid level switch, left front axle vss sensor, upshift delay switchover valve, transmission mode switchover valve
- Automatic dimming rear view mirror,
- Battery
- Cc/isc control module,
- Clutch pedal switch,
- Combination control module,
- Ctel transmitter-receiver, left rear window glass breakage sensor, left taillamp unit, right taillamp unit, left license plate lamp, right license plate lamp, left/right audio power amplifier, left rear door switch, trunk lamp switch, trailer hitch socket, rear window wiper motor,
- Ea/cc/isc control module,
- Ets/sps control module,
- Front dome lamp,
- Front dome lamp, automatic dimming rear view mirror, relay module, sliding/pop-up roof, ea/cc/isc control module, cc/isc control module, combination control module, kickdown cut-out relay module, transmission control module, ets/sps control module, remote central locking control module, parking brake switch, sliding/pop-up roof switch, remote trunk release switch, asr off switch, right rear axle vss sensor, rtr control valve, steering angle sensor, clutch pedal switch, esp off switch
- Fuel pump, kickdown cut-out relay module, rear heated seats control module, stationary heater timer, steering angle sensor, headlamp range adjustment control module, left front seat cushion heater element, left front backrest heater element, right front seat cushion heater element, right front backrest heater element, left rear seat cushion heater element, left rear backrest heater element, right rear seat cushion heater element, right rear backrest heater element, remote trunk release switch, left front door switch, comfort sport switch (ads), left rear seat heater switch, right rear seat heater switch, rear window sunshade switch, ata status/towing protection/ir switch, trunk lid lock switch connector (cf), left front door/ffs connector, transmission mode switchover valve, rtr control valve (cl)
- Hot film maf sensor, engine control module (hfm-sfi), engine control module (ifi), ifi/dfi accelerator pedal position sensor, ifi electrohydraulic shut-off actuator
- Hot film maf sensor, right headlamp unit, right fog lamp, right side marker lamp, engine control module (hfm-sfi), engine control module (ifi), engine control module (me-sfi), ifi/dfi accelerator pedal position sensor, ifi electrohydraulic shut-off actuator
- Ignition coil 1, ignition coil 2, ignition coil 3, ignition coil 4
- Instrument cluster, a/c system blower unit, fan relay module clock spring contact, in-car temperature sensor, center air outlet illumination, glove compartment lamp, illumination control module, a/c pushbutton control module, illuminated cigar lighter, parking brake switch, switchover valve block, right air outlet illumination, cockpit switch group
- Kickdown cut-out relay module,
- Kickdown cut-out relay module, left front esa control module, right front esa control module, steering angle sensor, right front door switch, right rear door switch, center console switch group, comfort/sport switch (ads), outside rearview mirror switch, left front seat belt buckle/ belt comfort feature switch, right front seat belt buckle/ belt comfort feature switch, left front esa switch group, right front esa switch group, right front door/ffs connector
- Left side air bag sensor, right side air bag sensor, srs control module
- Parking brake switch,
- Radio, pneumatic system equipment control module, right taillamp unit, center high mounted stop lamp, driver power heated mirror, passenger power heated mirror,
- Relay module,
- Remote central locking control module,
- Remote trunk release switch,
- Right front door/ffs connector,
- Right rear axle vss sensor,
- Rtr control valve
- Sliding/pop-up roof switch,
- Sliding/pop-up roof,
- Stationary heater unit/auxiliary heater, right turn signal/side marker lamp, right auxiliary turn signal lamp, oxygen sensor 2 (after twc), fanfare horns, alarm horn, engine control module (hfm-sfi), ads control module, brake fluid level switch, engine hood switch, left front axle vss sensor
- Tailgate closing assist, left taillamp unit, left license plate lamp, right license plate lamp, center high mounted stop lamp, rear window wiper motor, rear window defroster element, cargo area connector box, tailgate ground connector sleeve
- Transmission control module,
- Trunk lid lock switch connector,
- W1 (behind instrument cluster)
- W10 (near battery)
- W11 (front of engine)
- W11/2 (right side of engine)
- W11/3 (left side of engine)
- W15/1 (right footwell)
- W15/2 (left footwell)
- W16/3 (left front wheelhousing)
- W16/4 (right front wheelhousing)
- W16/5 (left component compartment)
- W16/6 (right component compartment)
- W18 (left front seat crossmember)
- W19 (right front seat crossmember)
- W26 (behind center of dash)
- W29/8 (left "d" pillar)
- W6/1 (behind left taillamp)
Звуковой сигнал Гудок
Электросхема звукового сигнал Гудка для Mercedes-Benz E320 2001
Электросхема звукового сигнал Гудка для Mercedes-Benz E320 2001 - Список элементов:
- 15r
- 2.1
- Can h
- Can l
- Computer data lines system
- Driver's side fuse & relay module box
- Electronic ignition- starter switch control module
- Fanfare horn switch
- Fanfare horns
- Fuse 10a
- Fuse 15a
- Horn relay
- Horn sw
- Horn/ airbag clock spring contact
- Hot at all times
- Instrument cluster
- Instrument cluster)
- Left multi- function steering wheel pushbutton group
- Power distribution system
- Red
- Right multi- function steering wheel pushbutton group
- Signal pick-up & activation module (sam)
- Terminal block x4 (left footwell)
- W1 (behind
- W1 (behind instrument cluster)
- W16/3 (right front wheelhousing)
Магнитола Мультимедия
Электросхема магнитолы, С усилитель для Mercedes-Benz E320 2001
Электросхема магнитолы, С усилитель для Mercedes-Benz E320 2001 - Список элементов:
- (left rear of eng compt) data link connector
- (wagon) w7/1 (behind right taillamp)
- 16c
- Acoustimass bass module
- Asr/sps control module or ets/sps control module or esp/sps/bas control module
- Cd changer
- Ctel transmitter- receiver (on left side of trunk)
- D2b
- D2b fiber optics connector (w/d2b)
- Fm/am amplifier
- Fuse 16 25a
- Fuse 5 25a
- Hot at all times
- Instrument cluster
- Instrument cluster system (steering wheel controls)
- Left front axle vss sensor
- Left front door speaker group
- Left rear door speaker
- Left rear speaker
- Left/right audio power amplifier (at left wheelwell, in trunk)
- Nca
- Pnk
- Radio
- Rear fuse box (below right rear seat)
- Rear window antenna
- Right front door speaker group
- Right rear door speaker
- Right rear speaker
- Sedan & lim0
- Station wagon
- W/ d2b
- W19 (right front seat crossmember)
- W6/1 (sendan & limo) (behind left taillamp)
Электросхема магнитолы, без Усилитель для Mercedes-Benz E320 2001
Электросхема магнитолы, без Усилитель для Mercedes-Benz E320 2001 - Список элементов:
- (left rear of eng compt) data link connector
- Asr/sps control module or ets/sps control module or esp/sps/bas control module
- Cd changer
- Ctel tramsmitter- receiver (on left side of trunk)
- D2b
- D2b fiber optics connector (w/d2b)
- Fm/am amplifier
- Fuse 5 25a
- Hot at all times
- Instrument cluster
- Instrument cluster system (steering wheel controls)
- Left front axle vss sensor
- Left front door speaker
- Left rear door mirror triangle speaker
- Left rear door speaker
- Left rear speaker (w/ sedan or limo)
- Nca
- Pnk
- Radio
- Rear fuse box (below right rear seat)
- Rear window antenna
- Right front door speaker
- Right rear door mirror triangle speaker
- Right rear door speaker
- Right rear speaker (w/ sedan or limo)
- W/ d2b
- W19 (right front seat crossmember)
Навигация GPS Парктроники
схема Parktronic для Mercedes-Benz E320 2001
схема Parktronic для Mercedes-Benz E320 2001 - Список элементов:
- (trailer)
- 10r
- 15b
- 58l
- Abs system
- Data link connector (left rear of engine compt)
- Diag
- Esp/sps/ bas control module (right rear of engine compt)
- Exterior lights system
- F data
- Front bumper pts sensor assembly
- Fuse & relay box (left rear of engine compt)
- Fuse 15a
- Hot in run or start
- Ind
- Interior lights system
- Left center sensor
- Left inner sensor
- Left outer sensor
- Nca
- On/off
- Parktronic system (pts) control module
- Pts on/off switch
- Pts warning indicator (center instrument panel air outlet)
- Pts warning indicator (rear dome light)
- R data
- Rear bumper pts sensor assembly
- Reverse
- Right center sensor
- Right inner sensor
- Right outer sensor
- Transmission system
- Vss rf
- Vss- rf
- W18 (left front seat footwell)
ПАССИВНЫЕ ОГРАНИЧЕНИЯ
схема особенности комфорта ремня безопасности для Mercedes-Benz E320 2001
схема особенности комфорта ремня безопасности для Mercedes-Benz E320 2001 - Список элементов:
- 12b
- Fuse & relay box (left rear of eng compt)
- Fuse 10a
- Hot in acc run or start
- Left front seat belt comfort feature solenoid (at left "b" pillar)
- Left front seat belt/comfort switch (in driver's seat belt buckle)
- Nca
- Right front seat belt comfort feature solenoid (at right "b" pillar)
- Right front seat belt/comfort switch (in right front seat belt buckle)
- W19 (right front seat crossmember)
Подогрев стекол и зеркал
Электросхема подогрева стекол и зеркал для Mercedes-Benz E320 2001
Электросхема подогрева стекол и зеркал для Mercedes-Benz E320 2001 - Список элементов:
- A/c pushbutton control module
- C10
- Fuse 40a
- Hot at all times
- Module (below right rear seat)
- Pse control
- Rear window defroster element
- Rear fuse box (below right rear seat)
- Sedan
- Signal pickup & activation module
- Star point coupler database connector
- Station wagon
- W19 (right front seat crossmember)
- W29/8 (left "d" pillar)
ПОДУШКИ БЕЗОПАСНОСТИ AIR BAG
Электросхема подушек безопасности SRS AirBag (1 из 2) для Mercedes-Benz E320 2001
Электросхема подушек безопасности SRS AirBag (1 из 2) для Mercedes-Benz E320 2001 - Список элементов:
- (lower center of dash, at srs control module) g302
- 10d
- 13d
- 15r
- Ab, d+
- Ab, d-
- Ab, p+
- Ab, p-
- Automatic child seat recognition warning lamp
- Crash signal
- Data link connector (dlc) (dtc readout) (partial)
- Diag
- Driver front air bag squib
- Engine controls system
- Fuse & relay box
- Fuse 10a
- Fuse 7.5a
- G302 (lower center of dash, at srs control module)
- Horn/ air bag clock spring contact
- Hot at all times
- Hot in acc, run or start
- Instrument cluster
- Jumpered to pins 11 & 12
- Jumpered to pins 5 & 6
- Left door air bag & curtain (window) air bag sensor
- Left front door air bag squib
- Left rear curtain window air bag squib
- Left rear door air bag squib (w/rear side air bag)
- Lower control field control module
- Nca
- Passenger side front air bag squib
- Pnk
- Rear fuse box
- Red
- Restraint system control module
- Right door air bag & curtain (window) air bag sensor
- Right front door air bag squib
- Right rear curtain window air bag squib
- Right rear door air bag squib (w/rear side air bag)
- Sb, d+
- Sb, d-
- Sb, lr+
- Sb, lr-
- Sb, p+
- Sb, p-
- Sb, rr+
- Sb, rr-
- Shorting bar
- Solid state
- Srs malfuction indicator lamp (mil)
- Wb, l+
- Wb, l-
- Wb, r+
- Wb, r-
Электросхема подушек безопасности SRS AirBag (2 из 2) для Mercedes-Benz E320 2001
Электросхема подушек безопасности SRS AirBag (2 из 2) для Mercedes-Benz E320 2001 - Список элементов:
- (lower center of dash, at srs control module) g302
- (un-numbered pin)
- Acsr
- Acsr led
- Driver etr squib
- Emergency call system control module (tele aid) (if equipped)
- Etr, d+
- Etr, d-
- Etr, lr+
- Etr, lr-
- Etr, p+
- Etr, p-
- Etr, rr+
- Etr, rr-
- Front passenger etr squib
- Front passenger seat occupied recognition w/automatic child seat recognition (acsr)
- Jumpered between pins 15 & 16
- Jumpered between pins 17 & 18
- Jumpered between pins 19 & 20
- Jumpered between pins 21 & 22
- Jumpered between pins 23 & 24
- Jumpered between pins 25 & 26
- Jumpered to pin
- Left front seat belt buckle switch (ab/etr)
- Left rear etr squib (w/rear side air bag)
- Nca
- Ohms
- Red
- Restraint system control module
- Right front seat belt buckle switch (ab/etr)
- Right rear etr squib (w/rear side air bag)
- Sensor d
- Sensor p
- Shorting bar
- Solid state
ПРИБОРНАЯ ПАНЕЛЬ
Электросхема панели приборов для Mercedes-Benz E320 2001
Электросхема панели приборов для Mercedes-Benz E320 2001 - Список элементов:
- & search illumination pushbutton (bright)
- & search illumination pushbutton (dark)
- (behind instrument cluster)
- (left front seat crossmember) w18
- (left front wheelhousing) w16/3
- (not used)
- (right front seat crossmember) w19
- 1a1
- 1a10
- 1a11
- 1a12
- 1a13
- 1a17
- 1a2
- 1a3
- 1a4
- 1a5
- 1a6
- 1a7
- 1a8
- 1a9
- 1b1
- 1b11
- 1b12
- 1b4
- 1b7
- 2a1
- 2a2
- 2b1
- 2b2
- 2c1
- 2c2
- 2l1
- 2l2
- 2l4
- 2l5
- 2l6
- 2m1
- 2m2
- 2n1
- A45x2
- Abs mil ind
- Air conditioning system
- B13
- Bas/asr ind
- Brake fluid level switch (on brake fluid reservoir)
- Check engine mil
- Computer data lines system
- Data link connector (dlc) (dtc readout) (partial) (on left rear of engine compartment)
- Ecl switch
- Ect gauge
- Electronic ignition lock control module
- Electronic speedo- meter
- Esp warning ind
- Exterior lights system
- Fuel level gauge
- Fuel level sensor (in fuel tank, at front bulkhead in trunk)
- Fuel reserve ind
- Fuse 10 7.5a
- Fuse 4 10a
- Fuse 7 15a
- Fuse/ relay box (on left rear of engine compartment)
- Headlights system
- High beam ind
- Horn
- Horn/ airbag clock spring contact
- Hot at all times
- Hot in off, acc or run
- Hot in run or start
- Hydraulic fluid level switch
- Illumination control module (canada)
- Instrument
- Instrument cluster
- Instrument illumination (4 bulbs)
- Interior lights system
- Lcs switch
- Left front door switch
- Left front seat belt/ comfort switch (in driver's seat belt buckle)
- Left multifunction steering wheel pushbutton group
- Left turn signal indicator
- Low brake fluid level/ parking brake indicator lamp
- Meter reset pushbutton
- Multi-function display illum (red)
- Multi-function display illum (white)
- Nca
- Outside temperature indicator sensor (on left front of vehicle, below front bumper)
- Pnk
- Pse control module (below right rear seat)
- Right multifunction steering wheel pushbutton group
- Right turn signal indicator
- Scroll fwd/ back button, system selection button
- Seat belt reminder ind
- Solid state
- Sound system/ navigation system
- Special functions & volume, accept/ terminate phone call button
- Srs ind
- Starting/charging system
- Tacho- meter
- Trip odo-
- W16/3 (left front wheelhousing)
- Warning buzzer
- Windshield washer fluid level switch (on top of washer fluid reservoir)
ПРИВОД ЗЕРКАЛ
Электросхема автозатемнения зеркала заднего вида для Mercedes-Benz E320 2001
Электросхема автозатемнения зеркала заднего вида для Mercedes-Benz E320 2001 - Список элементов:
- Fuse 3 7.5a
- Fuse 4 25a
- Hot at all times
- Illumination control module
- Interior rearview mirror assembly
- Left outside rearview mirror
- Lower control field control module
- Nca
- Pnk/red
- Rear fuse box
- Roof control panel control module
- Star point coupler databus connector
- W19 (right front seat crossmember)
ПРИВОД ЛЮКА И КРЫШИ
Электросхема привода люка или крыши для Mercedes-Benz E320 2001
Электросхема привода люка или крыши для Mercedes-Benz E320 2001 - Список элементов:
- (right front seat crossmember) w19
- Computer data lines system
- Fuse 25a
- Hot at all times
- Rear fuse box (below right rear seat)
- Red
- Roof panel control module
- Sliding/ pop-up roof assembly
ПРИВОД СТЕКЛОПОДЪЕМНИКОВ
Электросхема стеклоподъемников для Mercedes-Benz E320 2001
Электросхема стеклоподъемников для Mercedes-Benz E320 2001 - Список элементов:
- 16d
- 18d
- Battery
- Can h
- Can l
- Computer data lines system
- Driver's door control module
- Front fuse/ relay box (left rear of engine compartment)
- Fuse 1 20a
- Fuse 16 20a
- Fuse 18 20a
- Fuse 2 20a
- Fuse 3 10a
- Ground
- Hot at all times
- Interior lights system
- Left front power window motor
- Left rear door control module
- Left rear power window switch
- Lower control field control module
- Passenger's door control module
- Rear fuse box (below right rear seat)
- Right front power window motor
- Right rear door control module
- Right rear power window switch
- Signal
- W18 (left front seat crossmember)
- W19 (right front seat crossmember)
Электросхема шторки заднего стекла для Mercedes-Benz E320 2001
Электросхема шторки заднего стекла для Mercedes-Benz E320 2001 - Список элементов:
- 12a
- Fuse & relay box
- Fuse 10a
- Hot in accy, run, or start
- Interior lights system
- Rear window sun shade motor
- Rear window sun shade switch
- W18 (left front seat crossmember)
Противоугонная система Сигнализация
Электросхема противоугонной сигнализации для Mercedes-Benz E320 2001
Электросхема противоугонной сигнализации для Mercedes-Benz E320 2001 - Список элементов:
- (behind inst cluster) w1
- (right front
- 11a
- 19a
- Alarm horn (behind right head- light unit)
- Alarm siren (w/ auxiliary battery)
- Anti-lock brakes system
- Ata
- Bls
- Can h
- Can l
- Cockpit switch group
- Computer data lines system
- Ctrl
- Electronic ignition- starter switch control module (on ignition switch)
- Electronic steering column control module
- Engine hood switch (below left hood latch)
- Exterior lights system
- Fuse & relay box (left rear of engine compt)
- Fuse 15a
- Fuse 25a
- Fuse 40a
- Fuse 7.5a
- Ground
- Hood
- Horn
- Hot at all times
- Illumination control module (behind left side of dash)
- Instrument cluster system
- Led
- Left front door switch
- Left rear door switch
- Lf door
- Lk pwr
- Lock
- Lr door
- Pneumatic system equipment (pse) control module (below right rear seat)
- Pwm a
- Pwm b
- Pwr
- R tail
- Rear fuse box (below right rear seat)
- Red
- Rf door
- Right front door switch
- Right rear door switch
- Right taillamp unit
- Rr door
- Seat cross- member)
- Sedan, limousine
- Siren
- Station wagon
- Stop lamp supression relay module (anti-lock brakes system)
- Stop lamp switch
- Tailgate closing assist module
- Terminal block (x4) (left footwell)
- Trunk
- Trunk lamp
- Trunk lamp switch
- W/ electronic stability
- W/o electronic stability
- W15/2 (behind instrument cluster)
- W16/3 (left front wheel- housing)
- W16/4 (right front wheel- housing)
- W18 (left front seat cross- member)
- W19
- W19 (right front seat cross- member)
- W6/1 (behind left taillamp)
- W7/1 (behind right taillamp in trunk)
СИСТЕМА АНТИБЛОКИРОВОЧНОЙ ТОРМОЗНОЙ СИСТЕМЫ ABS
Электросхема антиблокировочной тормозной системы АБС (ABS) (1 из 2) для Mercedes-Benz E320 2001
Электросхема антиблокировочной тормозной системы АБС (ABS) (1 из 2) для Mercedes-Benz E320 2001 - Список элементов:
- Asr/ets/esp hydraulic unit
- Brake booster (bas)
- Computer data lines system
- Driver's side fuse & relay module box
- Esp brake pressure sensor
- Esp/sps/bas control module (right rear of engine compt, in module box)
- Front axle switchover
- Front axle vacuum
- Front fuse/ relay box (left rear of engine compt)
- Fuse 40a
- High pressure/ return pump
- High pressure/ return pump relay module
- Hot at all times
- Left front brake pad wear sensor (on brake caliper)
- Left front hold
- Left front release
- Left front vss sensor (behind wheel hub assembly)
- Left rear hold
- Left rear release
- Nca
- Pnk
- Rear axle switchover
- Rear axle vacuum
- Red
- Release switch
- Right front brake pad wear sensor (on brake caliper)
- Right front hold
- Right front release
- Right front vss sensor (behind wheel hub assembly)
- Right rear hold
- Right rear release
- Solenoid valve
- Sps solenoid valve (on steering rack)
- Terminal block (x12/3) (left rear of engine compt)
- Terminal block (x4) (left footwell)
- Travel sensor
- W16/3 (left front wheelhousing)
Электросхема антиблокировочной тормозной системы АБС (ABS) (2 из 2) для Mercedes-Benz E320 2001
Электросхема антиблокировочной тормозной системы АБС (ABS) (2 из 2) для Mercedes-Benz E320 2001 - Список элементов:
- (e430)
- Abs lateral acceleration pressure sensor
- Data link connector (left rear of engine compt)
- Electronic ignition lock control module
- Esp off switch
- Esp yaw rate sensor
- Esp/sps/bas control module (right rear of engine compt, in module box)
- Etc/ ads fuse 10a
- Front fuse/ relay box (left rear of engine compt)
- Fuse 10a
- Headlamp range adjustment control module
- Hot at all times
- Hot in run or start
- Illumination control module
- Interior lights system
- Left rear vss sensor (behind wheel hub assembly)
- Nca
- Parking brake switch
- Passenger's side fuse & relay module box
- Pnk/red
- Polarity protection relay
- Radio
- Right rear brake pad wear sensor (e430) (on brake caliper)
- Right rear vss sensor (behind wheel hub assembly)
- Steering angle sensor
- Stop lamp suppression relay module
- Stop lamp switch
- Traction system fuse 10a
- Ultrasonic pts control module
- W1 (behind instrument cluster)
- W16/4 (right front wheelhousing)
- W18 (left front seat cross- member)
- W19 (right front seat cross- member)
СИСТЕМА КОНДИЦИОНЕРА
Электросхема кондиционера (1 из 2) для Mercedes-Benz E320 2001
Электросхема кондиционера (1 из 2) для Mercedes-Benz E320 2001 - Список элементов:
- (behind instrument cluster) g202
- 12v
- 15x
- A/c compressor
- Aac control unit & module
- Aux fan
- Blwr ctrl
- Can h
- Can l
- Cmpr cltch
- Coolant circulation pump
- Data
- Data link connector (dlc) (dtc readout) (partial)
- Diag
- Driver side fuse & relay module box
- Duovalve
- Electronic ignition- starter switch (eis) control module
- Emissions sensor
- Evap
- Evaporator temperature sensor
- Fuse & relay box
- Fuse 10a
- Fuse 15a
- G105 (right rear corner of engine compart- ment)
- G202 (behind instrument cluster)
- Heater core temperature sensor
- Hot at all times
- Hot in run & start
- In-car
- Instrument cluster
- Led rwd
- Left front signal pickup & activation module (sam)
- Nca
- Pump
- R valve
- Ref press
- Ref temp
- Refrigerant pressure sensor
- Refrigerant temperature sensor
- Rwd sw
- Smog
- Solid state
- Sun
- Sun sensor
- Switchover valve block
- Valve
Электросхема кондиционера (2 из 2) для Mercedes-Benz E320 2001
Электросхема кондиционера (2 из 2) для Mercedes-Benz E320 2001 - Список элементов:
- (behind instrument cluster) g202
- A/c system blower unit
- Activated charcol filter flap actuator motor
- Auxiliary/ electrical cooling fan control module
- Blower motor
- Blower regulator
- Engine/climate control electric cooling fan
- Fuse & relay box
- Fuse 30a (or 50a)
- G104 (left front wheel- housing)
- G202 (behind instrument cluster)
- Hot at all times
- In-car temperature sensor
- Motor
- Nca
- Pwm
- Red
- Sensor
- Solid state
- Terminal block
СИСТЕМА КРУИЗКОНТРОЛЯ
Электросхема системы круизконтроля для Mercedes-Benz E320 2001
Электросхема системы круизконтроля для Mercedes-Benz E320 2001 - Список элементов:
- (or red)
- Accel/set
- Cruise control switch
- Ctrl contact
- Decel/set
- Electronic ignition- starter switch control module
- Engine control module (me-sfi) (in module box, on right rear of engine compt)
- Hot at all times
- Memory recall
- Off
- Pedal value sensor (left rear of engine compt)
- Red
- Terminal block x4 (left footwell)
- Throttle valve actuator (top of engine)
- W1 (behind intrument cluster)
СИСТЕМА ОХЛАЖДЕНИЯ
Электросхема системы охлаждения для Mercedes-Benz E320 2001
Электросхема системы охлаждения для Mercedes-Benz E320 2001 - Список элементов:
- Auxiliary/ electrical cooling fan control module
- Engine/climate control electric cooling fan
- Fuse & relay box (on left rear of engine compartment)
- Fuse 30a (or 50a)
- Hot at all times
- Left front signal pickup & activation module
- Nca
- Pwm
- W16/5 (left front wheelwell)
СИСТЕМА ПЕРЕДАЧИ ДАННЫХ
схема соединителя канала связи для Mercedes-Benz E320 2001
схема соединителя канала связи для Mercedes-Benz E320 2001 - Список элементов:
- (below left side of dash) diagnostic module (obd ii) generic scan tool connector
- A/c control unit & module
- Brake assist (bas) control module
- Can h
- Can l
- Data link connector (dlc) (dtc readout) (on left rear of engine compt)
- Driver side fuse & relay module box
- Electronic ignition- starter switch (eis) control module
- Emergency call system control module (tele aid)
- Engine control module (me-sfi)
- Esp/sps/bas control module
- Fuse 15a
- Fuse 7.5a
- Headlamp range adjustment control module
- Hot at all times
- Hot in on or start
- Instrument cluster
- Operating-monitoring- system (oms) operating module
- Passenger side fuse & relay module box
- Radio
- Srs control module
- Transmission control module
- Ultrasonic pts controlmodule
- Valve block relay module
- W16/6 (right component compartment)
- W6/6 (right component compartment)
высокая/Низкая Автобусная Схема для Mercedes-Benz E320 2001
высокая/Низкая Автобусная Схема для Mercedes-Benz E320 2001 - Список элементов:
- Can h
- Can l
- Electronic ignition- starter switch (eis) control module
- Front driver-side door control module
- Front passenger-side door control module
- Left front esa control module
- Left front signal pickup & activation module (sam)
- Lower control field control module
- Pse control module
- Rear driver-side door control module
- Rear passenger-side door control module
- Right front esa control module
- Roof control panel control module
- Star-point coupler databus (can) tie-in connector
- W/ memory
СИСТЕМА УПРАВЛЕНИЯ ДВИГАТЕЛЯ
3.2L
3.2L, Электросхема системы управления двигателем (1 из 3) для Mercedes-Benz E320 2001
3.2L, Электросхема системы управления двигателем (1 из 3) для Mercedes-Benz E320 2001 - Список элементов:
- (below left side of dash) diagnostic module (obd ii) generic scan tool connector
- (left rear of eng compt) data link connector (dtc readout)
- 30z
- 87m
- Can(h)+
- Can(l)-
- Computer data lines system
- Crash
- Diag
- Driver side fuse & relay module box
- Electronic ignition lock control module
- Engine control module (me-sfi) (in module box, on right rear of engine compt)
- F pmp
- G105 (right component compartment)
- Lambda
- Left oxygen sensor 1 (before twc) (on exhaust pipe)
- Left oxygen sensor 2 (after twc) (on exhaust pipe)
- Nca
- O2s com
- O2s htr
- O2s1 (l)
- O2s1 (r)
- O2s2 l
- O2s2 r
- Pedal value sensor (on left rear corner of engine compt)
- Pnk/red
- Purge control valve (on left side, front of engine compt)
- Pwm
- Red
- Right oxygen sensor 1 (before twc) (on exhaust pipe)
- Right oxygen sensor 2 (after twc) (on exhaust pipe)
- Signal pickup & activation module
- Srs control module (in front of transmission shift lever)
- St ena
- Starting system
- Tnk pres
- Transmission control module (in module box, on right rear of engine compt)
3.2L, Электросхема системы управления двигателем (2 из 3) для Mercedes-Benz E320 2001
3.2L, Электросхема системы управления двигателем (2 из 3) для Mercedes-Benz E320 2001 - Список элементов:
- (bottom of intake manifold) intake manifold switchover valve
- (front of engine) air pump switchover valve
- (left front seat crossmember) g300
- (right front of engine compt) egr valve vacuum transducer
- Activated charcoal canister shut-off valve (near right rear wheelwell)
- Air pump
- Air pump relay module
- Battery
- Camshaft hall effect sensor (on front of right cyl head)
- Ckp sensor (on left rear of engine)
- Fuel pump (under left rear of vehicle)
- Fuel pump relay module
- Fuel tank pressure sensor (on fuel tank)
- Fuse 15a
- Fuse 20a
- Fuse 25a
- Fuse 40a
- G103 (right front wheelhouse)
- G112 (left side of engine)
- Hot at all times
- Hot film maf sensor (on air intake assembly)
- Passenger side fuse & relay module box
- Pnk
- Pnk/red
- Polarity protection relay
- Rear fuse box (below right rear seat)
- Red
- Throttle valve actuator
3.2L, Электросхема системы управления двигателем (3 из 3) для Mercedes-Benz E320 2001
3.2L, Электросхема системы управления двигателем (3 из 3) для Mercedes-Benz E320 2001 - Список элементов:
- (+)
- (-)
- (right component compt)
- Air
- Cmp
- Coil 1
- Coil 2
- Coil 3
- Coil 4
- Coil 5
- Coil 6
- Com
- Ect sensor (top front of engine)
- Engine control module (me-sfi) (in module box, on right rear of engine compt)
- Etc
- Fuel injectors
- G105
- Hfm
- Hfm+
- Hfm-
- Ign coil
- Ign coil coil
- Inj1
- Inj2
- Inj3
- Inj4
- Inj5
- Inj6
- Ks (l)
- Ks (r)
- Left knock sensor 1
- Map sig
- Nca
- Oil sensor
- Passenger side fuse & relay module box
- Pnk
- Pressure sensor
- Red
- Right knock sensor 2
- Shield
- To spark plugs
Система Фар
Электросхема фар, С ксеноновые лампы для Mercedes-Benz E320 2001
Электросхема фар, С ксеноновые лампы для Mercedes-Benz E320 2001 - Список элементов:
- (behind instrument cluster)
- (left front wheel- housing)
- (right front wheel- housing)
- (sedan, limousine) (wagon)
- 15a
- 15r nca
- 56a nca
- Asr/sps control module, or ets/sps control module, or esp/sps/bas control module (left front of engine compt)
- Combination switch
- Data link connector (dlc) (left rear of engine compt)
- Electronic ignition/ starter switch control module
- Front axle level sensor (underside of vehicle, on front suspension)
- Front fuse/ relay box
- Fuse 15a
- Headlamp flasher/ high beam switch
- Headlight range adjustment control module (under left side of rear seat)
- High beam indicator
- High beam lamp
- Hot in accy, run and start
- Hot in run and start
- Illumination control module (behind left side of dash, part of headlight switch)
- Instrument cluster
- Instrument cluster system
- Left fog lamp
- Left headlamp unit
- Left taillamp unit
- Low beam xenon lamp
- Nca
- Pnk/red
- Rear axle level sensor (underside of vehicle, on rear suspension)
- Rear fog lamp
- Right fog lamp
- Right headlamp unit
- Standing/ parking lamp
- Vss
- W16/3
- W16/3 (left front wheelhousing)
- W16/4
- W16/4 (right front wheelhousing)
- W18 (left front seat crossmember)
- W6/1 (behind left taillamp)
Электросхема фар, без Ксеноновые лампы для Mercedes-Benz E320 2001
Электросхема фар, без Ксеноновые лампы для Mercedes-Benz E320 2001 - Список элементов:
- (behind instrument cluster)
- (behind instrument cluster) w1
- (sedan, limousine) (wagon)
- 15r nca
- 56a nca
- Combination switch
- Electronic ignition/ starter switch control module
- Front fuse/ relay box
- Fuse 15a
- Headlamp flasher/ high beam switch
- Hi beam lamp
- High beam indicator
- Hot in accy, run and start
- Illumination control module (behind left side of dash, part of headlight switch)
- Instrument cluster
- Instrument cluster system
- Left fog lamp
- Left headlamp unit
- Left taillamp unit
- Lo beam lamp
- Nca
- Pnk/red
- Rear fog lamp
- Right fog lamp
- Right headlamp unit
- Standing park lamp
- W16/3 (left front wheelhousing)
- W16/4 (right front wheelhousing)
- W6/1 (behind left taillamp)
СИСТЕМЫ ПАМЯТИ
водитель памяти "s место и схема колонки рулевого управления с усилителем для Mercedes-Benz E320 2001
водитель памяти "s место и схема колонки рулевого управления с усилителем для Mercedes-Benz E320 2001 - Список элементов:
- 13d
- 16d
- Backrest fore/aft
- Can h
- Can l
- Column in/out
- Column up/down
- Computer data lines
- Electric steering column motor
- Fore/aft
- Front raise/lower
- Fuse & relay box (left rear of engine compt)
- Fuse 20a
- Fuse 25a
- Ground
- Head restraint
- Hot at all times
- Left front backrest fore/aft motor
- Left front door control module
- Left front electronic seat adjustment control module
- Left front electronic seat adjustment switch
- Left front seat fore/ aft motor
- Left front seat front raise/lower motor
- Left front seat rear raise/lower motor
- Left head restraint raise/lower motor
- Memory 1
- Memory 2
- Memory 3
- Memory store
- Rear fuse box (below right rear seat)
- Rear raise/lower
- Red
- Star-point coupler databus connector
- Telescopic adjustment motor
- Tilt adjustment motor
- W18 (left front seat crossmember)
- W19 (right front seat crossmember)
Электросхем памяти регулировки зеркал заднего вида для Mercedes-Benz E320 2001
Электросхем памяти регулировки зеркал заднего вида для Mercedes-Benz E320 2001 - Список элементов:
- 14b
- 16d
- Can h
- Can l
- Computer data lines
- Fuse & relay box (left rear of engine compt)
- Fuse 15a
- Fuse 20a
- Fuse 7.5a
- Ground
- Hot at all times
- Hot in run
- Illumination
- Interior lights
- Interior lights system
- Left front door control module
- Left front electronic seat adjustment switch
- Left outside rearview mirror
- Lower control field control module
- Memory 1
- Memory 2
- Memory 3
- Memory store
- Mirrors system
- Outside rearview folding mirror switch
- Pnk/red
- Power mirror switch control
- Rear fuse box (below right rear seat)
- Red
- Reverse signal
- Right front door control module
- Right outside rearview mirror
- Star-point coupler databus connector
- Valve block relay module
- W18 (left front seat crossmember)
- W19 (right front seat cross- member)
- W19 (right front seat crossmember)
Электросхема памяти пассажирского сиденья для Mercedes-Benz E320 2001
Электросхема памяти пассажирского сиденья для Mercedes-Benz E320 2001 - Список элементов:
- (right front seat crossmember) w19
- 14d
- Backrest fore/aft
- Can h
- Can l
- Computer data lines
- Fore/aft
- Front raise/lower
- Fuse 20a
- Fuse 25a
- Ground
- Head restraint
- Hot at all times
- Illumination
- Memory 1
- Memory 2
- Memory 3
- Memory store
- Rear fuse box (below right rear seat)
- Rear raise/lower
- Red
- Right front backrest fore/aft motor
- Right front door control module
- Right front electronic seat adjustment control module
- Right front electronic seat adjustment switch
- Right front seat fore/ aft motor
- Right front seat front raise/lower motor
- Right front seat rear raise/lower motor
- Right head restraint raise/lower motor
- Star-point coupler databus connector
- W19 (right front seat crossmember)
СИСТЕМЫ СИДЕНИЙ
Электросхема подогрева сидений для Mercedes-Benz E320 2001
Электросхема подогрева сидений для Mercedes-Benz E320 2001 - Список элементов:
- 12c
- 18d
- Cockpit switch
- Front fuse/ relay box (left rear of eng compt)
- Front heated seat control module (behind center of dash)
- Fuse 10a
- Fuse 20a
- Hot at all times
- Hot in acc, run or start
- Interior lights system
- Left front backrest heater element
- Left front seat cushion heater element
- Rear fuse box (below right rear seat)
- Right front back rest heater element
- Right front seat cushion heater element
- W1 (behind instrument cluster)
- W18 (left front seat crossmember)
задняя схема подголовника для Mercedes-Benz E320 2001
задняя схема подголовника для Mercedes-Benz E320 2001 - Список элементов:
- Cockpit switch
- Fuse 25a
- Hot at all times
- Interior lights system
- Pse control module (below right rear seat)
- Rear fuse box (below right rear seat)
- Rear head rest unlocking switch
- Signal pick-up & activation module
- Star point coupler database connector
- W1 (behind instrument cluster)
- W19 (right front seat crossmember)
схема вентиляции места для Mercedes-Benz E320 2001
схема вентиляции места для Mercedes-Benz E320 2001 - Список элементов:
- 12c
- 18d
- Cockpit switch
- Front fuse/ relay box (left rear of eng compt)
- Front heated seat & seat ventilation control module (behind center of dash)
- Fuse 10a
- Fuse 20a
- Heated seats circuit
- Hot at all times
- Hot in acc, run or start
- Interior lights system
- Left front seat cushion ventilation motor group
- Left front seat ventilation blower regulator
- Left front seatback ventilation motor group
- Nca
- Rear fuse box (below right rear seat)
- Right front seat cushion ventilation motor group
- Right front seat ventilation blower regulator
- Right front seatback ventilation motor group
- W1 (behind instrument cluster)
- W18 (left front seat crossmember)
Стартер Генератор
Электросхема Генератора для Mercedes-Benz E320 2001
Электросхема Генератора для Mercedes-Benz E320 2001 - Список элементов:
- Battery
- Charge indicator
- Generator
- Instrument cluster
- Passenger-side fuse & relay module box
- Red
- Solid state
- Starter
- Terminal block x12/3 (left rear of engine compt)
- Terminal block x4 (left footwell)
- W10 (near battery)
Электросхема стартера для Mercedes-Benz E320 2001
Электросхема стартера для Mercedes-Benz E320 2001 - Список элементов:
- Battery
- Driver- side fuse & relay module box m4
- Electronic ignition lock control module b
- Engine control module (me-sfi) (in module box, on right rear of engine compt)
- Generator
- Passenger- side fuse & relay module box
- Pnk/red
- Red
- Starter
- Starter relay
- Terminal block x4 (left footwell)
- Terminal block x63/6
- W10 (near battery)
- W16/4 (right front wheelhousing)
Стеклоочистители и Стеклоомыватели Дворники
Электросхема передних стеклоочистителей дворников и омывателя лобового стекла для Mercedes-Benz E320 2001
Электросхема передних стеклоочистителей дворников и омывателя лобового стекла для Mercedes-Benz E320 2001 - Список элементов:
- 15r
- Acc or start
- Can h
- Can l
- Combination switch
- Driver side fuse & relay module box
- Electronic ignition- starter switch control module
- Fuse & relay box (left rear of engine compt)
- Fuse 15a
- Fuse 25a
- Ground
- Heated washer switch
- Hot at all times
- Hot in run,
- Instrument cluster)
- Int
- Left heated washer nozzle
- Left heated washer nozzle hose
- Nca
- Off
- Park
- Pnk
- Pnk/ red
- Pnk/red
- Rain sensor
- Rear fuse box (below right rear seat)
- Red
- Right heated washer nozzle
- Right heated washer nozzle hose
- Roof panel control module
- Sam fuse 15a
- Signal pick-up & activation module
- Star-point coupler databus connector
- Terminal block
- W1 (behind
- W1 (behind instrument cluster)
- W16/3 (left front wheelhousing)
- W19 (right front seat crossmember)
- Washer
- Washer nozzle heating fuse 7.5a
- Washer pump fuse 7.5a
- Washer pump motor
- Washer switch
- Windshield washer relay
- Windshield wiper motor
- Wiper
- Wiper stage 1-2 fuse 40a
- Wiper stage relay
- Wiper switch
схема шайбы фары для Mercedes-Benz E320 2001
схема шайбы фары для Mercedes-Benz E320 2001 - Список элементов:
- Combination switch
- Driver side fuse & relay module box
- Front seat crossmember)
- Ground
- Hcs pump fuse 10a (or 30a)
- Hcs relay
- Hcs switch
- Headlamp cleaning system pump relay
- Headlamp cleaning system switch
- Headlamp washer pump
- Horn fuse 10a
- Hot at all times
- Sam fuse 15a
- Signal pick-up & activation module
- W1 (behind instrument cluster)
- W16/3 (left front wheelhousing)
- W18 (left
задняя схема дворника, Универсал для Mercedes-Benz E320 2001
задняя схема дворника, Универсал для Mercedes-Benz E320 2001 - Список элементов:
- (behind left taillamp) w6/1
- 12a
- 19a
- Can h
- Can l
- Cockpit switch group
- Fuse & relay box (left rear of engine compt)
- Fuse 15a
- Fuse 25a
- Fuse 40a
- Hot at all times
- Hot in run or start
- Led hw
- Pse control module (below right rear seat)
- R wipe
- Rear fuse box (below right rear seat)
- Red
- Signal pick-up & activation module
- Star-point coupler databus connector
- Tailgate window wiper motor relay module
- Tailgate window wiper switch
- Thw
- W18 (left front seat crossmember)
- W19 (right front seat crossmember)
ЦЕНТРАЛЬНЫЙ ЗАМОК
Электросхема центрального замка для Mercedes-Benz E320 2001
Электросхема центрального замка для Mercedes-Benz E320 2001 - Список элементов:
- (right front seat crossmember) w19
- 16d
- 19a
- Can h
- Can l
- Computer data lines
- Fuse & relay box (left rear of engine compt)
- Fuse 20a
- Fuse 25a
- Fuse 40a
- Ground
- Hot at all times
- Instrument cluster system
- Ir d
- Ir u+
- Left front door control module
- Left front door ir receiver
- Left front door lock switch
- Left front door switch
- Left rear door switch
- Lf door
- Lf lock
- Lf unlock
- Lock
- Lr door
- Nca
- Pneumatic system equipment (pse) control module (below right rear seat)
- Rear fuse box (below right rear seat)
- Rf door
- Rf lock
- Rf unlock
- Right front door control module
- Right front door ir receiver
- Right front door lock switch
- Right front door switch
- Right rear door switch
- Rr door
- Star-point coupler databus connector
- Trnk lk
- Trnk unlk
- Trunk lid lock switch
- Unlk
- W18 (left front seat cross- member)
- W19 (right front seat cross- member)
- W6/1 (behind left taillamp)