Автомтическая коробка Передач (АКПП) Полная привод (4WD) Блокировка Дифференциала
Электросхема автоматической коробки передач АКПП, 5 Скоростей A/T для Mercedes-Benz E500 4Matic 2005
Электросхема автоматической коробки передач АКПП, 5 Скоростей A/T для Mercedes-Benz E500 4Matic 2005 - Список элементов:
- (+)
- (-)
- 1-2/ 4-5 valve
- 2-3 shift valve
- 3-4 shift valve
- Can-c h
- Can-c l
- Circuit 87 relay, chassis
- Data link connector (dlc) (lower left side of dash)
- Di control module
- Diag
- Driver side sam control module with fuse & relay module (left rear of eng compt)
- Driver side sam control module with fuse/relay module (left rear of engine compartment)
- Electric steering lock control module (left front footwell)
- Electronic selector lever module control module (center console)
- Etc control module (right front footwell)
- Fuse 45 7.5a
- Fuse 7.5a
- Gear display sensor (under center console)
- Gnd
- Hot at all times
- Hot with circuit 87 relay chassis energized
- Keyless go start/stop pushbutton (if equipped)
- Left voltage distributor connector (left front door sill)
- Lock up valve
- Modu- lator valve
- Nca
- Rpm sensor
- Shift valve
- Sig
- Solid state
- Start interlock switch
- Temp sensor
- Valve unit (electronic transmission control)
- W15/1 (right front footwell)
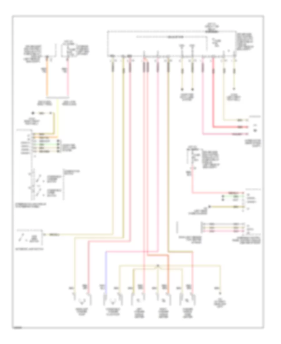
Электросхема автоматической коробки передач АКПП, 7 Скоростей A/T для Mercedes-Benz E500 4Matic 2005
Электросхема автоматической коробки передач АКПП, 7 Скоростей A/T для Mercedes-Benz E500 4Matic 2005 - Список элементов:
- B1 brake valve
- B2 brake valve
- B3 brake valve
- Can-c h
- Can-c l
- Circuit 87 relay, chassis
- Data link connector (dlc) (lower left side of dash)
- Di control module
- Diag
- Driver side sam control module with fuse & relay module (left rear of eng compt)
- Driver side sam control module with fuse/relay module (left rear of engine compartment)
- Electric control unit (vgs) (part of transmission)
- Electric steering lock control module (left front footwell)
- Electronic selector lever module control module (center console)
- Fuse 45 7.5a
- Fuse 7.5a
- Gear display sensor (under center console)
- Gnd
- Hot at all times
- Hot with circuit 87 relay chassis energized
- Internal speed sensor (vgs)
- K1 clutch valve
- K2 clutch valve
- K3 clutch valve
- Keyless go start/stop pushbutton (if equipped)
- Left voltage distributor connector (left front door sill)
- Lockup valve
- N.c.
- Nca
- Output speed sensor (vgs)
- Range sensor
- Solid state
- Temp sensor
- Turbine speed sensor (vgs)
- W15/1 (right front footwell)
- Working pressure valve
БАГАЖНИК ЗАДНЯЯ ДВЕРЬ ЛЮЧОК ТОПЛИВНОГО БАКА
Электросхема открывания лючка топливного бака для Mercedes-Benz E500 4Matic 2005
Электросхема открывания лючка топливного бака для Mercedes-Benz E500 4Matic 2005 - Список элементов:
- Can-b h
- Can-b l
- Computer data lines system
- Fuel filler cap polarity change 1 relay
- Fuel filler cap polarity change 2 relay
- Fuel filler flap cl motor (right cargo area)
- Fuse 10a
- Hot at all times
- Rear sam control module with fuse & relay module (left side of trunk)
- W6 (left rear wheelhousing)
Электросхема закрывания багажника, седан для Mercedes-Benz E500 4Matic 2005
Электросхема закрывания багажника, седан для Mercedes-Benz E500 4Matic 2005 - Список элементов:
- Can-b h
- Can-b l
- Computer data lines system
- Fuse 30a
- Hot at all times
- Nca
- Power locking switch (on trunk lid)
- Rear prefuse box (lower right of front trunk)
- Rear-end trunk lid opening angle detection sensor (left side of trunk, near trunk lid driver motor)
- Red
- Rtl (hdfs) pushbutton (on trunk lid)
- Tlc (hds) control module (left side of trunk)
- Trunk lid driver motor (left side of trunk)
- W6/1 (left taillamp in trunk)
Электросхема закрывания багажника, Универсал для Mercedes-Benz E500 4Matic 2005
Электросхема закрывания багажника, Универсал для Mercedes-Benz E500 4Matic 2005 - Список элементов:
- Automatic rear-end door closing control valve (left side of cargo area)
- Can-b h
- Can-b l
- Computer data lines system
- Fuse 30a
- Hot at all times
- Rear door hydraulic pump (left cargo area)
- Rear prefuse (lower right of front trunk)
- Rear-end trunk lid opening angle detection sensor (left side of trunk, near trunk lid driver motor)
- Red
- Tlc (hds) control module (left side of trunk)
- W6/1 (left taillamp in trunk)
БЛОК ПРЕДОХРАНИТЕЛЕЙ И РЕЛЕ
Электросхема блока предохранителей и реле (1 из 3) для Mercedes-Benz E500 4Matic 2005
Электросхема блока предохранителей и реле (1 из 3) для Mercedes-Benz E500 4Matic 2005 - Список элементов:
- 2003 & 2004 early prod.
- 2003-04
- 2004 late prod., 2005 & 2006
- 2005-06
- Airmatic relay
- Airmatic with ads control module
- Auxiliary battery relay
- Auxiliary battery relay (charging circuit)
- Battery
- Battery control module
- Cd changer
- Central gateway control module
- Cigarette lighter
- Circuit 58d potential splitter
- Comand operating display and control module
- Cutoff relay for inter- ruptible loads
- Data link connector
- Dc/dc converter control module
- Driver front seat adjustment control module with memory
- Driver side sam control module
- Driver side sam control module with fuse/relay module (left rear of engine compartment)
- Driver side sam control panel
- Electric suction fan engine & ac with integrated control
- From d on this page
- From e on this page
- From f on this page
- Front passenger front seat adjustable control module with memory
- Front prefuse box (right front footwell)
- Fuse 100a
- Fuse 150a
- Fuse 15a
- Fuse 15a 5a
- Fuse 200a
- Fuse 25a
- Fuse 30a
- Fuse 40a
- Fuse 50a
- Fuse 5a
- Fuse 7,5a
- Fuse 7.5a
- Heat systems recirculation unit or solar generator control module
- Hs & seat ventilation control module
- Interior fuse box (left end of dash)
- Interior socket
- Left front door control module
- Left front reversible emergency tensioning retractor
- Left rear door control module
- Loading floor control module (wagon)
- Lower control field control module
- Me-sfi control module
- Nca
- Neck-pro head restraint relay
- Passenger side sam control module
- Pneumatic pump for dynamic seat control
- Radio
- Radio control panel & navigation unit
- Rear module keyless go control module, left rear door keyless go control module
- Rear prefuse box (lower right front of trunk)
- Red
- Right front door control module
- Right front reversible emergency tensioning retractor
- Right rear door control module
- Sbc hydraulic unit
- Sdar control
- Starter, generator
- Steering column module
- Telecommunication control module or universal portable ctel interface control module
- Tlc control module
- To d on this page
- To driver side sam control module with fuse & relay module (diagram 2 of 3)
- To e on this page
- To f on this page
- To rear sam control module with fuse & relay module (diagram 3 of 3)
- Upper control panel control module
- Voice control system control module
- W/ comand system
- W/ radio control module
- W/ radio control panel
- W/ radio with aps
- W/o radio control panel
- W15/2 (left front footwell)
- W6 (left rear wheelhousing)
- Weight sensing system control module
Электросхема блока предохранителей и реле (2 из 3) для Mercedes-Benz E500 4Matic 2005
Электросхема блока предохранителей и реле (2 из 3) для Mercedes-Benz E500 4Matic 2005 - Список элементов:
- Airmatic with aids control unit or rear axle level control system control
- Circuit 15r relay
- Circuit 87 relay- engine
- Circuit relay
- Circuit relay- chassis
- Cutoff relay for interruptible loads
- Di control module
- Di control module, electric steering lock control module
- Driver side sam control module with fuse & relay module (left rear of engine compartment)
- Electronic selector lever module control unit
- Emergency call system control unit
- Emergency call system control unit, restraint systems control module (2005-06)
- Etc control module or electric control unit (vgs)
- Exterior lamp switch
- Fan relay module
- From g on this page
- From rear prefuse box (diagram 1 of 3)
- Fuse 15a
- Fuse 20a
- Fuse 30a
- Fuse 40a
- Fuse 53a 15a
- Fuse 53b 15a
- Fuse 54a 15a
- Fuse 54b 15a
- Fuse 5a
- Fuse 7.5a
- Headlamp range adjustment control module
- I10
- Ignition coil cylinders (1-6)
- Instrument cluster
- Instrument cluster, steering column module, comfort aac pushbutton control module
- Left front headlamp unit (w/ xenon)
- Not used
- Oil cooler air pump/fan relay
- Passenger seat occupied & child seat recognition sensor (2003)
- Red
- Restraint systems control module
- Restraint systems control module, emergency call system control unit (2005-06)
- Right front headlamp unit
- Seq pump control relay
- Solid state
- Starter relay
- To g on this page
- Wiper motor
Электросхема блока предохранителей и реле (3 из 3) для Mercedes-Benz E500 4Matic 2005
Электросхема блока предохранителей и реле (3 из 3) для Mercedes-Benz E500 4Matic 2005 - Список элементов:
- Alarm signal horn
- Ata inclination sensor
- Audio gateway control module
- Cargo area socket
- Circuit 15r relay 1
- Circuit 15r relay 2
- Driver front seat adjustment control module with memory
- F17
- F18
- F19
- F20
- From h on this page
- From rear prefuse box (diagram 1 of 3)
- Front passenger front seat adjustment control module with memory
- Fuel filler cap polarity change 1 relay
- Fuel filler cap polarity change 2 relay
- Fuel pump relay module
- Fuse 10a
- Fuse 15a
- Fuse 20a
- Fuse 25a
- Fuse 30a
- Fuse 40a
- Fuse 7.5a
- Fuse empty
- Interior socket (station wagon)
- Left antenna amplifier module
- Multi- contour seat pneumatic pump
- Multi- contour seat pneumatic pump
- Navigation processor
- Not used
- Overhead control panel control module
- Pts control module
- Rear door control module
- Rear sam control module with fuse & relay module (left side of trunk)
- Rear screen blind relay
- Rear window defroster relay
- Rear wiper relay
- Red
- Solid state
- To h on this page
- Tpm control module
- W15/1 (right front footwell)
- W6 (left wheelhousing, in trunk)
БЛОКИ УПРАВЛЕНИЯ КУЗОВОМ
водитель "s сторона схема управляющего модуля SAM (1 из 2) для Mercedes-Benz E500 4Matic 2005
водитель "s сторона схема управляющего модуля SAM (1 из 2) для Mercedes-Benz E500 4Matic 2005 - Список элементов:
- (or red)
- 2003-04
- Air conditioning system
- Anti-lock brake system
- Computer data lines system
- Cruise control system
- Driver side sam control module with fuse & relay module (left rear of engine compt)
- Electronic suspension system
- Engine control module
- Engine control system
- Exterior lights system
- Fuse 150a
- Fuse 200a
- Fuse 7.5a
- Headlights system
- Hot at all times
- I10
- I11
- I12
- I13
- Instrument cluster system
- Interior fuse box (left end of dash)
- Interior lights circuit
- Interior lights system
- Pnk/red
- Power distribution
- Rear prefuse box (lower right front of trunk)
- Red
- Sound system
- Starting/charging system
- Transmission system
- W15/2 (left front footwell)
- Wiper/washer system
водитель "s сторона схема управляющего модуля SAM (2 из 2) для Mercedes-Benz E500 4Matic 2005
водитель "s сторона схема управляющего модуля SAM (2 из 2) для Mercedes-Benz E500 4Matic 2005 - Список элементов:
- 2003-05
- Air conditioning system
- Anti-lock brake system
- Defogger system
- Driver side sam control module with fuse & relay module (left rear of engine compt)
- Engine control system
- Exterior lights system
- Headlamps system
- Headlights system
- Horns system
- Instrument cluster system
- Red
- W9 (at left headlamp unit)
- Wiper/washer system
пассажир "s сторона схема управляющего модуля SAM для Mercedes-Benz E500 4Matic 2005
пассажир "s сторона схема управляющего модуля SAM для Mercedes-Benz E500 4Matic 2005 - Список элементов:
- Air conditioning system
- Computer data lines system
- Cooling fan system
- Exterior lights system
- Front prefuse box (right front footwell)
- Fuse 25a
- Fuse 40a
- Headlights system
- Hot at all times
- Interior fuse box (left end of dash)
- Passenger-side sam control module (right kick panel)
- Power seats system
- Red
- W15/1 (right front footwell)
задняя дверная схема блока управления, Универсал для Mercedes-Benz E500 4Matic 2005
задняя дверная схема блока управления, Универсал для Mercedes-Benz E500 4Matic 2005 - Список элементов:
- Door lock system
- Exterior lights system
- Pnk/red
- Rear door control module (right side of tailgate)
- Rear sam control module with fuse & relay module (left side of of trunk)
- Red
- Trunk, tailgate, fuel doors system
- W8/3 (lower right side of tailgate)
- Wiper/washer system
задняя схема управляющего модуля SAM для Mercedes-Benz E500 4Matic 2005
задняя схема управляющего модуля SAM для Mercedes-Benz E500 4Matic 2005 - Список элементов:
- 2003-04
- Anti-lock brake system
- Anti-theft system
- Computer data lines system
- Defogger system
- Door locks system
- Engine control system
- Exterior lights system
- F17
- F20
- Fuse 200a
- Hot at all times
- Instrument cluster system
- Interior lights system
- Navigation system
- Power distribution
- Power seat system
- Power seats system
- Power window system
- Power windows system
- Rear door control module (right side of tailgate)
- Rear prefuse box (lower right right front of trunk)
- Rear sam control module with fuse & relay module (left side of trunk)
- Red
- Sedan
- Sound system
- Tire pressure system
- Trunk, tailgate, fuel doors system
- W6 (left rear wheelhousing)
- Wagon
БЛОКИРОВКИ СЕЛЕКТОРА СТОЯНОЧНЫЙ ТОРМОЗ
Электросхема блокировки селектора для Mercedes-Benz E500 4Matic 2005
Электросхема блокировки селектора для Mercedes-Benz E500 4Matic 2005 - Список элементов:
- Can-c h
- Can-c l
- Central gateway control module (left front footwell.)
- Circuit 87 relay, chassis
- Computer data lines system
- Di control module (right side of steering column)
- Driver side sam control module with fuse/relay module (left rear of engine compartment)
- Electric control unit (part of transmission)
- Electric steering lock control module (left front footwell)
- Electronic selector lever module control module (center console)
- Engine control module (me-sfi) (left rear of eng compt)
- Esp/sps/bas control module (left rear of eng compt)
- Etc control module (right front footwell)
- Fuse 45 7.5a
- Gear display sensor (under center console)
- Gnd
- Hot at all times
- Instrument cluster
- Keyless go start/stop pushbutton (if equipped)
- Left voltage distributor connector (left front door sill)
- Nca
- Solid state
- W/ 5 speed transmission
- W/ 7 speed transmission
- W15/1 (right front footwell)
ВНЕШНЕЕ ОСВЕЩЕНИЕ
передняя Электросхема внешнего освещения (1 из 2) для Mercedes-Benz E500 4Matic 2005
передняя Электросхема внешнего освещения (1 из 2) для Mercedes-Benz E500 4Matic 2005 - Список элементов:
- 15g
- 30z
- 49a
- 56b
- 58d
- Bus lwr
- Can h
- Can l
- Can-b h
- Can-b l
- Computer data lines system
- Di control module
- Driver side sam control module with fuse/relay module (left rear of engine compartment)
- Esp, sps & bas control module (left rear of engine compartment)
- Exterior lamp switch
- Front prefuse box (right front footwell)
- Fuse 200a
- Fuse 40a
- Hot at all times
- Hot at all times fuse 64 7.5a
- Hot at all times fuse 65 20a
- Hot at all times fuse 67 10a
- Hot in run and start fuse 52 7.5a
- I12
- Instrument cluster
- Interior lights system
- Led nsl
- Led nsw
- Left & right turn signal ind lamps, audible turn signal indicator
- Left front headlamp unit
- Left front side marker lamp
- Left standing and parking lamp
- Left turn signal lamp
- Passenger side sam control module (right kick panel)
- Rear prefuse box (lower right of front trunk)
- Red
- Right front headlamp unit
- Right front side marker lamp
- Right standing and parking lamp
- Right turn signal lamp
- Sbc hydraulic unit (right front of engine compartment)
- Sra
- Stop lamp switch (left front footwell)
- W15/1 (right front footwell)
- W15/3 (left front footwell)
- W2 (right headlamp unit)
- W9 (left headlamp unit)
передняя Электросхема внешнего освещения (2 из 2) для Mercedes-Benz E500 4Matic 2005
передняя Электросхема внешнего освещения (2 из 2) для Mercedes-Benz E500 4Matic 2005 - Список элементов:
- 2003-04
- 2005-06
- Can-b h
- Can-b l
- Can-c h
- Can-c l
- Combination switch
- Computer data lines system
- Fuse 25a
- Fuse 5a
- Fuse 7.5a
- Hazard warning system switch
- Headlamp flasher/ high beam switch
- Hot at all times
- Interior fuse box (left end of dash)
- Left exterior mirror
- Left exterior mirror ambient lamp
- Left exterior mirror turn signal lamp
- Left front door control module (in left front door)
- Red
- Right exterior mirror
- Right front door control module (in right front door)
- Steering column module (in steering wheel)
- Turn signal switch
- Upc carrier limit switch
- Upc carrier open & close motor
- Upper control panel control module
- W15/1 (right front footwell)
- W15/2 (left front footwell)
задняя Электросхема внешнего освещения, седан для Mercedes-Benz E500 4Matic 2005
задняя Электросхема внешнего освещения, седан для Mercedes-Benz E500 4Matic 2005 - Список элементов:
- Can-b h
- Can-b l
- Can-c h
- Can-c l
- Center high mounted stop lamp
- Central gateway control module (left front footwell)
- Computer data lines system
- Data
- Electronic control unit (vgs) (e500) (part of transmission)
- Electronic selector lever module control module (e320) (center console)
- Fra
- Fuse 200a
- Hot at all times
- Inner left taillamp, rear fog lamp
- Inner left turn signal lamp
- Inner right taillamp, rear fog lamp
- Inner right turn signal lamp
- Left backup lamp
- Left license plate lamp
- Left stop lamp
- Left taillamp
- Nca
- Nsl
- Outer left taillamp, parking lamp, rear fog lamp
- Outer left turn signal lamp
- Outer right taillamp, parking lamp, rear fog lamp
- Outer right turn signal lamp
- Overhead control panel control module
- Rain/light sensor (behind top center of windshield)
- Rear prefuse box (lower right of front trunk)
- Rear sam control module with fuse/relay module (left side of trunk)
- Red
- Rfl
- Right backup lamp
- Right license plate lamp
- Right stop lamp
- Right taillamp
- W6 (left rear wheelhousing)
задняя Электросхема внешнего освещения, Универсал для Mercedes-Benz E500 4Matic 2005
задняя Электросхема внешнего освещения, Универсал для Mercedes-Benz E500 4Matic 2005 - Список элементов:
- (left rear wheelhousing) w6
- 15r
- Can h
- Can l
- Can-b h
- Can-b l
- Can-c h
- Can-c l
- Center high mounted stop lamp
- Central gateway control module (left front footwell)
- Computer data lines system
- Data
- Electronic control unit (vgs) (e500) (part of transmission)
- Electronic selector lever module control module (e320) (center console)
- Fra
- Fuse 200a
- Hot at all times
- Left backup lamp
- Left license plate lamp
- Left rear door taillamp
- Left rear lamp foglamp
- Left stop lamp, taillamp and parking lamp
- Left taillamp
- Left turn signal lamp
- Nca
- Nsl/sl
- Overhead control panel control module
- Pnk/red
- Rain/light sensor (behind top center of windshield)
- Rear door control module (right side of tailgate)
- Rear end door spotlight
- Rear prefuse box (lower right of front trunk)
- Rear sam module control module with fuse/relay module (left side of trunk)
- Red
- Rfl
- Right backup lamp
- Right license plate lamp
- Right rear door taillamp
- Right rear lamp foglamp
- Right stop lamp, taillamp and parking lamp
- Right taillamp
- Right turn signal lamp
- Spotlight
- W6 (left rear wheelhousing)
- W8/3 (lower right side of liftgate)
- W8/3 (lower right side of tailgate)
- Kzb
ВНУТРЕННЕЕ ОСВЕЩЕНИЕ
Электросхема подсветки (1 из 3) для Mercedes-Benz E500 4Matic 2005
Электросхема подсветки (1 из 3) для Mercedes-Benz E500 4Matic 2005 - Список элементов:
- 15r
- 58d
- Ambient lamp
- Can-b h
- Can-b l
- Computer data lines system
- Data
- Dome lamp on/off switch
- Door contact on/off switch
- Front dome lamp
- Fuse 200a
- Hot at all times
- Interior rear view mirror unit
- Left front door contact switch
- Left front vanity mirror illum
- Left front vanity mirror illum switch
- Left reading lamp
- Left reading lamp switch
- Left rear door contact switch
- Light ring
- Nca
- Overhead control panel control module
- Rain/light sensor (behind top center of windshield)
- Rear dome lamp switch
- Rear prefuse box (lower right of front trunk)
- Rear sam control module with fuse/relay module (left side of trunk)
- Red
- Right front door contact switch
- Right front vanity mirror illum
- Right front vanity mirror illum switch
- Right reading lamp
- Right reading lamp switch
- Right rear door contact switch
- Trunk lid contact switch
- W15/1 (right front footwell)
- W15/2 (left front footwell)
- W6 (left rear wheelhousing)
- With interior motion sensor and with panoramic sliding roof
- With standard rear lamp
Электросхема подсветки (2 из 3) для Mercedes-Benz E500 4Matic 2005
Электросхема подсветки (2 из 3) для Mercedes-Benz E500 4Matic 2005 - Список элементов:
- + dome lamp dimmer button
- + dome lamp dimmer switch
- - dome lamp dimmer button
- - dome lamp dimmer switch
- Center overhead control panel control module
- Interior lamp
- Left foil lamp
- Left reading lamp
- Left reading lamp switch
- Left rear dome lamp
- Left window break sensor connector (wagon)
- Light ring
- Nca
- Rear
- Rear dome lamp
- Rear interior lamp
- Right foil lamp
- Right reading lamp
- Right reading lamp switch
- Right rear dome lamp
- Sliding sunroof lining switch
- With interior motion sensor
- With interior motion sensor and with panoramic sliding roof
Электросхема подсветки (3 из 3) для Mercedes-Benz E500 4Matic 2005
Электросхема подсветки (3 из 3) для Mercedes-Benz E500 4Matic 2005 - Список элементов:
- (+)
- (-)
- 58d
- Can-b h
- Can-b l
- Computer data lines system
- Fuse 25a
- Hot at all times
- Illumination
- Interior fuse box (left end of dash)
- Left front door control module (in left front door)
- Left front door entrance/exit lamp
- Left front door inside handle illum
- Left front door warning lamp
- Left rear door control module (in left rear door)
- Left rear door entrance/ exit lamp
- Left rear door inside handle illum
- Left rear door warning lamp
- Left rear power window switch
- Nca
- Red
- Right front door control module (in right front door)
- Right front door entrance/exit lamp
- Right front door inside handle illum
- Right front door warning lamp
- Right front power window switch
- Right rear door control module (in right rear door)
- Right rear door entrance/ exit lamp
- Right rear door inside handle illum
- Right rear door warning lamp
- Right rear power window switch
- Trunk lid open/ close switch (sedan) remote rear end opening switch (wagon)
- W15/1 (right front footwell)
- W15/2 (left front footwell)
Электросхема подсветки приборов для Mercedes-Benz E500 4Matic 2005
Электросхема подсветки приборов для Mercedes-Benz E500 4Matic 2005 - Список элементов:
- (left rear wheelhousing) w6
- 15g
- 31e
- 58d
- Bus lwr
- Can-b h
- Can-b l
- Can-c h
- Can-c l
- Cigar lighter
- Circuit 58d potential splitter (left front door sill)
- Computer data lines system
- Control panel rear switch group
- Driver side sam control module with fuse/relay module (left rear of engine compartment)
- Exterior lamp
- Fuse 200a
- Hot at all times
- Hot at all times fuse 64 7.5a
- Hot in run and start fuse 52 7.5a
- I13
- Instrument cluster
- Instrument lighting rheostat & reset button
- Interior socket
- Led nsl
- Led nsw
- Left air outlet illumination
- Left front footwell lamp
- Left rear footwell lamp
- Left trunk lamp (sedan) left luggage compt lamp (wagon)
- Mb-info and telediagnosis button group
- Nca
- Rear air outlet illumination
- Rear prefuse box (lower right of front trunk)
- Rear sam control module with fuse/relay module (left side of trunk)
- Red
- Right air outlet illumination
- Right front footwell lamp
- Right front stowage compartment illumination
- Right luggage compt lamp
- Right rear footwell lamp
- Right trunk lamp
- Sedan
- Sos/ata switch group
- Sra
- W15/1 (right front footwell)
- W15/1 (right right footwell)
- W15/2 (left front footwell)
- W15/3 (left front footwell)
- W17/1 (left end of rear seat back)
- W6 (left rear wheelhousing)
- Wagon
ЗАЗЕМЛЕНИЕ ПОДКЛЮЧЕНИЕ МАССЫ
Электросхема подключение массы заземления для Mercedes-Benz E500 4Matic 2005
Электросхема подключение массы заземления для Mercedes-Benz E500 4Matic 2005 - Список элементов:
- C-aac sun sensors (4), right front brake pad contact sensor, fanfare horns, rear sam control module with fuse/relay module, washer nozzle heaters (2), windshield washer fluid pump, washer nozzle hose heater, alarm signal horn, ata hood switch, ata inclination sensor, right front headlamp unit, right fog lamp, coolant circulation pump
- Driver side sam control module with fuse/relay module, dtr control unit, right fanfare horn, left front brake pad sensor ('06), c-aac multi-function sensor, esp, sps & bas control module, brake fluid indicator switch, left front headlamp unit, left fog lamp
- Driver-side side airbag and window airbag sensor, passenger-side side airbag and window airbag sensor, restraint systems control module, driver-side seat belt buckle restraint systems switch, passenger-side seat belt buckle restraint systems switch, driver-side frontal acceleration sensor, passenger-side frontal acceleration sensor, passenger seat occupied & child seat recognition sensor
- Left taillamp, right taillamp, right luggage compartment lamp, rear door control module, tailgate wiper motor, center high mounted stop lamp, left luggage compartment lamp, load compartment limit switch, right rear backrest angle switch, right rear seat release mechanism switch, left rhr release valve, right rhr release valve, multi-contour seat pneumatic pump or dynamic seat control pneumatic pump, left rear seat release mechanism switch, left rear backrest angle switch, rear end door spotlight, left license plate lamp, right license plate lamp, tailgate washer nozzle heater, left rear door taillamp, right rear door taillamp
- Me-sfi control module, data link connector
- Trunk lid ambient light, left license plate lamp (wagon), right license plate lamp (wagon), center high mounted stop lamp (wagon), right trunk lamp (wagon), left trunk lamp (wagon), left taillamp (wagon), right taillamp (wagon), trunk lid lock switch (wagon), trunk lid external operation switch (wagon), left rear seat release mechanism switch (wagon), right rear seat release mechanism switch (wagon), center rear head restraint motor (wagon), trunk lid contact switch ('05-'06) (wagon) pawl rotary tumbler switch (wagon), left rear backrest angle switch (wagon), right rear backrest angle switch (wagon), left rear head restraint motor (wagon), right rear head restraint motor (wagon), overhead control panel control module
- Upper control panel control module, right front door control module, di control module, instrument cluster, right air outlet illumination, left air outlet illumination, driver-side airbag squib, right rear footwell lamp, passenger-side sam control module, dtr control module, gear display sensor, electronic selector lever module control module, steering column module, exterior lamp switch, glove compartment illumination switch, in-car temperature sensor, right front footwell lamp, comfort aac pushbutton control module, right front door contact switch, right rear door contact switch, right rear brake pad contact sensor, etc control module, front passenger front seat adjustment control module with memory, heater booster, dc/dc converter control module
- W15/1 (right front footwell)
- W15/2 (left front footwell)
- W15/3 (left rear of engine compartment)
- W17/1 (left end of rear seat back)
- W2 (at right headlamp unit)
- W26 (under center console)
- W6 (left rear wheelhousing)
- W8/3 (wagon) (lower right side of liftgate)
- W9 (at left headlamp unit)
Звуковой сигнал Гудок
Электросхема звукового сигнал Гудка для Mercedes-Benz E500 4Matic 2005
Электросхема звукового сигнал Гудка для Mercedes-Benz E500 4Matic 2005 - Список элементов:
- Can-b h
- Can-b l
- Computer data lines system
- Driver side sam control module with fuse & relay module (left rear of eng compt)
- Fan relay module
- Fanfare horn switch
- Fuse 53a 15a
- Fuse 53b 15a
- Horn/ airbag clock spring contact
- Hot at all times
- Hot w/ circuit 15r relay energized
- I13
- Left fanfare horn (left front wheelhouse)
- Left multi- function steering wheel pushbutton group
- Nca
- Red
- Right fanfare horn (right front of engine compt)
- Right multi- function steering wheel pushbutton group
- Steering column module (on steering column)
- W2 (at right headlamp unit)
- W9 (at left headlamp unit)
Магнитола Мультимедия
авто пилот системная схема для Mercedes-Benz E500 4Matic 2005
авто пилот системная схема для Mercedes-Benz E500 4Matic 2005 - Список элементов:
- (2003 & 2004 early prod)
- (left front footwell) w15/2
- (left rear wheelhousing) w6
- (pin 4-12 not used)
- Antenna
- Audio gateway control module (left side of trunk)
- Aut
- Bass module loud speaker
- Can- b h
- Can- b l
- Can-b h
- Can-b l
- Cd changer (if equipped)
- Center cockpit speaker
- Fuse 15a
- Fuse 40a
- Fuse 7.5a
- Gps ant
- Gps antenna
- Gps antenna splitter
- Hot at all times
- Interior fuse box (left end of dash)
- Left antenna amplifier module (left "c" pillar)
- Left front door speakers
- Left rear door speakers
- Most
- Most data bus circuit
- Most in
- Most out
- Most wake-up
- Mute
- Nca
- Pnk
- Radio control panel & navigation unit
- Rear sam control module with fuse & relay module (left side of trunk)
- Red
- Right front door speakers
- Right rear door speakers
- Shield
- Solid state
- Sound amplifier microphone (front center part of interior rear view mirror unit)
- Telecommunications control module (front of trunk)
- Tweeter
- W/ tele aid emergency call system
- W/o tele aid emergency call system
- W15/1 (right front footwell)
- Wake-up
- Woofer
- Zf-out
схема приведения в действие COMAND для Mercedes-Benz E500 4Matic 2005
схема приведения в действие COMAND для Mercedes-Benz E500 4Matic 2005 - Список элементов:
- (2003 & 2004 early prod)
- (2004 late prod & 2005)
- (pin 4-12 not used)
- Accept/ terminate phone call pushbutton
- Audio gateway control module (left side of trunk)
- Bass module loud speaker
- Can-b h
- Can-b l
- Can-c h
- Can-c l
- Cd changer
- Central gateway control module (left front footwell.)
- Comand operating, display and control module (front center console)
- Computer data lines system
- Data
- Emergency call system control unit (sedan: center of trunk, wagon: center of cargo area)
- Fuse 15a
- Hot at all times
- Instrument cluster
- Interior fuse box (left end of dash)
- Left multifunction steering wheel pushbutton group
- Left voltage distributor (can) connector (in left front door sill)
- Mic +
- Mic -
- Most
- Most in
- Most out
- Most wake-up
- Navigation processor (cns) (left side of trunk)
- Nca
- Nf-l
- Nf-r
- Out
- Pnk
- Pushbutton
- Red
- Right multifunction steering wheel pushbutton group
- Scroll forward/ back pushbutton
- Sdar control unit (right rear of trunk)
- Separation point (except 2003 early prod) (glove compt)
- Shield
- Steering column module (left side of dash)
- System selection pushbutton
- Telecom- munications control module (2003 & 2004 early prod) (front of trunk)
- Universal portable ctel interface (upci [uhi]) control module (if equipped) (rear center of vehicle)
- Voice activation control module (front of trunk)
- Volume control
- W15/2 (left front footwell)
- Wake-up
- Wake-up signal connector (left front footwell)
- Walkman
БОЛЬШАЯ ЧАСТЬ схемы шины данных для Mercedes-Benz E500 4Matic 2005
БОЛЬШАЯ ЧАСТЬ схемы шины данных для Mercedes-Benz E500 4Matic 2005 - Список элементов:
- Audio gateway control module (left side of trunk)
- Cd changer
- Most
- Navigation processor (cns) (left side of trunk)
- Out
- Pnk
- Radio or radio control panel and navigation unit or comand operating, display and control module (front center console)
- Sdar control unit (right rear of trunk)
- Telecommunications control module (2003 & 2004 early prod) (front of trunk)
- Universal portable ctel interface (upci [uhi]) control module (if equipped) (rear center of vehicle)
- Voice activation control module (front of trunk)
- W/ vcs or upci
- W/o vcs or upci
- Wake-up
- Wake-up signal connector (left front footwell)
Электросхема магнитолы для Mercedes-Benz E500 4Matic 2005
Электросхема магнитолы для Mercedes-Benz E500 4Matic 2005 - Список элементов:
- (2003 & 2004 early prod)
- (left front footwell) w15/2
- (left rear wheelhousing) w6
- (pin 4-12 not used)
- Antenna
- Audio gateway control module (left side of trunk)
- Aut
- Bass module loud speaker
- Can- b h
- Can- b l
- Can-b h
- Can-b l
- Cd changer (if equipped)
- Center cockpit speaker
- Fuse 40a
- Fuse 5a
- Fuse 7.5a
- Hot at all times
- Interior fuse box (left end of dash)
- Left antenna amplifier module (left "c" pillar)
- Left front door speakers
- Left rear door speakers
- Most
- Most data bus circuit
- Most in
- Most out
- Most wake-up
- Mute
- Nca
- Pnk
- Radio
- Rear sam control module with fuse & relay module (left side of trunk)
- Red
- Right front door speakers
- Right rear door speakers
- Shield
- Solid state
- Sound amplifier microphone (front center part of interior rear view mirror unit)
- Telecommunications control module (front of trunk)
- Tweeter
- W15/1 (right front footwell)
- Wake-up
- Woofer
- Zf-out
Электросхема спутникового радио для Mercedes-Benz E500 4Matic 2005
Электросхема спутникового радио для Mercedes-Benz E500 4Matic 2005 - Список элементов:
- (right rear of trunk)
- Fuse 5a
- Hot at all times
- Most
- Most data bus circuit
- Most in
- Most out
- Nca
- Pnk
- Rear prefuse box (lower right front of trunk)
- Sat
- Sdar antenna
- Sdar control unit
- Ter
- W17/1 (left end of rear seat back)
- Wake-up
переговорная схема активации для Mercedes-Benz E500 4Matic 2005
переговорная схема активации для Mercedes-Benz E500 4Matic 2005 - Список элементов:
- (2003 & 2004 early prod)
- (2004 late prod & 2005)
- (pin 4-12 not used)
- Audio gateway control module (left side of trunk)
- Bass module loud speaker
- Can-b h
- Can-b l
- Can-c h
- Can-c l
- Cd changer
- Central gateway control module (left front footwell.)
- Comand operating, display and control module (front center console)
- Computer data lines system
- Emergency call system control unit (sedan: center of trunk, wagon: center of cargo area)
- Fuse 15a
- Hot at all times
- Instrument cluster
- Interior fuse box (left end of dash)
- Left voltage distributor (can) connector (in left front door sill)
- Mic +
- Mic -
- Most
- Most in
- Most out
- Most wake-up
- Navigation processor (cns) (left side of trunk)
- Nca
- Nf-l
- Nf-r
- Out
- Pnk
- Sdar control unit (right rear of trunk)
- Separation point (except 2003 early prod) (glove compt)
- Shield
- Steering column module (left side of dash)
- Telecom- munications control module (2003 & 2004 early prod) (front of trunk)
- Universal portable ctel interface (upci [uhi]) control module (if equipped) (rear center of vehicle)
- Vcs (sbs) switch
- Voice activation control module (front of trunk)
- W15/2 (left front footwell)
- Wake-up
- Wake-up signal connector (left front footwell)
- Walkman
Навигация GPS Парктроники
авто пилот системная схема для Mercedes-Benz E500 4Matic 2005
авто пилот системная схема для Mercedes-Benz E500 4Matic 2005 - Список элементов:
- (2003 & 2004 early prod)
- (left front footwell) w15/2
- (left rear wheelhousing) w6
- (pin 4-12 not used)
- Antenna
- Audio gateway control module (left side of trunk)
- Aut
- Bass module loud speaker
- Can- b h
- Can- b l
- Can-b h
- Can-b l
- Cd changer (if equipped)
- Center cockpit speaker
- Fuse 15a
- Fuse 40a
- Fuse 7.5a
- Gps ant
- Gps antenna
- Gps antenna splitter
- Hot at all times
- Interior fuse box (left end of dash)
- Left antenna amplifier module (left "c" pillar)
- Left front door speakers
- Left rear door speakers
- Most
- Most data bus circuit
- Most in
- Most out
- Most wake-up
- Mute
- Nca
- Pnk
- Radio control panel & navigation unit
- Rear sam control module with fuse & relay module (left side of trunk)
- Red
- Right front door speakers
- Right rear door speakers
- Shield
- Solid state
- Sound amplifier microphone (front center part of interior rear view mirror unit)
- Telecommunications control module (front of trunk)
- Tweeter
- W/ tele aid emergency call system
- W/o tele aid emergency call system
- W15/1 (right front footwell)
- Wake-up
- Woofer
- Zf-out
схема приведения в действие COMAND для Mercedes-Benz E500 4Matic 2005
схема приведения в действие COMAND для Mercedes-Benz E500 4Matic 2005 - Список элементов:
- (2003 & 2004 early prod)
- (2004 late prod & 2005)
- (pin 4-12 not used)
- Accept/ terminate phone call pushbutton
- Audio gateway control module (left side of trunk)
- Bass module loud speaker
- Can-b h
- Can-b l
- Can-c h
- Can-c l
- Cd changer
- Central gateway control module (left front footwell.)
- Comand operating, display and control module (front center console)
- Computer data lines system
- Data
- Emergency call system control unit (sedan: center of trunk, wagon: center of cargo area)
- Fuse 15a
- Hot at all times
- Instrument cluster
- Interior fuse box (left end of dash)
- Left multifunction steering wheel pushbutton group
- Left voltage distributor (can) connector (in left front door sill)
- Mic +
- Mic -
- Most
- Most in
- Most out
- Most wake-up
- Navigation processor (cns) (left side of trunk)
- Nca
- Nf-l
- Nf-r
- Out
- Pnk
- Pushbutton
- Red
- Right multifunction steering wheel pushbutton group
- Scroll forward/ back pushbutton
- Sdar control unit (right rear of trunk)
- Separation point (except 2003 early prod) (glove compt)
- Shield
- Steering column module (left side of dash)
- System selection pushbutton
- Telecom- munications control module (2003 & 2004 early prod) (front of trunk)
- Universal portable ctel interface (upci [uhi]) control module (if equipped) (rear center of vehicle)
- Voice activation control module (front of trunk)
- Volume control
- W15/2 (left front footwell)
- Wake-up
- Wake-up signal connector (left front footwell)
- Walkman
Электросхема навигации GPS для Mercedes-Benz E500 4Matic 2005
Электросхема навигации GPS для Mercedes-Benz E500 4Matic 2005 - Список элементов:
- (if equipped)
- (pin 6-12 not used)
- 2003 & 2004 early prod
- 2004 late prod & 2005
- Audio gateway control module (left side of trunk)
- Bass module loud speaker
- Can- b h
- Can- b l
- Can-b h
- Can-b l
- Can-c h
- Can-c l
- Cd changer
- Computer data lines system
- Di control module (right side of steering column)
- Emergency call system control unit (center of trunk)
- Fuse 20a
- Gps
- Gps ant
- Gps antenna
- Gps antenna splitter
- Hot at all times
- Left front door contact switch
- Most
- Most in
- Most out
- Most wake-up
- Navigation processor (cns) (left side of trunk)
- Nca
- Out
- Pnk
- Radio or radio control panel and navigation unit or comand operating, display and control module (front center console)
- Rear sam control module with fuse & relay module (left side of trunk)
- Sdar control unit (right rear of trunk)
- Shield
- Solid state
- Telecom- munications control module (front of trunk)
- Universal portable ctel interface (upci [uhi]) control module (if equipped) (rear center of vehicle)
- Voice activation control module (front of trunk)
- W/ vcs or upci
- W/o vcs or upci
- W15/2 (left front footwell)
- W6 (left rear wheelhousing)
- Wake-up
- Wake-up signal connector (left front footwell)
схема Parktronic для Mercedes-Benz E500 4Matic 2005
схема Parktronic для Mercedes-Benz E500 4Matic 2005 - Список элементов:
- (+) sh
- (+) sv
- (-) sh
- (-) sv
- Can-b h
- Can-b l
- Computer data lines system
- Front bumper pts sensor unit
- Fuse 20a
- Hot w/ circuit 15r relay 2 energized
- Left center sensor
- Left inner sensor
- Left outer sensor
- Lower control field control module (under center console)
- Parktronic system (pts) control module (left rear of trunk)
- Pnk
- Pts on/off switch
- Pts warning indicator (center of dash)
- Pts warning indicator (center rear of roof)
- Rear bumper pts sensor unit
- Rear sam control module with fuse & relay module (left side of trunk)
- Right center sensor
- Right inner sensor
- Right outer sensor
- S1 v
- S10 h
- S2 v
- S3 v
- S4 v
- S5 v
- S6 v
- S7 h
- S8 h
- S9 h
- W h (+)
- W h (-)
- W h (data)
- W v (+)
- W v (-)
- W v (data)
- W6 (left rear wheelhousing)
переговорная схема активации для Mercedes-Benz E500 4Matic 2005
переговорная схема активации для Mercedes-Benz E500 4Matic 2005 - Список элементов:
- (2003 & 2004 early prod)
- (2004 late prod & 2005)
- (pin 4-12 not used)
- Audio gateway control module (left side of trunk)
- Bass module loud speaker
- Can-b h
- Can-b l
- Can-c h
- Can-c l
- Cd changer
- Central gateway control module (left front footwell.)
- Comand operating, display and control module (front center console)
- Computer data lines system
- Emergency call system control unit (sedan: center of trunk, wagon: center of cargo area)
- Fuse 15a
- Hot at all times
- Instrument cluster
- Interior fuse box (left end of dash)
- Left voltage distributor (can) connector (in left front door sill)
- Mic +
- Mic -
- Most
- Most in
- Most out
- Most wake-up
- Navigation processor (cns) (left side of trunk)
- Nca
- Nf-l
- Nf-r
- Out
- Pnk
- Sdar control unit (right rear of trunk)
- Separation point (except 2003 early prod) (glove compt)
- Shield
- Steering column module (left side of dash)
- Telecom- munications control module (2003 & 2004 early prod) (front of trunk)
- Universal portable ctel interface (upci [uhi]) control module (if equipped) (rear center of vehicle)
- Vcs (sbs) switch
- Voice activation control module (front of trunk)
- W15/2 (left front footwell)
- Wake-up
- Wake-up signal connector (left front footwell)
- Walkman
Подогрев стекол и зеркал
Электросхема подогрева стекол и зеркал для Mercedes-Benz E500 4Matic 2005
Электросхема подогрева стекол и зеркал для Mercedes-Benz E500 4Matic 2005 - Список элементов:
- Can-b h
- Can-b l
- Comfort aac pushbutton control module (center of dash)
- Computer data lines system
- Fuse 150a
- Fuse 40a
- Hot at all times
- Rear window defroster element
- Rear fuse box (lower right front of trunk)
- Rear sam control module with fuse & relay module (left side of trunk)
- Rear window defroster relay
- Rear window defroster switch
- Rear window noise suppresser
- Red
- W6 (left rear wheelhousing)
- W9 (at left headlamp unit)
Электросхема подогрева зеркал заднего вида для Mercedes-Benz E500 4Matic 2005
Электросхема подогрева зеркал заднего вида для Mercedes-Benz E500 4Matic 2005 - Список элементов:
- Can-b h
- Can-b l
- Computer data lines system
- Fuse 25a
- Hot at all times
- Interior fuse box (left end of dash)
- Left front door control module (left front door)
- Left outside rearview mirror
- Red
- Right front door control module (right front door)
- Right outside rearview mirror
- Sh (+)
- Sh (-)
- W15/1 (right front footweel)
- W15/2 (left front footweel)
ПОДУШКИ БЕЗОПАСНОСТИ AIR BAG
аварийная схема механизмов натяжения ремня безопасности для Mercedes-Benz E500 4Matic 2005
аварийная схема механизмов натяжения ремня безопасности для Mercedes-Benz E500 4Matic 2005 - Список элементов:
- Can h
- Can l
- Computer data lines system
- Driver-side sam control module w/ fuse & relay module (left rear of engine compt)
- Front footwell)
- Front prefuse (right front footwell)
- Fuse 40a
- Hot at all times
- Left front reversible emergency tensioning retractor
- Rear prefuse (lower right front of trunk)
- Right front reversible emergency tensioning retractor
- W15/1 (right
- W15/2 (left
Электросхема подушек безопасности SRS AirBag (1 из 2) для Mercedes-Benz E500 4Matic 2005
Электросхема подушек безопасности SRS AirBag (1 из 2) для Mercedes-Benz E500 4Matic 2005 - Список элементов:
- (pins 5 thru 32: not used)
- 15r
- Ab1 d1+
- Ab1 d1-
- Ab1 p1+
- Ab1 p1-
- Ab2 d2+
- Ab2 d2-
- Ab2 p2+
- Ab2 p2-
- Can h
- Can l
- Computer data lines system
- Crash
- Crash sig
- Driver seat belt buckle restraint systems switch
- Driver-side sam control module w/ fuse & relay module (left rear of engine compt)
- Drvr belt
- Etr d+
- Etr d-
- Etr lr+
- Etr lr-
- Etr p+
- Etr p-
- Etr rr+
- Etr rr-
- Fuse 5a
- Hot at all times
- Interior fuse box (left end of dash)
- Left airbags sensor (under left rear seat)
- Left front wss sensor (under right front seat)
- Left frontal accel- eration sensor (left side of engine compt)
- Left rear wss sensor (under right front seat)
- Limiter d+
- Limiter d-
- Limiter p+
- Limiter p-
- Nca
- Pass belt
- Passenger seat belt buckle restraint systems switch
- Passenger seat occupied & child seat recognition sensor (under right front seat)
- Red
- Restraint systems control module (center control module)
- Right airbags sensor (under right rear seat)
- Right front wss sensor (under right front seat)
- Right frontal accel- eration sensor (right side of engine compt)
- Right rear wss sensor (under right front seat)
- Sb d+
- Sb d-
- Sb lr+
- Sb lr-
- Sb p+
- Sb p-
- Sb rr+
- Sb rr-
- Seat occ
- Side l
- Side r
- Upfront l
- Upfront r
- W15/1 (right front footwell)
- W26 (under center console)
- Wb l+
- Wb l-
- Wb r+
- Wb r-
- Weight sensing system (wss) control unit (under right front seat)
Электросхема подушек безопасности SRS AirBag (2 из 2) для Mercedes-Benz E500 4Matic 2005
Электросхема подушек безопасности SRS AirBag (2 из 2) для Mercedes-Benz E500 4Matic 2005 - Список элементов:
- (2004)
- (2005)
- (at left front seat) left side airbag squib
- (at right front door) right side airbag squib
- (behind right side of dash) front passenger airbag squib 1
- (behind right side of dash) front passenger airbag squib 2
- Clockspring
- Driver airbag squib 1 (behind drivers airbag)
- Driver airbag squib 2 (behind drivers airbag)
- Driver etr squib (at base of left "b" pillar)
- Driver seat belt force limiter
- Front passenger etr squib (at base of right "b" pillar)
- Front passenger seat belt force limiter
- Left rear etr squib (left "c" pillar)
- Left rear side airbag squib (at left rear door)
- Left rear window airbag squib (at left "a" pillar)
- Red
- Right rear etr squib (right "c" pillar)
- Right rear side airbag squib (at right rear door)
- Right rear window airbag squib (at right "a" pillar)
- Steering column module
- W15/1 (right front footwell)
- W15/2 (left front footwell)
ПРЕДУПРЕЖДАЮЩИЕ СИСТЕМЫ
Электросхема системы контроля давления в шинах для Mercedes-Benz E500 4Matic 2005
Электросхема системы контроля давления в шинах для Mercedes-Benz E500 4Matic 2005 - Список элементов:
- Ant
- Can-b h
- Can-b l
- Computer data lines system
- Fuse 200a
- Fuse 20a
- Gnd
- Hot at all times
- Hot in run and start
- Left front tire pressure control sensor
- Left front tire pressure sensor control antenna
- Left rear tire pressure control sensor
- Left rear tire pressure sensor control antenna
- Nca
- Rear prefuse box (lower right of front trunk)
- Rear sam control module with fuse/relay module (left side of trunk)
- Red
- Right front tire pressure control sensor
- Right front tire pressure sensor control antenna
- Right rear tire pressure control sensor
- Right rear tire pressure sensor control antenna
- Tire pressure monitoring control module (left side of trunk)
- W6 (left rear wheelhousing)
Электросхема предупреждающей системы для Mercedes-Benz E500 4Matic 2005
Электросхема предупреждающей системы для Mercedes-Benz E500 4Matic 2005 - Список элементов:
- "check engine" malfunction indicator lamp
- (at right headlamp w2
- (left front footwell)
- 15r
- 15g
- 31e
- Abs malfunction indicator lamp
- Airbag indicator and warning lamp
- Ambient temp display temp sensor (left front bumper)
- Audible turn signal indicator
- Brake fluid and parking brake warning lamp
- Brake fluid indicator switch (left rear of engine compartment)
- Can-b h
- Can-b l
- Can-c h
- Can-c l
- Computer data lines system
- Coolant level indicator switch (front right wheelhouse)
- Driver side sam control module with fuse & relay module (left rear of engine compartment)
- Driver's side seat belt buckle restraint systems switch
- Dtr warning lamp
- Electronic clock
- Electronic speedometer
- Engine coolant temperature malfunction indicator
- Engine diagnosis malfunction indicator
- Esp and abs warning lamp
- Etc gauge
- Fuel level and reserve gauge
- Fuel reserve indicator lamp
- Fuse 200a
- Fuse 7.5a
- Gear display
- High beam indicator lamp
- Hot at all times
- Hot in run and start
- I13
- Instrument cluster
- Instrument lighting rheostat and reset pushbutton
- Left front brake pad contact sensor (2003-05) (left front wheelhouse)
- Left fuel level sensor (under left rear seat, inside gas tank)
- Left turn signal indicator lamp
- Multifunction display
- Nca
- Parking brake indicator switch (left front footwell)
- Passenger's side seat belt buckle restraint systems switch
- Rear prefuse box (lower right of front trunk)
- Rear sam control module with fuse/relay module (left side of trunk)
- Red
- Restraint systems control module (front center console)
- Right front brake pad contact sensor (right front wheelhouse)
- Right fuel level sensor (under right rear seat, inside gas tank)
- Right rear brake pad contact sensor (right rear wheelhouse)
- Right turn signal indicator lamp
- Seat belt reminder lamp
- Tachometer
- Unit)
- W15/1 (right front footwell)
- W15/2
- W15/3 (left front footwell)
- W2 (at right headlamp unit)
- W26 (under center console)
- W6 (left rear wheelhousing)
- Warning buzzer
- Windshield washer fluid indicator switch (front right wheelhouse)
ПРИБОРНАЯ ПАНЕЛЬ
Электросхема панели приборов для Mercedes-Benz E500 4Matic 2005
Электросхема панели приборов для Mercedes-Benz E500 4Matic 2005 - Список элементов:
- "check engine" malfunction indicator lamp
- (at right headlamp w2
- (left front footwell)
- 15r
- 15g
- 31e
- Abs malfunction indicator lamp
- Airbag indicator and warning lamp
- Ambient temp display temp sensor (left front bumper)
- Audible turn signal indicator
- Brake fluid and parking brake warning lamp
- Brake fluid indicator switch (left rear of engine compartment)
- Can-b h
- Can-b l
- Can-c h
- Can-c l
- Computer data lines system
- Coolant level indicator switch (front right wheelhouse)
- Driver side sam control module with fuse & relay module (left rear of engine compartment)
- Driver's side seat belt buckle restraint systems switch
- Dtr warning lamp
- Electronic clock
- Electronic speedometer
- Engine coolant temperature malfunction indicator
- Engine diagnosis malfunction indicator
- Esp and abs warning lamp
- Etc gauge
- Fuel level and reserve gauge
- Fuel reserve indicator lamp
- Fuse 200a
- Fuse 7.5a
- Gear display
- High beam indicator lamp
- Hot at all times
- Hot in run and start
- I13
- Instrument cluster
- Instrument lighting rheostat and reset pushbutton
- Left front brake pad contact sensor (2003-05) (left front wheelhouse)
- Left fuel level sensor (under left rear seat, inside gas tank)
- Left turn signal indicator lamp
- Multifunction display
- Nca
- Parking brake indicator switch (left front footwell)
- Passenger's side seat belt buckle restraint systems switch
- Rear prefuse box (lower right of front trunk)
- Rear sam control module with fuse/relay module (left side of trunk)
- Red
- Restraint systems control module (front center console)
- Right front brake pad contact sensor (right front wheelhouse)
- Right fuel level sensor (under right rear seat, inside gas tank)
- Right rear brake pad contact sensor (right rear wheelhouse)
- Right turn signal indicator lamp
- Seat belt reminder lamp
- Tachometer
- Unit)
- W15/1 (right front footwell)
- W15/2
- W15/3 (left front footwell)
- W2 (at right headlamp unit)
- W26 (under center console)
- W6 (left rear wheelhousing)
- Warning buzzer
- Windshield washer fluid indicator switch (front right wheelhouse)
ПРИВОД ЗЕРКАЛ
Электросхема привода зеркал для Mercedes-Benz E500 4Matic 2005
Электросхема привода зеркал для Mercedes-Benz E500 4Matic 2005 - Список элементов:
- 15r
- 58d
- Automatic dimming mirror
- Can-b h
- Can-b l
- Computer data lines system
- Data
- Defogger system
- Exterior lights system
- Fold-in, fold-out switch
- Fuse 200a
- Fuse 25a
- Hot at all times
- In/out motor
- Interior fuse box (left end of dash)
- Interior lights system
- Interior rear view mirror unit
- Left exterior mirror
- Left exterior mirror ambient lamp
- Left exterior mirror heater
- Left exterior mirror turn signal lamp
- Left front door control module (in left front door)
- Left/right selection switch
- Nca
- Outside mirror adjustment switch
- Overhead control panel control module
- Raise/lower, in/out rocker switch
- Rear prefuse box (lower right of front trunk)
- Rear sam control module with fuse/relay module (left side of trunk)
- Red
- Right exterior mirror
- Right exterior mirror ambient lamp
- Right exterior mirror heater
- Right exterior mirror turn signal lamp
- Right front door control module (in right front door)
- Up/dn motor
- W15/1 (right front footwell)
- W15/2 (left front footwell)
- W6 (left rear wheelhousing)
ПРИВОД ЛЮКА И КРЫШИ
Электросхема привода люка или крыши для Mercedes-Benz E500 4Matic 2005
Электросхема привода люка или крыши для Mercedes-Benz E500 4Matic 2005 - Список элементов:
- (pin 7-12 not used)
- Center overhead control panel control module
- Data
- Interior lights system
- Left rear dome lamp
- Nca
- Overhead control panel control module (front center of roof)
- Panoramic sliding roof driver unit
- Rear sam control module with fuse & relay module (left side of trunk)
- Roof switch
- Sliding roof lining driver unit
- Sliding sunroof lining switch
- W6 (left rear wheelhousing)
ПРИВОД СТЕКЛОПОДЪЕМНИКОВ
Электросхема стеклоподъемников для Mercedes-Benz E500 4Matic 2005
Электросхема стеклоподъемников для Mercedes-Benz E500 4Matic 2005 - Список элементов:
- (+)
- (-)
- 58d
- Can-b h
- Can-b l
- Computer data lines system
- Data
- Driver power window switch group
- Fuse 25a
- Hot at all times
- Interior fuse box (left end of dash)
- Left front door control module (in left front door)
- Left front power window motor
- Left front window switch
- Left rear door control module (in left rear door)
- Left rear power window motor
- Left rear power window switch
- Left rear window switch
- Rear side child saftey lock switch
- Red
- Right front door control module (in right front door)
- Right front power window motor
- Right front power window switch
- Right front window switch
- Right rear door control module (in right rear door)
- Right rear power window motor
- Right rear power window switch
- Right rear window switch
- W15/1 (right front footwell)
- W15/2 (left front footwell)
Электросхема шторки заднего стекла, седан для Mercedes-Benz E500 4Matic 2005
Электросхема шторки заднего стекла, седан для Mercedes-Benz E500 4Matic 2005 - Список элементов:
- 2003-04
- 2005-06
- Can-b h
- Can-b l
- Computer data lines system
- F20
- Fuse 200a
- Fuse 5a
- Fuse 7.5a
- Hot at all times
- Interior fuse box (left end of dash)
- Rear blind switch
- Rear prefuse box (lower right of front trunk)
- Rear sam control module with fuse/relay module (left side of trunk)
- Rear screen blind relay (left side of trunk)
- Rear window blind motor (under hat shelf)
- Red
- Upc carrier limit switch
- Upc carrier open & close motor
- Upper control panel control module
- W15/2 (left front footwell)
- W6 (left rear wheelhousing)
Противоугонная система Сигнализация
противоугонная цепь аварийной сигнализации для Mercedes-Benz E500 4Matic 2005
противоугонная цепь аварийной сигнализации для Mercedes-Benz E500 4Matic 2005 - Список элементов:
- (2003 early prod)
- (2003 late prod)
- (in left front door) left front door control module
- (in right front door) right front door control module
- (left front footwell)
- (left rear wheelhousing)
- (right front footwell)
- (sedan only)
- 58d
- Alarm horn (left front wheelhouse)
- Ata hood switch (right front of eng compt)
- Ata inclination sensor (right "c" pillar)
- Can-b h
- Can-b l
- Can-c h
- Can-c l
- Computer data lines system
- Data
- Di control unit (left rear of eng compt)
- Driver side sam control module with fuse & relay module (left rear of eng compt)
- Exterior lights system
- Fuse 200a
- Fuse 25a
- Fuse 7.5a
- Headlights system
- Hot at all times
- Instrument cluster
- Interior central locking & ata function display switch
- Interior fuse box (left end of dash)
- Interior lights system (rear interior lamps)
- Left front door contact switch (left "b" pillar)
- Left front ir receiver (left front door handle)
- Left rear door contact switch (left "c" pillar)
- Nca
- Overhead control panel control module (front center of roof)
- Passenger- side sam control module (right kick panel)
- Pawl rotary tumbler switch (center of trunk lid)
- Rear door control module (right side of tailgate)
- Rear prefuse box (lower right of front trunk)
- Rear sam control module with fuse/ relay module (left side of trunk)
- Red
- Right front door contact switch (right "b" pillar)
- Right front ir receiver (right front door handle)
- Right rear door contact switch (right "c" pillar)
- Sedan
- Trunk lid emergency release switch (center of trunk lid)
- W15/1
- W15/1 (right front footwell)
- W15/2
- W15/2 (left front footwell)
- W6 (left rear wheelhousing)
- Wagon
- With interior motion sensor and with panoramic sliding roof
- With standard rear lamp
системная схема разрешения двигателя для Mercedes-Benz E500 4Matic 2005
системная схема разрешения двигателя для Mercedes-Benz E500 4Matic 2005 - Список элементов:
- (pin 3-8 not used) a
- 15r
- 30z
- Bus +
- Bus -
- Can-b h
- Can-b l
- Can-c h
- Can-c l
- Circuit 15r relay
- Computer data lines system
- Di control unit (left rear of eng compt)
- Driver side sam control module with fuse/relay module (left rear of engine compartment)
- Electric steering lock control module (part of steering column module)
- Electronic control unit (vgs) (e500 model) (part of transmission)
- Electronic selector lever module control module (center console)
- Elv
- Engine control module (me-sfi) (left rear of eng compt)
- Etc control module (e320 model) (right front footwell)
- Exterior lights system
- Fuse 59 15a
- Fuse 65 20a
- Hot at all times
- Instrument cluster
- Pnk/red
- Red
- Start
- Starter
- Starter relay
- Starting/ charging system
- W/ keyless go only
- W15/1 (right front footwell)
СИСТЕМА АНТИБЛОКИРОВОЧНОЙ ТОРМОЗНОЙ СИСТЕМЫ ABS
Электросхема антиблокировочной тормозной системы АБС (ABS) (1 из 2) для Mercedes-Benz E500 4Matic 2005
Электросхема антиблокировочной тормозной системы АБС (ABS) (1 из 2) для Mercedes-Benz E500 4Matic 2005 - Список элементов:
- (pin 5-9 not used)
- 12v
- Dfhl a a
- Dfhr a a
- Dfvl a a
- Dfvr a a
- Driver side sam control module with fuse & relay module (left rear of eng compt)
- Front axle balance valve
- Front prefuse box (right front footwell)
- Fuse 40a
- Fuse 50a
- High pressure charging pump
- Hot at all times
- Left front outlet control valve
- Left front separation valve
- Left front wheel speed sensor (left front wheelhouse)
- Left rear inlet control valve
- Left rear outlet control valve
- Left rear wheel speed sensor (left front wheelhouse)
- Nca
- Rear axle balance valve
- Rear sam control module with fuse & relay module (left side of trunk)
- Right front inlet control valve
- Right front outlet control valve
- Right front separation valve
- Right front wheel speed sensor (left front wheelhouse)
- Right rear inlet control valve
- Right rear outlet control valve
- Right rear wheel speed sensor (left front wheelhouse)
- Sbc hydraulic unit (right front of engine compt)
- Solid state
- W3/1 (right front wheelhousing, at ignition coil)
Электросхема антиблокировочной тормозной системы АБС (ABS) (2 из 2) для Mercedes-Benz E500 4Matic 2005
Электросхема антиблокировочной тормозной системы АБС (ABS) (2 из 2) для Mercedes-Benz E500 4Matic 2005 - Список элементов:
- data link connector (lower left side of dash)
- (pin 15-28 not used)
- (pin 24-48 not used)
- (right front wheel) right front brake lining wear sensor
- (right rear wheel) right rear brake lining wear sensor
- Can h
- Can l
- Can-c h
- Can-c l
- Circuit 87
- Computer data lines system
- Diag
- Driver side sam control module with fuse & relay module (left rear of eng compt)
- Esp/sps/bas control module (left rear of eng compt)
- Fuse 10a
- Fuse 20a
- Hot at all times
- I13
- Nca
- Sbc pedal value sensor (left rear of eng compt)
- Solid state
- Sps (pml) solenoid valve
- Stop lamp switch (left front footwell)
- Turn rate & acceleration sensor (under right front seat)
- W15/1 (right front footwell)
- W2 (at right headlamp unit)
- W9 (at left headlamp unit)
СИСТЕМА КОНДИЦИОНЕРА
Электросхема кондиционера (1 из 2) для Mercedes-Benz E500 4Matic 2005
Электросхема кондиционера (1 из 2) для Mercedes-Benz E500 4Matic 2005 - Список элементов:
- 12v
- C-aac multifunction sensor (left rear of engine compartment)
- C-aac sun sensors (4) (rear of engine hood)
- C22
- Can-b h
- Can-b l
- Comfort aac pushbutton control module
- Computer data lines system
- Control panel rear switch group (with 4 zone a/c)
- Data
- Df sig
- Driver side sam control module with fuse/relay module (left rear of engine compartment)
- Engine control system
- Evaporator temperature sensor (left front footwell)
- Fresh air/ recirculated air flaps actuator motor (right front footwell)
- Fuse 25a
- Fuse 7.5a
- Hot at all times
- I13
- In-car temp. sensor motor fan
- In-car temperature sensor (front center of roof)
- Interior lights system
- Left blending air flap actuator (center of dash)
- Left center air flap actuator motor (center of dash)
- Left defroster vent flap actuator motor (center of dash)
- Left footwell flap actuator motor (left front footwell)
- Left rear blending air flap actuator (front of center console)
- Nca
- Not used
- Overhead control panel control module
- R valve
- Rear sam control module with fuse/relay module (left side of trunk)
- Red
- Refrigerant pressure & temperature sensor (left front side of engine compartment)
- Right blending air flap actuator (center of dash)
- Right center air flap actuator motor (center of dash)
- Right defroster vent flap actuator motor (center of dash)
- Right footwell flap actuator motor (right front footwell)
- Right rear blending air flap actuator (front of center console)
- W15/1 (right font footwell)
- W15/1 (right front footwell)
- W2 (at right headlamp unit)
- W6 (left rear wheel housing)
- W9 (at left headlamp unit)
Электросхема кондиционера (2 из 2) для Mercedes-Benz E500 4Matic 2005
Электросхема кондиционера (2 из 2) для Mercedes-Benz E500 4Matic 2005 - Список элементов:
- (right front footwell)
- A/c compressor (lower left left front of engine compartment)
- Activated charcoal filter flap actuator motor
- Blower motor
- Blower regulator
- Can-b h
- Can-b l
- Computer data lines system
- Coolant circulation pump (right front of engine compartment)
- Coolant temperature sensor (left rear of engine)
- Electric suction fan engine & ac with integrated control (front center of engine compartment)
- Front prefuse box (right front footwell)
- Fuse 150a
- Fuse 40a
- Heater system air circulation unit
- Hot at all times
- Me-sfi control module (left rear of engine compartment
- Passenger side sam control module (under right side of dash) i1
- Radiator shutter control module (e320) (right front wheelhouse)
- Red
- Solar cells (rear of of roof)
- Solar generator control module (right side of dash)
- Solid state
- W15/1
- W15/1 (right front footwell)
- W2 (at right headlamp unit)
- W5/1 (right front footwell)
- With solar ventilation
- Without solar ventilation
СИСТЕМА КРУИЗКОНТРОЛЯ
Электросхема системы круизконтроля для Mercedes-Benz E500 4Matic 2005
Электросхема системы круизконтроля для Mercedes-Benz E500 4Matic 2005 - Список элементов:
- 2003 & 2004 early prod
- 2004 late prod & 2005
- Accel/ set
- Accelerator pedal sensor (above accelerator pedal)
- Can-b h
- Can-b l
- Can-c h
- Can-c l
- Computer data lines system
- Cruise control switch
- Decel/ set
- Driver side sam control module with fuse & relay module (left rear of eng compt)
- Engine control module (me-sfi) (left rear of eng compt)
- Fuse 7.5a
- Hot at all times
- Interior fuse box (left end of dash)
- Memory recall
- Off
- Red
- Steering column module (in steering wheel)
- Throttle valve actuator (rear of eng)
- W15/1 (right front footwell)
Электронная Цепь управления Акселератором/Круизом/Скоростью вхолостую для Mercedes-Benz E500 4Matic 2005
Электронная Цепь управления Акселератором/Круизом/Скоростью вхолостую для Mercedes-Benz E500 4Matic 2005 - Список элементов:
- (left front footwell) w15/2
- Can-b h
- Can-b l
- Computer data lines system
- Distronic (dtr) control unit (front center of eng compt)
- Driver side sam control module with fuse/relay module (left rear of engine compartment)
- Dtr control module
- Dtr distance potentiometer
- Dtr radar sensor
- Dtr switch
- Fuse 5a
- Hot at all times
- I12
- Interior fuse box (left end of dash)
- Lower control field control module (under center console)
- Nca
- Red
- Solid state
- W9 (at left headlamp unit)
СИСТЕМА ОХЛАЖДЕНИЯ
Электросхема системы охлаждения для Mercedes-Benz E500 4Matic 2005
Электросхема системы охлаждения для Mercedes-Benz E500 4Matic 2005 - Список элементов:
- Can-b h
- Can-b l
- Can-c h
- Can-c l
- Comfort aac pushbutton control module
- Computer data lines system
- Coolant temperature sensor (left rear of engine)
- Driver side sam control module with fuse/relay module (left rear of engine compartment)
- Electric suction fan engine & ac with integrated control (front center of engine compartment)
- Engine control system
- Engine coolant temperature malfunction indicator
- Front prefuse box (right front footwell)
- Fuse 150a
- Hot at all times
- I13
- Instrument cluster
- Me-sfi control module (left rear of engine compartment)
- Passenger side sam control module (under right side of dash)
- Radiator shutter control module (e320) (right front wheelhouse)
- Red
- Solid state
- W2 (at right headlamp unit)
СИСТЕМА ПЕРЕДАЧИ ДАННЫХ
схема соединителя канала связи для Mercedes-Benz E500 4Matic 2005
схема соединителя канала связи для Mercedes-Benz E500 4Matic 2005 - Список элементов:
- (all except 2004 late prod)
- 2003 & 2004 early prod
- 2004 late prod & 2005
- Blower motor (w/ cd changer) (front center console)
- Can-b h
- Can-b l
- Can-c h
- Can-c l
- Can-d h
- Can-d l
- Central gateway control module (left front footwell)
- Circuit 15 voltage distributor (left front doorsill)
- Data link connector (dlc) (lower left side of dash)
- Diag
- Distronic (dtr) control module (right front seat)
- Driver side sam control module with fuse & relay module (left rear of eng compt)
- Emergency call system control unit (center of trunk)
- Engine control module (me-sfi) (right rear of engine compt)
- Esp/sps/bas control module (left rear of eng compt)
- Etc control module (right front footwell)
- Fuse 5a
- Fuse 7.5a
- High/low bus circuit
- Hot at all times
- Interior fuse box (left end of dash)
- Nac
- Nca
- Passenger side sam control module (right kick panel)
- Rear sam control module with fuse & relay module (left side of trunk)
- Shield
- Telecom- munications control module (front of trunk)
- Upper control panel control module (behind center of dash)
- W15/2 (left footwell)
- W15/3 (left rear of eng compt)
высокая/Низкая Автобусная Схема (1 из 2) для Mercedes-Benz E500 4Matic 2005
высокая/Низкая Автобусная Схема (1 из 2) для Mercedes-Benz E500 4Matic 2005 - Список элементов:
- (connectors 6-7 not used)
- 2004 early prod
- 2004 late prod and 2005
- Airmatic with ads control module (in right front footwell)
- Can-b h
- Can-b l
- Can-c h
- Can-c l
- Central gateway control module (left front footwell.)
- Comfort aac pushbutton control module (center of dash)
- Dc/dc converter control module (left side of dash)
- Di control module (right side of steering column)
- Distronic (dtr) control module (right front seat)
- Driver side sam control module with fuse & relay module (left rear of eng compt)
- Electronic selector lever module control module (center console)
- Esp/sps/bas control module (left rear of eng compt)
- Etc control module (right front footwell)
- Headlamp range adjustment control module (under right front seat)
- Instrument cluster
- Left front reversible emergency tensioning retractor (left "b" pillar)
- Left voltage distributor (can) connector (in left front door sill)
- Me-sfi control module (left rear of eng compt)
- Right front reversible emergency tensioning retractor (right "b" pillar)
- Right voltage distributor (can) connector (right front footwell)
- Steering column module (left side of dash)
- W/ reversible emergency tensioning retractor only
- W15/2 (left front footwell)
- With heated steering wheel
высокая/Низкая Автобусная Схема (2 из 2) для Mercedes-Benz E500 4Matic 2005
высокая/Низкая Автобусная Схема (2 из 2) для Mercedes-Benz E500 4Matic 2005 - Список элементов:
- 2004 early prod
- 2004 late prod and 2005
- Audio gateway control module (left side of trunk)
- Battery control module (right side of trunk)
- Can-b h
- Can-b l
- Central gateway control module (left front footwell)
- Cockpit voltage distributor (can) connector (right front footwell)
- Driver front seat adjustment control module (below left front seat)
- Driver side sam control module with fuse & relay module (left rear of eng compt)
- Hs & seat ventilation control (left front door sill)
- I13
- Left front door control module (left front door)
- Left rear door control module (left rear door)
- Left voltage distributor (can) connector (left front door sill)
- Lower control field control module (under center console)
- Passenger front seat adjustment control module (below right front seat)
- Passenger side sam control module (under right side of dash)
- Pts control module (left rear of trunk)
- Rear sam control module with fuse & relay module (left side of trunk)
- Restraint system control module (center control module)
- Right front door control module (right front door)
- Right rear door control module (right rear door)
- Right voltage distributor (can) connector (right front footwell)
- Upper control field control module (behind center of dash)
- Wss control unit (weight sensing system) (under right front seat)
СИСТЕМА УПРАВЛЕНИЯ ДВИГАТЕЛЯ
5.0L
5.0L, Электросхема системы управления двигателем (1 из 3) для Mercedes-Benz E500 4Matic 2005
5.0L, Электросхема системы управления двигателем (1 из 3) для Mercedes-Benz E500 4Matic 2005 - Список элементов:
- (if equipped)
- Computer data lines system
- Cooling fans system
- Data link connector (lower left side of dash)
- Engine control module (me-sfi) (left rear of eng compt)
- Fuse 7.5a
- Hot at all times
- Interior fuse box (left end of dash)
- Kickdown switch function may be replaced by accelerator pedal sensor
- Left oxygen sensor 1 (before twc) (behind left front wheel)
- Left oxygen sensor 2 (after twc) (behind left front wheel)
- Nca
- Pedal value sensor (left rear of engine compt)
- Purge control valve (left front of engine compt)
- Right oxygen sensor 1 (before twc) (behind right front wheel)
- Right oxygen sensor 2 (after twc) (behind right front wheel)
- Starting/ charging system
- Starting/charging system
- W15/3 (left rear of eng compt)
5.0L, Электросхема системы управления двигателем (2 из 3) для Mercedes-Benz E500 4Matic 2005
5.0L, Электросхема системы управления двигателем (2 из 3) для Mercedes-Benz E500 4Matic 2005 - Список элементов:
- (front end of eng) variable intake manifold switchover valve
- (left front footwell) w15/2
- (right front of eng compt) air pump switchover valve
- (right side of eng) egr pressure transducer
- Activated charcoal filter shutoff valve (right rear wheelhouse)
- Air pump relay
- Camshaft hall-effect sensor (right rear of eng)
- Circuit relay engine
- Crankshaft sensor (under vehicle, near crankshaft)
- Driver side sam control module with fuse & relay module (left rear of eng compt)
- Electric air pump (right front of eng compt)
- Fuel pump (under left rear in fuel tank)
- Fuel pump relay module
- Fuel tank pressure sensor (in fuel tank, under left
- Fuse 15a
- Fuse 40a
- Hot at all times
- Hot film maf sensor (left rear of eng compt)
- Kickdown switch (left front footwell)
- Pnk
- Rear sam control module with fuse & relay module (left side of trunk)
- Rear seat)
- Throttle valve actuator (center rear of eng)
- W11/3 (top of cyl head, between cyl 6 & 7)
- W15/2 (left front footwell)
- W6 (left rear wheelhousing)
5.0L, Электросхема системы управления двигателем (3 из 3) для Mercedes-Benz E500 4Matic 2005
5.0L, Электросхема системы управления двигателем (3 из 3) для Mercedes-Benz E500 4Matic 2005 - Список элементов:
- (bottom right side of engine) oil sensor
- (right front of eng compt) ect sensor
- (right front of eng compt) pressure sensor
- Driver side sam control module with fuse & relay module (left rear of eng compt)
- Engine control module (me-sfi) (left rear of eng compt)
- Fuel injectors
- Fuse 15a
- Hot in run or start
- Ignition coil 1
- Ignition coil 2
- Ignition coil 3
- Ignition coil 4
- Ignition coil 5
- Ignition coil 6
- Ignition coil 7
- Ignition coil 8
- Left knock sensor 2 (in valley of engine block)
- Pnk
- Radio interference suppression capacitor
- Red
- Right knock sensor 1 (in valley of engine block)
- Shield
- To spark plugs
- W11/3 (front center of eng)
Система Фар
Электросхема фар (1 из 2) для Mercedes-Benz E500 4Matic 2005
Электросхема фар (1 из 2) для Mercedes-Benz E500 4Matic 2005 - Список элементов:
- (right front footwell)
- 15g
- 30z
- 56a
- 56b
- 58d
- Bus lwr
- Can-b h
- Can-b l
- Computer data lines system
- Di control module
- Driver side sam control module with fuse/relay module (left rear of engine compartment)
- Exterior lamp switch
- Front prefuse box (right front footwell)
- Fuse 200a
- Fuse 40a
- Fuse 52 7.5a
- Fuse 66 7.5a
- High beam indic lamp
- Hot at all times
- Hot at all times fuse 64 7.5a
- Hot at all times fuse 65 20a
- Hot in run and start
- Hra power module
- I10
- Instrument cluster
- Interior lights system
- Led nsl
- Led nsw
- Left front headlamp unit
- Left headlamp range adjustment motor
- Left high beam
- Left high beam solenoid
- Left low beam
- Passenger side sam control module (right kick panel)
- Rear prefuse box (lower right of front trunk)
- Red
- Right front headlamp unit
- Right headlamp range adjustment motor
- Right high beam
- Right high beam solenoid
- Right low beam
- Sra
- W15/1
- W15/1 (right front footwell)
- W15/3 (left front footwell)
- W2 (right headlamp unit)
- W9 (left headlamp unit)
- With xenon headlamps
- Xenon
- Xenon headlamp ignition module
Электросхема фар (2 из 2) для Mercedes-Benz E500 4Matic 2005
Электросхема фар (2 из 2) для Mercedes-Benz E500 4Matic 2005 - Список элементов:
- (left rear wheelhousing)
- Alwr
- Can-b h
- Can-b l
- Can-c h
- Can-c l
- Central gateway control module (left front footwell)
- Computer data lines system
- Data
- Front axle level sensor (left side of front axle)
- Hcs pump (right front wheelhousing)
- Headlamp range adjustment control module (with xenon headlights) (under right front seat)
- Left fog lamp
- Nca
- Overhead control panel control module
- Rain/light sensor (behind top center of windshield)
- Rear axle level sensor (right side of rear axle)
- Rear sam control module with fuse/relay module (left side of trunk)
- Red
- Right fog lamp
- W15/1 (right front footwell)
- W2 (right headlamp unit)
- W6 (left rear wheelhousing)
- W9 (left headlamp unit)
СИСТЕМЫ ПАМЯТИ
Электросхема памяти водительского сиденья для Mercedes-Benz E500 4Matic 2005
Электросхема памяти водительского сиденья для Mercedes-Benz E500 4Matic 2005 - Список элементов:
- - lumbar support adjustment switch
- - pulse switch
- - seat cushion fore switch
- - side bolsters adjustment switch
- -backrest switch
- -front raise/ lower switch
- -head restraint raise/lower switch
- -rear raise switch
- -seat fore/ aft switch
- 15r
- Backrest adjustment motor (fore/aft)
- Can-b h
- Can-b l
- Computer data lines system
- Driver front seat adjustment control module (below left front seat)
- Dynamic
- Dynamic switch
- Front seat adjustment motor (fore)
- Front seat adjustment motor (raise/lower)
- Fuse 25a
- Fuse 30a
- Head restraint adjustment motor (raise/lower)
- Hh (+)
- Hh (-)
- Hot at all times
- Hot with circuit 15r relay 2 energized
- Hv (+)
- Hv (-)
- Interior fuse box (left end of dash)
- Left front door control module (left front door)
- Left front dynamic seat control module (left front seat)
- Left front dynamic switch
- Left front seat adjust motor group
- Left front seat adjustment switch group
- Lk (+)
- Lk (-)
- Lv (+)
- Lv (-)
- Memory location 1, 2, 3 switch
- Memory store button switch
- Mhv (+)
- Mhv (-)
- Mlk (+)
- Mlk (-)
- Mlv (+)
- Mlv (-)
- Power steering column circuit
- Rear sam control module with fuse & relay module (left side of trunk)
- Rear seat adjustment motor (raise/lower)
- Red
- W15/2 (left front footwell)
- W15/2 left front footwell)
Электросхем памяти регулировки зеркал заднего вида для Mercedes-Benz E500 4Matic 2005
Электросхем памяти регулировки зеркал заднего вида для Mercedes-Benz E500 4Matic 2005 - Список элементов:
- Automatic dimming mirror
- Can-b h
- Can-b l
- Computer data lines system
- Defogger system
- Fold in/ fold out switch
- Fuse 25a
- Hot at all times
- In/out
- Interior fuse box (left end of dash)
- Interior lights system
- Left front door control module (left front door)
- Left outside mirror ambient lamp
- Left outside rearview mirror
- Left turn signal
- Left/right switch
- Mirror heater
- Mirrors system
- Outside mirror switch
- Red
- Right front door control module (right front door)
- Right outside mirror ambient lamp
- Right outside rearview mirror
- Right turn signal
- Up/down
- Up/down, in/out switch
- W15/1 (right front footwell)
- W15/2 (left front footwell)
Электросхема памяти пассажирского сиденья для Mercedes-Benz E500 4Matic 2005
Электросхема памяти пассажирского сиденья для Mercedes-Benz E500 4Matic 2005 - Список элементов:
- - lumbar support adjustment switch
- - pulse switch
- - seat cushion fore switch
- - side bolsters adjustment switch
- -backrest switch
- -front raise/ lower switch
- -head restraint raise/lower switch
- -rear raise switch
- -seat fore/ aft switch
- 15r
- Backrest adjustment motor (fore/aft)
- Can-b h
- Can-b l
- Computer data lines system
- Dynamic
- Dynamic switch
- Front seat adjustment motor (fore)
- Front seat adjustment motor (raise/lower)
- Fuse 25a
- Fuse 30a
- Head restraint adjustment motor (raise/lower)
- Hh (+)
- Hh (-)
- Hot at all times
- Hot with circuit 15r relay 2 energized
- Hv (+)
- Hv (-)
- Interior fuse box (left end of dash)
- Lk (+)
- Lk (-)
- Lv (+)
- Lv (-)
- Memory location 1, 2, 3 switch
- Memory store button switch
- Mhv (+)
- Mhv (-)
- Mlk (+)
- Mlk (-)
- Mlv (+)
- Mlv (-)
- Passenger front seat adjustment control module (below right front seat)
- Rear sam control module with fuse & relay module (left side of trunk)
- Rear seat adjustment motor (raise/lower)
- Red
- Right front door control module (right front door)
- Right front dynamic seat control module (right front seat)
- Right front dynamic switch
- Right front seat adjust motor group
- Right front seat adjustment switch group
- W15/1 (right front footwell)
- W15/1 right front footwell)
Электросхема памяти рулевой колонки для Mercedes-Benz E500 4Matic 2005
Электросхема памяти рулевой колонки для Mercedes-Benz E500 4Matic 2005 - Список элементов:
- (in steering
- 15r
- Can-b h
- Can-b l
- Can-c h
- Can-c l
- Column module
- Computer
- Computer data lines system
- Data lines
- Driver front seat adjustment control module (below left front seat)
- Electronic steering column (esc) adjustment motor group
- Fuse 30a
- Fuse 7.5a
- Height adjustment up/down motor
- Hot at all times
- Hot with circuit 15r relay 2 energized
- Interior fuse box (left end of dash)
- Longitudinal adjustment forward/ backward motor
- Raise/lower, forward/backward switch
- Rear sam control module with fuse & relay module (left side of trunk)
- Steering
- Steering column adjustment switch or steering column/ steering wheel heater switch
- System
- W15/1 (right front footwell)
- W15/2 (left front footwell)
- Wheel)
СИСТЕМЫ ПОДВЕСКИ
Электросхема электроники подвески (1 из 2) для Mercedes-Benz E500 4Matic 2005
Электросхема электроники подвески (1 из 2) для Mercedes-Benz E500 4Matic 2005 - Список элементов:
- (at left head- lamp unit) w9
- (left front wheelhouse)
- (right front wheelhouse)
- Air-matic central reservoir charging valve (left front footwell)
- Air-matic compressor unit (lower left front of eng compt)
- Air-matic pressure sensor (left front wheelhouse)
- Air-matic relay (left rear of eng compt)
- Air-matic w/ ads control module (right front footwell)
- Driver side sam control module with fuse & relay module (left rear of eng compt)
- Front prefuse box (right front footwell)
- Fuse 30a
- Fuse 40a
- Fuse 7.5a
- Hot at all times
- Hot w/ circuit 87 relay energized
- Interior fuse box (left end of dash)
- Left front axle damper valve assembly (left front axle)
- Left front body lateral acceleration sensor
- Left front level sensor (left front wheelhouse)
- Nca
- Nvlm
- Nvls 1
- Nvls 2
- Nvlv
- Nvrm
- Nvrs 1
- Nvrs 2
- Nvrv
- Red
- Right front axle damper valve assembly (right front axle)
- Right front body lateral acceleration sensor
- Right front level sensor (right front wheel house)
- Rkps
- Rkpv
- Val 1
- Val 2
- Valv
- Var 1
- Var 2
- Varv
- Vkps
- Vkpv
- Vsps
- Vvls
- Vvlv
- Vvrs
- Vzvsvl
- Vzvsvr
- Vzvvvl
- Vzvvvr
- W15/1 (right front footwell)
- Wake up
- Zamvl
- Zasvl
- Zavvl
- Zdspm
- Zdsps
- Zdspv
Электросхема электроники подвески (2 из 2) для Mercedes-Benz E500 4Matic 2005
Электросхема электроники подвески (2 из 2) для Mercedes-Benz E500 4Matic 2005 - Список элементов:
- Additional volume valve
- Air-matic w/ ads control module (right front footwell)
- Can-c hi
- Can-c lo
- Computer data lines system
- Hal 1
- Hal 2
- Hal v
- Har 1
- Har 2
- Har v
- Left front suspension strut air-matic valve unit (integrated into crown of suspension strut)
- Left rear axle damper valve unit (left rear wheelhouse)
- Left rear suspension strut air-matic valve unit (integrated into crown of suspension strut)
- Level valve
- Nca
- Nca nca
- Nhrm
- Nhrs 1
- Nhrs 2
- Nhrv
- Rear axle level sensor (left side of rear axle)
- Right front suspension strut air-matic valve unit (integrated into crown of suspension strut)
- Right rear axle damper valve unit (right rear wheelhouse)
- Right rear body lateral acceleration sensor (right rear wheelhouse)
- Right rear suspension strut air-matic valve unit (integrated into crown of suspension strut)
- Vzvshl
- Vzvshr
- Vzvvhl
- Vzvvhr
- Zamhr
- Zashr
- Zavhr
СИСТЕМЫ СИДЕНИЙ
Электросхема подголовника для Mercedes-Benz E500 4Matic 2005
Электросхема подголовника для Mercedes-Benz E500 4Matic 2005 - Список элементов:
- Driver neck-pro head restraint solenoid
- Driver side sam control module with fuse & relay module (left rear of eng compt)
- Front passenger neck-pro head restraint solenoid
- Fuse 7.5a
- Hot at all times
- Interior fuse box (left end of dash)
- Neck-pro head restraint relay
- Neck-pro head restraint triggering device
- W15/1 (right front footwell)
- W15/2 (left front footwell)
Электросхема подогрева сидений для Mercedes-Benz E500 4Matic 2005
Электросхема подогрева сидений для Mercedes-Benz E500 4Matic 2005 - Список элементов:
- 2004 late prod (w/heated steering wheel)
- 30c
- Can-b h
- Can-b l
- Computer data line system
- Data
- Driver seat contacting strip (under left front seat)
- Front passenger seat contacting strip (under right front seat)
- Fuse 10a
- Fuse 25a
- Heated seat & seat ventilation control module (behind center of dash)
- Hot at all times
- Interior fuse box (left end of dash)
- Left front backrest heater element
- Left front heated switch
- Left front seat cushion heater element
- Right front backrest heater element
- Right front heated switch
- Right front seat cushion heater element
- Seat ventilation circuit
- Steering column module (left side of dash)
- Upper control panel control module (behind center of dash)
- W15/1 (right front footwell)
- W15/2 (left front footwell)
схема вентиляции места для Mercedes-Benz E500 4Matic 2005
схема вентиляции места для Mercedes-Benz E500 4Matic 2005 - Список элементов:
- (2004 late prod w/heated steering wheel)
- 30c
- All times hot at
- Can-b h
- Can-b l
- Computer data lines system
- Data
- Front seat right ventilation blower regulator (right front seat)
- Fuse 10a
- Fuse 25a
- Heated seat & seat ventilation control module (behind center of dash)
- Heated seats circuit
- Interior fuse box (left end of dash)
- Left front seat backrest ventilation motor group
- Left front seat cushion ventilation motor group
- Left front seat ventilation blower regulator (left front seat)
- Left front seat ventilation switch
- Right front seat backrest ventilation motor group
- Right front seat cushion ventilation motor group
- Right front seat ventilation switch
- Steering column module (left side of dash)
- Upper control panel control module (behind center of dash)
- W15/1 (right front footwell)
- W15/2 (left front footwell)
Стартер Генератор
Электросхема Генератора для Mercedes-Benz E500 4Matic 2005
Электросхема Генератора для Mercedes-Benz E500 4Matic 2005 - Список элементов:
- (left rear of eng compt) driver side sam control module with fuse/relay module
- (right rear of eng compt) auxiliary battery relay
- (right rear of trunk) battery control module
- Auxiliary battery (right rear of eng compt)
- Battery (right side of trunk)
- Can-b h
- Can-b l
- Computer data lines system
- Cutoff relay for interruptible loads
- E red
- Engine control module (me-sfi) (left rear of eng compt)
- Front prefuse box (right front footwell)
- Fuse 150a
- Fuse 5a
- Generator
- I13
- Instrument cluster
- Multifunction indicator
- Rear prefuse box (lower right front of trunk)
- Red
- Second battery additional fuse (right rear of eng compt)
- Solid state
- Starter
- W10 (right rear of trunk)
Электросхема стартера для Mercedes-Benz E500 4Matic 2005
Электросхема стартера для Mercedes-Benz E500 4Matic 2005 - Список элементов:
- Auxiliary battery (right rear of eng compt)
- Auxiliary battery relay (right rear of eng compt)
- Battery (right side of trunk)
- Battery control module (right rear of trunk)
- Charging circuit
- Circuit 87 relay engine
- Circuit relay
- Computer data lines system
- Driver side sam control module with fuse/relay module (left rear of engine compartment)
- Engine control module (me-sfi) (left rear of eng compt)
- Front prefuse box (right front footwell)
- Fuse 150a
- Fuse 59 15a
- Hot at all times
- Power distribution system
- Red
- Solid state
- Starter
- Starter relay
- W10 (right rear of trunk)
Стеклоочистители и Стеклоомыватели Дворники
Передняя Схема Шайбы Дворника/Шайбы и Фары для Mercedes-Benz E500 4Matic 2005
Передняя Схема Шайбы Дворника/Шайбы и Фары для Mercedes-Benz E500 4Matic 2005 - Список элементов:
- 2003 & 2004 early prod
- 2004 late prod & 2005
- Can- b h
- Can- b l
- Can-b h
- Can-b l
- Can-c h
- Can-c l
- Combination switch
- Computer data lines system
- Data
- Driver side sam control module with fuse & relay module (left rear of eng compt)
- Exterior lamp switch
- Fuse 25a
- Fuse 40a
- Fuse 7.5a
- Hcs (sra) switch
- Headlamp washer pump
- Hot at all times
- Hot w/ circuit 15r relay energized
- I10
- I13
- Interior fuse box (left end of dash)
- Left washer nozzle heater
- Nca
- Overhead control panel control module (center of roof)
- Rain/light sensor (top center of roof)
- Red
- Right washer nozzle heater
- Solid state
- Sra
- Steering column module (in steering wheel)
- W15/1 (right front footwell)
- W15/2 (left front footwell)
- W2 (at right headlamp unit)
- W6 (left rear wheelhousing)
- Washer nozzle hose heater
- Windshield washer fluid pump
- Windshield washer switch
- Windshield wiper switch
- Wiper motor (rear of eng compt)
задняя схема дворника, Универсал для Mercedes-Benz E500 4Matic 2005
задняя схема дворника, Универсал для Mercedes-Benz E500 4Matic 2005 - Список элементов:
- 15r
- 31b
- Can h
- Can l
- Can-b h
- Can-b l
- Can-h
- Can-l
- Computer data lines system
- Fuse 150a
- Fuse 15a
- Fuse 20a
- Hot at all times
- Hot with circuit 15r relay 2 energized
- Rear door control module (right side of tailgate)
- Rear prefuse box (lower right of front trunk)
- Rear sam control module with fuse & relay module (left side of trunk)
- Rear wiper relay
- Rear wiper switch
- Red
- Solid state
- Tailgate wiper motor
- Upper control panel control module (behind center of dash)
- W8/3 (lower right side of liftgate)
ЦЕНТРАЛЬНЫЙ ЗАМОК
автоматическая дверь захватывает схему, седан (1 из 2) для Mercedes-Benz E500 4Matic 2005
автоматическая дверь захватывает схему, седан (1 из 2) для Mercedes-Benz E500 4Matic 2005 - Список элементов:
- (2003 early prod)
- (2003 late prod)
- Can-b h
- Can-b l
- Can-c h
- Can-c l
- Can-sbc h
- Can-sbc l
- Computer data lines system
- Di control unit (left rear of eng compt)
- Driver side sam control module with fuse & relay module (left rear of eng compt)
- Esp/sps/bas control module (left rear of eng compt)
- Exterior lights system
- Instrument cluster
- Left front door contact switch (left "b" pillar)
- Left rear door contact switch (left "c" pillar)
- Passenger-side sam control module (right kick panel)
- Pawl rotary tumbler switch (center of trunk lid)
- Rear sam control module with fuse/relay module (left side of trunk)
- Right front door contact switch (right "b" pillar)
- Right rear door contact switch (right "c" pillar)
- Sbs hydraulic unit (right front of eng compt)
- Trunk lid contact switch (rear center of trunk)
- Trunk lid external operation switch (center of trunk)
- Trunk lid lock switch (rear center of trunk)
- W15/1 (right front footwell)
- W15/2 (left front footwell)
- W6 (left rear wheelhousing)
автоматическая дверь захватывает схему, седан (2 из 2) для Mercedes-Benz E500 4Matic 2005
автоматическая дверь захватывает схему, седан (2 из 2) для Mercedes-Benz E500 4Matic 2005 - Список элементов:
- (left front footwell) w15/2
- Can-b h
- Can-b l
- Computer data lines system
- Exterior lights system
- Fuse 25a
- Hot at all times
- Interior fuse box (left end of dash)
- Left front door cl motor (left front door)
- Left front door control module (in left front door)
- Left front ir receiver (left front door handle)
- Left rear door cl motor (left rear door)
- Left rear door control module (in left rear door)
- Red
- Right front door cl motor (right front door)
- Right front door control module (in right front door)
- Right front ir receiver (right front door handle)
- Right rear door cl motor (right rear door)
- Right rear door control module (in right rear door)
- W15/1 (right front footwell)
автоматическая дверь захватывает схему, Универсал для Mercedes-Benz E500 4Matic 2005
автоматическая дверь захватывает схему, Универсал для Mercedes-Benz E500 4Matic 2005 - Список элементов:
- Can-b h
- Can-b l
- Can-c h
- Can-c l
- Can-sbc h
- Can-sbc l
- Computer data lines system
- Di control unit (left rear of eng compt)
- Driver side sam control module with fuse & relay module (left rear of eng compt)
- Esp/sps/bas control module (left rear of eng compt)
- Exterior lights system
- Instrument cluster
- Left front door contact switch (left "b" pillar)
- Left rear door contact switch (left "c" pillar)
- Passenger-side sam control module (right kick panel)
- Pnk/red
- Rear door control module (right side of tailgate)
- Rear door handle (center of tailgate)
- Rear door locking unit (center of tailgate)
- Rear panel cl motor (center of tailgate)
- Rear sam control module with fuse/relay module (left side of trunk)
- Red
- Right front door contact switch (right "b" pillar)
- Right rear door contact switch (right "c" pillar)
- Sbs hydraulic unit (right front of eng compt)
- Solid state
- W15/1 (right front footwell)
- W15/2 (left front footwell)
- W8/3 (lower right side of tailgate)
системная схема движения без ключа для Mercedes-Benz E500 4Matic 2005
системная схема движения без ключа для Mercedes-Benz E500 4Matic 2005 - Список элементов:
- (left front footwell) w15/2
- (right side of steering column) di control module
- Fuse 25a
- Hot at all times
- Interior fuse box (left end of dash)
- Interior module keyless go control module (center of dash)
- Keyless go left rear door antenna (left rear door)
- Keyless go right rear door antenna (left rear door)
- Keyless go trunk antenna (in trunk)
- Keyless go trunk lid pushbutton (right tailgate)
- Left door handle switch (left front door)
- Left front opening assist motor (left front door)
- Left rear door keyless go control module (left rear door)
- Left rear opening assist motor (left rear door)
- Nca
- Rear bumper antenna (rear bumper)
- Rear module keyless go control module (left cargo area)
- Right antenna amplifier module (right "c" pillar)
- Right door handle switch (right front door)
- Right front opening assist motor (right front door)
- Right rear door keyless go control module (right rear door)
- Right rear opening assist motor (right rear door)
- W15/1 (right front footwell)
- W15/2 (left front footwell)
- W6 (left rear wheelhousing)