AUTOMOTIVE ELECTRICIANS

Все схемы для электропроводки Mercedes-Benz E500 4Matic 2006

Автомтическая коробка Передач (АКПП) Полная привод (4WD) Блокировка Дифференциала

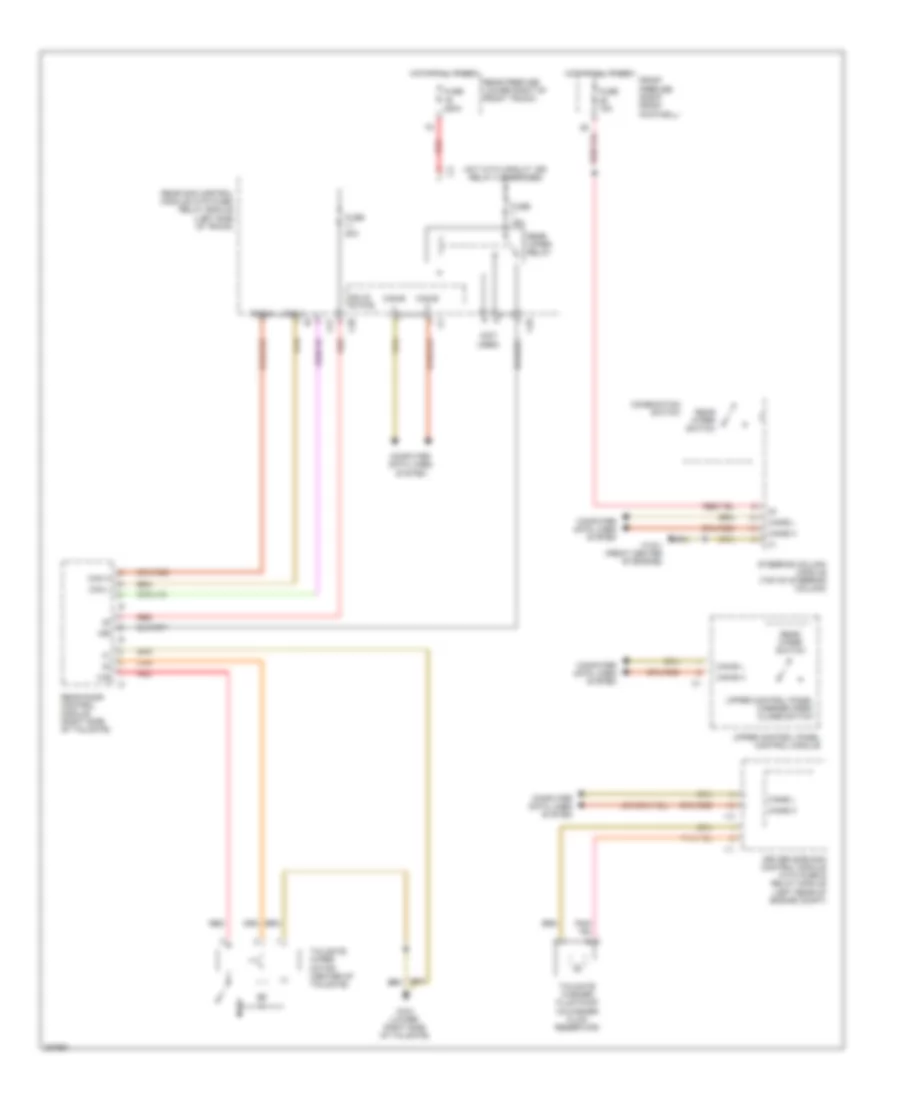
Электросхема коробки передач АКПП, 5 скоростей A/T для Mercedes-Benz E500 4Matic 2006

Электросхема коробки передач АКПП, 5 скоростей A/T для Mercedes-Benz E500 4Matic 2006

Электросхема коробки передач АКПП, 5 скоростей A/T для Mercedes-Benz E500 4Matic 2006 - Список элементов:

  • (+)
  • (-)
  • 1-2/ 4-5 valve
  • 2-3 shift valve
  • 3-4 shift valve
  • Can-c h
  • Can-c l
  • Circuit 87 relay, chassis
  • Data link connector (under left side of dash)
  • Diag
  • Driver side sam control module w/ fuse/relay module (left rear of engine compt)
  • Eis (ezs) control unit
  • Electric control unit (integral to transmission)
  • Electronic selector lever module control module (center console)
  • Electronic steering lock control module (on steering column)
  • Etc (egs) control module (behind right side of dash)
  • Fuse 7.5a
  • Gear display sensor
  • Gnd
  • Hot at all times
  • Keyless-go start/stop button (if equipped)
  • Left voltage distributor can connector
  • Lock up valve
  • Modu- lator valve
  • Nca
  • Rpm sensor
  • Shift valve
  • Sig
  • Solid state
  • Start interlock switch
  • Temp sensor
  • W15/1 (right kick panel)
  • W15/2 (left kick panel)

Электросхема коробки передач АКПП, 7 скоростей A/T для Mercedes-Benz E500 4Matic 2006

Электросхема коробки передач АКПП, 7 скоростей A/T для Mercedes-Benz E500 4Matic 2006 - Список элементов:

  • B1 brake valve
  • B2 brake valve
  • B3 brake valve
  • Can-c h
  • Can-c l
  • Circuit 87 relay, chassis
  • Driver side sam control module w/ fuse/relay module (left rear of engine compt)
  • Eis (ezs) control unit
  • Electric control unit (vgs) (in transmission)
  • Electronic selector lever module control module (center console)
  • Electronic steering lock control module (on steering column)
  • Fuse 7.5a
  • Gear display sensor
  • Gnd
  • Hot at all times
  • Internal speed sensor (vgs)
  • K1 clutch valve
  • K2 clutch valve
  • K3 clutch valve
  • Keyless-go start/stop button (if equipped)
  • Left voltage distributor can connector
  • Lockup valve
  • Nca
  • Output speed sensor (vgs)
  • Range sensor
  • Solid state
  • Temp sensor
  • Turbine speed sensor (vgs)
  • W15/2 (left kick panel)
  • Working pressure valve

БАГАЖНИК ЗАДНЯЯ ДВЕРЬ ЛЮЧОК ТОПЛИВНОГО БАКА

Электросхема открывания лючка топливного бака для Mercedes-Benz E500 4Matic 2006

Электросхема открывания лючка топливного бака для Mercedes-Benz E500 4Matic 2006 - Список элементов:

  • C13
  • Can-b h
  • Can-b l
  • Computer data lines system
  • Fuel filler cap polarity change 1 relay
  • Fuel filler cap polarity change 2 relay
  • Fuel filler flap cl motor (right side of trunk)
  • Fuse 10a
  • Hot at all times
  • Rear sam control module with fuse & relay module (left side of trunk)
  • W6 (left rear wheelhousing)

Электросхема закрывания багажника, седан для Mercedes-Benz E500 4Matic 2006

Электросхема закрывания багажника, седан для Mercedes-Benz E500 4Matic 2006 - Список элементов:

  • Can-b h
  • Can-b l
  • Computer data lines system
  • Fuse 30a
  • Hot at all times
  • Nca
  • Power locking switch (center rear of trunk lid)
  • Rear end door trunk opening angle detection sensor (near trunk lid drive motor)
  • Rear prefuse box (lower right front of trunk)
  • Red
  • Rtl (hdfs) pushbutton
  • Tlc (hds) control module (left side of trunk)
  • Trunk lid drive motor (left side of trunk)
  • W6/1 (left taillight in trunk)

Электросхема закрывания багажника, Универсал для Mercedes-Benz E500 4Matic 2006

Электросхема закрывания багажника, Универсал для Mercedes-Benz E500 4Matic 2006 - Список элементов:

  • Automatic rear-end door closing control valve (left rear of cargo area)
  • Can-b h
  • Can-b l
  • Computer data lines system
  • Fuse 30a
  • Hot at all times
  • Nca
  • Rear door hydraulic pump (left side of cargo area)
  • Rear end door trunk opening angle detection sensor (near trunk lid drive motor)
  • Rear prefuse (lower right front of trunk)
  • Red
  • Tlc (hds) control module (left side of trunk)
  • W6/1 (left taillight in trunk)

БЛОК ПРЕДОХРАНИТЕЛЕЙ И РЕЛЕ

Электросхема блока предохранителей и реле (1 из 3) для Mercedes-Benz E500 4Matic 2006

Электросхема блока предохранителей и реле (1 из 3) для Mercedes-Benz E500 4Matic 2006 - Список элементов:

  • (left end of dash) interior fuse box
  • (not used)
  • 87a
  • Airmatic relay (if equipped)
  • Airmatic w/ ads control unit & (if equipped) rear axle level control system control module (if equipped)
  • Auxiliary battery
  • Auxiliary battery relay
  • Auxiliary battery relay & terminal block (circuit 30)
  • Battery
  • Battery control module
  • Battery sensor
  • Cd changer & media interface control module
  • Central gateway control module
  • Circuit 15 relay
  • Circuit 58d potential splitter
  • Comand operating display & control module (if equipped) radio control panel & navigation unit (radio w/ aps)
  • Cutoff relay for interruptible loads (early production)
  • Data link connector
  • Driver front seat adjustment control module (w/ memory)
  • Driver side sam control module w/ fuse & relay module (3.2l (turbo))
  • Early production
  • Electric suction fan engine & a/c w/ integrated control
  • Front prefuse (right front footwell)
  • Fuse
  • Fuse 100a
  • Fuse 10a
  • Fuse 150a
  • Fuse 15a
  • Fuse 200a
  • Fuse 25a
  • Fuse 30a
  • Fuse 40a
  • Fuse 50a
  • Fuse 5a
  • Fuse 7.5a
  • Generator
  • Heater booster (3.2l turbo)
  • Hs (sih) & seat ventilation control module
  • Hs (sih) & seat ventilation control module & passenger side sam control module
  • Illuminated cigarette lighter
  • Interior lights system
  • Interior socket
  • Late production
  • Left front door control module
  • Left front reversible emergensy tensioning retractor (if equipped)
  • Left rear door control module
  • Lower control field control module
  • Me sfi (me) control module (5.0l)
  • Nca
  • Neck pro head restraint relay
  • Passenger front seat adjustable control module (w/ memory)
  • Passenger side sam control module
  • Pneumatic pump & dynamic seat control (if equipped)
  • Portable ctel antenna amplifier connector
  • Preglow output (3.2l turbo)
  • Rear module keyless go control module
  • Rear prefuse (lower right front of trunk)
  • Red
  • Right front door control module
  • Right front reversible emergency tensioning retractor (if equipped)
  • Right rear door control module
  • Right rear door keyless go control module
  • Sdar control unit
  • Solar generator control module & heating systems recirculation unit
  • Starter
  • Steering column module
  • Subwoofer amplifier
  • Tele communication control module & universal portable ctel interface (upci (uhi)) control module
  • Tlc (hds) control module
  • To driver side sam control module w/ fuse & relay module (diagram 2 of 3)
  • To rear sam control module w/ fuse & relay module (diagram 3 of 3)
  • Traction system hydraulic unit & esp control module
  • Upper control panel control module
  • Voice control system control module
  • W15/1 (near right kick panel)
  • W6 (left rear wheelhousing)
  • Wss control unit (weight sensing system)

Электросхема блока предохранителей и реле (2 из 3) для Mercedes-Benz E500 4Matic 2006

Электросхема блока предохранителей и реле (2 из 3) для Mercedes-Benz E500 4Matic 2006 - Список элементов:

  • (not used)
  • Air pump (or) oil cooler fan relay
  • Airmatic w/ aids control unit & rear axle level control system control module
  • Chassis circuit relay
  • Circuit 15r relay
  • Circuit relay
  • Driver side sam control module w/ fuse & relay module (left rear of engine compartment)
  • Eis (ezs) control unit
  • Eis (ezs) control unit & electric steering lock control module
  • Electronic selector lever module control module
  • Emergency call system control unit
  • Engine circuit 87 relay
  • Esp control module
  • Etc (egs) control module & electric control unit (vgs)
  • Exterior lamp switch
  • Fan relay module
  • From air pump (or) g oil cooler fan relay (diagram 2 of 3)
  • From cutoff relay for interruptible loads (diagram of 1 of 3)
  • From rear prefuse box (diagram 1 of 3)
  • Fuse 10a
  • Fuse 15a
  • Fuse 20a
  • Fuse 30a
  • Fuse 40a
  • Fuse 53a 15a
  • Fuse 53b 15a
  • Fuse 54a 15a
  • Fuse 54b 15a
  • Fuse 5a
  • Fuse 7.5a
  • Headlamp range adjustment control module
  • I10
  • I7 (not used)
  • Ignition coil cylinders (1 to 4) & radio interference suppression capacitor 1
  • Instrument cluster & glove compartment illumination w/ switch
  • Instrument cluster, steering column module & comfort aac pushbutton control module
  • Left front headlamp unit
  • Red
  • Restraint systems control module
  • Seq (asg) pump control relay
  • Solid state
  • Starter relay
  • Stop lamp switch (4 pin)
  • To fuse 55 (diagram 2 of 3)
  • Wiper motor

Электросхема блока предохранителей и реле (3 из 3) для Mercedes-Benz E500 4Matic 2006

Электросхема блока предохранителей и реле (3 из 3) для Mercedes-Benz E500 4Matic 2006 - Список элементов:

  • (left side of trunk) rear sam control module w/ fuse & relay module
  • (not used)
  • Alarm signal siren
  • Ata (edw) inclination sensor
  • Audio gateway control module
  • Cargo area socket
  • Circuit 15r relay 1
  • Circuit 15r relay 2
  • Driver front seat adjustment control module (w/ memory)
  • F17
  • F18
  • F19
  • F20
  • From fuse 8 (diagram 3 of 3)
  • From rear prefuse box (diagram 1 of 3)
  • Front passenger front seat adjustment control module (w/ memory)
  • Fuel filler cap polarity change 1 relay
  • Fuel filler cap polarity change 2 relay
  • Fuse
  • Fuse 10a
  • Fuse 15a
  • Fuse 20a
  • Fuse 25a
  • Fuse 30a
  • Fuse 40a
  • Fuse 7.5a
  • Intercooler circulation pump relay
  • Interior socket
  • Left antenna amplifier module
  • Multicontour seat pneumatic pump
  • Navigation processor
  • Overhead control panel control module
  • Pts control module
  • Rear door control module
  • Rear sam control module w/ fuse & relay module (left side of trunk)
  • Rear screen blind relay
  • Rear window defroster relay
  • Rear wiper relay
  • Red
  • Reverse 2 relay
  • Solid state
  • To fuse 11 (diagram 3 of 3)
  • Tpm control module
  • W15/1 (right kick panel)
  • W6/1 (sedan: left rear corner of trunk) (wagon: left rear corner of cargo area)

БЛОКИ УПРАВЛЕНИЯ КУЗОВОМ

водитель "s сторона схема управляющего модуля SAM (1 из 2) для Mercedes-Benz E500 4Matic 2006

водитель "s сторона схема управляющего модуля SAM (1 из 2) для Mercedes-Benz E500 4Matic 2006 - Список элементов:

  • (or pnk/red)
  • (or pnk/red) 3.5l
  • (or red)
  • Air conditioning system
  • Anti-lock brake system
  • Computer data lines system
  • Cooling fans system
  • Cruise control system
  • Driver side sam control module with fuse & relay module (left rear of engine compt)
  • Electronic power steering system
  • Electronic suspension system
  • Engine control module
  • Engine control system
  • Engine controls system
  • Exterior lights system
  • Fuse 150a
  • Fuse 200a
  • Fuse 7.5a
  • Headlights system
  • Hot at all times
  • I10
  • I11
  • I12
  • I13
  • Instrument cluster system
  • Interior fuse box (left end of dash)
  • Interior lights circuit
  • Interior lights system
  • Passenger's side sam control module circuit
  • Pnk/red
  • Power distribution
  • Rear prefuse (lower right front of trunk)
  • Red
  • Sound system
  • Starting/charging system
  • Transmission system
  • W15/2 (left kick panel)
  • Wiper/washer system

водитель "s сторона схема управляющего модуля SAM (2 из 2) для Mercedes-Benz E500 4Matic 2006

водитель "s сторона схема управляющего модуля SAM (2 из 2) для Mercedes-Benz E500 4Matic 2006 - Список элементов:

  • (at left headlight unit) w9
  • Air conditioning system
  • Anti-lock brake system
  • Defogger system
  • Driver side sam control module with fuse & relay module (left rear of engine compt)
  • Early production
  • Engine control system
  • Exterior lights system
  • Headlamps system
  • Headlights system
  • Horns system
  • Instrument cluster system
  • Red
  • Wiper/washer system

пассажир "s сторона схема управляющего модуля SAM для Mercedes-Benz E500 4Matic 2006

пассажир "s сторона схема управляющего модуля SAM для Mercedes-Benz E500 4Matic 2006 - Список элементов:

  • Air conditioning system
  • Computer data lines system
  • Cooling fan system
  • Driver's side sam control module circuit
  • Exterior lights system
  • Front prefuse (right front footwell)
  • Fuse 25a
  • Fuse 40a
  • Headlights system
  • Hot at all times
  • Interior fuse box (left end of dash)
  • Passenger-side sam control module (under right side of dash)
  • Power seats system
  • Red
  • W15/1 (right kick panel)

задняя дверная схема блока управления, Универсал для Mercedes-Benz E500 4Matic 2006

задняя дверная схема блока управления, Универсал для Mercedes-Benz E500 4Matic 2006 - Список элементов:

  • Door lock system
  • Exterior lights system
  • Pnk/red
  • Rear door control module (right side of tailgate)
  • Rear sam control module with fuse & relay module (left side of of trunk)
  • Red
  • Trunk, tailgate, fuel doors system
  • W8/3 (lower right side of tailgate)
  • Wiper/washer system

задняя схема управляющего модуля SAM для Mercedes-Benz E500 4Matic 2006

задняя схема управляющего модуля SAM для Mercedes-Benz E500 4Matic 2006 - Список элементов:

  • Anti-lock brake system
  • Anti-theft system
  • C10
  • C11
  • C12
  • C13
  • C14
  • C16
  • C17
  • C19
  • C20
  • C21
  • C22
  • C23
  • C24
  • C25
  • C26
  • C28
  • C30
  • C31
  • Computer data lines system
  • Defogger system
  • Door locks system
  • Engine control system
  • Exterior lights system
  • F17
  • F20
  • Fuse 200a
  • Hot at all times
  • Instrument cluster system
  • Interior lights system
  • Navigation system
  • Power distribution
  • Power seat system
  • Power seats system
  • Power window system
  • Power windows system
  • Rear door control module (right side of tailgate)
  • Rear prefuse (lower right right front of trunk)
  • Rear sam control module with fuse & relay module (left side of trunk)
  • Red
  • Sedan
  • Sound system
  • Starting/charging system
  • Tire pressure system
  • Trunk, tailgate, fuel doors system
  • W6 (left rear wheelhousing)
  • Wagon

БЛОКИРОВКИ СЕЛЕКТОРА СТОЯНОЧНЫЙ ТОРМОЗ

Электросхема блокировки селектора для Mercedes-Benz E500 4Matic 2006

Электросхема блокировки селектора для Mercedes-Benz E500 4Matic 2006 - Список элементов:

  • (early production)
  • (late production)
  • Can-c h
  • Can-c l
  • Central gateway control module (under left side of dash)
  • Chassis circuit 87 relay
  • Ci7
  • Computer data lines system
  • Di control module (near ignition switch)
  • Driver side sam control module with fuse/relay module (left rear of engine compartment)
  • Electric control unit (integral to transmission)
  • Electric steering lock control module (on steering column)
  • Electronic selector lever module control module (center console)
  • Esp/sps/bas control module (left rear of engine compt)
  • Etc control module (behind right side of dash)
  • Fuse 7.5a
  • Gear display sensor
  • Gnd
  • Hot at all times
  • I13
  • Instrument cluster
  • Keyless go start/stop pushbutton (if equipped)
  • Left voltage distributor connector
  • Me-sfi (me) control module (center rear of engine compartment)
  • Nca
  • Parking brake indicator switch (on parking brake assembly)
  • Solid state
  • W/ 5 speed transmission
  • W/ 7 speed transmission
  • W15/1 (right kick panel)
  • W15/2 (left kick panel)

ВНЕШНЕЕ ОСВЕЩЕНИЕ

передняя Электросхема внешнего освещения (1 из 2) для Mercedes-Benz E500 4Matic 2006

передняя Электросхема внешнего освещения (1 из 2) для Mercedes-Benz E500 4Matic 2006 - Список элементов:

  • 15g
  • 30z
  • 49a
  • 56b
  • 58d
  • Afl
  • Bus lwr
  • Can h
  • Can l
  • Can-b h
  • Can-b l
  • Can-c h
  • Can-c l
  • Computer data lines system
  • Driver side sam control module with fuse/relay module (left rear of engine compartment)
  • Early production
  • Eis (ezs) control unit
  • Electric steering lock control module
  • Esp, sps & bas control module (left rear of engine compartment)
  • Exterior lamp switch
  • Front prefuse (right front footwell)
  • Fuse 200a
  • Fuse 40a
  • Hot at all times
  • Hot at all times fuse 64 7.5a
  • Hot at all times fuse 65 20a
  • Hot at all times fuse 67 10a
  • Hot in run or start fuse 52 7.5a
  • I12
  • Instrument cluster
  • Interior lights system
  • Late production
  • Led nsl
  • Led nsw
  • Left & right turn signal ind lamps, audible turn signal indicator
  • Left front headlamp unit
  • Left front side marker lamp
  • Left standing and parking lamp
  • Left turn signal lamp
  • Passenger side sam control module (under right side of dash)
  • Rear prefuse (lower right front of trunk)
  • Red
  • Right front headlamp unit
  • Right front side marker lamp
  • Right standing and parking lamp
  • Right turn signal lamp
  • Sra
  • Stop light switch (left front upper footwell)
  • Traction system hydraulic unit
  • W15/1 (right kick panel)
  • W15/2 (left kick panel)
  • W2 (at right headlight unit)
  • W9 (at left headlight unit)

передняя Электросхема внешнего освещения (2 из 2) для Mercedes-Benz E500 4Matic 2006

передняя Электросхема внешнего освещения (2 из 2) для Mercedes-Benz E500 4Matic 2006 - Список элементов:

  • Can-b h
  • Can-b l
  • Can-c h
  • Can-c l
  • Combination switch
  • Computer data lines system
  • Fuse 15a
  • Fuse 25a
  • Fuse 5a
  • Hazard warning system switch
  • Headlamp flasher/ high beam switch
  • Hot at all times
  • Interior fuse box (left end of dash)
  • Left exterior mirror
  • Left exterior mirror ambient lamp
  • Left exterior mirror turn signal lamp
  • Left front door control module (in driver's door)
  • Red
  • Right exterior mirror
  • Right front door control module (right front door)
  • Steering column module (top of steering column)
  • Turn signal switch
  • Ucp carrier motor limit switch
  • Ucp carrier open & close motor
  • Upper control panel control module
  • W15/1 (right kick panel)
  • W15/2 (early production) (left kick panel) w15/1 (late production) (right kick panel)
  • W15/2 (left kick panel)

задняя Электросхема внешнего освещения, седан для Mercedes-Benz E500 4Matic 2006

задняя Электросхема внешнего освещения, седан для Mercedes-Benz E500 4Matic 2006 - Список элементов:

  • C14
  • C21
  • C22
  • Can-b h
  • Can-b l
  • Can-c h
  • Can-c l
  • Center high mounted stop lamp
  • Central gateway control module (under left side of dash)
  • Computer data lines system
  • Data
  • Electronic control unit (vgs) (e500) (in transmission)
  • Electronic selector lever module control module (e320) (center console)
  • Fra
  • Fuse 200a
  • Hot at all times
  • Inner left taillamp, rear fog lamp
  • Inner left turn signal lamp
  • Inner right taillamp, rear fog lamp
  • Inner right turn signal lamp
  • Left backup lamp
  • Left license plate lamp
  • Left stop lamp
  • Left taillamp
  • Nca
  • Nsl
  • Outer left taillamp, parking lamp, rear fog lamp
  • Outer left turn signal lamp
  • Outer right taillamp, parking lamp, rear fog lamp
  • Outer right turn signal lamp
  • Overhead control panel control module (in overhead console)
  • Rain/light sensor (behind top center of windshield)
  • Rear prefuse (lower right of front trunk)
  • Rear sam control module with fuse/relay module (left side of trunk)
  • Red
  • Rfl
  • Right backup lamp
  • Right license plate lamp
  • Right stop lamp
  • Right taillamp
  • W6 (left rear wheelhousing)

задняя Электросхема внешнего освещения, Универсал для Mercedes-Benz E500 4Matic 2006

задняя Электросхема внешнего освещения, Универсал для Mercedes-Benz E500 4Matic 2006 - Список элементов:

  • (left rear wheelhousing) w6
  • 15r
  • Can h
  • Can l
  • Can-b h
  • Can-b l
  • Can-c h
  • Can-c l
  • Center high mounted stop lamp
  • Central gateway control module (under left side of dash)
  • Computer data lines system
  • Data
  • Electronic control unit (vgs) (e500) (in transmission)
  • Electronic selector lever module control module (e320) (center console)
  • Fra
  • Fuse 200a
  • Hot at all times
  • Kzb
  • Left backup lamp
  • Left license plate lamp
  • Left rear door tail lamp
  • Left rear fog lamp
  • Left stop lamp, tail lamp & parking lamp
  • Left tail lamp
  • Left turn signal lamp
  • Nca
  • Nsl/sl
  • Overhead control panel control module (in overhead console)
  • Pnk/red
  • Rain/light sensor (behind top center of windshield)
  • Rear door control module (right side of tailgate)
  • Rear end door spotlight
  • Rear prefuse (lower right of front trunk)
  • Rear sam module control module with fuse/relay module (left side of trunk)
  • Red
  • Rfl
  • Right backup lamp
  • Right license plate lamp
  • Right rear door tail lamp
  • Right rear fog lamp
  • Right stop lamp, tail lamp & parking lamp
  • Right tail lamp
  • Right turn signal lamp
  • Spotlight
  • W6 (left rear wheelhousing)
  • W6/1 (left tailight in trunk)
  • W8/3 (lower right side of liftgate)
  • W8/3 (lower right side of tailgate)

ВНУТРЕННЕЕ ОСВЕЩЕНИЕ

Электросхема подсветки (1 из 3) для Mercedes-Benz E500 4Matic 2006

Электросхема подсветки (1 из 3) для Mercedes-Benz E500 4Matic 2006 - Список элементов:

  • (left "b" pillar)
  • (right "b" pillar)
  • (right "c" pillar)
  • 15r
  • 58d
  • Ambient lamp
  • C21
  • C22
  • Can-b h
  • Can-b l
  • Computer data lines system
  • Data
  • Dome lamp on/off switch
  • Door contact on/off switch
  • Front dome lamp
  • Fuse 200a
  • Hot at all times
  • Interior rear view mirror unit
  • Left front door contact switch
  • Left front vanity mirror illum
  • Left front vanity mirror illum switch
  • Left reading lamp
  • Left reading lamp switch
  • Left rear door contact switch (left "c" pillar)
  • Light ring
  • Nca
  • Overhead control panel control module (in overhead console)
  • Rain/light sensor (behind top center of windshield)
  • Rear dome lamp switch
  • Rear prefuse (lower right of front trunk)
  • Rear sam control module with fuse/relay module (left side of trunk)
  • Red
  • Right front door contact switch
  • Right front vanity mirror illum
  • Right front vanity mirror illum switch
  • Right reading lamp
  • Right reading lamp switch
  • Right rear door contact switch
  • Trunk lid contact switch (center rear of trunk lid)
  • W/ interior motion sensor & w/ panoramic sliding roof
  • W/ standard rear lamp
  • W15/1 (right kick panel)
  • W6 (left rear wheelhousing)

Электросхема подсветки (2 из 3) для Mercedes-Benz E500 4Matic 2006

Электросхема подсветки (2 из 3) для Mercedes-Benz E500 4Matic 2006 - Список элементов:

  • + dome lamp dimmer button
  • + dome lamp dimmer switch
  • - dome lamp dimmer button
  • - dome lamp dimmer switch
  • Center overhead control panel control module
  • Interior lamp
  • Left foil lamp
  • Left reading lamp
  • Left reading lamp switch
  • Left rear dome lamp
  • Left window break sensor connector (wagon)
  • Light ring
  • Nca
  • Rear
  • Rear dome lamp
  • Rear interior lamp
  • Right foil lamp
  • Right reading lamp
  • Right reading lamp switch
  • Right rear dome lamp
  • Sliding sunroof lining switch
  • W/ interior motion sensor & w/ panoramic sliding roof
  • W/ interior motion sensor & w/o panoramic sliding roof

Электросхема подсветки (3 из 3) для Mercedes-Benz E500 4Matic 2006

Электросхема подсветки (3 из 3) для Mercedes-Benz E500 4Matic 2006 - Список элементов:

  • (+)
  • (-)
  • 58d
  • Can-b h
  • Can-b l
  • Computer data lines system
  • Fuse 25a
  • Hot at all times
  • Illumination
  • Interior fuse box (left end of dash)
  • Left front door control module (left front door)
  • Left front door entrance/exit lamp
  • Left front door inside handle illum
  • Left front door warning lamp
  • Left rear door control module (left rear door)
  • Left rear door entrance/ exit lamp
  • Left rear door inside handle illum
  • Left rear door warning lamp
  • Left rear power window switch
  • Nca
  • Red
  • Right front door control module (right front door)
  • Right front door entrance/exit lamp
  • Right front door inside handle illum
  • Right front door warning lamp
  • Right front power window switch
  • Right rear door control module (right rear door)
  • Right rear door entrance/ exit lamp
  • Right rear door inside handle illum
  • Right rear door warning lamp
  • Right rear power window switch
  • Trunk lid open/ close switch (sedan) remote rear end opening switch (wagon)
  • W15/1 (right kick panel)
  • W15/2 (left kick panel)

Электросхема подсветки приборов для Mercedes-Benz E500 4Matic 2006

Электросхема подсветки приборов для Mercedes-Benz E500 4Matic 2006 - Список элементов:

  • (left rear wheelhousing) w6
  • 15g
  • 31e
  • 58d
  • Bus lwr
  • C24
  • Can-b h
  • Can-b l
  • Can-c h
  • Can-c l
  • Circuit 58d potential splitter
  • Computer data lines system
  • Control panel rear switch group
  • Driver side sam control module with fuse/relay module (left rear of engine compartment)
  • Exterior lamp
  • Fuse 200a
  • Hot at all times
  • Hot at all times fuse 64 7.5a
  • Hot in run and start fuse 52 7.5a
  • I13
  • Illuminated cigar lighter
  • Instrument cluster
  • Instrument lighting rheostat & reset button
  • Interior socket
  • Led nsl
  • Led nsw
  • Left air outlet illumination
  • Left front footwell lamp
  • Left rear footwell lamp
  • Left trunk lamp (sedan) left luggage compt lamp (wagon)
  • Mb-info and telediagnosis button group
  • Nca
  • Rear air outlet illumination
  • Rear prefuse (lower right of front trunk)
  • Rear sam control module with fuse/relay module (left side of trunk)
  • Red
  • Right air outlet illumination
  • Right front footwell lamp
  • Right luggage compt lamp
  • Right rear footwell lamp
  • Right trunk lamp
  • Sedan
  • Sos/ata switch group
  • Sra
  • W15/1 (right kick panel)
  • W15/2 (left kick panel)
  • W15/3 (left rear of engine compt)
  • W17/1 (behind left rear seat)
  • W6 (left rear wheelhousing)
  • Wagon

ЗАЗЕМЛЕНИЕ ПОДКЛЮЧЕНИЕ МАССЫ

Электросхема подключение массы заземления для Mercedes-Benz E500 4Matic 2006

Электросхема подключение массы заземления для Mercedes-Benz E500 4Matic 2006 - Список элементов:

  • Air pump & radio interface suppression capacitor 1 & 2
  • C-aac sun sensors, right front brake pad contact sensor, fanfare horns, washer nozzle heater, windshield washer fluid pump, washer nozzle hose heater, right front headlamp unit, right fog lamp, coolant circulation pump, premier sensor (3.5l), right front side marker lamp & electric suction fan engine & ac w/ integrated control
  • Data link connector, right charge pressure positioner (3.2l turbo), left exhaust gas recirculation positioner (3.2l turbo), inlet port shutoff motor, cylinder ignition coils (1 to 6), cdi control module (3.2l turbo) & me-sfi (me) control module
  • Interface control module, voice control system control module, sos/ata switch group, sdar control unit, mb-info & telediagnosis button group, ctel compensator, portable ctel antenna amplifier connector, emergency call system control unit & frequency switchover control module
  • Left taillamp, rear door control module, tailgate wiper motor, rwts button, rear end door spotlight, left license plate lamp, right license plate lamp & right rear door taillamp
  • Left turn signal indicator lamp, driver side sam control module w/ fuse & relay module, dtr control unit, right fanfare horn, c-aac multi-function sensor, left front headlamp unit, left fog lamp electric suction fan engine & ac w/ integrated control (3.2l turbo), airmatic compressor unit, esp control module & left front side marker lamp
  • Media interface control unit, illuminated cigar lighter, driver front seat adjustment control module (w/ memory), left front door contact switch, left rear door contact switch, driver side sam control module w/ fuse/relay module, parking brake indicator switch, left rear door control module, control module box blower motor, kickdown switch, mb-info & telediagnosis button group, central gateway control module, left front footwell lamp, right side airbag ignition squib, left rear footwell lamp, left front door control module, upper control panel control module, left front reversible emergency tensioning retractor, left front seat heated cushion, left front backrest heated cushion, right front seat heated cushion, right front backrest heated cushion, lower control field control module, rear module keyless-go control module, hs (sih) & seat ventilation control module, radio, left front side marker lamp, radio control panel & navigation unit, comand operating, display & control module, left rear door keyless-go control unit, electric control unit, can-d voltage distributor connector, electronic selector lever control module, data link connector, gear display sensor, left front illuminated door sill molding voltage converter, left voltage distributor (can) connector, circuit 15 relay, neck-pro head restraint relay, driver neck-pro head restraint solenoid & driver side airbag squib
  • Multi contour seat pneumatic pump, pneumatic pump for dynamic seat control, tlc (hds) control module (sedan), center high-mounted stop lamp (wagon), left taillamp (wagon), right taillamp (wagon), left luggage compartment lamp (wagon), right luggage compartment lamp (wagon), load compartment limit switch (wagon) & cargo area socket (wagon)
  • Subwoofer amplifier, amplifier for sound system, trunk lid ambient light (sedan), left license plate lamp (sedan), right license plate lamp (sedan), center high mounted stop lamp (sedan), left & right trunk lamps, left & right taillamps, left rear seat release mechanism switch, right rear seat release mechanism switch, center rear head restraint motor, pawl rotary tumbler switch (sedan), left rear backrest angle switch, right rear backrest angle switch, left rear head restraint motor, right rear head restraint motor, overhead control panel control module, trunk lid keyless-go button, right fuel pump (5.0l), rear screen blind relay (sedan), rear sam control module, w/ fuse & relay module, electrolytic capacitor (rear window noise suppressor), heated rear window, audio gateway control module, left rear door contact switch (wagon), left rhr (kaf) release valve (wagon), right rhr (kaf) release valve (wagon) & retractable rear head & restraints pneumatic pump (wagon)
  • Universal portable ctel
  • Upper control panel control module, right front door control module, instrument cluster, right air outlet illumination, left air outlet illumination, right rear footwell lamp, passenger side sam control module, steering column module, exterior lamp switch, glove compartment illumination w/ switch, in-car temperature sensor, right front footwell lamp, comfort aac pushbutton control module, right front door contact switch, right rear door contact switch, right rear brake pad contact sensor, etc control module, front passenger front seat adjustment control module (w/ memory), heater booster (3.2l turbo), right rear door keyless-go control unit, heating systems recirculation unit, solar generator control module, eis (ezs) control unit, right front reversible emergency tensioning retractor, right rear door control module, headlamp range adjustment control module, electric steering lock control module, airmatic w/ ads control unit, right rear tpm (rdk) wheel sensor, cd charger, right front illuminated door sill molding voltage converter, front passenger neck-pro head restraint solenoid, right side airbag ignition squib, wss control unit (weight sensing system), control panel rear switch group, rear air outlet illumination, interior socket, illuminated cigar lighter & parking brake indicator switch
  • W11/3 (5.0l) (front center of engine)
  • W15/1 (right kick panel)
  • W15/2 (left kick panel)
  • W15/3 (left rear of engine compartment)
  • W17/1 (behind left rear seat)
  • W2 (at right headlight unit)
  • W6 (left rear wheelhousing)
  • W6/1 (left taillight in trunk)
  • W8/3 (wagon) (lower right side of tailgate)
  • W9 (at left headlight unit)

Звуковой сигнал Гудок

Электросхема звукового сигнал Гудка для Mercedes-Benz E500 4Matic 2006

Электросхема звукового сигнал Гудка для Mercedes-Benz E500 4Matic 2006 - Список элементов:

  • Can-b h
  • Can-b l
  • Computer data lines system
  • Driver side sam control module with fuse & relay module (left rear of eng compt)
  • Early production
  • Fan relay module
  • Fanfare horn (left front wheelwell)
  • Fanfare horn switch
  • Fanfare horn/ airbag clock spring contact (top of steering column)
  • Fuse 53a 15a
  • Fuse 53b 15a
  • Hot at all times
  • Hot w/ circuit 15r relay energized
  • I13
  • Left multi- function steering wheel pushbutton group
  • Nca
  • Red
  • Right fanfare horn (right front of engine compt)
  • Right multi- function steering wheel pushbutton group
  • Steering column module (top of steering column)
  • W2 (at right headlight unit)
  • W9 (at left headlamp unit)
  • W9 (at left headlight unit)

Магнитола Мультимедия

авто пилот системная схема для Mercedes-Benz E500 4Matic 2006

авто пилот системная схема для Mercedes-Benz E500 4Matic 2006 - Список элементов:

  • (integral to interior rearview mirror) sound amplifier microphone
  • (left kick panel) w15/2
  • (left rear wheelhousing) w6
  • (or pnk)
  • (pin 4-12 not used)
  • (top right of tailgate) w8/5
  • Amplifier module (wagon)
  • Antenna
  • Audio gateway control module (left side of trunk)
  • Aut
  • Bass module loud speaker
  • C11
  • C23
  • C28
  • Can- b h
  • Can- b l
  • Can-b h
  • Can-b l
  • Cd changer (if equipped)
  • Center cockpit speaker
  • Door speakers left front
  • Door speakers right front
  • Early production wagon early production sedan
  • Emergency call system control unit
  • Fuse 15a
  • Fuse 40a
  • Fuse 7.5a
  • Gps ant
  • Gps antenna (below paneling, on upper edge of tailgate)
  • Gps antenna splitter (left side of trunk)
  • Hot at all times
  • Interior fuse box (left end of dash)
  • Late production
  • Left antenna amplifier module (left "c" pillar)
  • Left rear door speakers
  • Left rear surround loud speaker
  • Most
  • Most data bus circuit
  • Most in
  • Most out
  • Most wake-up
  • Mute
  • Nca
  • Pnk
  • Radio control panel & navigation unit
  • Rear sam control module with fuse & relay module (left side of trunk)
  • Red
  • Right rear door speakers
  • Right rear surround loud speaker
  • Sedan
  • Shield
  • Solid state
  • Tweeter
  • W/ tele aid emergency call system
  • W/o tele aid emergency call system
  • W15/1 (right kick panel)
  • Wagon
  • Wake-up
  • Woofer
  • Zf-out

схема приведения в действие COMAND для Mercedes-Benz E500 4Matic 2006

схема приведения в действие COMAND для Mercedes-Benz E500 4Matic 2006 - Список элементов:

  • (pin 4-12 not used)
  • Accept/ terminate phone call pushbutton
  • Audio gateway control module (left side of trunk)
  • Bass module loud speaker
  • Can-b h
  • Can-b l
  • Can-c h
  • Can-c l
  • Cd changer
  • Central gateway control module (under left side of dash)
  • Comand operating, display and control module
  • Computer data lines system
  • Data
  • Fuse 15a
  • Hot at all times
  • Instrument cluster
  • Interior fuse box (left end of dash)
  • Left multifunction steering wheel pushbutton group
  • Left rear surround loud speaker
  • Left voltage distributor (can) connector
  • Most
  • Most in
  • Most out
  • Most wake-up
  • Navigation processor (cns) (left side of trunk)
  • Nca
  • Nf-l
  • Nf-r
  • Out
  • Pnk
  • Pushbutton
  • Red
  • Right multifunction steering wheel pushbutton group
  • Right rear surround loud speaker
  • Scroll forward/ back pushbutton
  • Sdar control unit (right rear of trunk
  • Sedan
  • Separation point
  • Shield
  • Steering column module (top of steering column)
  • System selection pushbutton
  • Universal portable ctel interface (upci [uhi]) control module (if equipped) (rear center of trunk)
  • Voice control system control module (left front of trunk)
  • Volume control
  • W15/2 (left kick panel)
  • Wagon
  • Wake-up
  • Wake-up signal connector
  • Walkman

БОЛЬШАЯ ЧАСТЬ схемы шины данных для Mercedes-Benz E500 4Matic 2006

БОЛЬШАЯ ЧАСТЬ схемы шины данных для Mercedes-Benz E500 4Matic 2006 - Список элементов:

  • Audio gateway control module (left side of trunk)
  • Cd changer
  • Most
  • Navigation processor (cns) (left side of trunk)
  • Out
  • Pnk
  • Radio control panel and navigation unit or comand operating, display and control module
  • Sdar control unit (right rear of trunk)
  • Universal portable ctel interface (upci [uhi]) control module (if equipped) (rear center of trunk)
  • Voice control system control module (left front of trunk)
  • W/ vcs or upci
  • W/o vcs or upci
  • Wake-up
  • Wake-up signal connector

Электросхема магнитолы для Mercedes-Benz E500 4Matic 2006

Электросхема магнитолы для Mercedes-Benz E500 4Matic 2006 - Список элементов:

  • (integral to interior rearview mirror) sound amplifier microphone
  • (left rear wheelhousing) w6
  • (or pnk)
  • (top right of tailgate) w8/5
  • Amplifier module (wagon)
  • Antenna
  • Audio gateway control module (left side of trunk)
  • Aut
  • Bass module loud speaker
  • C11
  • C23
  • C28
  • Can-b h
  • Can-b l
  • Cd changer (if equipped)
  • Center cockpit speaker
  • Door speakers left front
  • Door speakers right front
  • Early production & wagon early production & sedan
  • Emergency call system control unit
  • Fuse 40a
  • Fuse 7.5a
  • Hot at all times
  • Interior fuse box (left end of dash)
  • Late production
  • Left antenna amplifier module (left "c" pillar)
  • Left rear door speakers
  • Left rear surround loud speaker
  • Most
  • Most data bus circuit
  • Most in
  • Most out
  • Most wake-up
  • Mute
  • Nca
  • Pnk
  • Rear sam control module with fuse & relay module (left side of trunk)
  • Red
  • Right rear door speakers
  • Right rear surround loud speaker
  • Sedan
  • Shield
  • Solid state
  • Tweeter
  • W15/1 (right kick panel)
  • Wagon
  • Wake-up
  • Woofer
  • Zf-out

Электросхема спутникового радио для Mercedes-Benz E500 4Matic 2006

Электросхема спутникового радио для Mercedes-Benz E500 4Matic 2006 - Список элементов:

  • (right rear of trunk)
  • Fuse 5a
  • Hot at all times
  • Late production
  • Most
  • Most data bus circuit
  • Most in
  • Most out
  • Nca
  • Pnk
  • Rear prefuse (lower right front of trunk)
  • Sat
  • Sdar antenna (behind left rear seat)
  • Sdar control unit
  • Ter
  • W17/1 (behind left rear seat)
  • Wake-up

переговорная схема активации для Mercedes-Benz E500 4Matic 2006

переговорная схема активации для Mercedes-Benz E500 4Matic 2006 - Список элементов:

  • (pin 4-12 not used)
  • Audio gateway control module (left side of trunk)
  • Bass module loud speaker
  • Can-b h
  • Can-b l
  • Can-c h
  • Can-c l
  • Cd changer
  • Central gateway control module (under left side of dash)
  • Comand operating, display and control module
  • Computer data lines system
  • Fuse 15a
  • Hot at all times
  • Instrument cluster
  • Interior fuse box (left end of dash)
  • Left rear surround
  • Left voltage distributor (can) connector
  • Most
  • Most in
  • Most out
  • Most wake-up
  • Navigation processor (cns) (left side of trunk)
  • Nca
  • Nf-l
  • Nf-r
  • Out
  • Pnk
  • Right rear surround loud speaker
  • Sdar control unit (right rear of trunk
  • Sedan
  • Separation point
  • Shield
  • Steering column module (top of steering column)
  • Universal portable ctel interface (upci [uhi]) control module (if equipped) (rear center of trunk)
  • Vcs (sbs) switch
  • Voice control system control module (left front of trunk)
  • W15/2 (left kick panel)
  • Wagon
  • Wake-up
  • Wake-up signal connector
  • Walkman

Навигация GPS Парктроники

авто пилот системная схема для Mercedes-Benz E500 4Matic 2006

авто пилот системная схема для Mercedes-Benz E500 4Matic 2006 - Список элементов:

  • (integral to interior rearview mirror) sound amplifier microphone
  • (left kick panel) w15/2
  • (left rear wheelhousing) w6
  • (or pnk)
  • (pin 4-12 not used)
  • (top right of tailgate) w8/5
  • Amplifier module (wagon)
  • Antenna
  • Audio gateway control module (left side of trunk)
  • Aut
  • Bass module loud speaker
  • C11
  • C23
  • C28
  • Can- b h
  • Can- b l
  • Can-b h
  • Can-b l
  • Cd changer (if equipped)
  • Center cockpit speaker
  • Door speakers left front
  • Door speakers right front
  • Early production wagon early production sedan
  • Emergency call system control unit
  • Fuse 15a
  • Fuse 40a
  • Fuse 7.5a
  • Gps ant
  • Gps antenna (below paneling, on upper edge of tailgate)
  • Gps antenna splitter (left side of trunk)
  • Hot at all times
  • Interior fuse box (left end of dash)
  • Late production
  • Left antenna amplifier module (left "c" pillar)
  • Left rear door speakers
  • Left rear surround loud speaker
  • Most
  • Most data bus circuit
  • Most in
  • Most out
  • Most wake-up
  • Mute
  • Nca
  • Pnk
  • Radio control panel & navigation unit
  • Rear sam control module with fuse & relay module (left side of trunk)
  • Red
  • Right rear door speakers
  • Right rear surround loud speaker
  • Sedan
  • Shield
  • Solid state
  • Tweeter
  • W/ tele aid emergency call system
  • W/o tele aid emergency call system
  • W15/1 (right kick panel)
  • Wagon
  • Wake-up
  • Woofer
  • Zf-out

схема приведения в действие COMAND для Mercedes-Benz E500 4Matic 2006

схема приведения в действие COMAND для Mercedes-Benz E500 4Matic 2006 - Список элементов:

  • (pin 4-12 not used)
  • Accept/ terminate phone call pushbutton
  • Audio gateway control module (left side of trunk)
  • Bass module loud speaker
  • Can-b h
  • Can-b l
  • Can-c h
  • Can-c l
  • Cd changer
  • Central gateway control module (under left side of dash)
  • Comand operating, display and control module
  • Computer data lines system
  • Data
  • Fuse 15a
  • Hot at all times
  • Instrument cluster
  • Interior fuse box (left end of dash)
  • Left multifunction steering wheel pushbutton group
  • Left rear surround loud speaker
  • Left voltage distributor (can) connector
  • Most
  • Most in
  • Most out
  • Most wake-up
  • Navigation processor (cns) (left side of trunk)
  • Nca
  • Nf-l
  • Nf-r
  • Out
  • Pnk
  • Pushbutton
  • Red
  • Right multifunction steering wheel pushbutton group
  • Right rear surround loud speaker
  • Scroll forward/ back pushbutton
  • Sdar control unit (right rear of trunk
  • Sedan
  • Separation point
  • Shield
  • Steering column module (top of steering column)
  • System selection pushbutton
  • Universal portable ctel interface (upci [uhi]) control module (if equipped) (rear center of trunk)
  • Voice control system control module (left front of trunk)
  • Volume control
  • W15/2 (left kick panel)
  • Wagon
  • Wake-up
  • Wake-up signal connector
  • Walkman

Электросхема навигации GPS для Mercedes-Benz E500 4Matic 2006

Электросхема навигации GPS для Mercedes-Benz E500 4Matic 2006 - Список элементов:

  • (if equipped)
  • (left front of trunk)
  • (pin 6-12 not used)
  • Audio gateway control module (left side of trunk)
  • Bass module loud speaker
  • C16
  • Can- b h
  • Can- b l
  • Can-b h
  • Can-b l
  • Can-c h
  • Can-c l
  • Cd changer
  • Computer data lines system
  • Di control module (near ignition switch)
  • Fuse 20a
  • Gps ant
  • Gps antenna
  • Gps antenna splitter
  • Hot at all times
  • Left front door contact switch
  • Left rear surround
  • Most
  • Most in
  • Most out
  • Most wake-up
  • Navigation processor (cns) (left side of trunk)
  • Nca
  • Out
  • Pnk
  • Radio or radio control panel and navigation unit or comand operating, display and control module
  • Rear sam control module with fuse & relay module (left side of trunk)
  • Right rear surround loud speaker
  • S nca
  • Sdar control unit (right rear of trunk)
  • Sedan
  • Shield
  • Solid state
  • Universal portable ctel interface (upci [uhi]) control module (if equipped) (rear center of trunk)
  • Voice control system control module
  • W/ vcs or upci
  • W/o vcs or upci
  • W15/2 (left kick panel)
  • W6 (left rear wheelhousing)
  • Wagon
  • Wake-up
  • Wake-up signal connector

схема Parktronic для Mercedes-Benz E500 4Matic 2006

схема Parktronic для Mercedes-Benz E500 4Matic 2006 - Список элементов:

  • (+) sh
  • (+) sv
  • (-) sh
  • (-) sv
  • C10
  • C17
  • Can-b h
  • Can-b l
  • Computer data lines system
  • Early production
  • Front bumper pts sensor unit
  • Fuse 20a
  • Hot w/ circuit 15r relay 2 energized
  • Inner left rear pts ultrasonic sensor
  • Inner right rear pts ultrasonic sensor
  • Late production
  • Left center sensor
  • Left inner sensor
  • Left outer sensor
  • Lower control field control module
  • Out right rear pts ultrasonic sensor
  • Outer left rear pts ultrasonic sensor
  • Parktronic system (pts) control module (left rear of trunk)
  • Pnk
  • Pts on/off switch
  • Pts warning display (center of dash)
  • Rear bumper pts sensor unit
  • Rear pts warning display (center rear of roof)
  • Rear sam control module with fuse & relay module (left side of trunk)
  • Right center sensor
  • Right inner sensor
  • Right outer sensor
  • S1 v
  • S10 h
  • S2 v
  • S3 v
  • S4 v
  • S5 v
  • S6 v
  • S7 h
  • S8 h
  • S9 h
  • W h (+)
  • W h (-)
  • W h (data)
  • W v (+)
  • W v (-)
  • W v (data)
  • W6 (left rear wheelhousing)

переговорная схема активации для Mercedes-Benz E500 4Matic 2006

переговорная схема активации для Mercedes-Benz E500 4Matic 2006 - Список элементов:

  • (pin 4-12 not used)
  • Audio gateway control module (left side of trunk)
  • Bass module loud speaker
  • Can-b h
  • Can-b l
  • Can-c h
  • Can-c l
  • Cd changer
  • Central gateway control module (under left side of dash)
  • Comand operating, display and control module
  • Computer data lines system
  • Fuse 15a
  • Hot at all times
  • Instrument cluster
  • Interior fuse box (left end of dash)
  • Left rear surround
  • Left voltage distributor (can) connector
  • Most
  • Most in
  • Most out
  • Most wake-up
  • Navigation processor (cns) (left side of trunk)
  • Nca
  • Nf-l
  • Nf-r
  • Out
  • Pnk
  • Right rear surround loud speaker
  • Sdar control unit (right rear of trunk
  • Sedan
  • Separation point
  • Shield
  • Steering column module (top of steering column)
  • Universal portable ctel interface (upci [uhi]) control module (if equipped) (rear center of trunk)
  • Vcs (sbs) switch
  • Voice control system control module (left front of trunk)
  • W15/2 (left kick panel)
  • Wagon
  • Wake-up
  • Wake-up signal connector
  • Walkman

Подогрев стекол и зеркал

Электросхема подогрева стекол и зеркал для Mercedes-Benz E500 4Matic 2006

Электросхема подогрева стекол и зеркал для Mercedes-Benz E500 4Matic 2006 - Список элементов:

  • C10
  • C20
  • Can-b h
  • Can-b l
  • Comfort aac pushbutton control module
  • Computer data lines system
  • Fuse 200a
  • Fuse 40a
  • Heated rear window
  • Hot at all times
  • Rear prefuse (lower right front of trunk)
  • Rear sam control module with fuse & relay module (left side of trunk)
  • Rear window defroster relay
  • Rear window defroster switch
  • Rear window noise suppresser
  • Red
  • W6 (left rear wheelhousing)

Электросхема подогрева зеркал заднего вида для Mercedes-Benz E500 4Matic 2006

Электросхема подогрева зеркал заднего вида для Mercedes-Benz E500 4Matic 2006 - Список элементов:

  • Can-b h
  • Can-b l
  • Computer data lines system
  • Fuse 25a
  • Hot at all times
  • Interior fuse box (left end of dash)
  • Left front door control module (in driver's door)
  • Left outside rearview mirror
  • Red
  • Right front door control module (right front door)
  • Right outside rearview mirror
  • Sh (+)
  • Sh (-)
  • W15/1 (right kick panel)
  • W15/2 (left kick panel)

ПОДУШКИ БЕЗОПАСНОСТИ AIR BAG

аварийная схема механизмов натяжения ремня безопасности для Mercedes-Benz E500 4Matic 2006

аварийная схема механизмов натяжения ремня безопасности для Mercedes-Benz E500 4Matic 2006 - Список элементов:

  • Can h
  • Can l
  • Computer data lines system
  • Driver-side sam control module w/ fuse & relay module (left rear of engine compt)
  • Front prefuse (right front footwell)
  • Fuse 40a
  • Hot at all times
  • Kick panel)
  • Left front reversible emergency tensioning retractor
  • Rear prefuse (lower right front of trunk)
  • Right front reversible emergency tensioning retractor
  • W15/1 (right
  • W15/2 (left

Электросхема подушек безопасности SRS AirBag (1 из 2) для Mercedes-Benz E500 4Matic 2006

Электросхема подушек безопасности SRS AirBag (1 из 2) для Mercedes-Benz E500 4Matic 2006 - Список элементов:

  • (pins 5 thru 32: not used)
  • 15r
  • Ab1 d1+
  • Ab1 d1-
  • Ab1 p1+
  • Ab1 p1-
  • Ab2 d2+
  • Ab2 d2-
  • Ab2 p2+
  • Ab2 p2-
  • Can h
  • Can l
  • Computer data lines system
  • Crash
  • Crash sig
  • Driver seat belt buckle restraint systems switch
  • Driver-side sam control module w/ fuse & relay module (left rear of engine compt)
  • Drvr belt
  • Etr d+
  • Etr d-
  • Etr lr+
  • Etr lr-
  • Etr p+
  • Etr p-
  • Etr rr+
  • Etr rr-
  • Fuse 5a
  • Hot at all times
  • Interior fuse box (left end of dash)
  • Left airbags sensor (under left front seat)
  • Left front wss sensor (under right front seat)
  • Left frontal accel- eration sensor (left front of engine compt)
  • Left rear wss sensor (under right front seat)
  • Limiter d+
  • Limiter d-
  • Limiter p+
  • Limiter p-
  • Nca
  • Pass belt
  • Passenger seat belt buckle restraint systems switch
  • Red
  • Restraint systems control module (center control module)
  • Right airbags sensor (under right front seat)
  • Right front wss sensor (under right front seat)
  • Right frontal accel- eration sensor (right front of engine compt)
  • Right rear wss sensor (under right front seat)
  • Sb d+
  • Sb d-
  • Sb lr+
  • Sb lr-
  • Sb p+
  • Sb p-
  • Sb rr+
  • Sb rr-
  • Side l
  • Side r
  • Upfront l
  • Upfront r
  • W15/1 (right kick panel)
  • W26 (under center console)
  • Wb l+
  • Wb l-
  • Wb r+
  • Wb r-
  • Weight sensing system (wss) control unit (under right front seat)

Электросхема подушек безопасности SRS AirBag (2 из 2) для Mercedes-Benz E500 4Matic 2006

Электросхема подушек безопасности SRS AirBag (2 из 2) для Mercedes-Benz E500 4Matic 2006 - Список элементов:

  • (at left front seat) left side airbag squib
  • (at right front seat) right side airbag squib
  • (behind center of dash) front passenger airbag squib 2
  • (behind right side of dash) front passenger airbag squib 1
  • Clockspring
  • Driver airbag squib 1 (in steering wheel)
  • Driver airbag squib 2 (in steering wheel)
  • Driver etr squib (at base of left "b" pillar)
  • Driver seat belt force limiter
  • Front passenger etr squib (at base of right "b" pillar)
  • Front passenger seat belt force limiter
  • Left rear etr squib (left "c" pillar)
  • Left rear side airbag squib (at left rear door)
  • Left rear window airbag squib (at left "a" pillar)
  • Red
  • Right rear etr squib (right "c" pillar)
  • Right rear side airbag squib (at right rear door)
  • Right rear window airbag squib (at right "a" pillar)
  • Steering column module
  • W15/1 (right kick panel)
  • W15/2 (left kick panel)

ПРЕДУПРЕЖДАЮЩИЕ СИСТЕМЫ

схема предупреждения ремня безопасности для Mercedes-Benz E500 4Matic 2006

схема предупреждения ремня безопасности для Mercedes-Benz E500 4Matic 2006 - Список элементов:

  • "check engine" mil indicator
  • (early production)
  • (right kick panel)
  • 15g
  • 15r
  • 31e
  • Abs malfunction indicator lamp
  • Air bag indicator & warning lamp
  • Ambient temp display temp sensor (behind left side of front bumper)
  • Audible turn signal indicator
  • Brake fluid & parking brake warning lamp
  • Brake fluid indicator switch
  • Can-b h
  • Can-b l
  • Can-c h
  • Can-c l
  • Computer data lines system
  • Coolant level indicator switch (left front of engine compt)
  • Driver side sam control module with fuse & relay module (left rear of engine compt)
  • Driver's-side seat belt buckle restraint systems switch
  • Dtr warning lamp
  • Early production
  • Ect gauge
  • Electronic clock
  • Electronic speedometer
  • Engine coolant temperature malfunction indicator
  • Engine diagnosis malfunction indicator
  • Esp & abs warning lamp
  • Fuel level & reserve gauge
  • Fuel reserve indicator lamp
  • Fuse 200a
  • Fuse 7.5a
  • Gear display
  • High beam indicator lamp
  • Hot at all times
  • Hot in run or start
  • I13
  • Instrument cluster
  • Instrument lighting rheostat and reset button
  • Late production
  • Left fuel level sensor (in fuel tank,under left rear seat)
  • Left turn signal indicator
  • Multifunction display
  • Nca
  • Parking brake indicator switch (on parking brake assembly)
  • Passenger's-side seat belt buckle restraint systems switch
  • Rear prefuse (lower right of front trunk)
  • Rear sam control module with fuse/relay module (left side of trunk)
  • Red
  • Restraint systems control module (front of center control module)
  • Right front brake pad contact sensor (right front brake assembly)
  • Right fuel level sensor (in fuel tank,under right rear seat)
  • Right rear brake pad contact sensor (right rear brake assembly)
  • Right turn signal indicator
  • Seat belt reminder lamp
  • Tachometer
  • W15/1
  • W15/1 (right kick panel)
  • W15/2 (left kick panel)
  • W2 (at right headlight unit)
  • W26 (under center console)
  • W6 (left rear wheelhousing)
  • Warning buzzer
  • Windshield washer fluid indicator switch (in washer fluid reservoir)

Электросхема системы контроля давления в шинах для Mercedes-Benz E500 4Matic 2006

Электросхема системы контроля давления в шинах для Mercedes-Benz E500 4Matic 2006 - Список элементов:

  • Can-b h
  • Can-b l
  • Center tpm antenna
  • Fuse 7.5a
  • Hot at all times
  • Left front tpm wheel antenna
  • Left front tpm wheel sensor
  • Left rear tpm wheel sensor
  • Rear sam control module with fuse/relay module (left side of trunk)
  • Red
  • Right front tpm wheel antenna
  • Right front tpm wheel sensor
  • Right rear tpm wheel sensor
  • Tps control module

Электросхема предупреждающей системы для Mercedes-Benz E500 4Matic 2006

Электросхема предупреждающей системы для Mercedes-Benz E500 4Matic 2006 - Список элементов:

  • "check engine" malfunction indicator lamp
  • (at right headlamp w2
  • (left front footwell)
  • 15r
  • 15g
  • 31e
  • Abs malfunction indicator lamp
  • Airbag indicator and warning lamp
  • Ambient temp display temp sensor (left front bumper)
  • Audible turn signal indicator
  • Brake fluid and parking brake warning lamp
  • Brake fluid indicator switch (left rear of engine compartment)
  • Can-b h
  • Can-b l
  • Can-c h
  • Can-c l
  • Computer data lines system
  • Coolant level indicator switch (front right wheelhouse)
  • Driver side sam control module with fuse & relay module (left rear of engine compartment)
  • Driver's side seat belt buckle restraint systems switch
  • Dtr warning lamp
  • Electronic clock
  • Electronic speedometer
  • Engine coolant temperature malfunction indicator
  • Engine diagnosis malfunction indicator
  • Esp and abs warning lamp
  • Etc gauge
  • Fuel level and reserve gauge
  • Fuel reserve indicator lamp
  • Fuse 200a
  • Fuse 7.5a
  • Gear display
  • High beam indicator lamp
  • Hot at all times
  • Hot in run and start
  • I13
  • Instrument cluster
  • Instrument lighting rheostat and reset pushbutton
  • Left front brake pad contact sensor (2003-05) (left front wheelhouse)
  • Left fuel level sensor (under left rear seat, inside gas tank)
  • Left turn signal indicator lamp
  • Multifunction display
  • Nca
  • Parking brake indicator switch (left front footwell)
  • Passenger's side seat belt buckle restraint systems switch
  • Rear prefuse box (lower right of front trunk)
  • Rear sam control module with fuse/relay module (left side of trunk)
  • Red
  • Restraint systems control module (front center console)
  • Right front brake pad contact sensor (right front wheelhouse)
  • Right fuel level sensor (under right rear seat, inside gas tank)
  • Right rear brake pad contact sensor (right rear wheelhouse)
  • Right turn signal indicator lamp
  • Seat belt reminder lamp
  • Tachometer
  • Unit)
  • W15/1 (right front footwell)
  • W15/2
  • W15/3 (left front footwell)
  • W2 (at right headlamp unit)
  • W26 (under center console)
  • W6 (left rear wheelhousing)
  • Warning buzzer
  • Windshield washer fluid indicator switch (front right wheelhouse)

ПРИБОРНАЯ ПАНЕЛЬ

Электросхема панели приборов для Mercedes-Benz E500 4Matic 2006

Электросхема панели приборов для Mercedes-Benz E500 4Matic 2006 - Список элементов:

  • "check engine" mil indicator
  • (early production)
  • (right kick panel)
  • 15g
  • 15r
  • 31e
  • Abs malfunction indicator lamp
  • Air bag indicator & warning lamp
  • Ambient temp display temp sensor (behind left side of front bumper)
  • Audible turn signal indicator
  • Brake fluid & parking brake warning lamp
  • Brake fluid indicator switch
  • Can-b h
  • Can-b l
  • Can-c h
  • Can-c l
  • Computer data lines system
  • Coolant level indicator switch (left front of engine compt)
  • Driver side sam control module with fuse & relay module (left rear of engine compt)
  • Driver's-side seat belt buckle restraint systems switch
  • Dtr warning lamp
  • Early production
  • Ect gauge
  • Electronic clock
  • Electronic speedometer
  • Engine coolant temperature malfunction indicator
  • Engine diagnosis malfunction indicator
  • Esp & abs warning lamp
  • Fuel level & reserve gauge
  • Fuel reserve indicator lamp
  • Fuse 200a
  • Fuse 7.5a
  • Gear display
  • High beam indicator lamp
  • Hot at all times
  • Hot in run or start
  • I13
  • Instrument cluster
  • Instrument lighting rheostat and reset button
  • Late production
  • Left fuel level sensor (in fuel tank,under left rear seat)
  • Left turn signal indicator
  • Multifunction display
  • Nca
  • Parking brake indicator switch (on parking brake assembly)
  • Passenger's-side seat belt buckle restraint systems switch
  • Rear prefuse (lower right of front trunk)
  • Rear sam control module with fuse/relay module (left side of trunk)
  • Red
  • Restraint systems control module (front of center control module)
  • Right front brake pad contact sensor (right front brake assembly)
  • Right fuel level sensor (in fuel tank,under right rear seat)
  • Right rear brake pad contact sensor (right rear brake assembly)
  • Right turn signal indicator
  • Seat belt reminder lamp
  • Tachometer
  • W15/1
  • W15/1 (right kick panel)
  • W15/2 (left kick panel)
  • W2 (at right headlight unit)
  • W26 (under center console)
  • W6 (left rear wheelhousing)
  • Warning buzzer
  • Windshield washer fluid indicator switch (in washer fluid reservoir)

Электросхема верхней консоли управления для Mercedes-Benz E500 4Matic 2006

Электросхема верхней консоли управления для Mercedes-Benz E500 4Matic 2006 - Список элементов:

  • (early production)
  • (or nca)
  • 15r
  • 58d
  • Ambient lamp
  • Automatic dimming mirror
  • Can-b h
  • Can-b l
  • Circuit 58d potential splitter
  • Computer data lines system
  • Data
  • Dome lamp on/off switch
  • Door contact on/off switch
  • Emergency call system control unit (center of trunk)
  • Front dome lamp
  • Fuse 25a
  • Garage door opener indicator lamp
  • Garage door opener pushbutton 1
  • Garage door opener pushbutton 2
  • Garage door opener pushbutton 3
  • Garage door opener transmitter unit
  • Hands-free system microphone group
  • Hot at all times
  • In-car temperature sensor
  • In-car temperature sensor fan motor
  • Interior lights system
  • Interior rearview mirror unit
  • Left front reading lamp switch
  • Left reading lamp
  • Light ring
  • Nca
  • Overhead control panel control module (in overhead console)
  • Power tops system
  • Rain/light sensor (behind top center of windshield)
  • Rear dome lamp switch
  • Rear sam control module with fuse & relay module (left side of trunk)
  • Right front reading lamp switch
  • Right reading lamp
  • Roof switch
  • Sos switch
  • Sos/ata (edw) switch group
  • W17/1 (behind left rear seat)
  • W6 (left rear wheelhousing)

ПРИВОД ЗЕРКАЛ

Электросхема привода зеркал для Mercedes-Benz E500 4Matic 2006

Электросхема привода зеркал для Mercedes-Benz E500 4Matic 2006 - Список элементов:

  • (+)
  • (-)
  • 15r
  • 58d
  • Ambient lamp
  • Automatic dimming lamp
  • Automatic dimming mirror
  • C22
  • Can-b h
  • Can-b l
  • Computer data lines system
  • Data
  • Defogger system
  • Exterior lights system
  • Fold-in, fold-out switch
  • Fuse 200a
  • Fuse 25a
  • Garage door opener pushbutton 1
  • Garage door opener pushbutton 2
  • Garage door opener pushbutton 3
  • Garage door opener transmitter
  • Hands-free system microphone group
  • Hot at all times
  • In/out motor
  • Interior fuse box (left end of dash)
  • Interior lights system
  • Interior rear view mirror unit
  • Left electrically adjustable & heated exterior mirror
  • Left exterior mirror ambient lamp
  • Left exterior mirror heater
  • Left exterior mirror turn signal lamp
  • Left front door control module (in driver's door)
  • Left reading lamp
  • Left/right selection switch
  • Nca
  • Outside mirror adjustment switch
  • Overhead control panel control module (in overhead console)
  • Raise/lower, in/out rocker switch
  • Rear prefuse (lower right of front trunk)
  • Rear sam control module with fuse/relay module (left side of trunk)
  • Red
  • Right electrically adjustable & heated exterior mirror
  • Right exterior mirror ambient lamp
  • Right exterior mirror heater
  • Right exterior mirror turn signal lamp
  • Right front door control module (right front door)
  • Right reading lamp
  • Up/dn motor
  • W15/1 (right kick panel)
  • W15/2 (left kick panel)
  • W6 (left rear wheelhousing)

ПРИВОД ЛЮКА И КРЫШИ

Электросхема привода люка или крыши для Mercedes-Benz E500 4Matic 2006

Электросхема привода люка или крыши для Mercedes-Benz E500 4Matic 2006 - Список элементов:

  • (pin 7-12 not used)
  • Center overhead panel control module
  • Control
  • Data
  • Interior lights system
  • Left rear dome lamp
  • Lining driver unit
  • Nca
  • Overhead
  • Panel control module (in overhead console)
  • Panoramic sliding roof lining driver unit (if equipped)
  • Rear sam control module with fuse & relay module (left side of trunk)
  • Roof switch
  • Sliding roof
  • Sliding sunroof lining switch
  • W6 (left rear wheelhousing)

ПРИВОД СТЕКЛОПОДЪЕМНИКОВ

Электросхема стеклоподъемников для Mercedes-Benz E500 4Matic 2006

Электросхема стеклоподъемников для Mercedes-Benz E500 4Matic 2006 - Список элементов:

  • (+)
  • (-)
  • 58d
  • C10
  • Can-b h
  • Can-b l
  • Computer data lines system
  • Data
  • Driver power window switch group
  • Fh h
  • Fh t
  • Fuse 25a
  • H (-)
  • H sig 1
  • H sig 2
  • Hot at all times
  • Interior fuse box (left end of dash)
  • Left front door control module (in driver's door)
  • Left front power window motor (left front door)
  • Left front window switch
  • Left rear door control module (left rear door)
  • Left rear power window motor (left rear door)
  • Left rear power window switch
  • Left rear window switch
  • Rear side child saftey lock switch
  • Red
  • Right front door control module (right front door)
  • Right front power window motor (right front door)
  • Right front power window switch
  • Right front window switch
  • Right rear door control module (right rear door)
  • Right rear power window motor (right rear door)
  • Right rear power window switch
  • Right rear window switch
  • W15/1 (right kick panel)
  • W15/2 (left kick panel)

Электросхема шторки заднего стекла, седан для Mercedes-Benz E500 4Matic 2006

Электросхема шторки заднего стекла, седан для Mercedes-Benz E500 4Matic 2006 - Список элементов:

  • C25
  • Can-b h
  • Can-b l
  • Computer data lines system
  • F20
  • Fuse 200a
  • Fuse 5a
  • Fuse 7.5a
  • Hot at all times
  • Interior fuse box (left end of dash)
  • Rear blind switch
  • Rear prefuse (lower right of front trunk)
  • Rear sam control module with fuse/relay module (left side of trunk)
  • Rear screen blind relay (left rear of trunk)
  • Rear window blind motor (under rear parcel shelf)
  • Red
  • Ucp carrier limit switch
  • Ucp carrier open & close motor (under front of center console)
  • Upper control panel control module
  • W15/2 (early production) (left kick panel) w15/1 (late production) (right kick panel)
  • W6 (left rear wheelhousing)

Противоугонная система Сигнализация

противоугонная цепь аварийной сигнализации для Mercedes-Benz E500 4Matic 2006

противоугонная цепь аварийной сигнализации для Mercedes-Benz E500 4Matic 2006 - Список элементов:

  • (in driver's door) left front door control module
  • (right front door) right front door control module
  • (right kick panel) w15/1
  • 49a
  • 58d
  • Alarm horn (left front wheelwell)
  • Ata hood switch (right front of eng compt)
  • Ata inclination sensor (right "c" pillar)
  • Can-b h
  • Can-b l
  • Can-c h
  • Can-c l
  • Computer data lines system
  • Data
  • Driver side sam control module with fuse & relay module (left rear of eng compt)
  • Eis (ezs) control unit (near ignition switch)
  • Exterior lights system
  • Fuse 200a
  • Fuse 25a
  • Fuse 7.5a
  • Headlights system
  • Hot at all times
  • I13
  • Instrument cluster
  • Interior central locking & ata function display switch
  • Interior fuse box (left end of dash)
  • Interior lights system (rear interior lamps)
  • Left front door contact switch (left "b" pillar)
  • Left front ir receiver (left front door handle)
  • Left rear door contact switch (left "c" pillar)
  • Nca
  • Overhead control panel control module (in overhead console)
  • Passenger- side sam control module (right kick panel)
  • Pawl rotary tumbler switch (sedan) (center of trunk lid)
  • Rear door control module (right rear door)
  • Rear prefuse box (lower right front of trunk)
  • Rear sam control module with fuse/ relay module (left side of trunk)
  • Red
  • Right front door contact switch (right "b" pillar)
  • Right front ir receiver (right front door handle)
  • Right rear door contact switch (right "c" pillar)
  • Sedan
  • Trunk lid emergency release switch (sedan) (center of trunk lid)
  • W15/1 (right kick panel)
  • W15/2 (left kick panel)
  • W6 (left rear wheelhousing)
  • Wagon
  • With interior motion sensor and with panoramic sliding roof
  • With standard rear lamp

системная схема разрешения двигателя для Mercedes-Benz E500 4Matic 2006

системная схема разрешения двигателя для Mercedes-Benz E500 4Matic 2006 - Список элементов:

  • (pin 3-8 not used) a
  • 15r
  • 30z
  • Bus +
  • Bus -
  • Can-b h
  • Can-b l
  • Can-c h
  • Can-c l
  • Circuit 15r relay
  • Computer data lines system
  • Di control unit (near ignition switch)
  • Driver side sam control module with fuse/relay module (left rear of engine compartment)
  • Electric steering lock control module (on steering column)
  • Electronic control unit (vgs) (in transmission)
  • Electronic selector lever module control module (center console)
  • Elv
  • Engine control module (me-sfi) (center rear of eng compt)
  • Etc control module (behind right side of dash)
  • Exterior lights system
  • Fuse 20a
  • Fuse 59 15a
  • Hot at all times
  • Instrument cluster
  • Pnk/red
  • Red
  • Start
  • Starter
  • Starter relay
  • Starting/ charging system
  • W/ keyless go only
  • W15/1 (right kick panel)

СИСТЕМА АНТИБЛОКИРОВОЧНОЙ ТОРМОЗНОЙ СИСТЕМЫ ABS

Электросхема антиблокировочной тормозной системы АБС (ABS) (1 из 2) для Mercedes-Benz E500 4Matic 2006

Электросхема антиблокировочной тормозной системы АБС (ABS) (1 из 2) для Mercedes-Benz E500 4Matic 2006 - Список элементов:

  • (pin 5-9 not used)
  • 12v
  • Dfhl a a
  • Dfhr a a
  • Dfvl a a
  • Dfvr a a
  • Driver side sam control module with fuse & relay module (left rear of engine compt)
  • Front axle balance valve
  • Front prefuse (right front footwell)
  • Fuse 40a
  • Fuse 50a
  • High pressure charging pump
  • Hot at all times
  • Left front outlet control valve
  • Left front separation valve
  • Left front wheel speed sensor (left front wheel)
  • Left rear inlet control valve
  • Left rear outlet control valve
  • Left rear wheel speed sensor (left rear wheel)
  • Nca
  • Rear axle balance valve
  • Rear sam control module with fuse & relay module (left side of trunk)
  • Right front inlet control valve
  • Right front outlet control valve
  • Right front separation valve
  • Right front wheel speed sensor (right front wheel)
  • Right rear inlet control valve
  • Right rear outlet control valve
  • Right rear wheel speed sensor (right rear wheel)
  • Solid state
  • Traction system hydralic unit
  • W3/1 (right front of engine compt)

Электросхема антиблокировочной тормозной системы АБС (ABS) (2 из 2) для Mercedes-Benz E500 4Matic 2006

Электросхема антиблокировочной тормозной системы АБС (ABS) (2 из 2) для Mercedes-Benz E500 4Matic 2006 - Список элементов:

  • (at right kick panel) w15/1
  • (pin 15-28 not used)
  • (pin 24-48 not used)
  • (right front brake assembly) right front brake pad contact sensor
  • (right rear brake assembly) right rear brake pad contact sensor
  • Abs ind
  • Brake fluid & parking brake warning ind
  • Can h
  • Can l
  • Can-c h
  • Can-c l
  • Computer data lines system
  • Diag
  • Driver side sam control module with fuse & relay module (left rear of engine compt)
  • Esp control module (left rear of engine compt)
  • Esp warning lamp ind
  • Fuse 10a
  • Fuse 20a
  • Fuse 7.5a
  • Hot at all times
  • Hot in on or start
  • Hot w/ circuit 87 relay energized
  • I13
  • Instrument cluster
  • Nca
  • Sbc pedal value sensor (left rear of engine compt)
  • Solid state
  • Sps (pml) solenoid valve
  • Stop light switch (left front upper footwell)
  • Turn rate & lateral acceleration sensor (under right front seat)
  • W15/1 (at right kick panel)
  • W2 (at right headlight unit)
  • W9 (at left headlight unit)

СИСТЕМА КОНДИЦИОНЕРА

Электросхема кондиционера (1 из 2) для Mercedes-Benz E500 4Matic 2006

Электросхема кондиционера (1 из 2) для Mercedes-Benz E500 4Matic 2006 - Список элементов:

  • (at right headlamp unit) w2
  • (not used)
  • 12v
  • C-aac (k-kla) multifunction sensor (left rear of engine compartment)
  • C-aac sun sensors (4) (center rear of engine compt hood)
  • C22
  • Can-b h
  • Can-b l
  • Comfort aac pushbutton control module
  • Computer data lines system
  • Control panel rear switch group (with 4 zone a/c)
  • Df sig
  • Driver side sam control module with fuse/relay module (left rear of engine compartment)
  • Engine control system
  • Evaporator temperature sensor (under left side of dash)
  • Fresh air/ recirculated air flaps actuator motor (under right side of dash)
  • Fuse 25a
  • Fuse 7.5a
  • Hot at all times
  • I13
  • In-car temperature sensor (roof: integral to overhead control panel control module) (dash: left side of dash, near ignition switch)
  • In-car temperature sensor motor fan
  • Interior lights system
  • Left blending air flap actuator (behind center of dash)
  • Left center air flap actuator motor (under center of dash)
  • Left defroster vent flap actuator motor (behind center of dash)
  • Left footwell flap actuator motor (behind left front of center console)
  • Left rear blending air flap actuator (front of center console)
  • Nca
  • Overhead control panel control module
  • Rear sam control module with fuse/relay module (left side of trunk)
  • Red
  • Refrigerant pressure & temperature sensor (left front of engine compartment)
  • Right blending air flap actuator (behind center of dash)
  • Right center air flap actuator motor (under center of dash)
  • Right defroster vent flap actuator motor (behind center of dash)
  • Right footwell flap actuator motor (behind right front of center console)
  • Right rear blending air flap actuator (front of center console)
  • Solid state
  • W15/1 (right kick panel)
  • W6 (left rear wheel housing)
  • W9 (at left headlamp unit)

Электросхема кондиционера (2 из 2) для Mercedes-Benz E500 4Matic 2006

Электросхема кондиционера (2 из 2) для Mercedes-Benz E500 4Matic 2006 - Список элементов:

  • (not used)
  • (right kick panel)
  • A/c compressor (left front of engine)
  • Activated charcoal filter flap actuator motor
  • Blower motor
  • Blower regulator
  • Can-b h
  • Can-b l
  • Computer data lines system
  • Coolant circulation pump (right front of engine compartment)
  • Coolant temperature sensor (left rear of engine)
  • Electric suction fan engine & ac with integrated control (front center of engine compartment)
  • Front prefuse (right front footwell)
  • Fuse 150a
  • Fuse 40a
  • Heating systems recirculation unit
  • Hot at all times
  • Me-sfi (me) control module (center rear of engine compartment)
  • Passenger side sam control module (under right side of dash)
  • Red
  • Solar cells (rear of roof)
  • Solar generator control module (behind right side of dash)
  • Solid state
  • W/ solar ventilation
  • W/o solar ventilation
  • W15/1
  • W15/1 (right kick panel)
  • W2 (at right headlamp unit)

СИСТЕМА КРУИЗКОНТРОЛЯ

Электросхема системы круизконтроля для Mercedes-Benz E500 4Matic 2006

Электросхема системы круизконтроля для Mercedes-Benz E500 4Matic 2006 - Список элементов:

  • Accel/ set
  • Accelerator pedal sensor (top of the accelerator pedel assembly)
  • Ap mo+
  • Ap mo-
  • Can-bh
  • Can-bl
  • Can-ch
  • Can-cl
  • Computer data lines system
  • Cruise control switch
  • Decel/ set
  • Ea ip1s
  • Ea ip2s
  • Fuse 15a
  • Hot at all times
  • Interior fuse box (left end of dash)
  • Me-sfi control module (center rear of engine compt)
  • Memory recall
  • Mr ip
  • Off
  • Sp1m
  • Sp1s
  • Sp2m
  • Sp2s
  • Steering column module (top of the steering column)
  • Throttle valve actuator (center rear of engine)
  • U ref 2
  • W15/1 (right kick panel)

Электронная Цепь управления Акселератором/Круизом/Скоростью вхолостую для Mercedes-Benz E500 4Matic 2006

Электронная Цепь управления Акселератором/Круизом/Скоростью вхолостую для Mercedes-Benz E500 4Matic 2006 - Список элементов:

  • (left kick panel) w15/2
  • Can-b h
  • Can-b l
  • Computer data lines system
  • Distronic (dtr) control unit (under right front of seat)
  • Driver side sam control module with fuse/relay module (left rear of engine compartment)
  • Dtr control module
  • Dtr distance potentiometer
  • Dtr radar sensor
  • Dtr switch
  • Fuse 5a
  • Hot at all times
  • I12
  • Interior fuse box (left end of dash)
  • Lower control field control module
  • Nca
  • Red
  • Solid state
  • W9 (at left headlight unit)

СИСТЕМА ОХЛАЖДЕНИЯ

Электросхема системы охлаждения для Mercedes-Benz E500 4Matic 2006

Электросхема системы охлаждения для Mercedes-Benz E500 4Matic 2006 - Список элементов:

  • Can-b h
  • Can-b l
  • Can-ch
  • Can-cl
  • Computer data lines system
  • Coolant temperature sensor (left rear of engine)
  • Driver side sam control module with fuse/relay module (left rear of engine compartment)
  • Electric suction fan engine & ac with integrated control (front center of engine compartment)
  • Engine control system
  • Engine coolant temperature malfunction indicator
  • Front prefuse (right front footwell)
  • Fuse 150a
  • Hot at all times
  • I13
  • Instrument cluster
  • Me-sfi (me) control module (center rear of engine compartment)
  • Passenger side sam control module (under right side of dash)
  • Red
  • Solid state
  • W2 (at right headlight unit)

СИСТЕМА ПЕРЕДАЧИ ДАННЫХ

схема соединителя канала связи для Mercedes-Benz E500 4Matic 2006

схема соединителя канала связи для Mercedes-Benz E500 4Matic 2006 - Список элементов:

  • 3.2l turbo 3.5l 5.0l
  • Blower motor (w/ cd changer) (front center console)
  • Can-b h
  • Can-b l
  • Can-c h
  • Can-c l
  • Can-d h
  • Can-d l
  • Central gateway control module (left front footwell)
  • Circuit 15 voltage distributor (left front doorsill)
  • Data link connector (dlc) (lower left side of dash)
  • Diag
  • Driver side sam control module with fuse & relay module (left rear of eng compt)
  • Early production
  • Emergency call system control unit (center of trunk)
  • Engine control module (me-sfi) (right rear of engine compt)
  • Esp/sps/bas control module (left rear of eng compt)
  • Etc control module (right front footwell)
  • Fuse 5a
  • Fuse 7.5a
  • High/low bus circuit
  • Hot at all times
  • Interior fuse box (left end of dash)
  • Late production
  • Late production early production
  • Left fuel pump control unit (right front footwell)
  • Nca
  • Passenger side sam control module (right kick panel)
  • Rear sam control module with fuse & relay module (left side of trunk)
  • Right fuel pump control unit (right front footwell)
  • Shield
  • Upper control panel control module
  • W15/2 (left footwell)
  • W15/3 (left rear of eng compt)

высокая/Низкая Автобусная Схема (1 из 2) для Mercedes-Benz E500 4Matic 2006

высокая/Низкая Автобусная Схема (1 из 2) для Mercedes-Benz E500 4Matic 2006 - Список элементов:

  • (connectors 6-11 not used)
  • 3.2lt
  • 3.5l
  • 3.5l & 3.2lt
  • 5.0l
  • 7-speed automatic transmission
  • Airmatic
  • Airmatic with ads control module (under right side of dash)
  • C10
  • C11
  • Can-b h
  • Can-b l
  • Can-c h
  • Can-c l
  • Cdi control module (left rear of engine compt)
  • Central gateway control module (under left side of dash)
  • Cockpit voltage distributor (can) connector
  • Comfort aac pushbutton control module
  • Driver side sam control module with fuse & relay module (left rear of engine compt)
  • Dtr control unit (under right front seat)
  • Early production
  • Eis (ezs) control unit
  • Electronic selector lever module control module (center console)
  • Electronic transmission control (etc (egs))
  • Esp/sps/bas control module (left rear of engine compt)
  • Etc control module (behind right side of dash)
  • Headlight range adjustment control module (under right front seat)
  • Instrument cluster
  • Late production
  • Left front reversible emergency tensioning retractor (base of left "b" pillar)
  • Left voltage distributor (can) connector
  • Level control
  • Me-sfi (me) control module (center rear of engine compt)
  • Rear axle level control system control unit (right front upper footwell)
  • Right front reversible emergency tensioning retractor (base of right "b" pillar)
  • Steering column module (top of steering column)
  • W/ reversible emergency tensioning retractor only
  • W15/2 (left kick panel)

высокая/Низкая Автобусная Схема (2 из 2) для Mercedes-Benz E500 4Matic 2006

высокая/Низкая Автобусная Схема (2 из 2) для Mercedes-Benz E500 4Matic 2006 - Список элементов:

  • Audio gateway control module (left side of trunk)
  • Battery control module
  • C10
  • C11
  • Can-b h
  • Can-b l
  • Central gateway control module (under left side of dash)
  • Driver front seat adjustment control module (w/ memory) (below left front seat)
  • Driver side sam control module with fuse & relay module (left rear of engine compt)
  • Front passenger front seat adjustment control module (w/ memory) (under right front seat)
  • Hs (sih) & seat ventilation control module (under left front seat)
  • I13
  • Left front door control module (in driver's door)
  • Left rear door control module (left rear door)
  • Left voltage distributor (can) connector
  • Lower control field control module
  • Passenger side sam control module (under right side of dash)
  • Pts control module (left rear of trunk)
  • Rear sam control module with fuse & relay module (left side of trunk)
  • Restraint systems control module (front of center control module)
  • Right front door control module (right front door)
  • Right rear door control module (right rear door)
  • Right voltage distributor (can) connector
  • Upper control field control module
  • Wss control unit (weight sensing system) (under right front seat)

СИСТЕМА УПРАВЛЕНИЯ ДВИГАТЕЛЯ


5.0L

5.0L, Электросхема системы управления двигателем (1 из 3) для Mercedes-Benz E500 4Matic 2006

5.0L, Электросхема системы управления двигателем (1 из 3) для Mercedes-Benz E500 4Matic 2006 - Список элементов:

  • (-)
  • (if equipped)
  • (left rear of engine compartment)
  • Aav
  • Accelerator pedal sensor (top of accelerator pedal assembly)
  • Can-c h
  • Can-c l
  • Computer data lines system
  • Cooling fans system
  • Data link connector (under left side of dash)
  • Dst
  • Ekpr
  • Fuse 7.5a
  • Hot at all times
  • Interior fuse box (left end of dash)
  • Kickdown switch function may be replaced by accelerator pedal sensor
  • Left o2 sensor downstream twc (kat) (in left exhaust, after catalytic converter)
  • Left o2 sensor upstream twc (kat) (in left exhaust)
  • Ls2hk
  • Ls_nk-m
  • Me-sfi (me) control module (center rear of engine compt)
  • Nca
  • P/n
  • Purge control valve
  • Right o2 sensor downstream twc (kat)
  • Right o2 sensor upstream twc (kat) (in right exhaust)
  • Sp1s
  • Sp2s
  • Starting/ charging system
  • Starting/charging system
  • W15/3

5.0L, Электросхема системы управления двигателем (2 из 3) для Mercedes-Benz E500 4Matic 2006

5.0L, Электросхема системы управления двигателем (2 из 3) для Mercedes-Benz E500 4Matic 2006 - Список элементов:

  • (front of engine) variable intake manifold switch over valve
  • (left front footwell) w15/2
  • (right front of engine compt) air pump switch over valve
  • (right side of engine) egr (arf) vacuum transducer
  • Activated charcoal filter shutoff valve (right rear wheelwell)
  • Air pump (front of engine)
  • Air pump relay
  • Camshaft hall sensor (right front of engine)
  • Circuit relay engine
  • Crankshaft position sensor (left rear of engine)
  • Driver side sam control module with fuse & relay module (left rear of engine compt)
  • Fuel pump (under right rear seat, in fuel tank)
  • Fuel pump relay module
  • Fuel tank pressure sensor (in fuel tank, under left
  • Fuse 15a
  • Fuse 25a
  • Fuse 40a
  • Hot at all times
  • Hot film maf sensor (center rear of engine compt)
  • Kickdown switch (under accelerator pedal)
  • Left fuel level sensor (in fuel tank, under left rear seat)
  • Pnk
  • Rear sam control module with fuse & relay module (left side of trunk)
  • Rear seat)
  • Right fuel level sensor (in fuel tank, under right rear seat)
  • Throttle valve actuator (center rear of engine)
  • W11/3 (front center of engine)
  • W15/2 (left front footwell)
  • W6 (left rear wheelhousing)

5.0L, Электросхема системы управления двигателем (3 из 3) для Mercedes-Benz E500 4Matic 2006

5.0L, Электросхема системы управления двигателем (3 из 3) для Mercedes-Benz E500 4Matic 2006 - Список элементов:

  • (-)
  • (in engine oil pan) oil sensor
  • (left front of engine) pressure sensor
  • (left rear of engine) coolant temperature sensor
  • +5v
  • Ap mo+
  • Ap mo-
  • Driver side sam control module with fuse & relay module (left rear of engine compt)
  • Ea ip1s
  • Ea ip2s
  • Ef a
  • Ef b
  • Fuel injectors
  • Fuse 15a
  • Hot in run or start
  • Ignition coils
  • Left knock sensor 2
  • Me-sfi (me) control module (center rear of engine compt)
  • Mr ip
  • Nca
  • Pnk
  • Radio interference suppression capacitor 1 (right side of engine)
  • Radio interference suppression capacitor 2 (left side of engine)
  • Red
  • Right knock sensor 1
  • Sig
  • To spark plugs
  • Uref 2
  • W11/3 (front center of engine)

Система Фар

Электросхема фар (1 из 2) для Mercedes-Benz E500 4Matic 2006

Электросхема фар (1 из 2) для Mercedes-Benz E500 4Matic 2006 - Список элементов:

  • (right kick panel) w15/1
  • 15g
  • 30z
  • 56a
  • 56b
  • 58d
  • Bus lwr
  • Can-b h
  • Can-b l
  • Computer data lines system
  • Di control module (near ignition switch)
  • Driver side sam control module w/ fuse & relay module (left rear of engine compartment)
  • Exterior lamp switch
  • Front prefuse box (right front footwell)
  • Fuse 200a
  • Fuse 40a
  • Fuse 52 7.5a
  • Fuse 66 7.5a
  • Fuse 7.5a
  • High beam ind lamp
  • Hot at all times
  • Hot at all times fuse 64 7.5a
  • Hot at all times fuse 65 20a
  • Hot in run or start
  • Hra power module
  • I10
  • Instrument cluster
  • Interior lights system
  • Led nsl
  • Led nsw
  • Left front headlamp unit
  • Left headlamp range adjustment motor
  • Left high beam
  • Left high beam solenoid
  • Left low beam
  • Passenger side sam control module (under right side of dash)
  • Rear prefuse box (lower right of front trunk)
  • Red
  • Right front headlamp unit
  • Right headlamp range adjustment motor
  • Right high beam
  • Right high beam solenoid
  • Right low beam
  • Sra
  • W/ xenon headlamps
  • W15/1 (right kick panel)
  • W15/3 (left rear of engine compt)
  • W2 (at right headlight unit)
  • W9 (at left headlight unit)
  • Xenon
  • Xenon headlamp ignition module

Электросхема фар (2 из 2) для Mercedes-Benz E500 4Matic 2006

Электросхема фар (2 из 2) для Mercedes-Benz E500 4Matic 2006 - Список элементов:

  • (left rear wheelhousing)
  • Alwr
  • Can-b h
  • Can-b l
  • Can-c h
  • Can-c l
  • Central gateway control module (under left side of dash)
  • Computer data lines system
  • Data
  • Front axle level sensor (under front of vehicle at axle)
  • Hcs pump (in washer fluid reservoir)
  • Headlamp range adjustment control module (w/ xenon headlights) (under right front seat)
  • Left fog lamp
  • Nca
  • Overhead control panel control module (in overhead console)
  • Rain/light sensor (behind top center of windshield)
  • Rear axle level sensor (under rear of vehicle at axle)
  • Rear sam control module with fuse/relay module (left side of trunk)
  • Red
  • Right fog lamp
  • W15/1 (right kick panel)
  • W2 (at right headlight unit)
  • W6 (left rear wheelhousing)
  • W9 (at left headlight unit)

СИСТЕМЫ ПАМЯТИ

Электросхема памяти водительского сиденья для Mercedes-Benz E500 4Matic 2006

Электросхема памяти водительского сиденья для Mercedes-Benz E500 4Matic 2006 - Список элементов:

  • - lumbar support
  • - pulse switch
  • - seat cushion
  • - side bolsters
  • -backrest switch
  • -front raise/
  • -head restraint
  • -rear raise/lower
  • -seat fore/
  • 15r
  • Adjustment switch
  • Aft switch
  • Backrest adjustment motor (fore/aft)
  • C11
  • Can-b h
  • Can-b l
  • Computer data lines system
  • Driver front seat adjustment control module (under left front seat)
  • Dynamic
  • Fore/aft switch
  • Front seat adjustment motor (fore)
  • Front seat adjustment motor (raise/lower)
  • Fuse 25a
  • Fuse 30a
  • Head restraint adjustment motor (raise/lower)
  • Hh (+)
  • Hh (-)
  • Hot at all times
  • Hot with circuit 15r relay 2 energized
  • Hv (+)
  • Hv (-)
  • Interior fuse box (left end of dash)
  • Left front door control module (left front door)
  • Left front dynamic seat control module (in left front seat back)
  • Left front dynamic switch
  • Left front multicontour backrest switch group
  • Left front seat adjustment motor group
  • Left front seat adjustment switch group
  • Lk (+)
  • Lk (-)
  • Lower switch
  • Lv (+)
  • Lv (-)
  • Memory location 1, 2, 3 switch
  • Memory store button switch
  • Mhh (+)
  • Mhh (-)
  • Mhv (+)
  • Mhv (-)
  • Mlk (+)
  • Mlk (-)
  • Mlv (+)
  • Mlv (-)
  • Power steering column circuit
  • Raise/lower switch
  • Rear sam control module with fuse & relay module (left side of trunk)
  • Rear seat adjustment motor (raise/lower)
  • Red
  • Switch
  • W15/2 (left kick panel)

Электросхем памяти регулировки зеркал заднего вида для Mercedes-Benz E500 4Matic 2006

Электросхем памяти регулировки зеркал заднего вида для Mercedes-Benz E500 4Matic 2006 - Список элементов:

  • (+)
  • (-)
  • Automatic dimming mirror
  • Can-b h
  • Can-b l
  • Computer data lines system
  • Data
  • Defogger system
  • Fold in/ fold out switch
  • Fuse 25a
  • Hot at all times
  • In/out
  • Interior fuse box (left end of dash)
  • Interior lights system
  • Left electrically adjustable & heated exterior mirror
  • Left front door control module (in driver's door)
  • Left outside mirror ambient lamp
  • Left turn signal
  • Left/right switch
  • Mirror heater
  • Mirrors system
  • Outside mirror adjustment switch
  • Red
  • Right electrically adjustable & heated exterior mirror
  • Right front door control module (right front door)
  • Right outside mirror ambient lamp
  • Right turn signal
  • Up/down
  • Up/down, in/out switch
  • W15/1 (right kick panel)
  • W15/2 (left kick panel)

Электросхема памяти пассажирского сиденья для Mercedes-Benz E500 4Matic 2006

Электросхема памяти пассажирского сиденья для Mercedes-Benz E500 4Matic 2006 - Список элементов:

  • - lumbar support
  • - pulse switch
  • - seat cushion
  • - side bolsters
  • -backrest switch
  • -front raise/
  • -head restraint
  • -rear raise switch
  • -seat fore/
  • 15r
  • Adjustment switch
  • Aft switch
  • Backrest adjustment motor (fore/aft)
  • C11
  • Can-b h
  • Can-b l
  • Computer data lines system
  • Dynamic
  • Fore/aft switch
  • Front seat adjustment motor (fore)
  • Front seat adjustment motor (raise/lower)
  • Fuse 25a
  • Fuse 30a
  • Head restraint adjustment motor (raise/lower)
  • Hh (+)
  • Hh (-)
  • Hot at all times
  • Hot with circuit 15r relay 2 energized
  • Hv (+)
  • Hv (-)
  • Interior fuse box (left end of dash)
  • Left front dynamic switch
  • Left front multicontour backrest switch group
  • Lk (+)
  • Lk (-)
  • Lower switch
  • Lv (+)
  • Lv (-)
  • Memory location 1, 2, 3 switch
  • Memory store button switch
  • Mhh (+)
  • Mhh (-)
  • Mhv (+)
  • Mhv (-)
  • Mlk (+)
  • Mlk (-)
  • Mlv (+)
  • Mlv (-)
  • Passenger front seat adjustment control module (under right front seat)
  • Raise/lower switch
  • Rear sam control module with fuse & relay module (left side of trunk)
  • Rear seat adjustment motor (raise/lower)
  • Red
  • Right front door control module (right front door)
  • Right front dynamic seat control module (in right front seat back)
  • Right front seat adjust motor group
  • Right front seat adjustment switch group
  • W15/1 (right kick panel)

Электросхема памяти рулевой колонки для Mercedes-Benz E500 4Matic 2006

Электросхема памяти рулевой колонки для Mercedes-Benz E500 4Matic 2006 - Список элементов:

  • 15r
  • Can-b h
  • Can-b l
  • Can-c h
  • Can-c l
  • Computer
  • Computer data lines system
  • Data lines
  • Driver front seat adjustment control module (under left front seat)
  • Electronic steering column (esc) adjustment motor group
  • Forward (+)
  • Forward (-)
  • Fuse 30a
  • Fuse 7.5a
  • Height adjustment up/down motor
  • Hot at all times
  • Hot with circuit 15r relay 2 energized
  • Interior fuse box (left end of dash)
  • Longitudinal adjustment forward/ backward motor
  • Raise/lower, forward/backward switch
  • Rear sam control module with fuse & relay module (left side of trunk)
  • Sig
  • Steering column adjustment switch or steering column/ steering wheel heater switch
  • Steering column module (top of steering column)
  • System
  • Up (+)
  • Up (-)
  • W15/1 (right kick panel)
  • W15/2 (left kick panel)

СИСТЕМЫ ПОДВЕСКИ

Электросхема электроники подвески (1 из 2) для Mercedes-Benz E500 4Matic 2006

Электросхема электроники подвески (1 из 2) для Mercedes-Benz E500 4Matic 2006 - Список элементов:

  • (at left head- light unit) w9
  • (left side of engine compt, on wheelwell) left front body lateral acceleration sensor
  • (right side of engine compt, on wheelwell) right front body lateral acceleration sensor
  • Air compressor motor
  • Airmatic central reservoir charging valve (left front wheelwell)
  • Airmatic compressor unit (lower left front of engine compt)
  • Airmatic pressure reduction valve
  • Airmatic pressure sensor (left front wheelwell)
  • Airmatic relay (left rear of engine compt)
  • Airmatic w/ ads control module (under right side of dash)
  • Driver side sam control module with fuse & relay module (left rear of engine compt)
  • Front prefuse (right front footwell)
  • Fuse 15a
  • Fuse 40a
  • Fuse 7.5a
  • Hot at all times
  • Hot w/ chassis circuit 87 relay energized
  • Interior fuse box (left end of dash)
  • Left front axle damping valve unit (left front axle)
  • Left front level sensor (left front wheelwell)
  • Left front solenoid valve 1
  • Left front solenoid valve 2
  • Nca
  • Nvlm
  • Nvls 1
  • Nvlv
  • Nvrm
  • Nvrs 1
  • Nvrv
  • Red
  • Right front axle damping valve unit (right front axle)
  • Right front level sensor (right front wheelwell)
  • Right front solenoid valve 1
  • Right front solenoid valve 2
  • Rkps
  • Rkpv
  • Val1
  • Val2
  • Valv
  • Var 1
  • Var2
  • Varv
  • Vkps
  • Vkpv
  • Vsps
  • Vvls
  • Vvlv
  • Vvrs
  • Vzvsvl
  • Vzvsvr
  • Vzvvvl
  • Vzvvvr
  • W15/1 (right kick panel)
  • Wake up
  • Zamvl
  • Zasvl
  • Zavvl
  • Zdspm
  • Zdsps
  • Zdspv

Электросхема электроники подвески (2 из 2) для Mercedes-Benz E500 4Matic 2006

Электросхема электроники подвески (2 из 2) для Mercedes-Benz E500 4Matic 2006 - Список элементов:

  • Additional volume valve
  • Airmatic w/ ads control module (under right side of dash)
  • Can-c h
  • Can-c l
  • Computer data lines system
  • Hal 1
  • Hal 2
  • Hal v
  • Har 1
  • Har 2
  • Har v
  • Left front suspension strut airmatic valve unit (integrated in left front suspension strut)
  • Left rear axle damping valve unit (left rear axle)
  • Left rear solenoid valve 1
  • Left rear solenoid valve 2
  • Left rear suspension strut airmatic valve unit (integrated in left rear suspension strut)
  • Level valve
  • Nca
  • Nhrm
  • Nhrs 1
  • Nhrv
  • Rear axle level sensor (under rear of vehicle at axle)
  • Right front suspension strut airmatic valve unit (integrated in right front suspension strut)
  • Right rear axle damping valve unit (right rear axle)
  • Right rear body lateral acceleration sensor
  • Right rear suspension strut airmatic valve unit (integrated in right rear suspension strut)
  • Vzvshl
  • Vzvshr
  • Vzvvhl
  • Vzvvhr
  • Zamhr
  • Zashr
  • Zavhr

СИСТЕМЫ СИДЕНИЙ

Электросхема подголовника для Mercedes-Benz E500 4Matic 2006

Электросхема подголовника для Mercedes-Benz E500 4Matic 2006 - Список элементов:

  • Driver neck-pro head restraint solenoid
  • Driver side sam control module with fuse & relay module (left rear of eng compt)
  • Front passenger neck-pro head restraint solenoid
  • Fuse 7.5a
  • Hot at all times
  • Interior fuse box (left end of dash)
  • Neck-pro head restraint relay
  • Neck-pro head restraint triggering device
  • W15/1 (right kick panel)
  • W15/2 (left kick panel)

Электросхема подогрева сидений для Mercedes-Benz E500 4Matic 2006

Электросхема подогрева сидений для Mercedes-Benz E500 4Matic 2006 - Список элементов:

  • (w/ steering wheel heater)
  • 30c
  • C51
  • C61
  • Can-b h
  • Can-b l
  • Computer data line system
  • Data
  • Driver seat contacting strip (under left front seat)
  • Front passenger seat contacting strip (under right front seat)
  • Fuse 10a
  • Fuse 25a
  • Heated seat & seat ventilation control module (under left front seat)
  • Hot at all times
  • Interior fuse box (left end of dash)
  • Left front backrest heated cushion
  • Left front heated switch
  • Left front seat heated cushion
  • Right front backrest heated cushion
  • Right front heated switch
  • Right front seat heated cushion
  • Seat ventilation circuit
  • Steering column module (top of steering column)
  • Upper control panel control module
  • W15/1 (right kick panel)
  • W15/2 (left kick panel)

схема вентиляции места для Mercedes-Benz E500 4Matic 2006

схема вентиляции места для Mercedes-Benz E500 4Matic 2006 - Список элементов:

  • 30c
  • Can-b h
  • Can-b l
  • Computer data lines system
  • Data
  • Front seat right ventilation blower regulator (in right front seat back)
  • Fuse 10a
  • Fuse 25a
  • Heated seat & seat ventilation control module (under left front seat)
  • Heated seats circuit
  • Hot at all times
  • Interior fuse box (left end of dash)
  • Left front seat backrest ventilation motor group
  • Left front seat cushion ventilation motor group
  • Left front seat ventilation blower regulator (in left front seat back)
  • Left front seat ventilation switch
  • Right front seat backrest ventilation motor group
  • Right front seat cushion ventilation motor group
  • Right front seat ventilation switch
  • Steering column module (top of steering column)
  • Upper control panel control module
  • W/ steering wheel heater
  • W15/1 (right kick panel)
  • W15/2 (left kick panel)

Стартер Генератор

Электросхема Генератора для Mercedes-Benz E500 4Matic 2006

Электросхема Генератора для Mercedes-Benz E500 4Matic 2006 - Список элементов:

  • (left rear of engine compt) driver side sam control module w/ fuse & relay module
  • (left side of trunk) rear sam control module w/ fuse & relay module
  • (right rear of trunk) battery control module
  • 175a
  • Auxiliary battery
  • Auxiliary battery relay (right rear of engine compt)
  • Battery
  • Battery sensor
  • C21
  • Can-b h
  • Can-b l
  • Computer data lines system
  • Cutoff relay for interruptible loads
  • Early production
  • Front prefuse (right front footwell)
  • Fuse 150a
  • Fuse 5a
  • Generator
  • Instrument cluster
  • Late production
  • Me-sfi (me) control module (center rear of engine compt)
  • Multifunction indicator
  • Rear prefuse (lower right front of trunk)
  • Red
  • Second battery additional fuse
  • Solid state
  • Starter
  • Starter alternator fuse (except 5.0l)
  • Terminal block
  • W10 (right rear of trunk)

Электросхема стартера для Mercedes-Benz E500 4Matic 2006

Электросхема стартера для Mercedes-Benz E500 4Matic 2006 - Список элементов:

  • Auxiliary battery
  • Auxiliary battery relay (right rear of engine compt)
  • Battery
  • Battery control module (right rear of trunk)
  • Charging circuit
  • Circuit 87 relay engine
  • Circuit relay
  • Computer data lines system
  • Driver side sam control module with fuse/relay module (left rear of engine compartment)
  • Front prefuse (right front footwell)
  • Fuse 150a
  • Fuse 59 15a
  • Hot at all times
  • Me-sfi (me) control module (center rear of engine compt)
  • Power distribution system
  • Red
  • Solid state
  • Starter
  • Starter relay
  • W10 (right rear of trunk)

Стеклоочистители и Стеклоомыватели Дворники

Передняя Схема Шайбы Дворника/Шайбы и Фары для Mercedes-Benz E500 4Matic 2006

Передняя Схема Шайбы Дворника/Шайбы и Фары для Mercedes-Benz E500 4Matic 2006 - Список элементов:

  • Can- b h
  • Can- b l
  • Can-b h
  • Can-b l
  • Can-c h
  • Can-c l
  • Combination switch
  • Computer data lines system
  • Data
  • Driver side sam control module with fuse & relay module (left rear of engine compt)
  • Except turbo
  • Exterior lamp switch
  • Fuse 15a
  • Fuse 25a
  • Fuse 40a
  • Hcs (sra) switch
  • Hcs pump (in washer fluid reservoir)
  • Hot at all times
  • Hot w/ circuit 15r relay energized
  • I10
  • I13
  • Interior fuse box (left end of dash)
  • Left washer nozzle heater (left rear of engine hood)
  • Nca
  • Overhead control panel control module (in overhead console)
  • Rain/light sensor (behind top center of windshield)
  • Red
  • Right washer nozzle heater (right rear of engine hood)
  • Solid state
  • Sra
  • Steering column module (top of steering column)
  • Turbo
  • W15/1 (right kick panel)
  • W15/2 (left kick panel)
  • W2 (at right headlight unit)
  • W6 (left rear wheelhousing)
  • Washer nozzle hose heater (on washer fluid reservoir)
  • Windshield washer fluid pump (in washer fluid reservoir)
  • Windshield washer system switch
  • Wipe switch
  • Wiper motor (rear of engine compt)

задняя схема дворника, Универсал для Mercedes-Benz E500 4Matic 2006

задняя схема дворника, Универсал для Mercedes-Benz E500 4Matic 2006 - Список элементов:

  • (not used)
  • 15r
  • 31b
  • C20
  • C21
  • C26
  • Can h
  • Can l
  • Can-b h
  • Can-b l
  • Can-h
  • Can-l
  • Combination switch
  • Computer data lines system
  • Driver side sam control module with fuse & relay module (left rear of engine compt)
  • Front prefuse (right front footwell)
  • Fuse 15a
  • Fuse 200a
  • Fuse 20a
  • Hot at all times
  • Hot with circuit 15r relay 2 energized
  • I11
  • I13
  • Rear door control module (right side of tailgate)
  • Rear prefuse (lower right of front trunk)
  • Rear sam control module with fuse/ relay module (left side of trunk)
  • Rear wiper relay
  • Rear wiper switch
  • Red
  • Solid state
  • Steering column module (top of steering column)
  • Tailgate washer fluid pump (in washer fluid reservoir)
  • Tailgate wiper motor (center of tailgate)
  • Upper control panel carrier open/ close switch
  • Upper control panel control module
  • W15/1 (front center of engine)
  • W8/3 (lower right side of tailgate)

ЦЕНТРАЛЬНЫЙ ЗАМОК

автоматическая дверь захватывает схему, седан (1 из 2) для Mercedes-Benz E500 4Matic 2006

автоматическая дверь захватывает схему, седан (1 из 2) для Mercedes-Benz E500 4Matic 2006 - Список элементов:

  • 49a
  • 56b
  • Can-b h
  • Can-b l
  • Can-c h
  • Can-c l
  • Can-sbc h
  • Can-sbc l
  • Computer data lines system
  • Di control unit (near ignition switch)
  • Driver side sam control module with fuse & relay module (left rear of eng compt)
  • Early production
  • Esp/sps/bas control module (left rear of eng compt)
  • Exterior lights system
  • I13
  • Instrument cluster
  • Late production
  • Left front door contact switch (left "b" pillar)
  • Left rear door contact switch (left "c" pillar)
  • Passenger-side sam control module under right side of dash)
  • Pawl rotary tumbler switch (center of trunk lid)
  • Rear sam control module with fuse/relay module (left side of trunk)
  • Right front door contact switch (right "b" pillar)
  • Right rear door contact switch (right "c" pillar)
  • Sbs hydraulic unit (right front of eng compt)
  • Trunk lid external operation switch (center of trunk)
  • W15/1 (right kick panel)
  • W15/2 (left kick panel)
  • W6 (left rear wheelhousing)

автоматическая дверь захватывает схему, седан (2 из 2) для Mercedes-Benz E500 4Matic 2006

автоматическая дверь захватывает схему, седан (2 из 2) для Mercedes-Benz E500 4Matic 2006 - Список элементов:

  • (left front footwell) w15/2
  • (left kick panel) w15/2
  • Can-b h
  • Can-b l
  • Computer data lines system
  • Exterior lights system
  • Fuse 25a
  • Hot at all times
  • Interior fuse box (left end of dash)
  • Left front door cl motor (left front door)
  • Left front door control module (in driver's door)
  • Left front ir receiver (left front door handle)
  • Left rear door cl motor (left rear door)
  • Left rear door control module (in left rear door)
  • Red
  • Right front door cl motor (right front door)
  • Right front door control module (in right front door)
  • Right rear door cl motor (right rear door)
  • Right rear door control module (in right rear door)
  • W15/1 (right front footwell)
  • W15/1 (right kick panel)

автоматическая дверь захватывает схему, Универсал для Mercedes-Benz E500 4Matic 2006

автоматическая дверь захватывает схему, Универсал для Mercedes-Benz E500 4Matic 2006 - Список элементов:

  • Can-b h
  • Can-b l
  • Can-c h
  • Can-c l
  • Can-sbc h
  • Can-sbc l
  • Computer data lines system
  • Di control unit (near ignition switch)
  • Driver side sam control module with fuse & relay module (left rear of eng compt)
  • Early production
  • Esp/sps/bas control module (left rear of eng compt)
  • Exterior lights system
  • Instrument cluster
  • Left front door contact switch (left "b" pillar)
  • Left rear door contact switch (left "c" pillar)
  • Passenger-side sam control module (undre right side of dash)
  • Pnk/red
  • Rear door control module (right side of tailgate)
  • Rear door handle (center of tailgate)
  • Rear door locking unit (center of tailgate)
  • Rear panel cl motor (center of tailgate)
  • Rear sam control module with fuse/relay module (left side of trunk)
  • Red
  • Right front door contact switch (right "b" pillar)
  • Right rear door contact switch (right "c" pillar)
  • Sbs hydraulic unit (right front of eng compt)
  • Sig
  • Solid state
  • W15/1 (right front footwell)
  • W15/2 (left front footwell)
  • W6 (late production) (right front footwell)
  • W8/3 (lower right side of tailgate)

системная схема движения без ключа для Mercedes-Benz E500 4Matic 2006

системная схема движения без ключа для Mercedes-Benz E500 4Matic 2006 - Список элементов:

  • (left kick panel) w15/2
  • (near ignition switch) di control module
  • Fuse 25a
  • Hot at all times
  • Interior fuse box (left end of dash)
  • Interior module keyless go control module (center of dash)
  • Keyless go left rear door antenna (left rear door)
  • Keyless go right rear door antenna (right rear door)
  • Keyless go trunk antenna (in trunk)
  • Keyless go trunk lid pushbutton
  • Left door handle switch
  • Left front opening assist motor (rear of left front door)
  • Left rear door keyless go control module (left rear door)
  • Left rear opening assist motor (rear of left rear door)
  • Nca
  • Rear bumper antenna (rear bumper)
  • Rear module keyless go control module (left cargo area)
  • Right antenna amplifier module (right "c" pillar)
  • Right door handle switch
  • Right front opening assist motor (rear of right front door)
  • Right rear door keyless go control module (right rear door)
  • Right rear opening assist motor (rear of right rear door)
  • W15/1 (right kick panel)
  • W15/2 (left kick panel)
  • W6 (left rear wheelhousing)

Can't find your car? Check -> DiagnostData.com!