AUTOMOTIVE ELECTRICIANS

Все схемы для электропроводки Mercedes-Benz ML350 2010

Автомтическая коробка Передач (АКПП) Полная привод (4WD) Блокировка Дифференциала

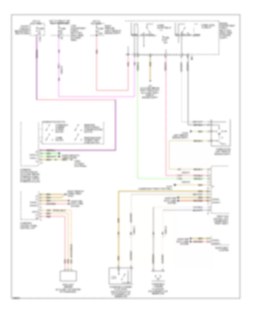
Электросхема автоматической коробки передач АКПП для Mercedes-Benz ML350 2010

Электросхема автоматической коробки передач АКПП для Mercedes-Benz ML350 2010

Электросхема автоматической коробки передач АКПП для Mercedes-Benz ML350 2010 - Список элементов:

  • (ml class: behind right headlight)
  • (ml class: behind right headlight) (gl class: right side of engine compt) (3.0l diesel) w2
  • B1 brake control solenoid valve (vgs)
  • B2 brake control solenoid valve (vgs)
  • B3 brake control solenoid valve (vgs)
  • Can-b h
  • Can-b l
  • Can-c h
  • Can-c l
  • Computer data lines system
  • Eis (ezs) control unit
  • Electric control unit (vgs) (gl-class: in transmission housing)
  • Engine compartment fuse & relay box (right side of engine compt)
  • Fully integrated transmission control (vgs) control unit
  • Fuse 15a
  • Fuse 30a
  • Fuse 7.5a
  • Hot at all times
  • Hot w/ circuit 15 relay energized
  • Hot w/ coolant circulation pump relay energized
  • Housing)
  • Intelligent servo module (direct select) (ml-class: on transmission housing) (gl-class: left side transmission of
  • Internal speed sensor (vgs)
  • Ism
  • K1 clutch control solenoid valve (vgs)
  • K2 clutch control solenoid valve (vgs)
  • K3 clutch control solenoid valve (vgs)
  • M2 x25/2-c2
  • Mr1
  • Mr3
  • Mr4
  • Output speed sensor (vgs)
  • Red
  • Selection range sensor (vgs)
  • Torque converter lockup clutch control solenoid valve (vgs)
  • Transmission oil cooler circulation pump
  • Transmission oil temp sensor (vgs)
  • Turbine speed sensor (vgs)
  • Upper control panel control module
  • W16/3 (4.6l,5.5l &3.5l) (left rear of engine compt)
  • W2 (3.0l diesel) (gl class: right side of engine compt) (ml class: behind right headlight)
  • W2 (gl class: right side of engine compt)
  • Working pressure control solenoid valve (vgs)
  • X18
  • X22/6

Электросхема блокировки заднего дифференциала для Mercedes-Benz ML350 2010

Электросхема блокировки заднего дифференциала для Mercedes-Benz ML350 2010 - Список элементов:

  • (-)
  • C13b
  • Can b h
  • Can b l
  • Can c h
  • Can c l
  • Cockpit fuse box (behind right end of dash)
  • Computer data lines system
  • Differential lock thumb wheel
  • Fuse 30a
  • Fuse 5a
  • H sig 1
  • H sig 2
  • Hot at all time
  • Hot w/ circuit 15 relay energized
  • Lin
  • Load compartment fuse & relay box (right rear of cargo area)
  • Lower control panel control unit
  • Mot a
  • Mot b
  • Ms4
  • Nca
  • Rear axle differential actuator motor (on differential)
  • Rear axle differential lock control unit (under left seat of 3rd seat row)
  • Red
  • Temp
  • Upper control panel control unit
  • W29/2 (at right kick panel)
  • W7/7 (gl-class) (right rear of cargo area floor) w6/6 (ml-class) (left rear of cargo area)

Электросхема раздатки для Mercedes-Benz ML350 2010

Электросхема раздатки для Mercedes-Benz ML350 2010 - Список элементов:

  • (+)
  • (-)
  • (under right front footwell) w15/1
  • Battery compartment prefuse box (under right front seat)
  • Can c h
  • Can c l
  • Computer data lines system
  • Dir
  • F87
  • Fuse 30a
  • Fuse 5a
  • Hot at all times
  • Hot w/ circuit 15 relay energized
  • Imp
  • Load compartment fuse & relay box (right rear of cargo area)
  • M +
  • M -
  • Sig
  • Temp
  • Transfer case absolute sensor (ml-class: on rear of transfer case) (gl-class: at transfer case)
  • Transfer case actuator motor (on transfer case)
  • Transfer case control module (under front passenger's seat)
  • Transfer case switchover magnet (ml-class: front underbody) (gl-class: at transfer case)
  • Vcc

БЛОК ПРЕДОХРАНИТЕЛЕЙ И РЕЛЕ

Электросхема блока предохранителей и реле (1 из 4) для Mercedes-Benz ML350 2010

Электросхема блока предохранителей и реле (1 из 4) для Mercedes-Benz ML350 2010 - Список элементов:

  • (at right "d" pillar) (gl-class) w7
  • (right rear of cargo area) load compartment fuse & relay box
  • (under right rear seat) (ml-class) w17
  • 3.0l turbo
  • 3.5l hybrid
  • 87a
  • Ac air recirculation unit
  • Activated charcoal filter shutoff valve (except 3.0l turbo & 3.5l hybrid)
  • Backup camera (if equipped)
  • Battery
  • Battery compartment prefuse box (under right front seat)
  • C78
  • C79
  • C80
  • C81
  • C82
  • C83
  • C84
  • C85
  • C86
  • C87
  • C88
  • C89
  • C90
  • C91
  • Circuit 15r 2/ spare 1 relay
  • Circuit 15r relay
  • Circuit 31 right rear seat voltage distributor coonnector (ml-class) circuit 31 right wheel house luggage compartment voltage distributor connector (gl-class)
  • Circuit relay
  • Driver lumbar support regulator control unit (if equipped)
  • Driver neck- pro head restraint solenoid
  • Driver seat adjustment switch (if equipped)
  • Emergency call system control unit (if equipped)
  • Front interior socket
  • Front passenger lumbar support regulator control unit (if equipped)
  • Front passenger neck-pro head restraint solenoid
  • Front passenger seat adjustment switch (if equipped)
  • Front sam control unit
  • Fuel pump control module (except 3.0l turbo)
  • Fuse 100a
  • Fuse 10a
  • Fuse 150a 40a
  • Fuse 15a
  • Fuse 20a
  • Fuse 30a
  • Fuse 40a
  • Fuse 5a
  • Fuse 60a
  • Fuse 7.5a
  • Fuse 70a
  • Gl- class
  • Glove compartment illumination w/ switch
  • Hybrid vehicle fully integrated transmission control controller unit
  • Instrument cluster & rotary light switch
  • Load compartment socket
  • Ml-class
  • Multicontour seat pneumatic pump (if equipped)
  • Pnk
  • Ptc heater booster (if equipped)
  • Pyrotechnical separator
  • Rear sam control module
  • Rear wiper relay
  • Red
  • Restraint systems control module
  • Right 2nd seat row socket
  • Socket circuit 15r relay (w/ run-on)
  • Spare 2 relay
  • Tailgate wiper motor
  • To 115v socket (diagram 3 of 4)
  • To cockpit fuse box (diagram 4 of 4)
  • To dc/ac converter control unit (115v socket) (diagram 3 of 4)
  • To engine compartment fuse & relay box (diagram 3 of 4)
  • To engine compartment fuse & relay box (diagram 4 of 4)
  • To engine compartment fuse & relay box 2 (diagram 3 of 4)
  • To front prefuse (diagram 3 of 4)
  • To fuse 48 (diagram 2 of 4)
  • Trailer circuit 30 relay
  • Transfer case control unit
  • Vaccum pump relay (+)
  • W/ full hybrid drive
  • W/ offroad package
  • W15/1 (under right front footwell)
  • W29/2 (behind right kick panel)
  • W6/6 (gl-class) (left rear of cargo area floor)
  • W7 (ml-class) (behind trim, right rear of cargo area)
  • Wss control unit (weight sensing system)
  • X18-c2
  • X25/2-c1 a5
  • X25/2-c2 d4
  • X25/2-c2 h2
  • X29/6-c1

Электросхема блока предохранителей и реле (2 из 4) для Mercedes-Benz ML350 2010

Электросхема блока предохранителей и реле (2 из 4) для Mercedes-Benz ML350 2010 - Список элементов:

  • (not used)
  • (right rear of cargo area) load compartment fuse & relay box
  • 87a
  • Airmatic control unit (if equipped)
  • Amplifier for sound system
  • Backup relay 2
  • Central gateway control module
  • Comand operating, display & control module
  • Data link connector
  • Driver front seat adjustment control module (w/ memory)
  • Dvd player
  • Emergency call system control unit (if equipped)
  • Folding rear bench seat control unit (w/ 3rd rear seat)
  • From h fuse 43 (diagram 1 0f 4)
  • From j fuse 67 (diagram 2 0f 4)
  • From trailer circuit 30 relay (diagram 2 of 4)
  • Front cigar lighter (w/ ashtray illumination)
  • Front passenger front seat adjustment control module (w/ memory)
  • Fuel pump relay
  • Fuse 10a
  • Fuse 15a
  • Fuse 25a
  • Fuse 30a
  • Fuse 40a
  • Fuse 5a
  • Fuse 7.5a
  • Heated rear window relay
  • High voltage battery coolant pump (3.5l hybrid)
  • High voltage battery module (3.5l hybrid)
  • High- definition tuner control unit (w/ sdar)
  • Hs (sih), seat ventilation & steering wheel heater control unit
  • Hs (sih), seat ventilation & steering wheel heater control unit (if equipped)
  • Illuminated door sill molding actuation module led (if equipped)
  • Interior lights system
  • Keyless go control unit (if equipped)
  • Left front door control module
  • Left front reversible emergency tensioning retractor (if equipped)
  • Ms1
  • Ms2
  • Ms3
  • Ms4
  • Ms7
  • Multicontour seat pneumatic pump (w/ mcs (mks))
  • Nca
  • Overhead control panel control module
  • Pts control module (if equipped)
  • Pyrotechnical separator (3.5l hybrid)
  • Radio antenna interference filter
  • Rcp (hbf) control module
  • Rear air conditioning blower motor (if equipped)
  • Rear audio control unit (if equipped)
  • Rear axle differential lock control module (w/ offroad package)
  • Rear-end door closing control module (w/ automatic rear end door)
  • Red
  • Right front door control module
  • Right front reversible emergency tensioning retractor (if equipped)
  • Subwoofer amplifier
  • To fuse 32 (diagram 2 of 4)
  • To fuse 69 (diagram 2 of 4)
  • Tpm (rdk) control module (if equipped)
  • Trailer circuit 30 relay
  • Trailer circuit 30x relay
  • X29/6-c1

Электросхема блока предохранителей и реле (3 из 4) для Mercedes-Benz ML350 2010

Электросхема блока предохранителей и реле (3 из 4) для Mercedes-Benz ML350 2010 - Список элементов:

  • (not used)
  • (right rear of cargo area) load compartment fuse & relay box
  • (right side of engine compt) engine compartment fuse & relay box
  • (w/ airmatic)
  • 115v socket
  • 3.0l turbo
  • 3.5l hybrid
  • 300a
  • Additional battery
  • Air suspension compressor relay
  • Airmatic control unit (if equipped)
  • Alternator
  • C123
  • C124
  • C125
  • Can-b h
  • Can-b l
  • Can-c h
  • Can-c l
  • Cdi control unit
  • Circuit
  • Circuit 31 right wheelhouse luggage compartment voltage distributor connector
  • Computer data lines system
  • Condensation sensor for fuel filter w/ heating element (3.0l turbo)
  • Dc/ac converter control unit (115v socket)
  • Dc/dc converter control unit
  • Dc/dc converter fuse
  • Eis (ezs) control unit
  • Electro hydraulic power steering (if equipped)
  • Electro hydraulic power steering, electric refrigerant compressor control unit, hybrid vehicle fully integrated transmission control controller unit & power electronics control unit
  • Electrohydraulic power steering (if equipped)
  • Engine & ac electric suction fan w/ integrated control
  • Esp control module (except 3.5l hybrid) regenerative brake system control unit (3.5l hybrid)
  • Esp control unit (except 3.5l hybrid) regenerative braking system control unit (3.5l hybrid)
  • Except 3.5l hybrid
  • Fanfare horn relay
  • From battery (diagram 1 of 4)
  • From battery c compartment prefuse box (diagram 1 0f 4)
  • From load compartment fuse & relay box (diagram 1 0f 4)
  • From load compartment fuse & relay box (diagram 1 of 4)
  • From load compartment fuse & relay box r (diagram 1 of 4)
  • From pyro- technical separator (diagram 1 of 4)
  • Front prefuse (right rear of engine compt)
  • Front sam control unit
  • Fuel pump control unit (except 3.0l turbo & 3.5l hybrid)
  • Fuse 100a
  • Fuse 10a
  • Fuse 15a
  • Fuse 25a
  • Fuse 30a
  • Fuse 40a
  • Fuse 5a
  • Fuse 7.5a
  • Gl- class
  • Intelligent servo module for direct select
  • Ism
  • Left front door cl (zv) motor
  • Left front headlamp unit (w/ xenon headlamps)
  • Ml- class
  • Mr1
  • Mr3
  • Mr4
  • Pnk
  • Pnk/ red
  • Rear axle differential lock control module (w/ offroad package)
  • Rear sam control unit
  • Red
  • Relay
  • Reserve fuse
  • Right front headlamp unit (w/ xenon headlamps)
  • To cockpit prefuse box (diagram 4 of 4)
  • To fuse (diagram 4 of 4)
  • To fuse 121 (diagram 4 of 4)
  • Transfer case control module (w/ offroad package)
  • W/ customer request option
  • W/o customer request option
  • W2 (ml-class: behind right headlight) (gl class: right side of engine compt)
  • W29/2 (at right kick panel)
  • W6 (behind trim, left rear of cargo area)
  • W7 (at right "d" pillar)
  • Wiper level 1/2 relay
  • Wiper on/off relay

Электросхема блока предохранителей и реле (4 из 4) для Mercedes-Benz ML350 2010

Электросхема блока предохранителей и реле (4 из 4) для Mercedes-Benz ML350 2010 - Список элементов:

  • (not used)
  • (right side of engine compt) engine compartment fuse & relay box
  • 3.0l turbo
  • Acc (kla) control & operating unit (w/o thermotronic) comfort acc (kla) control & operating unit (w/ thermotronic)
  • Air pump relay
  • Booster blower electronic blower controller
  • C10a
  • C10b
  • C11a
  • C11b
  • C12a
  • C12b
  • C13a
  • C13b
  • C14a
  • C14b
  • C15a
  • C15b
  • C16a
  • C16b
  • C17a
  • C17b
  • C18a
  • C18b
  • C5e
  • Cd changer
  • Cdi control module
  • Cdi control unit (3.5l hybrid)
  • Cockpit fuse box (behind right end of dash)
  • Coolant circulation pump relay
  • Dtr control unit (if equipped)
  • Electric control unit (vgs)
  • Electronic compass (if equipped)
  • Engine & ac electric suction fan w/ integrated module
  • Engine circuit relay
  • Engine compartment fuse & relay box 2 (3.5l hybrid)
  • Esp control module (except 3.5l hybrid) regenerative brake system control unit (3.5l hybrid)
  • From battery compartment prefuse box (diagram 1 of 4)
  • From eis (ezs) control unit (diagram 3 of 4)
  • From fuse 105 (diagram o 4 of 4)
  • From fuse 112 (diagram m 3 of 4)
  • From l fuse 109 (diagram 3 of 4)
  • Fuel pump relay
  • Fuse 10a
  • Fuse 15a
  • Fuse 20a
  • Fuse 5a
  • Fuse 7.5a
  • Fuse fa 7.5a
  • Fuse fb 7.5a
  • Fuse fc 7.5a
  • Fuse fd 7.5a
  • G1 x25/2-c2
  • Instrument cluster
  • Load compartment fuse & relay box 2
  • Me-sfi (me) control module
  • Media interface control unit (if equipped)
  • Mr1
  • Mr2
  • Mr3
  • Mr4
  • Pnk
  • Power electronic control unit
  • Power electronics circulation pump relay & vaccum pump relay (-)
  • Power electronics circulation pump relay, purge control valve, radiator sensor for engine diagnosis engine & ac electric suction fan w/ integrated control
  • Purge control valve (3.5l hybrid) cdi control unit (except 3.5l hybrid)
  • Red
  • Regenerative braking system control unit
  • Reserve fuse
  • Starter relay
  • Steering column module
  • To fuse 101 (diagram 4 of 4)
  • Upper control panel control module
  • Vacuum pump relay (+) & vacuum pump
  • W/ offroad package

БЛОКИ УПРАВЛЕНИЯ КУЗОВОМ

передняя схема управляющего модуля SAM для Mercedes-Benz ML350 2010

передняя схема управляющего модуля SAM для Mercedes-Benz ML350 2010 - Список элементов:

  • Additional battery
  • Anti-lock brakes system
  • Battery compartment prefuse box (under right front seat)
  • C88
  • C89
  • C90
  • Computer data lines system
  • Door locks system
  • Electronic suspension system
  • Exterior lights system
  • Front sam control unit (under right front seat)
  • Fuse 5a
  • Fuse 70a
  • Headlights system
  • Hot at all times
  • Hot in on or start
  • Instrument cluster system
  • Interior lights system
  • Load compartment fuse & relay box (right rear of cargo area)
  • Pnk
  • Power distribution system
  • Power windows & interior lights systems
  • Power windows system
  • Red
  • Seats system
  • W15/1 (under right front footwell)
  • Warning & anti-lock brakes systems
  • Wiper/ washer system
  • Wiper/washer system

задняя схема управляющего модуля SAM для Mercedes-Benz ML350 2010

задняя схема управляющего модуля SAM для Mercedes-Benz ML350 2010 - Список элементов:

  • (at right "d" pillar)
  • Anti-lock brakes system
  • Anti-theft system
  • Battery compartment prefuse box (under right front seat)
  • C79
  • C80
  • Computer data lines system
  • Defogger system
  • Door locks & anti theft systems
  • Door locks & anti-theft systems
  • Door locks system
  • Exterior lights & interior lights systems
  • Exterior lights system
  • Fuse 60a
  • Hot at all times
  • Instrument cluster system
  • Interior lights system
  • Navigation system
  • Pnk
  • Power distribution system
  • Power distribution system seats & power distribution systems
  • Power windows system
  • Rear sam control module (right rear of cargo area)
  • Red
  • System door locks
  • System lights exterior
  • System locks door
  • W17 (ml-class) (under right rear seat)
  • W7 (gl-class)
  • Wiper/washer system

ВНЕШНЕЕ ОСВЕЩЕНИЕ

Электросхема заднего хода для Mercedes-Benz ML350 2010

Электросхема заднего хода для Mercedes-Benz ML350 2010 - Список элементов:

  • (gl-class: in transmission housing) electric control unit (vgs)
  • Backup lamp
  • Battery compartment prefuse box (under right front seat)
  • C79
  • Can b h
  • Can b l
  • Can-c h
  • Can-c l
  • Can-l h
  • Can-l l
  • Circuit 31 right wheelhouse luggage compartment voltage connector distributor
  • Computer data lines system
  • Fuse 60a
  • Gl-class
  • Hot at all times
  • Hybrid vehicle fully integrated transmission control controller unit (3.5l)
  • Intelligent servo module (direct select) (ml-class: on transmission housing) (gl-class: left side of transmission housing)
  • Left taillamp
  • Ml-class
  • Rear sam control module (right rear of cargo area)
  • Red
  • Rf li
  • Rf re
  • Right taillamp
  • W6 (gl-class: at left "d" pillar) (ml-class: behind trim, left rear of cargo area)
  • W7 (gl-class: at right "d" pillar) (ml-class: behind trim, right rear of cargo area)

Электросхема внешнего освещения (1 из 2) для Mercedes-Benz ML350 2010

Электросхема внешнего освещения (1 из 2) для Mercedes-Benz ML350 2010 - Список элементов:

  • (+)
  • (if equipped) outsider mirror ambient lamp
  • 3 bremsl
  • 49 hi li
  • 49 hi re
  • 49li
  • 49re
  • 54 li
  • 54re
  • 58li
  • 58li/55l
  • 58re
  • 58re/55r
  • Audible turn signal indicator
  • Backup lamp
  • Backup lamp circuit
  • Bla
  • Can-b h
  • Can-b l
  • Can-c h
  • Can-c l
  • Center high mounted stop lamp (w/o spare tire carrier)
  • Computer data lines system
  • Exterior mirror turn signal lamp
  • Fuse 20a
  • Fuse 30a
  • Fuse 7.5a
  • Gnd
  • Hazard warning system switch
  • Hot at all times
  • Hot w/ circuit 15 relay energized
  • Indicator lamp
  • Instrument cluster
  • Left electrically adjustable & heated exterior mirror (ml-class: on driver door)
  • Left front door control module (in left front door)
  • Left rear end door license plate lamp (w/o spare tire carrier)
  • Left taillamp
  • Left turn signal
  • Lin
  • Load compartment fuse & relay box (right rear of cargo area)
  • Ml-class
  • Ms5
  • Ms6
  • Nca
  • Pnk
  • Rear end door ambient lamp
  • Rear end door warning lamp
  • Rear sam control module (right rear of cargo area)
  • Red
  • Rf li
  • Rf re
  • Rfl
  • Right rear end door license plate lamp (w/o spare tire carrier)
  • Right turn signal
  • Rotary lamp switch
  • Rwlt
  • Side marker & parking lamp (ml-class) stop lamp, side marker & parking lamp (gl-class)
  • Stop lamp/ brake light (w/o spare tire carrier)
  • Taillamp & rear fog lamp
  • Turn signal lamp (w/o spare tire carrier)
  • Upper control panel control module
  • W/ interior light package
  • W/0 interior light package
  • W6 (gl-class: at left "d" pillar) (ml-class: behind trim, left rear of cargo area)
  • W8 (ml-class: behind trim, on right side of tailgate) (gl-class: right side of tailgate)
  • X18
  • X213
  • X213-c1

Электросхема внешнего освещения (2 из 2) для Mercedes-Benz ML350 2010

Электросхема внешнего освещения (2 из 2) для Mercedes-Benz ML350 2010 - Список элементов:

  • (+)
  • (gl-class: at right "d" pillar) (ml-class: behind trim, right rear of cargo area) w7
  • (if equipped) outsider mirror ambient lamp
  • (ml-class: behind right headlight) (gl-class: right side of engine compt) w2
  • 49 re
  • 49li
  • 58 li sml li
  • 58re
  • Backup lamp
  • Battery compartment prefuse box (under right front seat)
  • C88
  • Can-b h
  • Can-b l
  • Can-c h
  • Can-c l
  • Circuit 31 right wheelhouse luggage compartment voltage distributor connector
  • Combination switch
  • Computer data lines system
  • Electric brake control separation point
  • Engine compartment fuse & relay box (right side of engine compt)
  • Exterior mirror turn signal lamp
  • Front sam control unit (under front passenger's seat)
  • Fuse 7.5a
  • Fuse 70a
  • Gl- class
  • Gnd
  • Headlamp flasher/ high beam switch
  • Hot at all times
  • Hot w/ circuit 15 relay energized
  • Left & right turn turn signal switch
  • Left dynamic curve illumination (w/ xenon lamps)
  • Left front lamp unit
  • Left side marker lamp
  • Left standing & parking lamp
  • Left turn signal lamp
  • Lwr
  • Ml- class
  • Mr3
  • Nca
  • Red
  • Right dynamic curve illumination (w/ xenon lamps)
  • Right electrically adjustable & heated exterior mirror (ml-class: on front passenger door)
  • Right front door control module (in right front door)
  • Right front lamp unit
  • Right side marker lamp
  • Right standing & parking lamp
  • Right taillamp
  • Right turn signal lamp
  • Side marker & parking lamp (ml-class) stop lamp, side marker & parking lamp (gl-class)
  • Sml re
  • Steering column module (gl-class: behind steering wheel) (ml-class: top of top of steering column)
  • Stop lamp/ brake light (w/o spare tire carrier)
  • Taillamp & rear fog lamp
  • Trailer hitch socket (7-pin)
  • Turn signal lamp (w/o spare tire carrier)
  • W15/2 (under left front footwell)
  • W7 (gl-class: at right "d" pillar) (ml-class: behind trim, right rear of cargo area)
  • W9 (left side of engine compt)
  • X25/2-c1
  • X25/2-c2
  • X58/33-c2

ВНУТРЕННЕЕ ОСВЕЩЕНИЕ

Электросхема освещения салона (1 из 3) для Mercedes-Benz ML350 2010

Электросхема освещения салона (1 из 3) для Mercedes-Benz ML350 2010 - Список элементов:

  • (+)
  • (-)
  • (right rear of cargo area) w48/3
  • 1st seat row interior lamp switch
  • 1st seat row left interior lamp
  • 1st seat row left reading lamp switch
  • 1st seat row right interior lamp
  • 1st seat row right reading lamp switch
  • 2nd seat row left dome lamp
  • 2nd seat row right dome lamp
  • 3rd seat row left dome lamp (w/ interior light package)
  • Ambient lamp
  • Can-b h
  • Can-b l
  • Central load compartment dome lamp (w/o interior light package)
  • Computer data lines system
  • Data
  • Dome lamp
  • Door contact on/off switch
  • Fuse 25a
  • Fuse 5a
  • Glove compartment
  • Gnd
  • Hot at all times
  • Hot w/ circuit 15r relay energized
  • Illumination w/ switch
  • Interior rear view mirror unit
  • Ki 58
  • Left front vanity mirror illumination switch
  • Left reading lamp
  • Left sun visor w/ illuminated mirror
  • Ll l
  • Ll r
  • Load compartment fuse & relay box (right rear of cargo area)
  • Nca
  • Overhead control panel control unit
  • Power distribution system
  • Reading lamp
  • Rear dome lamp switch
  • Red
  • Right front vanity mirror illumination switch
  • Right reading lamp
  • Right sun visor w/ illuminated mirror
  • Ta li
  • Ta re
  • W/ interior light package
  • W/o interior light package
  • W29/2 (at right kick panel)
  • X18
  • X35/1
  • X35/2

Электросхема освещения салона (2 из 3) для Mercedes-Benz ML350 2010

Электросхема освещения салона (2 из 3) для Mercedes-Benz ML350 2010 - Список элементов:

  • (right front footwell) (gl-class) w15/1 w17 (ml-class) (under right rear seat)
  • (under left front footwell) w15/2
  • Al(+)
  • Battery compartment prefuse box (under right front seat)
  • C3a
  • C3b
  • C79
  • Can-b h
  • Can-b l
  • Circuit 31 left wheelhouse luggage compartment voltage distribution connector
  • Circuit 31 right wheelhouse luggage compartment voltage distributor connector (gl-class) circuit 31 left rear seat voltage distributor connector (ml-class & late production)
  • Computer data lines system
  • Front passenger window switch
  • Fuse 60a
  • Gl-class
  • Gnd
  • Hot at all times
  • Instrument panel ambiance illumination connecting point
  • Kl (+)
  • Kl 58
  • Late production
  • Left front door ambiance illumination
  • Left front door control module (in left front door)
  • Left front door entrance/ exit lamp
  • Left front door inside handle illumination (w/ interior light package)
  • Left interior cl (zv) switch
  • Left luggage compartment lamp (gl-class)
  • Left rear door ambiance illumination
  • Left rear door entrance/ exit lamp
  • Left rear inside door handle illumination (w/ interior light package)
  • Ml-class
  • Nca
  • Rear sam control module (right rear of cargo area)
  • Rear-end door ambient lamp
  • Rear-end door warning lamp (w/o automatic rear-end door)
  • Red
  • Right front door ambiance illumination
  • Right front door control module (in right front door)
  • Right front door entrance/ exit lamp
  • Right front door inside handle illumination (w/ interior light package)
  • Right interior cl (zv) switch
  • Right load compartment dome lamp (gl-class)
  • Right rear door ambiance illumination
  • Right rear door entrance/ exit lamp
  • Right rear door inside handle illumination (w/ interior light package)
  • Rwtl
  • Tig l
  • Tig r
  • W/o automatic rear-end door
  • W15/1 (gl-class) (right front footwell)
  • W17 (ml-class) (under right rear seat)
  • W6 (at left "d" pillar)
  • W7 (gl-class) (at right "d" pillar) w17/1 (ml-class) (under left rear seat)
  • W7 (gl-class: at right "d" pillar) (ml-class: behind trim, right rear of cargo area)
  • W8 (ml class: behind trim, on right side of tailgate) (gl class: right side of tailgate)
  • X157/10
  • X157/6
  • X157/7
  • X157/9
  • X18
  • X35/1
  • X35/2
  • X35/3
  • X35/4
  • X8/16
  • X8/17

Электросхема освещения салона (3 из 3) для Mercedes-Benz ML350 2010

Электросхема освещения салона (3 из 3) для Mercedes-Benz ML350 2010 - Список элементов:

  • (ml-class: under left rear seat) (gl-class: under left seat of 2nd row) w17/1
  • (under left front footwell) w15/2
  • 58d
  • Battery compartment prefuse box (under right front seat)
  • Bright instrument & controls illumination button
  • Brightness sensor
  • C88
  • Can-b h
  • Can-b l
  • Circuit 31 left footwell voltage distributor connector
  • Circuit 31 right footwell voltage distributor connector
  • Computer data lines system
  • Cup holder 1 illum
  • Cup holder 2 illum
  • Dim instrument & controls illumination button
  • Exterior lamp switch
  • Exterior lights system
  • Fl (+)
  • Front center console cup holder illumination (w/ interior light package)
  • Front center console illumination (w/ interior light package)
  • Front cigar lighter (w/ ashtray illumination)
  • Front sam control unit (under right front seat)
  • Fuse 7.5a
  • Fuse 70a
  • Hot at all times
  • Hot w/ circuit 15 relay energized
  • Instrument cluster
  • Instrument illumination
  • Left front footwell lamp
  • Left rear footwell lamp (w/ interior light package)
  • Left rear power window switch
  • Lin
  • Load compartment fuse & relay box (right rear of cargo area)
  • Nca
  • Red
  • Right front footwell lamp
  • Right rear footwell lamp (w/ interior light package)
  • Right rear power window switch
  • Upper control panel control module
  • W/ interior light package
  • W15/1 (under right front footwell)
  • W15/2 (under left front footwell)
  • W17 (ml-class: under right rear seat) (gl-class: under right seat of 2nd row)
  • W17/1 (ml-class: under left rear seat) (gl-class: under left seat of 2nd row)
  • W29/2 (at right kick panel)
  • Wake-up signal/circuit 58d voltage distributor connector
  • X156
  • X18
  • X29/6-c1
  • X35/3
  • X35/4
  • X55/3-c4b
  • X55/4-c4b
  • X8/16
  • X8/17

ЗАЗЕМЛЕНИЕ ПОДКЛЮЧЕНИЕ МАССЫ

Электросхема подключение массы заземления (1 из 2) для Mercedes-Benz ML350 2010

Электросхема подключение массы заземления (1 из 2) для Mercedes-Benz ML350 2010 - Список элементов:

  • Cd changer, booster blower electronic blower controller, front interior socket, blower motor, upper control panel control unit, glove compartment illumination w/ switch, right front footwell lamp, media interface control unit (if equipped), electronic compass, sun sensor, instrument cluster, steering column module, eis (ezs) control unit, left front footwell lamp, aac (kla) control & operating unit & comfort aac (kla) control & operating unit
  • Center high-mounted stop lamp, rear-end door ambient lamp, left rear-end door license plate lamp, right rear-end door license plate lamp, rear-end door handle switch, rear-end door warning lamp (w/o automatic rear-end door) & tailgate wiper motor
  • Cylinder 7 ignition coil (4.6l & 5.5l), cylinder 8 ignition coil (4.6l & 5.5l), intelligent servo module for direct select, electric control unit (vgs), me-sfi (me) control module (except 3.0l (turbo)), alarm signal horn, wiper motor, cylinder 1 ignition coil (except 3.0l (turbo)), cylinder 2 ignition coil (except 3.0l (turbo)), cylinder 3 ignition coil (except 3.0l (turbo)), cylinder 4 ignition coil (except 3.0l (turbo)), cylinder 5 ignition coil (except 3.0l (turbo)), cylinder 6 ignition coil (except 3.0l (turbo)) & hybrid vehicle fully integrated transmission control controller unit (hybrid)
  • Front sam control unit, passenger-side voltage distributor (can c) connector, right front door cl (zv) motor, right front door control unit, transfer case control module, right second seat row socket, front passenger seat adjustment switch (if equipped), front passenger front seat adjustment control module w/ memory (if equipped), right side bag squib, right rear footwell lamp (interior light package), right front seat heated cushion, right front backrest heated cushion, nox control unit downstream of diesel perticular filter (3.0l turbo), nox control unit downstream of scr catalytic converter (3.0l turbo), right rear power window switch (gl-class), right rear door cl motor (gl-class), right rear door entrance & exit lamp (gl-class), right rear door inside handle illumination (gl-class), circuit 31 right rear seat voltage distributor connector (ml-class), circuit 31 right footwell voltage distributor connector (gl-class) & right front illuminated door sill molding (if equipped)
  • Keyless go control unit (if equipped), rear-end door closing control unit, circuit 31 left rear seat voltage distributor connector (gl-class), backup camera (if equipped) (gl-class) & rear axle differential lock control unit (gl-class)
  • Left rear power window switch, left rear door cl (zv) motor, left rear door entrance & exit lamp, left rear inside door handle illumination (w/ interior light package) circuit 31 left footwell voltage distributor connector 1 left front door control unit, left front door cl (zv) motor, driver seat adjustment switch, driver front seat adjustment control module (w/ memory), electric brake control separation point, data link connector, parking brake indicator switch, central gateway control unit, airmatic control unit, pts control unit driver side air bag squib, left front backseat heated cushion, left front seat heated cushion, left rear footwell lamp (w/ interior light package), amplifier, driver train can voltage distributor connector (hybrid), hybrid can voltage distributor connector (hybrid) & left front illuminated door sill molding (if equipped)
  • Loading floor switch (hybrid), high voltage battery coolant pump (hybrid), circuit 31 left wheel house luggage compartment voltage distributor connector (gl-class), multicontour seat pneumatic pump (if equipped), left luggage compartment lamp (gl-class), dc/ac converter control unit (115v socket) (ml class), left tail lamp, rear air conditioning coolant shutoff motor (gl-class), left vent window obstruction sensor strip (gl-class), right second row side air bag ignition squib (gl-class), left second row side air bag ignition squib (gl-class) & rear air conditioning blower regulator (gl-class)
  • Transmission oil cooler circulation pump, dtr control unit, right front lamp unit, engine compartment fuse & relay box, right front brake pad contact sensor, left fanfare horn, right fanfare horn, airmatic compressor unit, ground connector sleeve (3.0l turbo), intake port shutoff motor, boost pressure positioner, left exhaust gas recirculation positioner, left exhaust gas recirculation positioner (3.0l turbo), boost pressure positioner (3.0l turbo), hybrid engine hood contact switch (hybrid), power electronics circulation pump (hybrid) & radiator sensor for engine diagnosis (hybrid)
  • W15/1 (under right front footwell)
  • W15/2 (under left front footwell)
  • W16/3 (left rear of engine compt)
  • W17/1 (ml-class: under left rear seat) (gl-class: under left seat of 2nd seat row)
  • W2 (ml-class: behind right headlight) (gl-class: right side of engine compt)
  • W26 (ml-class: under center console, on srs mounting bolt) (gl-class: under front of center console)
  • W29/2 (at right kick panel)
  • W29/9 (top of right "d" pillar)
  • W6 (ml-class: behind trim, left rear of cargo area) (gl-class: at left "d" pillar)
  • W7 (ml-class: behind trim, right rear of cargo area) (gl-class: at right "d" pillar)
  • W7/7 (right rear of cargo area floor)
  • W8 (ml-class: behind trim, on right side of tailgate) (gl-class: right side of tailgate)
  • Wss control unit (weight sensing system), restraint system control unit, left side air bag sensor, right side air bag sensor, passenger-side frontal acceleration sensor, driver-side frontal acceleration sensor, driver door pressure sensor, front passenger door pressure sensor, driver seat belt buckle & seat belt warning switch, front passenger seat belt buckle & seat belt warning switch

Электросхема подключение массы заземления (2 из 2) для Mercedes-Benz ML350 2010

Электросхема подключение массы заземления (2 из 2) для Mercedes-Benz ML350 2010 - Список элементов:

  • Ata (edw) hood switch, hcs (sra) pump, coolant circulation pump, left front fog lamp, left front lamp unit, vacuum pump relay (-) (hybrid), electric refrigerant compressor control unit (hybrid), high volt battery cooling system shutoff valve (hybrid) & front evaporator shutoff valve (hybrid)
  • Battery & battery sensor (hybrid)
  • Cdi control module (3.0l turbo & 3.5l hybrid) & power electronics control unit (hybrid)
  • Dc/dc converter control unit
  • Electric air pump (hybrid),
  • Electric suction fan engine & ac with integrated control (3.0l turbo, 3.5l & 3.5l hybrid)
  • Electrohydraulic power steering (3.0l turbo & 3.5l hybrid)
  • Esp control unit (except hybrid) & regenerative braking system control unit (hybrid)
  • High voltage battery module
  • Left second row seat heated cushion (gl-class), left second row backrest heated cushion (gl-class), right second row seat heated cushion (gl-class), right second row backrest heated cushion (gl-class) & fuel pump control unit (hybrid)
  • Nca
  • Overhead control panel control module
  • Ptc heater booster (if equipped)
  • Radio antenna interference filter
  • Radio interference suppression capacitor 1, cylinder 1 ignition coil, cylinder 2 ignition coil, cylinder 3 ignition coil, cylinder 4 ignition coil (4.6l & 5.5l) & electric air pump (3.5l)
  • Radio interference suppression capacitor 2, cylinder 4 ignition coil (except 3.0l turbo) (3.5l hybrid & 4.6l), cylinder 5 ignition coil (3.5l & except 3.0l turbo), (3.5l hybrid & 4.6l), cylinder 6 ignition coil (3.5l & except 3.0l turbo), (3.5l hybrid & except 3.0l turbo), cylinder 7 ignition coil (5.5l & 4.6l) & cylinder 8 ignition coil (5.5l & 4.6l)
  • Right antenna coil, heated rear window, left antenna coil 2 & left antenna coil 1 (ml-class)
  • Right front reversible emergency tensioning retractor, right fuel pump, hs(sih), seat ventilation & steering wheel heater control unit (ml-class), tpm (rdk) control module (ml-class), load compartment fuse & relay box (ml-class), right rear brake pad contact sensor (ml-class), left second row side bag squib (ml-class), rear sam control module (ml-class), right rear power window switch (ml-class), right rear power door cl (zv) motor (ml-class), right rear door entrance & exit lamp (ml-class), right rear door inside handle illumination (ml-class), circuit 31 right rear seat voltage distributor connector (ml-class), circuit 31 right footwell voltage distributor connector (ml-class), right second row side air bag ignition squib (ml-class), illuminated door sill molding actuation module led (if equipped), high voltage battery module (ml-class w/ hybrid) & fuel filler flap switch (ml-class w/ hybrid)
  • W10 (under front passenger's seat)
  • W10/14 (3.5l hybrid)
  • W11 (right front of engine)
  • W11/4 (3.5l hybrid) (attached to generator)
  • W11w1 (except 3.0l turbo) (ml-class: rear of right cylinder bank) (gl-class 4.6l & 5.5l: right rear of engine)
  • W11w2 (except 3.0l (turbo)) (ml-class: rear of left cylinder bank) (gl-class: left rear of engine)
  • W16/4 (gl-class: right rear engine compt)
  • W17 (ml-class: under right rear seat) (gl-class: under right seat of 2nd row)
  • W17/3 (ml-class: under right rear seat)
  • W2/1 (in right front wheelwell)
  • W29/8 (top of left "d" pillar)
  • W3/9 (3.5l hybrid)
  • W30/4
  • W33/4 (3.5l hybrid)
  • W42 (3.5l hybrid)
  • W48/3 (right rear of cargo area)
  • W51/2 (3.5l hybrid) (ml-class: under vehicle, right rear of engine, above steering gear)
  • W52/7
  • W6/6 (left rear of cargo area floor)
  • W70 (left front of engine compt)
  • W8/1 (top left side of tailgate)
  • W9 (left side of engine compt)

Звуковой сигнал Гудок

Электросхема звукового сигнал Гудка для Mercedes-Benz ML350 2010

Электросхема звукового сигнал Гудка для Mercedes-Benz ML350 2010 - Список элементов:

  • (at right kick panel) w29/2
  • (under right front seat) front sam control unit
  • A45
  • Anst
  • Can-b h
  • Can-b l
  • Can-c-h
  • Can-c-l
  • Computer data lines system
  • Engine compartment fuse & relay box (right side of engine compt)
  • Expect 3.5l hybrid
  • Fanfare horn relay
  • Fanfare horns & air bag clock spring contact (ml-class: inside steering wheel hub)
  • Front prefuse (right rear of engine compt)
  • Fuse 100a
  • Fuse 15a
  • Hot at all times
  • Hot w/ circuit 15 relay energized
  • Hs (sih) seat ventilation & steering wheel heater control unit (if equipped) (under left seat of 2nd seat row)
  • Left fanfare horn (ml-class: behind center of front bumper) (gl-class: center front of engine compt)
  • Lhz
  • Mr3
  • Red
  • Right fanfare horn (ml-class: behind center of front bumper) c1 (gl-class: center front of engine compt)
  • Steering column module (gl-class: behind steering wheel) (ml-class: top of steering column)
  • Steering wheel heater/ horns electronics (if equipped)
  • W/ customer option
  • W/o customer option
  • W2 (gl-class: right side of engine compartment) (ml-class: behind right headlight)
  • X18-c2
  • X25-2-c2

Магнитола Мультимедия

схема приведения в действие COMAND для Mercedes-Benz ML350 2010

схема приведения в действие COMAND для Mercedes-Benz ML350 2010 - Список элементов:

  • (not used)
  • (pin 5-8 not used)
  • (top of left "d" pillar) w29/8
  • (w/o sound system)
  • Ant
  • Can-b h
  • Can-b l
  • Circuit 31 left rear seat voltage distributor connector
  • Comand operating, display & control module
  • Computer data lines system
  • Emergency call system control unit (under left seat of 2nd seat row)
  • Fm rear window antenna amplifier (left side of tailgate)
  • Fuse 20a
  • Fuse 5a
  • Gnd
  • Gps
  • Gps antenna splitter (under left seat of 2nd seat row)
  • Hands-free system microphone group (ml-class: part of rearview mirror unit)
  • Hl (+)
  • Hl (-)
  • Hot at all times
  • Hr (+)
  • Hr (-)
  • Interface connector 2 (if equipped)
  • Keyless go control unit (right front of cargo area)
  • Left front door speaker
  • Left front door tweeter
  • Left rear door speaker
  • Left rear door tweeter
  • Load compartment fuse & relay box (right rear of cargo area)
  • Media
  • Most
  • Most in
  • Most out
  • Mute
  • Nca
  • Pnk
  • Radio antenna interference filter
  • Rear camera circuit
  • Rear sam control module (right rear of cargo area)
  • Red
  • Right front door speaker
  • Right front door tweeter
  • Right rear door speaker
  • Right rear door tweeter
  • Roof antenna module (center rear of roof)
  • Sig
  • Sound systems
  • Vl (+)
  • Vl (-)
  • Vr (+)
  • Vr (-)
  • W/o high-definition tuner
  • W17/1 (gl-class: under left seat of 2nd seat row) (ml-class: under left rear seat)
  • Wake up
  • Walkman separation point (if equipped)
  • X18/2-c3
  • X18/67
  • X35/1
  • X35/2
  • X35/3
  • X35/4

Электросхема DVD плеера для Mercedes-Benz ML350 2010

Электросхема DVD плеера для Mercedes-Benz ML350 2010 - Список элементов:

  • (-)
  • (under left seat of 2nd seat row) w17/1
  • Can-a h
  • Can-a l
  • Can-b h
  • Can-b l
  • Comand operating, display & control module
  • Computer data lines system
  • Dvd player
  • Fuse 10a
  • Hot at all times
  • Left rear display
  • Load compartment fuse & relay box (right rear of cargo area)
  • Nca
  • Red
  • Right rear display
  • Shield
  • X55/3-c5
  • X55/3-c6
  • X55/4-c5
  • X55/4-c6

БОЛЬШАЯ ЧАСТЬ схемы шины данных для Mercedes-Benz ML350 2010

БОЛЬШАЯ ЧАСТЬ схемы шины данных для Mercedes-Benz ML350 2010 - Список элементов:

  • C15b
  • Cockpit fuse box (behind right end of dash)
  • Comand operating, display & control module
  • Fiber optical cable connector (most)
  • Fuse 5a
  • High-definition tuner control unit (w/ sdar)
  • Hot at all times
  • Media interface control unit (if equipped)
  • Most
  • Most in
  • Most out
  • Sound system amplifier (if equipped) (gl-class: under driver's seat)
  • W29/2 (at right kick panel)
  • Wake up
  • Wake up signal/ circuit 58d voltage distributor connector
  • X18

задняя аудио схема для Mercedes-Benz ML350 2010

задняя аудио схема для Mercedes-Benz ML350 2010 - Список элементов:

  • (info not available)
  • Antenna
  • Circuit 31 left rear seat voltage distributor connector
  • Comand operating display & control module
  • Fuse 10a
  • Gnd
  • Hot at all times
  • Load compartment fuse & relay box (right rear of cargo area)
  • Nca
  • Nf-l
  • Nf-r
  • Rcp (hbf) control module
  • Rear audio control unit (under rear of driver's seat)
  • Red
  • W/ universal portable ctel interface
  • W/o telephone
  • W/o universal portable ctel interface
  • W17/1 (under left seat of 2nd seat row)
  • X29/6-c1

Электросхема спутникового радио для Mercedes-Benz ML350 2010

Электросхема спутникового радио для Mercedes-Benz ML350 2010 - Список элементов:

  • Ant
  • Circuit 31 left rear seat voltage distributor connector
  • Fm rear window antenna amplifier (ml-class: left side of tailgate)
  • Fuse 7.5a
  • High-definition tuner control unit
  • Hot at all times
  • Load compartment fuse & relay box (right rear of cargo area)
  • Most
  • Most data bus circuit
  • Most in
  • Most out
  • Nca
  • Roof antenna module (center rear of roof)
  • Shield
  • W17/1 (under left seat of 2nd seat row)
  • Wake up

звуковая схема усилителя для Mercedes-Benz ML350 2010

звуковая схема усилителя для Mercedes-Benz ML350 2010 - Список элементов:

  • Center cockpit speaker (centerfill)
  • Emergency call system control unit (if equipped) (under left seat of 2nd seat row)
  • Fuse 30a
  • Hl (+)
  • Hl (-)
  • Hot at all times
  • Hr (+)
  • Hr (-)
  • Left front door speaker
  • Left front door tweeter
  • Left rear door speaker
  • Left rear door tweeter
  • Left rear surround loudspeaker
  • Load compartment fuse & relay box (right rear of cargo area)
  • Most
  • Most data bus circuit
  • Most in
  • Most out
  • Mute
  • Nca
  • Red
  • Right front door speaker
  • Right front door tweeter
  • Right rear door speaker
  • Right rear door tweeter
  • Right rear surround loudspeaker
  • Sound system amplifier (gl-class: under driver's seat)
  • Srl (+)
  • Srl (-)
  • Srr (+)
  • Srr (-)
  • Subwoofer
  • Subwoofer amplifier
  • Sw (+)
  • Sw (-)
  • Vl (+)
  • Vl (-)
  • Vm (+)
  • Vm (-)
  • W15/2 (under left front footwell)
  • Wake up
  • X18
  • X35/1
  • X35/2
  • X35/3
  • X35/4

Навигация GPS Парктроники

схема приведения в действие COMAND для Mercedes-Benz ML350 2010

схема приведения в действие COMAND для Mercedes-Benz ML350 2010 - Список элементов:

  • (not used)
  • (pin 5-8 not used)
  • (top of left "d" pillar) w29/8
  • (w/o sound system)
  • Ant
  • Can-b h
  • Can-b l
  • Circuit 31 left rear seat voltage distributor connector
  • Comand operating, display & control module
  • Computer data lines system
  • Emergency call system control unit (under left seat of 2nd seat row)
  • Fm rear window antenna amplifier (left side of tailgate)
  • Fuse 20a
  • Fuse 5a
  • Gnd
  • Gps
  • Gps antenna splitter (under left seat of 2nd seat row)
  • Hands-free system microphone group (ml-class: part of rearview mirror unit)
  • Hl (+)
  • Hl (-)
  • Hot at all times
  • Hr (+)
  • Hr (-)
  • Interface connector 2 (if equipped)
  • Keyless go control unit (right front of cargo area)
  • Left front door speaker
  • Left front door tweeter
  • Left rear door speaker
  • Left rear door tweeter
  • Load compartment fuse & relay box (right rear of cargo area)
  • Media
  • Most
  • Most in
  • Most out
  • Mute
  • Nca
  • Pnk
  • Radio antenna interference filter
  • Rear camera circuit
  • Rear sam control module (right rear of cargo area)
  • Red
  • Right front door speaker
  • Right front door tweeter
  • Right rear door speaker
  • Right rear door tweeter
  • Roof antenna module (center rear of roof)
  • Sig
  • Sound systems
  • Vl (+)
  • Vl (-)
  • Vr (+)
  • Vr (-)
  • W/o high-definition tuner
  • W17/1 (gl-class: under left seat of 2nd seat row) (ml-class: under left rear seat)
  • Wake up
  • Walkman separation point (if equipped)
  • X18/2-c3
  • X18/67
  • X35/1
  • X35/2
  • X35/3
  • X35/4

схема экстренного вызова для Mercedes-Benz ML350 2010

схема экстренного вызова для Mercedes-Benz ML350 2010 - Список элементов:

  • (gl-class: under left seat of 2nd seat row) (ml-class: under left rear seat) w17/1
  • (or nca)
  • 15r
  • Ant
  • Can-d h
  • Can-d l
  • Center cockpit speaker (centerfill)
  • Circuit 31 left rear seat voltage distributor connector
  • Comand actuation circuit
  • Comand operating display & control module (w/o sound system) sound system amplifier (w/ sound system) (gl-class w/ sound system: under driver's seat)
  • Computer data lines system
  • Crash
  • Ec led
  • Ecs
  • Emergency call system control unit (under left seat of 2nd seat row)
  • Front sam control unit (under right front seat)
  • Fuse 5a
  • Gps antenna
  • Gps antenna splitter (under left seat of 2nd seat row)
  • Hot at all times
  • Hot w/ circuit 15r relay energized
  • Ic led
  • Ics
  • Load compartment fuse & relay box (right rear of cargo area)
  • Lsp +
  • Lsp -
  • Mb-info & telediagnosis button group
  • Mic 1
  • Mic gnd
  • Mute
  • Nca
  • Pnk
  • Red
  • Restraint systems control module (under center console)
  • Roof antenna module (center rear of roof)
  • Sos pushbutton switch
  • Tdc led
  • Tele aid antenna
  • Tele aid spare antenna (in right "d" pillar)
  • Tele phone antenna
  • W/ sound system
  • W/o sound system
  • Wake-up signal/ circuit 58d voltage distributor connector
  • X18
  • X18/2-c2
  • X29/6-c3

схема Parktronic для Mercedes-Benz ML350 2010

схема Parktronic для Mercedes-Benz ML350 2010 - Список элементов:

  • (+) sh
  • (+) sv
  • (-) sh
  • (-) sv
  • Can-b h
  • Can-b l
  • Center left front pts ultrasonic sensor (ml-class: left side of front bumper)
  • Center right front pts ultrasonic sensor (ml-class: right side of front bumper)
  • Circuit 31 left footwell voltage distributor connector 1
  • Computer data lines system
  • Data
  • Fuse 5a
  • Hot at all times
  • Inner left front pts ultrasonic sensor (ml-class: left center of front bumper)
  • Inner left rear pts ultrasonic sensor (ml-class: left side of rear bumper)
  • Inner right front pts ultrasonic sensor (ml-class: right center of front bumper)
  • Inner right rear pts ultrasonic sensor (ml-class: right side of rear bumper)
  • Instrument panel driver side pts warning indicator
  • Load compartment fuse & relay box (right rear of cargo area)
  • Outer left front pts ultrasonic sensor (ml-class: left corner of front bumper)
  • Outer left rear pts ultrasonic sensor (ml-class: left corner of rear bumper)
  • Outer right front pts ultrasonic sensor (ml-class: right corner of front bumper)
  • Outer right rear pts ultrasonic sensor (ml-class: right corner of rear bumper)
  • Pnk
  • Pts control module (under left front seat)
  • Rear dome lamp pts warning indicator
  • Red
  • S1 v
  • S10 h
  • S2 v
  • S3 v
  • S4 v
  • S5 v
  • S6 v
  • S7 h
  • S8 h
  • S9 h
  • W15/2 (under left front footwell)
  • X18
  • X18/2
  • X25/2-c2
  • X26/36
  • X35/28

Электросхема камеры заднего вида для Mercedes-Benz ML350 2010

Электросхема камеры заднего вида для Mercedes-Benz ML350 2010 - Список элементов:

  • (at right "d" pillar) (gl-class) w7 w17/1 (ml-class) (under left rear seat)
  • (ml-class) circuit 31 left rear seat voltage distributor connector (gl-class) circuit 31 right wheelhouse luggage compartment voltage distributor connector
  • Backup camera (gl-class: center of tailgate)
  • Comand operating, display & control module
  • Exterior lights system
  • Fuse 5a
  • Hot at all times
  • Load compartment fuse & relay box (right rear of cargo area)
  • Video gnd
  • Video out

Подогрев стекол и зеркал

Электросхема подогрева зеркал заднего вида для Mercedes-Benz ML350 2010

Электросхема подогрева зеркал заднего вида для Mercedes-Benz ML350 2010 - Список элементов:

  • Can b h
  • Can b l
  • Computer data lines system
  • Fuse 25a
  • Hot at all times
  • Left electrically adjustable & heated outside mirror
  • Left front door control module (in left front door)
  • Load compartment fuse & relay box (right rear of cargo area)
  • Mirror heater
  • Red
  • Right electrically adjustable & heated outside mirror
  • Right front door control module (in right front door)
  • Sh(+)
  • Sh(-)
  • W15/1 (under right front footwell)
  • W15/2 (under left front footwell)
  • X35/1
  • X35/2

Электросхема заднего стекла для Mercedes-Benz ML350 2010

Электросхема заднего стекла для Mercedes-Benz ML350 2010 - Список элементов:

  • (not
  • Aac (kla) control & operating unit (w/o thermotronic) comfort aac (kla) control & operating unit (w/ thermotronic)
  • Battery compartment prefuse box (under right front seat)
  • C82
  • Can-b h
  • Can-b l
  • Computer data lines system
  • Fuse 100a
  • Fuse 30a
  • Gl- class
  • Heated rear window
  • Heated rear window relay
  • Hot at all times
  • Left antenna coil 1
  • Left antenna coil 2
  • Load compartment fuse & relay box (right rear of cargo area)
  • Ml- class
  • Rear sam control module (right rear of cargo area)
  • Rear window defroster switch
  • Red
  • Right antenna coil
  • Used)
  • W8/1 (left side of tailgate)
  • W8/1 (top left side of tailgate)

ПОДУШКИ БЕЗОПАСНОСТИ AIR BAG

аварийная схема механизмов натяжения ремня безопасности для Mercedes-Benz ML350 2010

аварийная схема механизмов натяжения ремня безопасности для Mercedes-Benz ML350 2010 - Список элементов:

  • Can-c h
  • Can-c l
  • Computer data lines system
  • Fuse 40a
  • Hot at all times
  • Left front reversible emergency tensioning retractor (base of left "b" pillar)
  • Load compartment fuse & relay box (right rear of cargo area)
  • Red
  • Right front reversible emergency tensioning retractor (base of right "b" pillar)
  • W17 (ml-class: under right rear seat) (gl-class: under right seat of 2nd row)
  • W17/1 (ml-class: under left rear seat) (gl-class: under left seat of 2nd row)

Электросхема подушек безопасности SRS AirBag (1 из 3) для Mercedes-Benz ML350 2010

Электросхема подушек безопасности SRS AirBag (1 из 3) для Mercedes-Benz ML350 2010 - Список элементов:

  • (+)
  • (-)
  • (except 3.0l) me-sfi control module (3.0l) cdi control module
  • 15r
  • 3.0l
  • Battery compartment prefuse box (under right front seat)
  • C83
  • C84
  • Cak bf
  • Cak fa
  • Can c h
  • Can c l
  • Can-b h
  • Can-b l
  • Circuit 31 left wheelhouse luggage compartment voltage distributor connector (gl-class) circuit 31 right rear seat voltage distributor connector (ml-class)
  • Circuit 31 right footwell voltage distributor connector
  • Computer data lines system
  • Crash
  • Data
  • Except 3.0l
  • Fuse 10a
  • Fuse 5a
  • Fuse 7.5a
  • Gkb bf
  • Gkb fa
  • Gl-class
  • Gs 3l
  • Gs 3r
  • Gs bf
  • Gs fa
  • Gs hl
  • Gs hr
  • Hot at all times
  • Hot in run or start
  • Left 2nd row side air bag ignition squib (ml-class: in seat back of left seat of 2nd seat row) (gl-class: in outer side of seat back)
  • Left front wss sensor (under left front corner of front passenger seat)
  • Left rear wss sensor (under left rear corner of front passenger seat)
  • Load compartment fuse & relay box (right rear of cargo area)
  • Ml-class
  • Mounting bolt) (gl-class: under front of center console) w26
  • Pnk
  • Pyrotechnical separator (3.5l hybrid) (ml-class: right front footwell)
  • Red
  • Restraint systems control module (under center console)
  • Right 2nd row etr (gus) squib (in right "c" pillar)
  • Right 2nd row side air bag ignition squib (ml-class: in seat back of right seat of 2nd seat row) (gl-class: in outer side of seat back)
  • Right front wss sensor (under right front corner of front passenger seat)
  • Right rear wss sensor (under right rear corner of front passenger seat)
  • Right side air bag ignition squib (ml-class: in front passenger seatback) (gl-class: in outer side of seat back)
  • Sb bf
  • Sb fa
  • Sf bf
  • Sf fa
  • Sig
  • Ss bf
  • Ss fa
  • W15/1 (under right front footwell)
  • W17/3 (ml-class: under right rear seat)
  • W26 (ml-class: under center console, on srs mounting bolt) (gl-class: under front of center console)
  • Wb l
  • Wb r
  • Weight sensing system (wss) control unit (gl-class: under front passenger's seat) (ml-class: on right front seat frame)
  • X25/2-c1
  • X55/4-c2
  • X55/4-c2a
  • X55/6-c2
  • X55/6-c4

Электросхема подушек безопасности SRS AirBag (2 из 3) для Mercedes-Benz ML350 2010

Электросхема подушек безопасности SRS AirBag (2 из 3) для Mercedes-Benz ML350 2010 - Список элементов:

  • Circuit 31 left footwell voltage distributor connector
  • Driver belt force limiter (base of left "b" pillar)
  • Driver door pressure sensor (in driver door)
  • Driver neck-pro head restraint solenoid (if equipped) (gl-class: inside driver's head restraint)
  • Driver seat buckle etr squib (near base of driver seat belt buckle assembly)
  • Driver's side air bag squib (gl class: in outer side of seat back) (ml-class: in driver seat back)
  • Emergency call system control unit (if equipped) (under left seat of 2nd row)
  • Front passenger belt force limiter (base of right "b" pillar)
  • Front passenger door pressure sensor (in right front door)
  • Front passenger neck-pro head restraint solenoid (if equipped) (gl-class: inside front passenger head restraint)
  • Front passenger seat buckle etr squib (near base of front passenger seat belt buckle assembly)
  • Left 2nd row etr (gus) squib (in left "c" pillar)
  • Left 3rd row etr squib (gl-class) (on left "d" pillar)
  • Left rear door pressure sensor (in left rear door)
  • Left window air bag squib (behind left side of dash)
  • Nca
  • Pnk
  • Right 3rd row etr squib (gl-class) (on right "d" pillar)
  • Right rear door pressure sensor (in right rear door)
  • Right window air bag squib (behind right side of dash)
  • W15/2 (under left front footwell)
  • W26 (ml-class: under center console, on srs mounting bolt) (gl-class: under front of center console)
  • X35/1
  • X35/2
  • X35/3
  • X35/4
  • X55/3-c2
  • X55/3-c2a
  • X55/4-c2
  • X55/4-c2a

Электросхема подушек безопасности SRS AirBag (3 из 3) для Mercedes-Benz ML350 2010

Электросхема подушек безопасности SRS AirBag (3 из 3) для Mercedes-Benz ML350 2010 - Список элементов:

  • (behind right side of dash) front passenger air bag ignition squib 2
  • (behind steering wheel) steering column module
  • (if equipped) driver knee bag ignition squib
  • (in steering wheel) driver air bag ignition squib 1
  • (in steering wheel) driver air bag ignition squib 2
  • (under center console) restraint systems control module
  • Ab1 bf
  • Ab1 fa
  • Ab2 bf
  • Ab2 fa
  • Air bag indicator & warning lamp
  • Computer data lines system
  • D3 x25/2-c1
  • Driver seat belt buckle & seat belt warning switch (in driver seat belt buckle assembly)
  • Driver's side frontal acceleration sensor (left front of engine compt)
  • Fanfare horns & airbag clock spring contact (gl-class: top of steering column) (ml-class: inside steering wheel hub)
  • Front passenger air bag ignition squib 1 (behind right side of dash)
  • Front passenger seat belt buckle & seat belt warning switch (in front passenger seat belt buckle assembly)
  • Instrument cluster
  • J4 x25/2-c2
  • Left side air bag sensor (ml-class: base of left "b" pillar)
  • Nca
  • Passenger's side frontal acceleration sensor (right front of engine compt)
  • Pnk
  • Right side air bag sensor (ml-class: base of right "b" pillar)
  • Seat belt warning lamp ind
  • W26 (ml-class: under center console, on srs mounting bolt) (gl-class: under front of center console)
  • X25/2-c1
  • X25/2-c2
  • X55/3-c2
  • X55/3-c2b
  • X55/4-c2
  • X55/4-c2b
  • X99/15
  • X99/17

ПРЕДУПРЕЖДАЮЩИЕ СИСТЕМЫ

схема предупреждения ремня безопасности для Mercedes-Benz ML350 2010

схема предупреждения ремня безопасности для Mercedes-Benz ML350 2010 - Список элементов:

  • (under right rear seat) (ml-class) w17
  • Audible turn signal ind
  • Battery compartment prefuse box (under right front seat)
  • Bbv hr
  • Bbv vr
  • Brake fluid & parking brake warning lamp
  • Brake fluid indicator switch (in brake fluid reservoir)
  • C88
  • Can-b h
  • Can-b l
  • Can-c h
  • Can-c l
  • Circuit 31 left footwell voltage distributor connector 1
  • Circuit 31 right wheelhouse luggage compartment voltage distributor connector (gl-class) circuit 31 right rear seat voltage distributor connector (ml-class)
  • Computer data lines system
  • Driver seat belt buckle & seat belt warning switch (in driver's seat belt buckle assembly)
  • Front sam control unit (under right front seat)
  • Fuse 7.5a
  • Fuse 70a
  • H6 x25/2-c2
  • Hot at all times
  • Hot w/ circuit 15 relay energized
  • Instrument cluster
  • Load compartment fuse & relay box (right rear of cargo area)
  • Multi-function display
  • Nca
  • Parking brake indicator switch (gl-class: under left end of dash) (ml-class: left front footwell)
  • Red
  • Regenerative braking system indicator (3.5l hybrid)
  • Restraints system control module (under center console)
  • Right front brake pad contact sensor (on right front brake assembly)
  • Right rear brake pad contact sensor (on right rear brake assembly)
  • Seat belt warning lamp
  • W15/1 (under right front footwell)
  • W15/2 (under left front footwell)
  • W2 (ml-class: behind right headlight) (gl-class: right side of engine compt)
  • W26 (under center console, on srs mounting bolt)
  • W29/2 (behind right kick panel)
  • W7 (gl-class) (at right "d" pillar)
  • Warning buzzer
  • X25/2-c1
  • X55/3-c2
  • X55/3-c2b
  • X62/33-ca
  • X62/36

Электросхема системы контроля давления в шинах, Дорестайлинг для Mercedes-Benz ML350 2010

Электросхема системы контроля давления в шинах, Дорестайлинг для Mercedes-Benz ML350 2010 - Список элементов:

  • (at right "d" pillar) w7
  • (under right rear seat) w17/3
  • Can-b h
  • Can-b l
  • Central tpm (rdk) antenna (under right center of vehicle)
  • Circuit 31 right rear seat voltage distributor connector
  • Circuit 31 right wheelhouse luggage compartment voltage distributor connector
  • Computer data lines system
  • Data
  • Fuse 7.5a
  • Gl-class
  • Hot at all times
  • Hot w/ circuit 15 relay energized
  • Instrument cluster
  • Left front tpm (rdk) wheel sensor (in left front wheel assembly)
  • Left rear tpm (rdk) wheel sensor (in left rear wheel assembly)
  • Load compartment fuse & relay box (right rear of cargo area)
  • Ml-class
  • Msl
  • Red
  • Right front tpm (rdk) wheel sensor (in right front wheel assembly)
  • Right rear tpm (rdk) wheel sensor (in right rear wheel assembly)
  • Tire pressure monitor warning lamp (if equpped)
  • Tpm control module (ml-class: right side of cargo area) (gl-class: attached to load compartment fuse & relay box)
  • W29/2 (behind right kick panel)

Электросхема системы контроля давления в шинах, Посол Рестайлинга для Mercedes-Benz ML350 2010

Электросхема системы контроля давления в шинах, Посол Рестайлинга для Mercedes-Benz ML350 2010 - Список элементов:

  • (at left "d" pillar) w6
  • (behind trim, left rear of cargo area) (except 3.5l hybrid) w6
  • C11a
  • Can b h
  • Can b l
  • Can-c h
  • Can-c l
  • Circuit 31 left wheelhouse luggage compartment voltage distributor connector
  • Cockpit fuse box (behind right end of dash)
  • Computer data lines system
  • Fuse 5a
  • Fuse 7.5a
  • Gl-class
  • Hot at all times
  • Instrument cluster
  • Left front tire pressure wheel sensor (in left front wheel assembly)
  • Left rear tpm (rdk) wheel sensor (in left rear wheel assembly)
  • Load compartment fuse & relay box (right rear of cargo area)
  • Ml-class
  • Red
  • Right front tpm (rdk) wheel sensor (in right front wheel assembly)
  • Right rear tpm (rdk) wheel sensor (in right rear wheel assembly)
  • Tire pressure monitor warning lamp
  • Tpm control module (ml-class: right side of cargo area) (gl-class: attached to load compartment fuse & relay box)
  • W29/2 (behind right kick panel)
  • W6/6 (3.5l hybrid) (left rear of cargo area)
  • X1/60

ПРИБОРНАЯ ПАНЕЛЬ

Электросхема панели приборов (1 из 2) для Mercedes-Benz ML350 2010

Электросхема панели приборов (1 из 2) для Mercedes-Benz ML350 2010 - Список элементов:

  • "check engine" mil indicator
  • Abs indicator lamp
  • Air bag indicator & warning lamp
  • Ata (edw) function indicator
  • Audible turn signal indicator
  • Automatic child seat recognition air bag off indicator lamp
  • Brake fluid & parking brake warning lamp indicator
  • Bright instrument & controls illumination button
  • Brightness sensor
  • C11a
  • C13b
  • C15a
  • Can b h
  • Can b l
  • Can-b h
  • Can-b l
  • Can-c h
  • Can-c l
  • Cockpit fuse box (behind right end of dash)
  • Comfort/sport switch (ads) (if equipped)
  • Computer data lines system
  • Differential lock thumb wheel
  • Dim instrument & controls illumination button
  • Downhill speed regulation switch
  • Downhill speed regulation switch (w/o offroad package)
  • Driver seat belt buckle & seat belt warning switch (in driver's seat belt buckle)
  • Electronic clock
  • Electronic compass (behind instrument cluster)
  • Electronic speedometer
  • Esp off switch
  • Esp warning lamp indicator
  • Front passenger seat belt buckle & seat belt warning switch (in right front seat belt buckle)
  • Fuel level & reserve gage
  • Fuel reserve indicator lamp
  • Fuse 5a
  • Fuse 7.5a
  • Hazard warning system switch
  • High beam indicator lamp
  • Hot at all times
  • Hot in on or start
  • Instrument cluster
  • Instrument illumination
  • Left front hs (sih) switch
  • Left front seat ventilation switch
  • Left turn signal indicator lamp
  • Level adjustment high switch
  • Level adjustment low switch
  • Level adjustment switch (w/o offroad package)
  • Level control function indicator
  • Lin
  • Load compartment fuse & relay box (right rear of cargo area)
  • Low beam indicator lamp
  • Low range switch
  • Lower control panel control unit
  • Multi-function display indicator
  • Nca
  • Offroad program switch (w/o offroad package)
  • Pnk
  • Power indicator (hybrid)
  • Preglow indicator lamp
  • Red
  • Refueling safety detection switch (hybrid)
  • Regenerative braking system indicator lamp (hybrid)
  • Right front hs (sih) switch
  • Right front seat ventilation switch
  • Right turn signal indicator lamp
  • Rotary light switch
  • Seat belt warning lamp
  • Tachometer
  • Tire pressure monitor warning lamp indicator (if equipped)
  • Trip odometer reset button
  • Upper control panel control unit
  • W29/2 (at right kick panel)
  • Warning buzzer
  • X55/3-2b
  • X55/3-c2
  • X55/4-2b
  • X55/4-c2

Электросхема панели приборов (2 из 2) для Mercedes-Benz ML350 2010

Электросхема панели приборов (2 из 2) для Mercedes-Benz ML350 2010 - Список элементов:

  • (gl-class: in coolant reservoir)
  • (gl-class: under
  • (ml-class: left front footwell)
  • (ml-class: left side of engine compt)
  • (on right rear
  • Bbv hr
  • Bbv vr
  • Brake assembly)
  • Brake fluid indicator switch (in brake fluid reservoir)
  • Can-b h
  • Can-b l
  • Can-c h
  • Can-c l
  • Circuit 31 left footwell voltage distributor connector 1
  • Circuit 31 right wheelhouse luggage compartment voltage distributor connector (gl-class) circuit 31 right rear seat voltage distributor connector (ml-class)
  • Computer data lines system
  • Coolant level
  • Except hybrid
  • Front sam control unit (under front passenger's seat)
  • Fuel level sensor
  • Hybrid
  • Indicator switch
  • Left
  • Left end of dash)
  • Left fuel level sensor (gl class: in left side of fuel tank) (ml class: under left seat of 2nd seat row)
  • Nca
  • Pad contact sensor
  • Parking brake
  • Pnk
  • Rear sam control module (right rear of cargo area)
  • Restraints system control module (under center console)
  • Right
  • Right front brake pad contact sensor (on right front brake assembly)
  • Right fuel level sensor (gl class: in right side of fuel tank) (ml class: under right seat of 2nd seat row)
  • Right rear brake
  • Tg+l
  • Tg+r
  • Tg-
  • W15/2 (under left front footwell)
  • W17 (ml-class) (under right rear seat)
  • W17/3 (ml class: under right rear seat)
  • W2 (gl class: right side of engine compt) (ml class: behind right headlight)
  • W26 (ml-class: under center console, on srs mounting bolt) (gl-class: under front of center console)
  • W7 (gl-class) (at right "d" pillar)
  • X18/3-c1
  • X25/2-c1
  • X25/2-c2
  • X25/4
  • X62/33-a
  • X62/36

Электросхема верхней консоли управления для Mercedes-Benz ML350 2010

Электросхема верхней консоли управления для Mercedes-Benz ML350 2010 - Список элементов:

  • (+)
  • (-)
  • (not used)
  • 15r
  • 1st seat row interior lamp switch
  • 1st seat row left interior lamp
  • 1st seat row left reading lamp switch
  • 1st seat row right interior lamp
  • 1st seat row right reading lamp switch
  • 58d
  • Ambient lamp
  • Automatic dimming mirror
  • Can-b h
  • Can-b l
  • Computer data lines system
  • Data
  • Door contact on & off switch
  • Edw
  • Fuse 25a
  • Garage door opener indicator lamp
  • Garage door opener pushbutton 1
  • Garage door opener pushbutton 2
  • Garage door opener pushbutton 3
  • Garage door opener transmitter unit
  • Garage door opener transmitter unit (gl-class: integral to interior rearview mirror unit)
  • Gnd
  • H (+)
  • H (-)
  • H sig 1
  • H sig 2
  • Hands-free system microphone group
  • Hot at all times
  • Interior lights system
  • Interior rearview mirror unit
  • Ki58
  • Ld+
  • Ld-
  • Left reading lamp
  • Ll l
  • Ll r
  • Load compartment fuse & relay box (right rear of cargo area)
  • Nca
  • Overhead control panel control module
  • Power tops system
  • Rain/light sensor (gl-class: top center of windshield)
  • Rear dome lamp switch
  • Red
  • Right reading lamp
  • Roof switch
  • Ta li
  • Ta re
  • W48/3 (right rear of cargo area)

ПРИВОД ЗЕРКАЛ

Электросхема автозатемнения зеркала заднего вида для Mercedes-Benz ML350 2010

Электросхема автозатемнения зеркала заднего вида для Mercedes-Benz ML350 2010 - Список элементов:

  • (gl-class: integral to interior rearview mirror unit) garage door opener transmitter unit
  • (if equipped) automatic dimming mirror
  • (under left front footwell) w15/2
  • 15r
  • 58d
  • Ambient lamp
  • Automatic dimming mirror
  • Can-b h
  • Can-b l
  • Computer data lines system
  • Data
  • Fuse 25a
  • Garage door opener button
  • Garage door opener indicator lamp
  • Gnd
  • Hands-free system microphone group
  • Hot at all times
  • Interior rearview mirror unit
  • Left electrically adjustable & heated outside mirror
  • Left front door control module (in left front door)
  • Left reading lamp
  • Ll l
  • Ll r
  • Load compartment fuse & relay box (right rear of cargo area)
  • Nca
  • Overhead control panel control unit
  • Rain/light sensor (gl-class: top center of windshield)
  • Red
  • Right reading lamp
  • Sig
  • W48/3 (right rear of cargo area)
  • X35/1

Электросхема привода зеркал для Mercedes-Benz ML350 2010

Электросхема привода зеркал для Mercedes-Benz ML350 2010 - Список элементов:

  • (+)
  • (under left front footwell) w15/2
  • (under right front footwell) w15/1
  • Adjustment motor
  • Automatic dimming mirror (if equipped)
  • C3a
  • Can-b h
  • Can-b l
  • Computer data lines system
  • Driver power window & outside mirror adjustment switch group
  • Fuse 25a
  • Gnd
  • Hot at all times
  • Led
  • Led 31
  • Left blind spot assist readiness & warning indicator (if equipped)
  • Left electrically adjustable & heated outside mirror
  • Left front door control module (in left front door)
  • Left front power window switch
  • Left outside mirror adjustment selection switch (mirror fold out)
  • Left outside mirror ambient lamp (if equipped)
  • Left outside mirror turn signal lamp
  • Left rear power window switch
  • Load compartment fuse & relay box (right rear of cargo area)
  • Mirror fold in motor (if equipped)
  • Mirror heater
  • Mirror in/out adjustment motor
  • Mirror up/down adjustment motor
  • Mirror up/down m
  • Nca
  • Outside mirror adjustment rocker switch
  • Outside mirror fold in/fold out switch (mirror fold out)
  • Rear side windows child safety lock switch
  • Red
  • Right electrically adjustable & heated ouside mirror
  • Right front door control module (in right front door)
  • Right front power window switch
  • Right outside mirror adjustment selection switch (mirror fold out)
  • Right outside mirror ambient lamp (if equipped)
  • Right outside mirror turn signal lamp
  • Right rear power window switch
  • Sh (+)
  • Sh (-)
  • Sig
  • Sv-m1
  • Sv-m1m2
  • Sv-m2
  • X35/1
  • X35/2

ПРИВОД ЛЮКА И КРЫШИ

Электросхема привода люка или крыши для Mercedes-Benz ML350 2010

Электросхема привода люка или крыши для Mercedes-Benz ML350 2010 - Список элементов:

  • Can-b h
  • Can-b l
  • Computer data lines system
  • Fuse 25a
  • H (+)
  • H (-)
  • H sig 1
  • H sig 2
  • Hot at all times
  • Ld+
  • Ld-
  • Load compartment fuse & relay box (right rear of cargo area)
  • Motor
  • Overhead control panel control module
  • Red
  • Roof switch
  • Sensor
  • Tilting/sliding roof (sr (shd)) drive unit (ml-class: front center of roof)
  • W48/3 (right rear of cargo area)

ПРИВОД СТЕКЛОПОДЪЕМНИКОВ

Электросхема стеклоподъемников (1 из 2) для Mercedes-Benz ML350 2010

Электросхема стеклоподъемников (1 из 2) для Mercedes-Benz ML350 2010 - Список элементов:

  • Aac (kla) control & operating unit (w/o thermotronic)
  • Battery compartment prefuse box (under right front seat)
  • C3a
  • C79
  • Can b h
  • Can b l
  • Can-b h
  • Can-b l
  • Can-c h
  • Can-c l
  • Circuit 31 left wheelhouse luggage compartment voltage distributor connector
  • Circuit 31 right wheelhouse luggage compartment voltage distributor connector
  • Comfort aac (kla) control & operating unit (w/ thermotronic)
  • Computer data lines system
  • Driver power window & outside mirror adjustment switch group
  • Eis (ezs) control unit
  • Fuse 25a
  • Fuse 60a
  • Gnd
  • Hot at all times
  • Instrument cluster
  • Left front door control module (in left front door)
  • Left front power window motor (center of left front door)
  • Left front power window switch
  • Left rear power window switch
  • Left vent window motor (if equipped) (in left "d" pillar)
  • Left vent window obstruction sensor strip (ml-class: top of left rear window) (gl-class: inside top window frame of left vent window)
  • Load compartment fuse & relay box (right rear of cargo area)
  • Nca
  • Pnk
  • Rear sam control unit (right rear of cargo area)
  • Rear side windows child safety lock switch
  • Red
  • Right easy entry feature microswitch (2nd seat row) (gl-class) (under left seat of 2nd seat row, inside locking unit)
  • Right front power window switch
  • Right rear power window switch
  • Right vent window motor (if equipped) (in right "d" pillar)
  • Right vent window obstruction sensor strip (if equipped) (ml-class: top of right rear window) (gl-class: inside top window frame of right vent window)
  • W15/2 (under left front footwell)
  • W6 (ml-class: behind trim, left rear of cargo area) (gl-class: at left "d" pillar)
  • W7 (gl-class) (at right "d" pillar) w17 (ml-class) (under right rear seat)
  • W7 (ml-class: behind trim, right rear of cargo area) (gl-class: at right "d" pillar)
  • X35/1
  • X55/6-c5

Электросхема стеклоподъемников (2 из 2) для Mercedes-Benz ML350 2010

Электросхема стеклоподъемников (2 из 2) для Mercedes-Benz ML350 2010 - Список элементов:

  • (center of left rear door) left rear power window motor
  • (center of right front door) right front power window motor
  • (under left front footwell) w15/2
  • (under right front footwell) w15/1
  • 58d
  • C3a
  • Can-b h
  • Can-b l
  • Computer data lines system
  • Door locks system
  • Front passenger power window switch
  • Front sam control unit (under front passenger's seat)
  • Fuse 25a
  • Fuse 5a
  • Gnd
  • Hot at all times
  • Hot w/ circuit 15 relay energized
  • Ki 58
  • Left rear power window switch
  • Load compartment fuse & relay box (right rear of cargo area)
  • Nca
  • Pnk
  • Power window switch
  • Red
  • Right front door control module (in right front door)
  • Right rear
  • Right rear power window motor (center of right rear door)
  • W15/1 (under right front footwell)
  • W17 (ml-class) (under right rear seat) w15/1 (gl-class) (right front footwell)
  • Wake-up signal/ circuit 58d voltage distributor connector
  • X35/2
  • X35/3
  • X35/4
  • X8/16
  • X8/17

Противоугонная система Сигнализация

Электросхема противоугонной сигнализации для Mercedes-Benz ML350 2010

Электросхема противоугонной сигнализации для Mercedes-Benz ML350 2010 - Список элементов:

  • (at right "d" pillar)
  • (gl-class)
  • (left rear of engine compt) w16/3
  • (left side of engine compt) w9
  • (ml-class)
  • (under right rear seat) (ml-class) w17
  • 56a re
  • Alarm signal horn (right rear corner of engine compt)
  • Anst
  • Ata (edw) hood switch (left front of engine compt)
  • Battery compartment prefuse box (behind right front seat)
  • Bf zv df
  • C79
  • Can b h
  • Can b l
  • Can-b h
  • Can-b l
  • Can-c h
  • Can-c l
  • Computer data lines system
  • Driver door cl motor (rear of driver's door)
  • Eis (ezs) control unit
  • F zv df
  • Front sam control unit (under front passenger's seat)
  • Fuel filler flap cl motor (in right rear wheelwell)
  • Fuse 60a
  • Headlights system
  • Horn
  • Horns system
  • Hot at all times
  • Instrument cluster
  • Left front door control module (in left front door)
  • Left rear door cl motor (rear of left rear door)
  • Mhk
  • Rear sam control module (right rear of cargo area)
  • Red
  • Right front door cl motor (rear of right front door)
  • Right front door control module (in right front door)
  • Right rear door cl motor (rear of right rear door)
  • W15/1 (gl-class) (right front footwell)
  • W15/1 (right front footwell)
  • W15/2 (left front footwell)
  • W17 (under right rear seat)
  • X25/2-c1
  • X25/2-c2
  • X35/1
  • X35/2
  • X35/3
  • X35/4

СИСТЕМА АНТИБЛОКИРОВОЧНОЙ ТОРМОЗНОЙ СИСТЕМЫ ABS

Электросхема антиблокировочной тормозной системы АБС (ABS) (1 из 2) для Mercedes-Benz ML350 2010

Электросхема антиблокировочной тормозной системы АБС (ABS) (1 из 2) для Mercedes-Benz ML350 2010 - Список элементов:

  • (+)
  • (-)
  • (left front corner of engine compt) esp control module
  • (left front of engine compt) w70
  • Ba mv
  • Bas brake booster (gl-class: left rear of engine compt) (ml-class: near brake master cylinder)
  • Can-c h
  • Can-c l
  • Can-h h
  • Can-h l
  • Computer data lines system
  • Dfhl_s
  • Dfhr_s
  • Dfvl_s
  • Dfvr_s
  • Diaphragm travel sensor
  • Drs s
  • Drs(-)
  • Drs(5v)
  • Engine compartment fuse & relay box (right side of engine compt)
  • Front axle inlet solenoid valve
  • Front axle switchover solenoid valve
  • Front prefuse (right rear of engine compt)
  • Fuse 25a
  • Fuse 40a
  • Fuse 5a
  • High pressure & return pump
  • Hot at all times
  • Hot w/ circuit 15 relay energized
  • Left front solenoid valve (hold)
  • Left front solenoid valve (release)
  • Left rear solenoid valve (release)
  • Ls1
  • Ls2
  • Lsa
  • Micromechanical turn rate sensor ay pickup (ml-class: on floor, under right front seat) (gl-class: under right front seat)
  • Mr3
  • Mr4
  • Pml
  • Rear axle switchover solenoid valve
  • Red
  • Release switch
  • Right front solenoid valve (release)
  • Right rear solenoid valve (release)
  • Sig
  • Solenoid valve
  • Solenoid valve (hold) left rear
  • Solenoid valve (hold) right front
  • Solenoid valve (hold) right rear
  • Solenoid valve rear axle inlet
  • Sps (pml) solenoid valve (if equipped) (in left front wheelwell)
  • Traction system hydraulic unit
  • W70 (left front of engine compt)
  • X25/2-c1

Электросхема антиблокировочной тормозной системы АБС (ABS) (2 из 2) для Mercedes-Benz ML350 2010

Электросхема антиблокировочной тормозной системы АБС (ABS) (2 из 2) для Mercedes-Benz ML350 2010 - Список элементов:

  • (ml-class) circuit 31 right rear seat voltage distributor connector (gl-class) circuit 31 right wheelhouse luggage compartment voltage distributor connector
  • (on right front brake assembly)
  • (under left front footwell) w15/2
  • (under right rear seat) (ml-class) w17
  • Abs ind
  • Bbv hr
  • Bbv vr
  • Brake fluid & parking brake warning ind
  • Brake fluid indicator switch (in brake fluid reservoir)
  • C11a
  • Can-b h
  • Can-b l
  • Circuit 31 left footwell voltage distributor connector
  • Cockpit fuse box (behind right end of dash)
  • Computer data lines system
  • Esp brake pressure sensor (gl-class: left rear of engine compt) (ml-class: on brake master cylinder)
  • Esp warning lamp ind
  • Front sam control unit (under front passenger's seat)
  • Fuse 5a
  • Hot at all times
  • Instrument cluster
  • Left front wheel speed sensor (on left front wheel hub assembly)
  • Left rear wheel speed sensor (on left rear wheel hub assembly)
  • Nca
  • Parking brake indicator switch (gl-class: under left end of dash) (ml-class: left front footwell)
  • Rear sam control module (right rear of cargo area)
  • Right front brake pad contact sensor
  • Right front wheel speed sensor (on right front wheel hub assembly)
  • Right rear brake pad contact sensor (on right rear brake assembly)
  • Right rear wheel speed sensor (on right rear wheel hub assembly)
  • W2 (ml-class: behind right headlight) (gl class: right side of engine compt)
  • W29/2 (at right kick panel)
  • W7 (gl-class) (at right "d" pillar)
  • X25/2-c1
  • X25/2-c2
  • X62/32-d
  • X62/33-a
  • X62/33-d
  • X62/35
  • X62/36

СИСТЕМА КОНДИЦИОНЕРА

Электросхема кондиционера, С Thermotronic (1 из 4) для Mercedes-Benz ML350 2010

Электросхема кондиционера, С Thermotronic (1 из 4) для Mercedes-Benz ML350 2010 - Список элементов:

  • (+)
  • (at right kick panel) w29/2
  • (not used)
  • (not used) x122/3-c1
  • (not used) x18
  • 3.0l turbo
  • A/c air recirculation unit
  • Anst
  • Battery compartment prefuse box (under right front seat)
  • Blower motor
  • Blower regulator
  • Booster blower electronic blower controller (on booster blower motor)
  • Booster blower motor (under rear of center console)
  • C10a
  • C12a
  • C78
  • C91
  • Can-b h
  • Can-b l
  • Center rear interior temperature sensor (under right rear of center floor console)
  • Cockpit fuse box (behind right end of dash)
  • Comfort aac (kla) control & operating unit
  • Computer data lines system
  • Coolant circulation pump (in left front wheelwell)
  • Dew point sensor (gl-class: under right side of dash) (ml-class: under right side of dash, near blower motor)
  • Diag
  • Except 3.0l turbo
  • Fresh air & air recirculation flap actuator motor (ml-class: on hvac unit) (gl-class: right side of fresh air housing)
  • Fuse 10a
  • Fuse 150a
  • Fuse 15a
  • Fuse 40a
  • Gnd
  • Hot at all times
  • Krv
  • Lin
  • Nca
  • Pnk
  • Red
  • Refrigerant compressor
  • Sig
  • W/ heated windshield
  • W29/2 (at right kick panel)
  • W9 (left side of engine compt)
  • Wake up
  • X122/2-c1
  • X122/2-c2
  • X122/4
  • X18
  • X18-c2
  • X18/7
  • X25/2 d7
  • X25/2-c1
  • X25/2-c2
  • X26-c2
  • Zwp

Электросхема кондиционера, С Thermotronic (2 из 4) для Mercedes-Benz ML350 2010

Электросхема кондиционера, С Thermotronic (2 из 4) для Mercedes-Benz ML350 2010 - Список элементов:

  • (not used)
  • (not used) x122/1
  • Front prefuse (right rear of engine compt)
  • Fuse 100a
  • Hot at all times
  • Left blending air flap actuator (ml-class: on hvac unit) (gl-class: left side of a/c unit)
  • Left center air flap actuator motor (ml-class: on hvac unit) (gl-class: left side of a/c unit)
  • Left center outlet temperature sensor (behind center of dash)
  • Left defroster vent flap actuator motor (ml-class: on hvac unit) (gl-class: left side of fresh air housing)
  • Left footwell flap actuator motor (ml-class: on hvac unit) (gl-class: left side of a/c unit)
  • Left footwell temperature sensor (ml-class: under left center of dash) (gl-class: left side of hvac unit)
  • Left side outlet temperature sensor (under left side of dash)
  • Nca
  • Pnk
  • Ptc heater booster (if equipped)
  • Rear air distribution flap actuator motor (ml-class: on hvac unit) (gl-class: on booster blower assembly)
  • Red
  • Right blending air flap actuator (ml-class: on hvac unit) (gl-class: right side of a/c unit)
  • Right center air flap actuator motor (ml-class: on hvac unit) (gl-class: on booster blower assembly)
  • Right center outlet temperature sensor (behind center of dash)
  • Right defroster vent flap actuator motor (ml-class: on hvac unit) (gl-class: right side of fresh air housing)
  • Right footwell flap actuator motor (ml-class: on hvac unit) (gl-class: right side of fresh air housing)
  • Right side outlet temperature sensor (under right side of dash)
  • W52/7
  • X122/1
  • X122/2

Электросхема кондиционера, С Thermotronic (3 из 4) для Mercedes-Benz ML350 2010

Электросхема кондиционера, С Thermotronic (3 из 4) для Mercedes-Benz ML350 2010 - Список элементов:

  • (-) (or kts-s)
  • (or akf)
  • (or lues)
  • 3.0l turbo
  • 3.5l hybrid
  • 5.5l, 3.5l, 4.6l & 3.5l hybrid
  • 87d2
  • Can-c h
  • Can-c l
  • Cdi control module (3.0l turbo) me-sfi (me) control module (except 3.0l turbo) (gl-class 3.0l: right rear of engine compt) (gl-class except 3.0l: center rear of engine) (ml-class except 3.0l: top center of engine) (ml-class 3.0l: right front fender.)
  • Circuit 31 left wheelhouse luggage compartment voltage distributor connector
  • Computer data lines system
  • Dual sun sensor (top center of dash)
  • Emissions sensor (right rear corner of engine compt)
  • Engine controls system
  • Evaporator temperature sensor (under center of dash)
  • Except 3.0l turbo 3.0l turbo
  • Fuse 25a
  • Ger
  • Hot at all times
  • Load compartment fuse & relay box (right rear of cargo area)
  • Ms2
  • Nca
  • Rear air conditioning blower motor (gl-class: on rear a/c unit) (ml-class: left side of cargo area)
  • Rear air conditioning blower regulator (if equipped) (on rear blower motor)
  • Rear air conditioning coolant shutoff motor (if equipped)
  • Red
  • Refrigerant pressure sensor (in left front wheelwell)
  • Right footwell temperature sensor (ml-class: under right center of dash) (gl-class: right side of hvac unit)
  • Tmot
  • W6 (gl-class: at left "d" pillar) (ml-class: behind trim, left rear of cargo area)
  • X122/3-c1
  • X122/3-c2

Электросхема кондиционера, С Thermotronic (4 из 4) для Mercedes-Benz ML350 2010

Электросхема кондиционера, С Thermotronic (4 из 4) для Mercedes-Benz ML350 2010 - Список элементов:

  • (in right front wheelwell) w2/1
  • (in right rear wheelwell) (3.5l, 4.6l & 5.5l) activated charcoal filter shutoff valve
  • (ml-class: behind radiator) (gl-class: center front of engine compt) electric suction fan engine & a/c w/ integrated control
  • (ml-class: right front of engine) (gl-class: top right front of engine) air pump switch over valve
  • (top left rear of engine) heating system shutoff valve
  • (top of left "c" pillar) (if equipped) rear headroom ac temperature sensor
  • 288v+
  • 288v-
  • 3.5l hybrid
  • Ambient temperature display temperature sensor (behind left side of front bumper)
  • C124
  • Can-c h
  • Can-c l
  • Computer data lines system
  • Dc/dc converter control unit
  • Electric refrigerant compressor control unit
  • Electrohydraulic power steering
  • Engine compartment fuse & relay box (right side of engine compt)
  • Engine compartment fuse & relay box 2
  • Engine controls system
  • Except 3.5l hybrid
  • Fuse 15a
  • Fuse 7.5a
  • Fuse c 7.5a
  • High voltage battery module
  • High voltage distribution module
  • Hot in on or start
  • Hot w/ engine circuit 87 relay energized
  • Hvil+
  • Hvil-
  • Hybrid vehicle fully integrated transmission control controller unit
  • Mr1
  • Nca
  • Pnk
  • Pnk/red
  • Power electronics control unit
  • Rear air conditioning evaporator temperature sensor (gl-class: left side of cargo area) (ml-class: on rear hvac unit)
  • Red
  • Shield
  • W9 (left side of engine compt)
  • X122/3-c1
  • X18
  • X212
  • X22/6-c1
  • X25/2
  • X25/2-c1
  • X26/32

Электросхема кондиционера, без Thermotronic (1 из 3) для Mercedes-Benz ML350 2010

Электросхема кондиционера, без Thermotronic (1 из 3) для Mercedes-Benz ML350 2010 - Список элементов:

  • (2 to 5 pins not used)
  • (9 to 12 pins not used)
  • (ml-class: under right center of dash) right footwell temperature sensor
  • 3.0l turbo
  • 3.5l hybrid
  • A/c recirculation unit
  • Aac (kla) control & operating unit
  • Ac-chiller
  • Ac-evaporator
  • Ambient temperature display temperature sensor (behind left side of front bumper)
  • Batt
  • Battery compartment prefuse box (under right front seat)
  • Blower motor
  • Blower regulator
  • C12a
  • C78
  • C91
  • Can-b h
  • Can-b l
  • Cockpit fuse box (behind right end of dash)
  • Computer data lines system
  • Coolant circulation pump (in left front wheelwell)
  • Evaporator temperature sensor (under center of dash)
  • Except 3.0l turbo
  • Fresh air & air recirculation flap actuator motor (ml-class: on hvac unit) (gl-class: right side of fresh air housing)
  • Front evaporator shutoff valve
  • Fuse 150a
  • Fuse 15a
  • Fuse 40a
  • Gnd
  • High voltage battery cooling system shutoff valve
  • Hot at all times
  • Krv
  • Left defroster vent flap actuator motor (ml-class: on hvac unit) (gl-class: left side of fresh air housing)
  • Lin
  • Nca
  • Pnk
  • Red
  • Refrigerant compressor
  • Refrigerant pressure sensor (in left front wheelwell)
  • Right blending air flap actuator (ml-class: on hvac unit) (gl-class: right side of a/c unit)
  • Sig
  • W29/2 (at right kick panel)
  • W9 (left side of engine compt)
  • Wake up
  • X122/4
  • X18
  • X18-c2
  • X18/7
  • X25/2-c1
  • X25/2-c2
  • X26-c2
  • X26/32
  • X4/50
  • X4/51
  • Zwp

Электросхема кондиционера, без Thermotronic (2 из 3) для Mercedes-Benz ML350 2010

Электросхема кондиционера, без Thermotronic (2 из 3) для Mercedes-Benz ML350 2010 - Список элементов:

  • (-) (or kts-s)
  • (behind center of dash) right center outlet temperature sensor
  • (not used)
  • (not used) x122/4
  • (or akf)
  • (or lues)
  • (under left side of dash) left side outlet temperature sensor
  • 3.0l turbo
  • 3.0l turbo 5.5l, 3.5l, 4.6l & 3.5l hybrid
  • 3.5l hybrid
  • 87d2
  • Air pump switch over valve (ml-class: right front of engine) (gl-class: top right front of engine)
  • Can-c h
  • Can-c l
  • Cdi control module (3.0l turbo) me-sfi (me) control unit (except 3.0l turbo) (gl-class except 3.0l: center rear of engine) (ml-class except 3.0l: top center of engine) (gl-class 3.0l: right rear of engine compt) (ml-class 3.0l: right front fender)
  • Computer data lines system
  • Coolant temperature sensor (3.0l: top left side of engine) (ml-class except 3.0l: left rear of engine) (gl-class except 3.0l: rear of left cylinder bank)
  • Engine controls system
  • Except 3.0l turbo
  • Ger
  • Heating system shutoff valve (top left rear of engine)
  • Left blending air flap actuator (ml-class: on hvac unit) (gl-class: left side of a/c unit)
  • Left center air flap actuator motor (ml-class: on hvac unit) (gl-class: left side of a/c unit)
  • Left center outlet temperature sensor (behind center of dash)
  • Left footwell flap actuator motor (ml-class: on hvac unit) (gl-class: left side of a/c unit)
  • Left footwell temperature sensor (ml-class: under left center of dash) (gl-class: left side of hvac unit)
  • Nca
  • Pnk
  • Ptc heater booster (if equipped)
  • Rear air distribution flap actuator motor (ml-class: on hvac unit) (gl-class: on booster blower assembly)
  • Red
  • Right side outlet temperature sensor (under right side of dash)
  • Tmot
  • W52/7
  • X122/1
  • X122/2
  • X122/2-c1

Электросхема кондиционера, без Thermotronic (3 из 3) для Mercedes-Benz ML350 2010

Электросхема кондиционера, без Thermotronic (3 из 3) для Mercedes-Benz ML350 2010 - Список элементов:

  • 288v+
  • 288v-
  • 3.5l hybrid
  • Activated charcoal filter shutoff valve (3.5l, 4.6l & 5.5l) (in right rear wheelwell)
  • C124
  • Can-c h
  • Can-c l
  • Center rear interior temperature sensor (under right rear of center floor console)
  • Computer data lines system
  • Dc/dc converter control unit
  • Electric refrigerant compressor control unit
  • Electric suction fan engine & a/c w/ integrated control (ml-class: behind radiator) (gl-class: center front of engine compt)
  • Electrohydraulic power steering
  • Engine compartment fuse & relay box (right side of engine compt)
  • Engine compartment fuse & relay box 2
  • Except 3.5l hybrid
  • Front prefuse (right rear of engine compt)
  • Fuse 100a
  • Fuse 15a
  • Fuse 7.5a
  • Fuse c 7.5a
  • High voltage battery module
  • High voltage distribution module
  • Hot at all times
  • Hot in on or start
  • Hot w/ engine circuit 87 relay energized
  • Hvil+
  • Hvil-
  • Hybrid vehicle fully integrated transmission control controller unit
  • Mr1
  • Nca
  • Pnk
  • Pnk/red
  • Power electronics control unit
  • Red
  • Shield
  • Sun sensor (top center of dash)
  • W2/1 (in right front wheelwell)
  • W29/2 (at right kick panel)
  • W9 (left side of engine compt)
  • X122/2-c1
  • X212
  • X22/6-c1
  • X25/2-c1

СИСТЕМА КРУИЗКОНТРОЛЯ


3.0L ТУРБО ДИЗЕЛЬ

3.0L турбо дизель, Электросхема системы круизконтроля для Mercedes-Benz ML350 2010

3.0L турбо дизель, Электросхема системы круизконтроля для Mercedes-Benz ML350 2010 - Список элементов:

  • (+)
  • (-)
  • (at right kick panel) w29/2
  • (not used)
  • 13a
  • Accel/ set
  • Accelerator pedal sensor (at top of accelerator pedal assembly)
  • Can-c h
  • Can-c l
  • Can-ch
  • Can-cl
  • Can-sh
  • Can-sl
  • Cdi control module (gl class: right rear of engine compt) (ml class: right front fender)
  • Cockpit fuse box (behind right end of dash)
  • Computer data lines system
  • Contact
  • Control
  • Cruise control (tpm) switch
  • Decel/ set
  • Dtr control unit (ml class: behind front bumper)
  • Dtr distance potentiometer (if equipped)
  • E pwg1
  • Engine compartment fuse & relay box (right side of engine compt)
  • Epwg1
  • Fuse 5a
  • Fuse 7.5a
  • Hot at all times
  • Hot in on or start
  • M pwg1
  • Mot (+)
  • Mot (-)
  • Mpwg1
  • Mr4
  • Off
  • Resume from memory
  • Sig
  • Steering column module (gl class: behind steering wheel) (ml class: top of steering column)
  • Throttle valve actuator (on throttle body)
  • Upwg1
  • W2 (gl class: right side of engine compt) (ml class: behind right headlight)
  • X25/2-c1

3.5L

3.5L, Электросхема системы круизконтроля для Mercedes-Benz ML350 2010

3.5L, Электросхема системы круизконтроля для Mercedes-Benz ML350 2010 - Список элементов:

  • (at right kick panel) w29/2
  • 13a
  • 3.5l hybrid
  • Accel/ set
  • Accelerator pedal sensor (top of accelerator pedal)
  • Can-c h
  • Can-c l
  • Can-ch
  • Can-cl
  • Can-sh
  • Can-sl
  • Cockpit fuse box (behind right end of dash)
  • Computer data lines system
  • Contact
  • Control
  • Cruise control (tpm) switch
  • Dcm
  • Dcp
  • Decel/ set
  • Dkl
  • Dkp2
  • Dkpm
  • Dks+
  • Dks-
  • Dtr control unit (ml-class: behind front bumper)
  • Dtr distance potentiometer (if equipped)
  • Engine compartment fuse & relay box (right side of engine compt)
  • Except 3.5l hybrid
  • Fuse 5a
  • Fuse 7.5a
  • Hot at all times
  • Hot in on or start
  • Ip1s
  • Ip2s
  • Ipm
  • Me-sfi (me) control module (ml-class: top center of engine) (gl-class: center rear of engine)
  • Mr4
  • Off
  • Resume from memory
  • Sp1
  • Sp1m
  • Sp1s
  • Sp2
  • Sp2m
  • Sp2s
  • Steering column module (top of steering column)
  • Svsp1
  • Throttle valve actuator (on throttle body)
  • Uip
  • Usp1
  • W2 (ml class: behind right headlight) (gl class: right side of engine compt)
  • X25/2-c1

СИСТЕМА ОХЛАЖДЕНИЯ

Электросхема системы охлаждения для Mercedes-Benz ML350 2010

Электросхема системы охлаждения для Mercedes-Benz ML350 2010 - Список элементов:

  • (-)
  • (in right front wheelwell) w2/1
  • (ml-class: right front of engine) (gl-class: top right front of engine) air pump switchover valve
  • (or akf)
  • (or kts-s)
  • (or lues)
  • 3.0l turbo
  • 3.5l hybrid
  • 5.5l, 3.5l, 4.6l & 3.5l hybrid
  • 87d2
  • Aac (kla) control & operating unit (w/o thermotronic) comfort aac (kla) control & operating unit (w/ thermotronic)
  • Activated charcoal filter shutoff valve (3.5l, 4.6l & 5.5l) (in right rear wheelwell)
  • Can-b h
  • Can-b l
  • Can-c h
  • Can-c l
  • Cdi control module me-sfi control module (except 3.0l turbo) (3.0l turbo) (gl-class 3.0l: right rear of engine compt) (ml-class 3.0l: right front fender) (gl-class except 3.0l: center rear of engine) (ml-class except 3.0l: top center of engine)
  • Computer data lines system
  • Coolant circulation pump (in left front wheelwell)
  • Coolant temperature sensor (3.0l: top left side of engine) (ml-class except 3.0l: left rear of engine) (gl-class except 3.0l: rear of left cylinder bank)
  • Electric suction fan engine & ac w/ integrated control (ml-class: behind radiator) (gl-class: center front of engine compt)
  • Engine compartment fuse & relay box (right side of engine compt)
  • Engine compartment fuse & relay box 2
  • Engine controls system
  • Except 3.0l turbo
  • Except 3.5l hybrid
  • Front prefuse (right rear of engine compt)
  • Fuse 100a
  • Fuse 15a
  • Fuse c 7.5a
  • Ger
  • Gnd
  • Heating system shutoff valve (top left rear of engine)
  • Hot at all times
  • Hot w/ engine circuit 87 relay energized
  • Mr1
  • Pnk
  • Red
  • Refrigerant pressure sensor (in left front wheelwell)
  • Sig
  • Tmot
  • W/ thermotronic
  • W/o thermotronic
  • W9 (left side of engine compt)
  • X18
  • X25/2-c1
  • Zwp

СИСТЕМА ПЕРЕДАЧИ ДАННЫХ

схема соединителя канала связи для Mercedes-Benz ML350 2010

схема соединителя канала связи для Mercedes-Benz ML350 2010 - Список элементов:

  • (under left front footwell) w15/2
  • (under left seat of 2nd seat row) (w/ tele aid emergency system) emergency call system control unit
  • 3.0l turbo & 3.5l
  • C13
  • Can-b h
  • Can-b l
  • Can-c h
  • Can-c l
  • Can-d h
  • Can-d l
  • Central gateway control module (under driver's seat)
  • Circuit 31 left footwell voltage distributor connector 1
  • Data link connector (dlc) (below left side of dash)
  • Fuse 7.5a
  • Hot at all times
  • Left fuel pump control unit (3.5l) (under right seat of 2nd seat row)
  • Load compartment fuse & relay box (right rear of cargo area)
  • Passenger-side voltage distributor (can c) connector
  • Red
  • Right fuel pump control unit (3.5l) (under right seat of 2nd seat row)
  • Sl1
  • Sl2
  • Voltage distributor (can) connector
  • W15/1 (under right front footwell)

высокая/Низкая Автобусная Схема (1 из 4) для Mercedes-Benz ML350 2010

высокая/Низкая Автобусная Схема (1 из 4) для Mercedes-Benz ML350 2010 - Список элементов:

  • (ml class: top of steering column)
  • 3.0l turbo
  • 3.5l hybrid
  • Airmatic control unit (if equipped) (gl class: in left front footwell) (ml class: under front of driver seat)
  • C10
  • C11
  • C12
  • C13
  • Can-c h
  • Can-c l
  • Eis (ezs) control unit (w/ knee bag)
  • Electric control unit (vgs) (except 3.5l hybrid) (gl-class: in transmission housing)
  • Electric refrigerant compressor control unit
  • Electro hydraulic power steering
  • Esp control module (gl class: left front of engine compt) (ml class: left front corner of engine compt)
  • Except 3.5l hybrid
  • Instrument cluster
  • Intelligent servo module (direct select) (gl class: left side of transmission housing) (ml class: on transmission housing)
  • Left front lamp unit (w/ xenon lamp)
  • Left front reversible emergency tensioning retractor (if equipped) (base of left "b" pillar)
  • Passenger-side voltage distributor (can c) connector
  • Regenerative braking system control unit
  • Restraints systems control module (under center console)
  • Right front lamp unit (w/ xenon lamp)
  • Right front reversible emergency tensioning retractor (if equipped) (base of right "b" pillar)
  • Steering column module (gl class: behind steering wheel) can-c l
  • Transfer case control module (under front passenger seat)
  • W/ off road package
  • W/o off road package
  • W15/1 (under right front footwell)
  • X18
  • X22/6
  • X22/6-c2
  • X25/2-c1
  • X25/2-c2

высокая/Низкая Автобусная Схема (2 из 4) для Mercedes-Benz ML350 2010

высокая/Низкая Автобусная Схема (2 из 4) для Mercedes-Benz ML350 2010 - Список элементов:

  • (gl-class: center rear of engine)
  • 3.0l turbo
  • C10
  • C13
  • Can- l h
  • Can-a h
  • Can-a l
  • Can-b h
  • Can-b l
  • Can-c h
  • Can-c l
  • Can-c1 h
  • Can-c1 l
  • Can-l h
  • Can-l l
  • Cdi control module (gl-class: right rear of engine compt) (ml-class: right front fender)
  • Central gateway control module (under driver's seat)
  • Dc/dc converter control unit
  • Drive train can voltage distributor connector
  • Dvd player (w/ rear audio)
  • Except 3.0l turbo
  • Fuel pump control unit
  • High-voltage battery module
  • Hybrid can voltage distributor connector (3.5l hybrid)
  • Hybrid vehicle fully integrated transmission control controller unit
  • Left rear display
  • Me-sfi (me) control module (ml-class: top center of engine)
  • Power electronics control unit
  • Right rear display
  • Sl1
  • Telematics can voltage distributor connector
  • W15/2 (under left front footwell)
  • W17/1 (gl-class: under left seat of 2nd row) (ml-class: under left rear seat)
  • X22/6-c1
  • X22/6-c2
  • X25/2-c1
  • X55/3-c6
  • X55/4-c6

высокая/Низкая Автобусная Схема (3 из 4) для Mercedes-Benz ML350 2010

высокая/Низкая Автобусная Схема (3 из 4) для Mercedes-Benz ML350 2010 - Список элементов:

  • Aac pushbutton control module (w/o thermotronic) comfort aac pushbutton control module (w/ thermotronic)
  • C10
  • C11
  • Can-b h
  • Can-b l
  • Cockpit voltage distributor (can) connector
  • Eis (ezs) control unit
  • Electronic compass (if equipped) (behind instrument cluster)
  • Front passenger front seat adjustment control module w/ memory (if equipped) (under front passenger seat)
  • Front sam control unit (under right front seat)
  • Gl-class
  • Instrument cluster
  • Keyless go control module (if equipped) (right front of cargo area)
  • Ml-class
  • Overhead control panel control module
  • Rcp (hbf) control module
  • Rear sam control module (right rear of cargo area)
  • Right front door control module (in right front door)
  • Right voltage distributor (can) connector
  • Tpm control module (ml-class & if equipped) (right side of cargo area)
  • Upper control panel control module
  • Wss control unit (weight sensing system) (gl class: under front passenger's seat) (ml class: on right front seat frame)
  • X18
  • X18/2-c1
  • X29/6-c1
  • X35/2
  • X55/4-c2

высокая/Низкая Автобусная Схема (4 из 4) для Mercedes-Benz ML350 2010

высокая/Низкая Автобусная Схема (4 из 4) для Mercedes-Benz ML350 2010 - Список элементов:

  • (behind trim, left rear of cargo area) (ml-class) w6 w6/6 (gl-class) (left rear of cargo area floor)
  • (under left
  • (w/ offroad package)
  • 3.0l turbo & 3.5l
  • C10
  • Can-b h
  • Can-b l
  • Can-c h
  • Can-c l
  • Comand operating, display & control module
  • Control module
  • Differential lock
  • Driver front seat adjustment control module w/ memory (if equipped) (under driver's seat)
  • Dvd player (w/ rear entertainment)
  • Early production
  • Folding rear bench seat control unit (3rd rear seat) (under left seat of 2nd seat row)
  • Hs (sih), seat ventilation & steering wheel heater control unit (under left seat of 2nd seat row)
  • Keyless go control module (if equipped) (right front of cargo area)
  • Late production
  • Left front door control module (in left front door)
  • Left voltage distributor (can) connector (gl-class)
  • Pts control module (if equipped) (under left front seat)
  • Rear axle
  • Rear end can c potential distributor connector
  • Rear-end door closing control module (if equipped) (under right rear of cargo area floor)
  • Rear-end door closing control module (ml-class & if equipped) (right rear of trunk, under carpet)
  • Seat of 3rd row)
  • Tpm (rdk) control module (w/ tpms) (ml class: right rear of cargo area)
  • Tpm control module (if equipped) (attached to of 2nd row) load compartment fuse & relay box)
  • Voltage distributor (can) connector
  • X35/1

СИСТЕМА УПРАВЛЕНИЯ ДВИГАТЕЛЯ


3.0L ТУРБО ДИЗЕЛЬ

3.0L турбо дизель, Электросхема системы управления двигателем (1 из 6) для Mercedes-Benz ML350 2010

3.0L турбо дизель, Электросхема системы управления двигателем (1 из 6) для Mercedes-Benz ML350 2010 - Список элементов:

  • (ml-class: behind right headlight) (gl-class: right side of engine compt) w2
  • 87d1
  • 87d2
  • Accelerator pedal sensor (top of accelerator pedal assembly)
  • Air conditioning system
  • Anr
  • Can-c h
  • Can-c l
  • Can-i-h
  • Can-i-l
  • Cdi control module (right rear of engine compt)
  • Computer data lines system
  • Coolant circulation pump relay
  • Crash
  • E pwg1
  • Engine circuit relay
  • Engine compartment fuse & relay box (right side of engine compt)
  • Exts3
  • Exts4
  • Front prefuse (right rear of eng compt)
  • Fuel pump relay
  • Fuse 100a
  • Fuse 10a
  • Fuse 15a
  • Fuse 20a
  • Fuse 25a
  • Fuse 5a
  • Ger
  • Hot at all times
  • Hot w/ starter relay energized
  • Hrl
  • Kpr
  • Load compartment fuse & relay box (right side of cargo area)
  • M pwg1
  • Mr1
  • Mr2
  • Mr3
  • Mr4
  • Pnk
  • Pressure differential sensor for diesel particulate filter for onboard diagnostics (obd) sensor
  • Red
  • Restraints system control module (under center console)
  • Sig
  • Starter relay
  • Starting/charging system
  • Temperature sensor upstream of diesel particulate filter (under right center of vehicle, in exhaust)
  • Temperature sensor upstream of scr catalytic converter
  • Transmission oil cooler circulation pump
  • U pwg1
  • W16/4 (right rear engine compt)
  • X18/7
  • X22/6
  • X25/2-c1
  • X25/2-c2

3.0L турбо дизель, Электросхема системы управления двигателем (2 из 6) для Mercedes-Benz ML350 2010

3.0L турбо дизель, Электросхема системы управления двигателем (2 из 6) для Mercedes-Benz ML350 2010 - Список элементов:

  • (not used)
  • Battery compartment prefuse box (under right front seat)
  • C81
  • Can-i h
  • Can-i l
  • Computer data lines system
  • Fuse 15a
  • Fuse 20a
  • Fuse 40a
  • Fuse 5a
  • Fuse 7.5a
  • Gr pras
  • Hot at all times
  • Hot w/ circuit 15 relay energized
  • Ia pras
  • Ia trats
  • Is t15
  • Lines system computer data
  • Load compartment fuse & relay box (right rear of cargo area)
  • Nox control unit downstream of diesel particulate filter
  • Nox control unit downstream of scr catalytic converter
  • Os rarv
  • Ot rapmp
  • Ov rh1
  • Pnk
  • Ramvh1
  • Ramvl1
  • Red
  • Reserve fuse
  • Vv bat
  • W15/1 (under right front footwell)

3.0L турбо дизель, Электросхема системы управления двигателем (3 из 6) для Mercedes-Benz ML350 2010

3.0L турбо дизель, Электросхема системы управления двигателем (3 из 6) для Mercedes-Benz ML350 2010 - Список элементов:

  • Bf rals1
  • Bf rals2
  • Bf rals3
  • Delivery pump
  • Empty
  • Fill level sensor
  • Full
  • Gg bat 2
  • Heating element
  • Os mrly
  • Os raht1
  • Os raht2
  • Os raht3
  • Pressure line heating element
  • Pressure sensor
  • Red
  • Reserve
  • Reversing valve
  • Tank heating element & temperature sensor
  • Vv 5vpras
  • Vv bat
  • W6/6 (left rear of cargo area floor)

3.0L турбо дизель, Электросхема системы управления двигателем (4 из 6) для Mercedes-Benz ML350 2010

3.0L турбо дизель, Электросхема системы управления двигателем (4 из 6) для Mercedes-Benz ML350 2010 - Список элементов:

  • (+)
  • (-)
  • (at differential) differential pressure sensor (dpf)
  • (bottom left side of oil pan) oil temperature sensor
  • (center rear of engine) exhaust back pressure sensor
  • (in right side of fuel tank) right fuel pump
  • (left front of engine) fuel temperature sensor
  • (right front of engine) charge air temperature sensor
  • (top left side of engine) coolant temperature sensor
  • (top left side of engine) pressure sensor downstream of air filter
  • A-eka-r
  • Cdi control module (right rear of engine compt)
  • Cvh
  • Drs
  • Eka-a
  • Exhaust gas recirculation temperature sensor
  • Exts1
  • Flwtr
  • Iats3
  • Inj h
  • Kts-s
  • Ldf-1
  • Ldr
  • Ls1
  • Ls1hk
  • Ls1p
  • Lsh1hk
  • Lshk
  • Nca
  • Rail pressure sensor (top right rear of engine)
  • Rds
  • Red
  • Sig
  • T2-s
  • Tag1
  • Temperature sensor upstream of turbocharger
  • Tmot
  • Toel
  • Upstream twc (kat) temperature sensor
  • W17 (under right seat of 2nd row)
  • X18/3-c1
  • Zme+

3.0L турбо дизель, Электросхема системы управления двигателем (5 из 6) для Mercedes-Benz ML350 2010

3.0L турбо дизель, Электросхема системы управления двигателем (5 из 6) для Mercedes-Benz ML350 2010 - Список элементов:

  • (not used)
  • (right front of engine)
  • (top of left cylinder bank)
  • (top of right cylinder bank)
  • 1.zyl
  • 2.zyl
  • 3.zyl
  • 4.zyl
  • 5.zyl
  • 6.zyl
  • Charge pressure sensor (right front of engine)
  • Consation sensor for fuel filter w/ heating element
  • Cylinder glow plug 1
  • Cylinder glow plug 2
  • Cylinder glow plug 3
  • Cylinder glow plug 4
  • Cylinder glow plug 5
  • Cylinder glow plug 6
  • Glow time output stage (center front c1 of engine)
  • Kfh21
  • Kfhzz
  • Left hot film maf sensor (top right side of engine)
  • Lin
  • Nca
  • O2 sensor upstream twc (kat)
  • Pressure regulator valve (top left front of engine)
  • Quantity control valve
  • Red
  • Starting/ charging system
  • Throttle valve actuator (on throttle body)
  • W11
  • W12
  • Wss

3.0L турбо дизель, Электросхема системы управления двигателем (6 из 6) для Mercedes-Benz ML350 2010

3.0L турбо дизель, Электросхема системы управления двигателем (6 из 6) для Mercedes-Benz ML350 2010 - Список элементов:

  • "check engine" mil indicator
  • (+)
  • (-)
  • (1, 2 & 3: on right cylinder bank, above respective cylinder) (4, 5 & 6: on left cylinder bank, above respective cylinder) fuel injectors
  • (left rear of engine) crankshaft hall sensor
  • (top of engine) two-disk thermostat heating element
  • (top of engine) vent line heater element
  • (top right side of engine) camshaft hall sensor
  • A-eka-i
  • Agr
  • Can- b h
  • Can- b l
  • Cdi control module (right rear of engine compt)
  • Charge pressure positioner (top rear of engine)
  • Computer data lines system
  • Dds
  • Drs
  • Drv
  • Etc
  • Fuel preheating system heating element
  • Hfm-0
  • Hfm-1
  • Hfm-2
  • Inj h
  • Inj l
  • Instrument cluster
  • Intake port shutoff motor (top center of engine)
  • Kwg
  • Left exhaust gas recirculation positioner (top left rear of engine)
  • Left intake port shutoff end position sensor
  • Mot (+)
  • Mot (-)
  • Nca
  • Ods
  • Oil level check switch (left side of oil pan)
  • Red
  • Right hot film maf sensor (top left side of engine)
  • Right intake port shutoff end position sensor
  • Sig
  • W2 (ml-class: behind right headlight) (gl-class: right side of engine compt)
  • X18/7

3.5L

3.5L, Электросхема системы управления двигателем (1 из 4) для Mercedes-Benz ML350 2010

3.5L, Электросхема системы управления двигателем (1 из 4) для Mercedes-Benz ML350 2010 - Список элементов:

  • (right rear wheelwell)
  • Accelerator pedal sensor (at top of accelerator pedal)
  • Activated charcoal canister shutoff valve
  • Air pump relay
  • Akf
  • Can-c h
  • Can-c l
  • Computer data lines system
  • Electric suction fan engine & ac w/ integrated control (behind radiator)
  • Engine circuit 87 relay
  • Engine compartment fuse & relay box (right side of engine compt)
  • Front prefuse (right rear of eng compt)
  • Fuel tank pressure sensor (in fuel tank)
  • Fuse 100a
  • Fuse 10a
  • Fuse 15a
  • Fuse 40a
  • Fuse 5a
  • Hot at all times
  • Hot w/ circuit 15 relay energized
  • Hot w/ starter relay energized
  • Load compartment fuse & relay box (right rear of cargo area)
  • Lues
  • Me-sfi (me) control module (top center of engine)
  • Mr1
  • Mr2
  • Mr3
  • Mr4
  • Pnk
  • Purge control valve (left front of engine compt)
  • Red
  • Restraints system control module (under center console)
  • Slp
  • Sp1m
  • Sp1s
  • Sp2m
  • Sp2s
  • Starter relay
  • Usp1
  • W16/3 (left rear of engine compt)
  • X25/2-c1
  • X25/2-c2
  • X26-c2

3.5L, Электросхема системы управления двигателем (2 из 4) для Mercedes-Benz ML350 2010

3.5L, Электросхема системы управления двигателем (2 из 4) для Mercedes-Benz ML350 2010 - Список элементов:

  • (+)
  • (-)
  • (front of engine) three disk thermostat valve
  • (front of left fuel rail) fuel pressure sensor
  • (lower left front of engine) power steering pump pressure regulator valve
  • (not used)
  • (on front of engine)
  • (rear of left cylinder bank) w11w2
  • (under intake manifold)
  • Air pump (front of engine)
  • Brs
  • Can-d h
  • Can-d l
  • Computer data lines system
  • Coolant temperature sensor (left rear of engine)
  • Dk s+
  • Dk s-
  • Dkp2
  • Drs
  • Fuel pump control module
  • Fuse 20a
  • Fuse 5a
  • Hav
  • Hfm
  • Hot at all times
  • Hot w/ circuit 15 relay energized
  • Intake manifold tumble flap switchover valve
  • Ks m
  • Ks s
  • Kwg
  • Left knock sensor 2
  • Load compartment fuse & relay box (right rear of cargo area)
  • Me-sfi (me) control module (top center of engine)
  • Nca
  • Nwge1
  • Nwge2
  • Nws a2
  • Oss
  • Pnk
  • Red
  • Right fuel pump (under right seat of 2nd seat row)
  • Right knock sensor 1
  • Slv
  • Ths
  • Tmot
  • Tna
  • Variable intake manifold switchover valve
  • W17/3 (under right rear seat)
  • X18/3-c1
  • X18/3-c4
  • X205
  • X26-c1
  • X26-c2

3.5L, Электросхема системы управления двигателем (3 из 4) для Mercedes-Benz ML350 2010

3.5L, Электросхема системы управления двигателем (3 из 4) для Mercedes-Benz ML350 2010 - Список элементов:

  • (front of engine) air pump switchover valve
  • (in engine oil pan) oil level check switch
  • (left of transmission) left o2 sensor downstream twc (kat)
  • (left of transmission) left o2 sensor upstream twc (kat)
  • (rear of engine) heating system shutoff valve
  • (right of transmission) right o2 sensor downstream twc (kat)
  • (right of transmission) right o2 sensor upstream twc (kat)
  • Crankshaft hall sensor (rear of left cylinder bank)
  • Intake air temperature sensor (rear of engine)
  • Late production
  • Left camshaft exhaust solenoid (left front of engine)
  • Left exhaust camshaft hall sensor (left front of engine)
  • Left intake camshaft hall sensor (left front of engine)
  • Left intake manifold tumble flap position sensor (left side of intake manifold)
  • Nca
  • Pnk
  • Pressure sensor downstream of air filter
  • Red
  • Right intake manifold tumble flap position sensor (right side of intake manifold)
  • Throttle valve actuator (on throttle body)

3.5L, Электросхема системы управления двигателем (4 из 4) для Mercedes-Benz ML350 2010

3.5L, Электросхема системы управления двигателем (4 из 4) для Mercedes-Benz ML350 2010 - Список элементов:

  • "check engine" mil indicator
  • (+)
  • (right front of engine)
  • (right front of engine) right exhaust camshaft hall sensor
  • (right front of engine) right intake camshaft hall sensor
  • (top of engine, above cylinders) fuel injectors
  • Can- b h
  • Can- b l
  • Computer data lines system
  • Dkl
  • Dkp m
  • Ev1
  • Ev2
  • Ev3
  • Ev4
  • Ev5
  • Hfm
  • Ignition coils (1, 2 & 3: top of right cylinder bank) (4, 5 & 6: top of left cylinder cylinder bank)
  • Instrument cluster
  • Late production
  • Left camshaft intake solenoid (left front of engine)
  • Lhp
  • Lin
  • Ls2hk
  • Lsh1hk
  • Lshk
  • Me-sfi (me) control module (top center of engine)
  • Nwae2
  • Nwg m
  • Nwga1
  • Nws e2
  • Nwsa 1
  • Nwse 1
  • Radio interference suppression capacitor 1 (top right side of engine)
  • Radio interference suppression capacitor 2 (top left side of engine)
  • Red
  • Right camshaft exhaust solenoid
  • Right camshaft intake solenoid
  • Spark plugs
  • Starting/charging system
  • W11w1 (rear of right cylinder bank)
  • W11w2 (rear of left cylinder bank)
  • W16/3 (left rear of engine compt)
  • Zue 1
  • Zue 2
  • Zue 3
  • Zue 4
  • Zue 5
  • Zue 6

СИСТЕМА УСИЛИТЕЛЯ РУЛЯ

электро-руководящая схема гидравлической силы для Mercedes-Benz ML350 2010

электро-руководящая схема гидравлической силы для Mercedes-Benz ML350 2010 - Список элементов:

  • (or pnk/red)
  • 3.0l turbo
  • 3.5l hybrid
  • B can-c1 h
  • C124
  • Can-c h
  • Can-c l
  • Can-c1 l
  • Computer data lines system
  • Electrohydraulic power steering
  • Engine compartment fuse & relay box (right side of engine compt)
  • Front prefuse (right rear of engine compt)
  • Fuse 100a
  • Fuse 7.5a
  • Hot at all times
  • Hot w/ circuit 15 relay energized
  • Red
  • W30/4

схема колонки рулевого управления с усилителем для Mercedes-Benz ML350 2010

схема колонки рулевого управления с усилителем для Mercedes-Benz ML350 2010 - Список элементов:

  • (behind right kick panel) (w/ steering wheel heater) w29/2
  • (behind right kick panel) w29/2
  • (gl-class: behind steering wheel) (ml-class: top of steering column) steering column module
  • (top of steering column) steering angle sensor
  • 13a
  • Accelerate & set
  • Accept/terminate phone call button
  • Buttons + & -, setting of specific functions & volume control
  • Can-c h
  • Can-c l
  • Cockpit fuse box (behind right end of dash)
  • Combination switch
  • Computer data lines system
  • Control contact
  • Cruise control (tpm) switch
  • Decelerate & set
  • Dtr distance potentiometer (if equipped)
  • Fanfare horns & air bag clock spring contact (ml-class: inside steering wheel hub) (gl class: top of steering column)
  • Fuse 5a
  • Gear selector switch direct select
  • Headlamp flasher/ highbeam switch
  • Heater coil
  • Heater coil temp sens
  • Hot at all times
  • Hs (sih) seat ventilation & steering wheel heater control unit (if equipped) c2 (ml class: under left seat of 2nd seat row)
  • Left & right turn signal switch
  • Left multi-function steering wheel button group
  • Left steering wheel gear shifter
  • Lhz
  • Lin
  • Low beam switch
  • Multi-function steering wheel electronics unit (ml-class: inside steering wheel)
  • Off
  • Rear-end door intermittent wash switch
  • Rear-end door window washer system switch
  • Red
  • Resume from memory
  • Right multi-function steering wheel button group
  • Right steering wheel gear shifter
  • Scroll forward/ back button
  • Steering column adjustment raise/lower, forward/back switch
  • Steering column adjustment switch (w/ esc) steering column adjustment/ steering wheel heater switch (if equipped)
  • Steering wheel heater
  • Steering wheel heater function indicator lamp
  • Steering wheel heater switch
  • Steering wheel heater/horn electronics (if equipped)
  • System selection button
  • Vcs (sbs) off button
  • Vcs (sbs) on button
  • Windshield washer system switch
  • Wipe switch
  • X18-c2

Система Фар

Электросхема фар, С ксеноновые лампы для Mercedes-Benz ML350 2010

Электросхема фар, С ксеноновые лампы для Mercedes-Benz ML350 2010 - Список элементов:

  • (-)
  • 3.5l hybrid
  • 55l
  • 55r
  • 56a li
  • 56a re
  • 56b li
  • 56b re
  • Bus
  • Can-b h
  • Can-b l
  • Can-c h
  • Can-c l
  • Circuit 31 right footwell voltage distributor connector
  • Combination switch
  • Computer data lines
  • Computer data lines system
  • Curve illumination motor
  • Engine compartment fuse & relay box (right side of engine compt)
  • Except 3.5l hybrid
  • F x26/32
  • F2 x25/2-c1
  • Front sam control unit (under front passenger's seat)
  • Fuse 5a
  • Fuse 7.5a
  • G7 x25/2-c2
  • Headlamp flasher/ high beam switch
  • Headlamp range adjustment control module (under front passenger's seat)
  • High beam indicator lamp
  • Hot w/ circuit 15 relay energized
  • Hra (lwr) power module
  • Instrument cluster
  • Left bi-xenon lamp w/ integrated igniton module
  • Left daytime running lamps headlamps
  • Left dynamic curve illumination motor
  • Left front fog lamp
  • Left front lamp unit
  • Left headlamp range adjustment motor
  • Left high beam
  • Left high beam solenoid
  • Left low beam
  • Load compartment fuse & relay box (right rear of cargo area)
  • Low beam indicator lamp
  • Low beam switch
  • Mr3
  • Range adjustment motor
  • Right bi-xenon lamp w/ integrated igniton module
  • Right daytime running lamps headlamps
  • Right dynamic m
  • Right front fog lamp
  • Right front lamp unit
  • Right front level sensor (ml-class: in right front wheelwell) (gl-class: on right front frame rails)
  • Right headlamp m
  • Right high beam
  • Right high beam solenoid
  • Right low beam
  • Right rear level sensor (ml-class: in right rear wheelwell) (gl-class: on right rear frame rail)
  • Sig
  • Steering column module (gl-class: behind steering wheel) (ml-class: top of steering column)
  • System
  • W/ steel suspension
  • W/o steel suspension
  • W15/1 (under right front footwell)
  • W2 (ml-class: behind right headlight) (gl-class: right side of engine compt)
  • W9 (left side of engine compt)
  • X25/2-c1
  • X25/2-c1 n7
  • X25/2-c2
  • X26/32

Электросхема фар, без Ксеноновые лампы для Mercedes-Benz ML350 2010

Электросхема фар, без Ксеноновые лампы для Mercedes-Benz ML350 2010 - Список элементов:

  • 3.5l hybrid
  • 55l
  • 55r
  • 56a li
  • 56a re
  • 56b re
  • A3 x25/2-c1
  • C x26/32
  • Can-b h
  • Can-b l
  • Can-c h
  • Can-c l
  • Combination switch
  • Computer
  • Computer data lines
  • Computer data lines system
  • Data lines
  • E x26/32
  • Except 3.5l hybrid
  • Front sam control unit (under front passenger's seat)
  • Fuse 5a
  • Headlamp flasher/ high beam switch
  • High beam indicator lamp
  • Hot w/ circuit 15 relay energized
  • Instrument cluster
  • Left daytime running lamps headlamps
  • Left front fog lamp
  • Left front lamp unit
  • Left high beam
  • Left low beam
  • Load compartment fuse & relay box (right rear of cargo area)
  • Low beam indicator lamp
  • Low beam switch
  • Pnk
  • Right daytime running lamps headlamps
  • Right front fog lamp
  • Right front lamp unit
  • Right high beam
  • Right low beam
  • Steering column module (gl-class: behind steering wheel) (ml-class: top of steering column)
  • System
  • W2 (ml-class: behind right headlight) (gl-class: right side of engine compt)
  • W9 (left side of engine compt)
  • X25/2-c1
  • X25/2-c2
  • X25/2-c3

СИСТЕМЫ ПАМЯТИ

Электросхема памяти водительского сиденья для Mercedes-Benz ML350 2010

Электросхема памяти водительского сиденья для Mercedes-Benz ML350 2010 - Список элементов:

  • (+)
  • (-)
  • (under driver's seat) driver front seat adjustment control module
  • (w/ multicontour seat) left front dynamic seat control module
  • Can-b h
  • Can-b l
  • Computer data lines system
  • Driver backrest angle adjustment motor (in driver's seat back)
  • Driver front seat height adjustment motor (ml-class: in driver's seat back) (gl-class: under driver's front seat)
  • Driver head restraint motor (in driver's seat back)
  • Driver lumbar support adjustment switch
  • Driver lumbar support pump
  • Driver lumbar support regulator control unit
  • Driver rear seat height adjustment motor (ml-class: in driver's seat back) (gl-class: under driver's front seat)
  • Driver seat external power feed separation point
  • Driver seat fore/aft adjustment motor (ml-class: in driver's seat back) (gl-class: under driver's front seat)
  • Driver seat w/ memory adjustment switch group
  • Dynamic
  • Fuse 30a
  • H (+)
  • H (-)
  • Hoch
  • Hot at all times
  • Left front dynamic switch
  • Left front lumbar support adjustment switch
  • Left front multicontour backrest switch group
  • Left front pulse switch
  • Left front seat cushion fore/ aft switch
  • Left front side cushion adjustment switch
  • Load compartment fuse & relay box (right rear of cargo area)
  • Nca
  • Pnk
  • Red
  • Steering column memory circuit
  • Tief
  • Vor
  • W/ electric lumbar support
  • W/o electric lumbar support
  • W15/2 (under left front footwell)
  • Zur

Электросхем памяти регулировки зеркал заднего вида для Mercedes-Benz ML350 2010

Электросхем памяти регулировки зеркал заднего вида для Mercedes-Benz ML350 2010 - Список элементов:

  • (+)
  • (-)
  • (in left front door)
  • (in right front door) right front door control module
  • (under driver seat) driver front seat adjustment control unit w/ memory
  • (under front passenger seat) front paasenger front seat adjustment control unit w/ memory
  • (under right front footwell) w15/1
  • Automatic dimming mirror (if equipped)
  • Can b h
  • Can b l
  • Can-b h
  • Can-b l
  • Computer data lines system
  • Driver seat w/ memory adjustment switch group
  • Front passenger seat w/ memory adjustment switch group
  • Fuse 25a
  • Gnd
  • Hot at all times
  • Led
  • Led 31
  • Left blind spot assist readiness & warning indicator (if equipped)
  • Left electrically adjustable & heated exterior mirror (ml-class: on driver's door)
  • Left front door control module
  • Left outside mirror ambient lamp (if equipped)
  • Left outside mirror turn signal lamp
  • Load compartment fuse & relay box (right rear of cargo area)
  • Mirror fold-in motor (if equipped)
  • Mirror heater
  • Mirror in/out adjust- ment
  • Mirror up/down adjust- ment
  • Motor
  • Nca
  • Red
  • Right electrically adjustable & heated exterior mirror (ml-class: on front passenger door)
  • Right outside mirror ambient lamp (if equipped)
  • Right outside mirror turn signal lamp
  • Sh (+)
  • Sh (-)
  • Sig
  • Sv-m1
  • Sv-m1m2
  • Sv-m2
  • W15/2 (under left front footwell)
  • X35/1
  • X35/2

Электросхема памяти пассажирского сиденья для Mercedes-Benz ML350 2010

Электросхема памяти пассажирского сиденья для Mercedes-Benz ML350 2010 - Список элементов:

  • (+)
  • (-)
  • (h+)
  • (under front passenger's seat) front passenger front seat adjustment control module
  • (w/ multicontour seat) right front dynamic seat control module
  • Can-b h
  • Can-b l
  • Circuit 31 right footwell voltage distributor connector
  • Computer data lines system
  • Dynamic
  • Front passenger backrest angle adjustment motor (in front passenger's seat back)
  • Front passenger front seat height adjustment motor (under front passenger's seat)
  • Front passenger head restraint motor (in front passenger's seat back)
  • Front passenger lumbar support adjustment switch
  • Front passenger lumbar support pump
  • Front passenger lumbar support regulator control unit
  • Front passenger rear seat height adjustment motor (under front passenger's seat)
  • Front passenger seat fore/aft adjustment motor (under front passenger's seat)
  • Front passenger seat w/ memory adjustment switch group
  • Fuse 30a
  • H(+)
  • H(-)
  • Hoch
  • Hot at all times
  • Load compartment fuse & relay box (right rear of cargo area)
  • Nca
  • Pnk
  • Red
  • Right front dynamic switch
  • Right front lumbar support adjustment switch
  • Right front multicontour backrest switch group
  • Right front pulse switch
  • Right front seat cushion fore/ aft adjustment switch
  • Right front side bolsters adjustment switch
  • Tief
  • Vor
  • W/ electric lumbar support
  • W/o electric lumbar support
  • W15/1 (under right front footwell)
  • X54/32
  • Zur

Электросхема памяти рулевой колонки для Mercedes-Benz ML350 2010

Электросхема памяти рулевой колонки для Mercedes-Benz ML350 2010 - Список элементов:

  • (+)
  • (-)
  • (under left front footwell) w15/2
  • Can-b h
  • Can-b l
  • Can-c h
  • Can-c l
  • Computer data lines system
  • Driver front seat adjustment control module (under driver's seat)
  • Driver seat w/
  • Fuse 30a
  • H (+)
  • H (-)
  • Hoch
  • Hot at all times
  • Load compartment fuse & relay box (right rear of cargo area)
  • Memory adjustment
  • Raise/lower & forward/ backward switch
  • Red
  • Steering column adjustment/ steering wheel heater switch
  • Steering column forward/back motor (on steering column)
  • Steering column module (behind steering wheel)
  • Steering column raise/lower motor (on steering column)
  • Switch group
  • Vor
  • X4/39

СИСТЕМЫ ПОДВЕСКИ

Электросхема электроники подвески (1 из 2) для Mercedes-Benz ML350 2010

Электросхема электроники подвески (1 из 2) для Mercedes-Benz ML350 2010 - Список элементов:

  • (-)
  • (top of left front shock tower) (w/ ads) left front body lateral acceleration sensor
  • (top of right front shock tower) (w/ ads) right front body lateral acceleration sensor
  • 87a
  • Ablv
  • Air suspension compressor relay
  • Airmatic compressor unit (behind right side of front bumper)
  • Airmatic control unit (ml-class: under front of driver's seat) (gl-class: in left front footwell)
  • Circuit 31 left footwell voltage distributor connector (1)
  • Dv1
  • Dv2
  • Dvv
  • Engine compartment fuse & relay box (right side of engine compt)
  • Except hybrid
  • Fuse 15a
  • Fuse 40a
  • Fuse 5a
  • Hot at all times
  • Hot in on or start
  • Hybrid
  • Left front axle damping valve unit (w/ ads) (ml-class: in left front wheelwell) (gl-class: at left rear wheel assembly)
  • Left front level sensor (ml-class: in left front wheelwell) (gl-class: on left front frame rails)
  • Load compartment fuse & relay box (right rear of cargo area)
  • Mr1
  • Mr2
  • Mr3
  • Nca
  • Pnk
  • Red
  • Rel
  • Right front axle damping valve unit (w/ ads) (ml-class: in right front wheelwell) (gl-class: at right rear wheel assembly)
  • Right front level sensor (ml-class: in right front wheelwell) (gl-class: on right front frame rails)
  • Sig
  • W15/2 (under left front footwell)
  • W2 (ml-class: behind right headlight) (gl-class: right side of engine compt)
  • X25/2-c1
  • X25/2-c2
  • Zlv

Электросхема электроники подвески (2 из 2) для Mercedes-Benz ML350 2010

Электросхема электроники подвески (2 из 2) для Mercedes-Benz ML350 2010 - Список элементов:

  • (-)
  • Airmatic control unit (ml-class: under front of driver's seat) (gl-class: in left front footwell)
  • Airmatic valve unit (behind right side of front bumper)
  • Can-c h
  • Can-c l
  • Central reservoir charge valve
  • Computer data lines system
  • Dv1
  • Dv2
  • Dvv
  • Front prefuse (right rear of engine compt)
  • Front sam control unit (under right front seat)
  • Fuse 100a
  • Hot at all times
  • Left front level control valve
  • Left rear axle damping valve unit (w/ ads) (left rear wheel)
  • Left rear level control valve
  • Left rear level sensor (ml-class: under left rear of vehicle) (gl-class: on left rear frame rail)
  • Nca
  • Pnk
  • Pnk/red
  • Pressure sensor
  • Red
  • Right front level control valve
  • Right rear axle damping valve unit (w/ ads) (at right rear wheel)
  • Right rear level sensor (ml-class: in right rear wheelwell) (gl-class: on right rear frame rail)
  • Right rear valve
  • Sig
  • X25/2-c2

СИСТЕМЫ СИДЕНИЙ

Электросхема подогрева руля для Mercedes-Benz ML350 2010

Электросхема подогрева руля для Mercedes-Benz ML350 2010 - Список элементов:

  • 13a
  • Adjustment/steering wheel heater switch
  • Can-b h
  • Can-b l
  • Can-c h
  • Can-c l
  • Cockpit fuse box (behind right end of dash)
  • Coil
  • Computer data lines system
  • Fanfare horns & air bag clock spring contact (ml-class: inside steering wheel hub)
  • Fuse 10a
  • Fuse 5a
  • Heater
  • Heater coil temp sens
  • Hot at all times
  • Hs (sih), seat ventilation & steering wheel heater control unit (under left seat of 2nd seat row)
  • Lhz
  • Load compartment fuse & relay box (right rear of cargo area)
  • Red
  • Steering column module (top of steering column)
  • Steering column steering wheel heater switch
  • Steering wheel heater (if equipped)
  • Steering wheel heater function ind lamp
  • Steering wheel heater/horn electronics (if equipped)
  • W/ steering wheel heater
  • W29/2 (at right kick panel)
  • X18-c2

Электросхема регулировки поясницы для Mercedes-Benz ML350 2010

Электросхема регулировки поясницы для Mercedes-Benz ML350 2010 - Список элементов:

  • Driver lumbar support adjustment switch
  • Driver lumbar support pump
  • Driver lumbar support regulator control unit
  • Front passenger lumbar support adjustment switch
  • Front passenger lumbar support pump
  • Front passenger lumbar support regulator control unit
  • Fuse 30a
  • Hot w/ socket circuit 15r relay (w/ run-on) energized
  • Load compartment fuse & relay box (right rear of cargo area)
  • Red
  • W15/2 (under left front footwell)
  • X55/4-c1

Электросхема привода сидений для Mercedes-Benz ML350 2010

Электросхема привода сидений для Mercedes-Benz ML350 2010 - Список элементов:

  • (under right front footwell) w15/1
  • Backrest sw (vor)
  • Backrest sw (zur)
  • Backrest sw vor
  • Backrest sw zur
  • Circuit 31 right footwell voltage distributor connector
  • Driver backrest angle adjustment motor (in driver's seat back)
  • Driver front seat height adjustment motor (ml-class: in driver's seat back) (gl-class: under driver's front seat)
  • Driver rear seat height adjustment motor (ml-class: in driver's seat back) (gl-class: under driver's front seat)
  • Driver seat adjustment switch
  • Driver seat fore/aft adjustment motor (ml-class: in driver's seat back) (gl-class: under driver's front seat)
  • Front passenger backrest angle adjustment motor (in front passenger's seat back)
  • Front passenger front seat height adjustment motor (under front passenger's seat)
  • Front passenger rear seat height adjustment motor (under front passenger's seat)
  • Front passenger seat adjustment switch
  • Front passenger seat fore/aft adjustment motor (under front passenger's seat)
  • Front raise/lower sw (hoch)
  • Front raise/lower sw (tief)
  • Fuse 30a
  • Hot w/ socket circuit 15r relay (w/ run-on) energized
  • Load compartment fuse & relay box (right rear of cargo area)
  • Rear raise/lower sw (hoch)
  • Rear raise/lower sw (tief)
  • Seat fore/aft sw (vor)
  • Seat fore/aft sw (zur)
  • W15/2 (under left front footwell)
  • X54/31
  • X54/32
  • X55/4-c1

Электросхема заднего откидного сиденья для Mercedes-Benz ML350 2010

Электросхема заднего откидного сиденья для Mercedes-Benz ML350 2010 - Список элементов:

  • +5v
  • Can-b h
  • Can-b l
  • Computer data lines system
  • Folding rear bench seat control unit (under left seat of 2nd row)
  • Front switch for left folding backrest
  • Front switch for right folding backrest
  • Fuse 40a
  • Hot at all times
  • Left backrest release unit (gl-class: inside left backrest of 3rd row seats)
  • Left folding backrest motor (under left seat of 3rd seat row)
  • Load compartment fuse & relay box (right rear of cargo area)
  • Rear switch for left folding backrest
  • Rear switch for right folding backrest
  • Right backrest release unit (gl-class: inside right backrest of 3rd row seats)
  • Right folding backrest motor (under right seat of 3rd seat row)
  • W17/1 (ml-class: under left rear seat) (gl-class: under left seat of 2nd row)
  • X55/21-c2
  • X55/22-c2

схема вентиляции места (1 из 2) для Mercedes-Benz ML350 2010

схема вентиляции места (1 из 2) для Mercedes-Benz ML350 2010 - Список элементов:

  • (behind steering wheel) steering column module
  • (under left front footwell) w15/2
  • 4a1
  • 4a2
  • Can-b h
  • Can-b l
  • Circuit 31 left footwell voltage distributor connector 1
  • Computer data lines system
  • Fuse 10a
  • Fuse 25a
  • Hot at all times
  • Hs (sih), seat ventilation & steering wheel heater control unit (under left seat of 2nd seat row)
  • Left front backrest heated cushion
  • Left front hs (sih) switch
  • Left front seat backrest ventilation motor group (in driver's seat back)
  • Left front seat contacting strip
  • Left front seat cushion ventilation motor group (under driver's seat)
  • Left front seat heated cushion
  • Left front seat ventilation blower regulator (in driver's seat back)
  • Left front seat ventilation switch
  • Lhz
  • Load compartment fuse & relay box (right rear of cargo area)
  • Ms3
  • Nca
  • Pnk
  • Red
  • Right front hs (sih) switch
  • Right front seat backrest ventilation motor group (in front passenger's seat back)
  • Right front seat cushion ventilation motor group (under front passenger's seat)
  • Right front seat ventilation blower regulator (in front passenger's seat back)
  • Right front seat ventilation switch
  • Sig
  • Upper control panel control module
  • W/ steering wheel heater
  • W17 (ml-class) (under right rear seat)
  • W17/1 (gl-class) (under left seat of 2nd row)
  • X18-c2
  • X55/3-c4c
  • X55/4-c4c

схема вентиляции места (2 из 2) для Mercedes-Benz ML350 2010

схема вентиляции места (2 из 2) для Mercedes-Benz ML350 2010 - Список элементов:

  • (under left seat of 2nd seat row) w17/1
  • 4a1
  • 4a2
  • Circuit 31 right
  • Distributor connector
  • Footwell voltage
  • Front sam control unit (under right front seat)
  • Gl- class
  • Heated cushion
  • Left second row backrest heated cushion
  • Left second row seat heated cushion
  • Ml- class
  • Right front backrest
  • Right front seat
  • Right front seat contacting strip
  • Right second row backrest heated cushion
  • Right second row seat heated cushion
  • Sil
  • Sir
  • W15/1 (under right front footwell)
  • W17/1 (under left rear seat)
  • W17/3 (under right rear seat)
  • X55/23
  • X55/24
  • X55/5-c1
  • X55/5-c3
  • X55/5-c5
  • X55/6-c1
  • X55/6-c3
  • X55/6-c5

схема сенсорной системы веса для Mercedes-Benz ML350 2010

схема сенсорной системы веса для Mercedes-Benz ML350 2010 - Список элементов:

  • (under right rear sides of front passenger's seat) right rear wss sensor (weight sensing system)
  • Battery compartment prefuse box (under right front seat)
  • C83
  • Can-b h
  • Can-b l
  • Computer data lines system
  • Data
  • Fuse 5a
  • Hot at all times
  • Left front wss sensor (weight sensing system) (under left front of front passenger's seat)
  • Left rear wss sensor (weight sensing system) (under left rear sides of front passenger's seat)
  • Red
  • Right front wss sensor (weight sensing system) (under right front of front passenger's seat)
  • W26 (gl-class: under front of center console) (ml-class: under center console, on srs mounting bolt)
  • Weight sensing system control (wss) unit (under front passenger's seat)
  • X55/4-c2

Стартер Генератор

Электросхема Генератора для Mercedes-Benz ML350 2010

Электросхема Генератора для Mercedes-Benz ML350 2010 - Список элементов:

  • (ml-class: (top front of engine) (gl-class: (center front of engine) glow time output stage
  • 3.0l turbo
  • 3.5l, 4.6l & 5.5l
  • Additional battery
  • Alternator
  • Battery
  • Can-b h
  • Can-b l
  • Can-c h
  • Can-c l
  • Cdi control module (gl-class: right rear of engine compt) (ml-class: right front fender)
  • Computer data lines system
  • Eis (ezs) control unit
  • Front prefuse (right rear of engine compt)
  • Front sam control unit (under front passenger's seat)
  • Instrument cluster
  • Lin
  • Me-sfi (me) control unit (ml-class: top center of engine) (gl-class: center rear of engine)
  • Pyrotechnical separator (3.0l turbo)
  • Red
  • Starter
  • W10 (under front passenger's seat)

Электросхема стартера для Mercedes-Benz ML350 2010

Электросхема стартера для Mercedes-Benz ML350 2010 - Список элементов:

  • 3.0l turbo
  • 3.5l, 4.6l & 5.5l
  • 87a
  • Additional battery
  • Anr
  • Battery
  • Can-b h
  • Can-b l
  • Can-c h
  • Can-c l
  • Cdi control module (gl-class: right rear of engine compt) (ml-class: right front fender)
  • Charging circuit
  • Circuit 15 relay
  • Computer data lines system
  • Eis (ezs) control unit
  • Electric control unit (vgs) (gl-class: in transmission housing)
  • Engine compartment fuse & relay box (right side of engine compt)
  • Front prefuse (right rear of engine compt)
  • Front sam control unit (under front passenger's seat)
  • Fuse 15a
  • Fuse 25a
  • Generator
  • Hot at all times
  • Hot w/ engine circuit 87 relay energized
  • Intelligent servo module (direct select) (gl class: left side of transmission housing) (ml class: on transmission housing)
  • Me-sfi (me) control unit (gl-class: center rear of engine) (ml-class: top center of engine)
  • Mr1
  • Mr3
  • Mr4
  • Pnk
  • Pyrotechnical separator (3.0l turbo)
  • Red
  • Starter
  • Starter relay
  • W10 (under front passenger's seat)
  • W2 (ml-class: behind right headlight) (gl-class: right side of engine compt)
  • X18
  • X18/7
  • X26-c1

Стеклоочистители и Стеклоомыватели Дворники

Электросхема передних стеклоочистителей дворников и омывателя лобового стекла для Mercedes-Benz ML350 2010

Электросхема передних стеклоочистителей дворников и омывателя лобового стекла для Mercedes-Benz ML350 2010 - Список элементов:

  • (right rear of cargo area) w48/3
  • 87a
  • C13a
  • Can-b h
  • Can-b l
  • Can-c h
  • Can-c l
  • Cockpit fuse box (behind right end of dash)
  • Combination switch
  • Computer data lines system
  • Data
  • Engine compartment fuse & relay box (right side of engine compt)
  • Front prefuse (right rear of engine compt)
  • Front sam control unit (under right front seat)
  • Fuse 100a
  • Fuse 30a
  • Fuse 5a
  • Hot at all times
  • Hot w/ circuit 15r relay energized
  • Instrument cluster
  • Load compartment fuse & relay box (right rear of cargo area)
  • Mr1
  • Overhead control panel control unit
  • Rain/light sensor (gl-class: top center of windshield)
  • Rear end door intermittent wash switch
  • Rear end door window washer system switch
  • Red
  • Steering column module (gl-class: behind steering wheel) (ml-class: top of steering column)
  • W15/1 (under right front footwell)
  • W16/3 (left rear of engine compt)
  • W2 (ml-class: behind right headlight) (gl-class: right side of engine compt)
  • W29/2 (at right kick panel)
  • Windshield washer fluid level indicator switch (in washer fluid reservoir)
  • Windshield washer fluid pump (on washer fluid reservoir)
  • Windshield washer system switch
  • Wiper level 1/2 relay
  • Wiper motor (left rear of engine compt)
  • Wiper on/off relay
  • Wiper switch
  • X25/2-c1
  • X25/2-c2

схема шайбы фары для Mercedes-Benz ML350 2010

схема шайбы фары для Mercedes-Benz ML350 2010 - Список элементов:

  • (under right front footwell) w15/1
  • Battery compartment prefuse box (under right front seat)
  • C88
  • C89
  • Can-b h
  • Can-b l
  • Computer data lines system
  • Front sam control unit (under right front seat)
  • Fuse 70a
  • Hcs (sra) pump (on washer fluid reservoir)
  • Hot at all times
  • Instrument cluster
  • Lin
  • Red
  • Rotary light switch
  • Sra
  • Upper control panel control module
  • W9 (left side of engine compt)
  • X25/2-c1

Электросхема заднего стеклоочистителя дворника и омывателя для Mercedes-Benz ML350 2010

Электросхема заднего стеклоочистителя дворника и омывателя для Mercedes-Benz ML350 2010 - Список элементов:

  • (at right "d" pillar) (gl-class) w7
  • (under right rear seat) w17
  • 15r1
  • 87a
  • Can-b h
  • Can-b l
  • Circuit 31 right rear seat voltage distributor connector
  • Circuit 31 right wheel house luggage compartment voltage distributor connector
  • Computer data lines system
  • Front sam control unit (under right front seat)
  • Fuse 15a
  • Fuse 5a
  • Gl- class
  • Hot w/ circuit 15r relay energized
  • Instrument cluster
  • Load compartment fuse & relay box (right rear of cargo area)
  • Ml- class
  • Rear sam control module (right rear of cargo area)
  • Rear wiper relay
  • Tailgate wiper motor (center of tailgate)
  • W15/1 (under right front footwell)
  • W17 (ml-class) (under right rear seat)
  • W7 (at right "d" pillar)
  • W8 (ml-class: behind trim, on right side of tailgate) (gl-class: right side of tailgate)
  • Windshield washer fluid pump (on washer fluid reservoir)
  • X25/2-c2

ЦЕНТРАЛЬНЫЙ ЗАМОК

автоматическая дверь захватывает схему (1 из 2) для Mercedes-Benz ML350 2010

автоматическая дверь захватывает схему (1 из 2) для Mercedes-Benz ML350 2010 - Список элементов:

  • (gl-calss: in outside door handles) left front keyless go door handle
  • (or red)
  • Battery compartment prefuse box (behind right front seat)
  • C3a
  • C3b
  • C79
  • Can-b h
  • Can-b l
  • Computer data lines system
  • Driver door cl motor (rear of driver's door)
  • Driver rear-end door open & close switch (if equipped)
  • Front passenger power window switch
  • Fuse 25a
  • Fuse 30a
  • Fuse 60a
  • Gnd
  • Hot at all times
  • Ir +
  • Ir -
  • Ir data
  • Ki58
  • Left front door control module (in left front door)
  • Left front door entrance/ exit lamp
  • Left front door inside handle illumination (w/ interior lights package)
  • Left front ir receiver (in left front door handle)
  • Left interior cl (zv) switch
  • Load compartment fuse & relay box (right rear of cargo area)
  • Nca
  • Red
  • Right front door cl motor (rear of right front door)
  • Right front door control module (in right front door)
  • Right front door entrance/ exit lamp
  • Right front door inside handle illumination (w/ interior lights package)
  • Right interior cl (zv) switch
  • Sig 1
  • Sig 2
  • W/ ir remote control
  • W/ keyless go
  • W15/1 (under right front footwell)
  • W15/2 (under left front footwell)
  • X35/1
  • X35/2
  • X8/34

автоматическая дверь захватывает схему (2 из 2) для Mercedes-Benz ML350 2010

автоматическая дверь захватывает схему (2 из 2) для Mercedes-Benz ML350 2010 - Список элементов:

  • (+)
  • (-)
  • (right front footwell) (gl-class) w15/1
  • (right front footwell) (gl-class) w15/1 w17 (ml-class) (under right rear seat)
  • Al(+)
  • Auf
  • Bel
  • Bf zv df
  • Can b h
  • Can b l
  • Can-b h
  • Can-b l
  • Circuit 31 right rear seat voltage distribution connector
  • Computer data lines system
  • Eks 1
  • Eks 2
  • F zv df
  • Front sam control unit (under front passenger's seat)
  • Fuel filler flap switch (3.5l hybrid)
  • Left rear door cl motor (rear of left rear door)
  • Left rear door entrance/exit lamp
  • Left rear inside door handle illumination (w/ interior lights package)
  • Left rear-end door closing obstruction sensor strip (at left "d" pillar)
  • Nca
  • Pnk
  • Rear door hydraulic pump (right rear of cargo area)
  • Rear door locking unit (ml-class)
  • Rear sam control module (right rear of cargo area)
  • Rear-end door closing control module (ml-class: right rear of trunk, under carpet) (gl-class: under right rear of cargo area floor)
  • Rear-end door closing warning buzzer (gl-class: bottom of tailgate)
  • Rear-end door handle switch (ml-class)
  • Rear-end door opening angle recognition sensor (right rear of roof)
  • Red
  • Right rear door cl motor (rear of right rear door)
  • Right rear door entrance/exit lamp
  • Right rear inside door handle illumination
  • Right rear-end door closing obstruction sensor strip (at right "d" pillar)
  • Rwt
  • Rwts button
  • Sig
  • Tig l
  • Tig r
  • W15/2 (under left front footwell)
  • W17 (ml-class) (under right rear seat)
  • W17 (ml-class: under right rear seat) (gl-class: under right seat of 2nd row)
  • W7 (gl-class) (at right "d" pillar) w17 (ml-class) (under right rear seat)
  • W7/7 (right rear of cargo area floor)
  • W8 (behind trim, on right side of tailgate)
  • X213-c2
  • X35/1
  • X35/3
  • X35/4
  • X8/16
  • X8/17
  • X8/4

системная схема движения без ключа для Mercedes-Benz ML350 2010

системная схема движения без ключа для Mercedes-Benz ML350 2010 - Список элементов:

  • (right rear of cargo area floor) w7/7
  • Ant
  • Automatic door locks circuit
  • C3a
  • Can-b h
  • Can-b l
  • Cockpit keyless-go antenna (under front of center floor console)
  • Computer data lines system
  • Fuse 25a
  • Gl-class
  • Gnd
  • Hot at all times
  • Interior keyless go antenna (under left seat of 2nd seat row)
  • Keyless go control module (right side of cargo area)
  • Keyless go trunk antenna (left side of tailgate)
  • Left front keyless go door handle (gl-class: in outside door handles)
  • Left rear door keyless-go antenna (in left rear door)
  • Left rear keyless go door handle (gl-class: in outside door handles)
  • Load compartment fuse & relay box (right rear of cargo area)
  • Ml-class
  • Nca
  • Red
  • Right front keyless go door handle (gl-class: in outside door handles)
  • Right rear door keyless-go antenna (in right rear door)
  • Right rear keyless go door handle (gl-class: in outside door handles)
  • Roof antenna module (center rear of roof)
  • X18-c2
  • X35/1
  • X35/2
  • X35/3
  • X35/4
  • X8/34
  • X8/35
  • X8/36
  • X8/37

Can't find your car? Check -> DiagnostData.com!