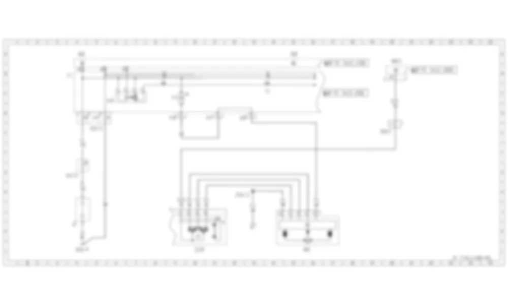
Электросхема Наклонно-сдвижная крыша (SR) для Mercedes-Benz M-class (W163) 1997—2005
Список элементов схемы Наклонно-сдвижная крыша (SR) для Mercedes-Benz M-class (W163) 1997—2005
| Item |
Designation |
Coordinates |
| F1 |
Модуль предохранителей и реле |
4B 14C |
| F1f4 |
Предохранитель 4 |
9C |
| F1k14 |
Реле комфорта |
6C |
| G1 |
Аккумулятор |
4K |
| M12 |
Привод подъемно-сдвижной крыши в сборе |
16L |
| N10 |
Универсальный модуль |
4A 15A |
| N10/1 |
Модуль расширенной активности (EAM) |
20A |
| S139 |
Модуль переключателя панели управления на крыше |
10L |
| S139s4 |
Переключатель подъема / подъема крыши |
10K |
| W7 |
Земля (правая колесная ниша в багажнике) |
13K |
| W16/4 |
Земля (выходная масса - компонентный отсек - справа) |
4L |
| X4/37 |
Клеммная колодка (контур 30) |
4G |
| X12/3 |
Клеммная колодка (цепь 30, 15, 31, 3-контактный) |
5E |
| X18/2 |
Соединитель для внутренней / крыши |
19E |
| Z54/3 |
Соединительная муфта крыши (контур 31) |
12H |
Распиновка разъемов схемы Наклонно-сдвижная крыша (SR) для Mercedes-Benz M-class (W163) 1997—2005
Расположение элементов для Mercedes-Benz M-class (W163) 1997—2005
Где находится - F1 - Fuse and relay box Left rear of engine compartment - для Mercedes-Benz M-class (W163) 1997—2005
Где находится - F1 - Fuse and relay box Left rear of engine compartment - для Mercedes-Benz M-class (W163) 1997—2005
Где находится - F1 - Fusebox conn. for AAM Left rear of engine compartment underside of fusebox - для Mercedes-Benz M-class (W163) 1997—2005
Где находится - F1 - Fusebox conn. for AAM Left rear of engine compartment underside of fusebox - для Mercedes-Benz M-class (W163) 1997—2005
Где находится - F1 - Fusebox fuse 1 Left rear of engine compartment top of fusebox - для Mercedes-Benz M-class (W163) 1997—2005
Где находится - F1 - Fusebox fuse 1 Left rear of engine compartment top of fusebox - для Mercedes-Benz M-class (W163) 1997—2005
Где находится - F1 - Fusebox fuse 2 Left rear of engine compartment top of fusebox - для Mercedes-Benz M-class (W163) 1997—2005
Где находится - F1 - Fusebox fuse 2 Left rear of engine compartment top of fusebox - для Mercedes-Benz M-class (W163) 1997—2005
Где находится - F1 - Fusebox fuse 3 Left rear of engine compartment top of fusebox - для Mercedes-Benz M-class (W163) 1997—2005
Где находится - F1 - Fusebox fuse 3 Left rear of engine compartment top of fusebox - для Mercedes-Benz M-class (W163) 1997—2005
Где находится - F1 - Fusebox fuse 4 Left rear of engine compartment top of fusebox - для Mercedes-Benz M-class (W163) 1997—2005
Где находится - F1 - Fusebox fuse 4 Left rear of engine compartment top of fusebox - для Mercedes-Benz M-class (W163) 1997—2005
Где находится - F1 - Fusebox fuse 5 Left rear of engine compartment top of fusebox - для Mercedes-Benz M-class (W163) 1997—2005
Где находится - F1 - Fusebox fuse 5 Left rear of engine compartment top of fusebox - для Mercedes-Benz M-class (W163) 1997—2005
Где находится - F1 - Fusebox fuse 6 Left rear of engine compartment top of fusebox - для Mercedes-Benz M-class (W163) 1997—2005
Где находится - F1 - Fusebox fuse 6 Left rear of engine compartment top of fusebox - для Mercedes-Benz M-class (W163) 1997—2005
Где находится - F1 - Fusebox fuse 7 Left rear of engine compartment top of fusebox - для Mercedes-Benz M-class (W163) 1997—2005
Где находится - F1 - Fusebox fuse 7 Left rear of engine compartment top of fusebox - для Mercedes-Benz M-class (W163) 1997—2005
Где находится - F1 - Fusebox fuse 8 Left rear of engine compartment top of fusebox - для Mercedes-Benz M-class (W163) 1997—2005
Где находится - F1 - Fusebox fuse 8 Left rear of engine compartment top of fusebox - для Mercedes-Benz M-class (W163) 1997—2005
Где находится - F1 - Fusebox fuse 9 Left rear of engine compartment top of fusebox - для Mercedes-Benz M-class (W163) 1997—2005
Где находится - F1 - Fusebox fuse 9 Left rear of engine compartment top of fusebox - для Mercedes-Benz M-class (W163) 1997—2005
Где находится - F1 - Fusebox fuse 10 Left rear of engine compartment top of fusebox - для Mercedes-Benz M-class (W163) 1997—2005
Где находится - F1 - Fusebox fuse 10 Left rear of engine compartment top of fusebox - для Mercedes-Benz M-class (W163) 1997—2005
Где находится - F1 - Fusebox fuse 11 Left rear of engine compartment top of fusebox - для Mercedes-Benz M-class (W163) 1997—2005
Где находится - F1 - Fusebox fuse 11 Left rear of engine compartment top of fusebox - для Mercedes-Benz M-class (W163) 1997—2005
Где находится - F1 - Fusebox fuse 12 Left rear of engine compartment top of fusebox - для Mercedes-Benz M-class (W163) 1997—2005
Где находится - F1 - Fusebox fuse 12 Left rear of engine compartment top of fusebox - для Mercedes-Benz M-class (W163) 1997—2005
Где находится - F1 - Fusebox fuse 13 Left rear of engine compartment top of fusebox - для Mercedes-Benz M-class (W163) 1997—2005
Где находится - F1 - Fusebox fuse 13 Left rear of engine compartment top of fusebox - для Mercedes-Benz M-class (W163) 1997—2005
Где находится - F1 - Fusebox fuse 14 Left rear of engine compartment top of fusebox - для Mercedes-Benz M-class (W163) 1997—2005
Где находится - F1 - Fusebox fuse 14 Left rear of engine compartment top of fusebox - для Mercedes-Benz M-class (W163) 1997—2005
Где находится - F1 - Fusebox fuse 15 Left rear of engine compartment top of fusebox - для Mercedes-Benz M-class (W163) 1997—2005
Где находится - F1 - Fusebox fuse 15 Left rear of engine compartment top of fusebox - для Mercedes-Benz M-class (W163) 1997—2005
Где находится - F1 - Fusebox fuse 16 Left rear of engine compartment top of fusebox - для Mercedes-Benz M-class (W163) 1997—2005
Где находится - F1 - Fusebox fuse 16 Left rear of engine compartment top of fusebox - для Mercedes-Benz M-class (W163) 1997—2005
Где находится - F1 - Fusebox fuse 17 Left rear of engine compartment top of fusebox - для Mercedes-Benz M-class (W163) 1997—2005
Где находится - F1 - Fusebox fuse 17 Left rear of engine compartment top of fusebox - для Mercedes-Benz M-class (W163) 1997—2005
Где находится - F1 - Fusebox fuse 18 Left rear of engine compartment top of fusebox - для Mercedes-Benz M-class (W163) 1997—2005
Где находится - F1 - Fusebox fuse 18 Left rear of engine compartment top of fusebox - для Mercedes-Benz M-class (W163) 1997—2005
Где находится - F1 - Fusebox fuse 19 Left rear of engine compartment top of fusebox - для Mercedes-Benz M-class (W163) 1997—2005
Где находится - F1 - Fusebox fuse 19 Left rear of engine compartment top of fusebox - для Mercedes-Benz M-class (W163) 1997—2005
Где находится - F1 - Fusebox fuse 20 Left rear of engine compartment top of fusebox - для Mercedes-Benz M-class (W163) 1997—2005
Где находится - F1 - Fusebox fuse 20 Left rear of engine compartment top of fusebox - для Mercedes-Benz M-class (W163) 1997—2005
Где находится - F1 - Fusebox fuse 21 Left rear of engine compartment top of fusebox - для Mercedes-Benz M-class (W163) 1997—2005
Где находится - F1 - Fusebox fuse 21 Left rear of engine compartment top of fusebox - для Mercedes-Benz M-class (W163) 1997—2005
Где находится - F1 - Fusebox fuse 22 Left rear of engine compartment top of fusebox - для Mercedes-Benz M-class (W163) 1997—2005
Где находится - F1 - Fusebox fuse 22 Left rear of engine compartment top of fusebox - для Mercedes-Benz M-class (W163) 1997—2005
Где находится - F1 - Fusebox fuse 23 Left rear of engine compartment top of fusebox - для Mercedes-Benz M-class (W163) 1997—2005
Где находится - F1 - Fusebox fuse 23 Left rear of engine compartment top of fusebox - для Mercedes-Benz M-class (W163) 1997—2005
Где находится - F1 - Fusebox fuse 24 Left rear of engine compartment top of fusebox - для Mercedes-Benz M-class (W163) 1997—2005
Где находится - F1 - Fusebox fuse 24 Left rear of engine compartment top of fusebox - для Mercedes-Benz M-class (W163) 1997—2005
Где находится - F1 - Fusebox fuse 25 Left rear of engine compartment top of fusebox - для Mercedes-Benz M-class (W163) 1997—2005
Где находится - F1 - Fusebox fuse 25 Left rear of engine compartment top of fusebox - для Mercedes-Benz M-class (W163) 1997—2005
Где находится - F1 - Fusebox fuse 26 Left rear of engine compartment top of fusebox - для Mercedes-Benz M-class (W163) 1997—2005
Где находится - F1 - Fusebox fuse 26 Left rear of engine compartment top of fusebox - для Mercedes-Benz M-class (W163) 1997—2005
Где находится - F1 - Fusebox fuse 27 Left rear of engine compartment top of fusebox - для Mercedes-Benz M-class (W163) 1997—2005
Где находится - F1 - Fusebox fuse 27 Left rear of engine compartment top of fusebox - для Mercedes-Benz M-class (W163) 1997—2005
Где находится - F1 - Fusebox fuse 28 Left rear of engine compartment top of fusebox - для Mercedes-Benz M-class (W163) 1997—2005
Где находится - F1 - Fusebox fuse 28 Left rear of engine compartment top of fusebox - для Mercedes-Benz M-class (W163) 1997—2005
Где находится - F1 - Fusebox fuse 29 Left rear of engine compartment top of fusebox - для Mercedes-Benz M-class (W163) 1997—2005
Где находится - F1 - Fusebox fuse 29 Left rear of engine compartment top of fusebox - для Mercedes-Benz M-class (W163) 1997—2005
Где находится - F1 - Fusebox fuse 30 Left rear of engine compartment top of fusebox - для Mercedes-Benz M-class (W163) 1997—2005
Где находится - F1 - Fusebox fuse 30 Left rear of engine compartment top of fusebox - для Mercedes-Benz M-class (W163) 1997—2005
Где находится - F1 - Fusebox fuse 31 Left rear of engine compartment top of fusebox - для Mercedes-Benz M-class (W163) 1997—2005
Где находится - F1 - Fusebox fuse 31 Left rear of engine compartment top of fusebox - для Mercedes-Benz M-class (W163) 1997—2005
Где находится - F1 - Fusebox fuse 32 Left rear of engine compartment top of fusebox - для Mercedes-Benz M-class (W163) 1997—2005
Где находится - F1 - Fusebox fuse 32 Left rear of engine compartment top of fusebox - для Mercedes-Benz M-class (W163) 1997—2005
Где находится - F1 - Fusebox fuse 33 Left rear of engine compartment top of fusebox - для Mercedes-Benz M-class (W163) 1997—2005
Где находится - F1 - Fusebox fuse 33 Left rear of engine compartment top of fusebox - для Mercedes-Benz M-class (W163) 1997—2005
Где находится - F1 - Fusebox fuse 34 Left rear of engine compartment top of fusebox - для Mercedes-Benz M-class (W163) 1997—2005
Где находится - F1 - Fusebox fuse 34 Left rear of engine compartment top of fusebox - для Mercedes-Benz M-class (W163) 1997—2005
Где находится - F1 - Fusebox fuse 35 Left rear of engine compartment top of fusebox - для Mercedes-Benz M-class (W163) 1997—2005
Где находится - F1 - Fusebox fuse 35 Left rear of engine compartment top of fusebox - для Mercedes-Benz M-class (W163) 1997—2005
Где находится - F1 - Fusebox fuse 36 Left rear of engine compartment top of fusebox - для Mercedes-Benz M-class (W163) 1997—2005
Где находится - F1 - Fusebox fuse 36 Left rear of engine compartment top of fusebox - для Mercedes-Benz M-class (W163) 1997—2005
Где находится - F1 - Fusebox fuse 37 Left rear of engine compartment top of fusebox - для Mercedes-Benz M-class (W163) 1997—2005
Где находится - F1 - Fusebox fuse 37 Left rear of engine compartment top of fusebox - для Mercedes-Benz M-class (W163) 1997—2005
Где находится - F1 - Fusebox fuse 38 Left rear of engine compartment top of fusebox - для Mercedes-Benz M-class (W163) 1997—2005
Где находится - F1 - Fusebox fuse 38 Left rear of engine compartment top of fusebox - для Mercedes-Benz M-class (W163) 1997—2005
Где находится - F1 - Fusebox fuse 39 Left rear of engine compartment top of fusebox - для Mercedes-Benz M-class (W163) 1997—2005
Где находится - F1 - Fusebox fuse 39 Left rear of engine compartment top of fusebox - для Mercedes-Benz M-class (W163) 1997—2005
Где находится - F1 - Fusebox fuse 40 Left rear of engine compartment top of fusebox - для Mercedes-Benz M-class (W163) 1997—2005
Где находится - F1 - Fusebox fuse 40 Left rear of engine compartment top of fusebox - для Mercedes-Benz M-class (W163) 1997—2005
Где находится - F1 - Fusebox fuse 41 Left rear of engine compartment top of fusebox - для Mercedes-Benz M-class (W163) 1997—2005
Где находится - F1 - Fusebox fuse 41 Left rear of engine compartment top of fusebox - для Mercedes-Benz M-class (W163) 1997—2005
Где находится - F1 - Fusebox fuse 42 Left rear of engine compartment top of fusebox - для Mercedes-Benz M-class (W163) 1997—2005
Где находится - F1 - Fusebox fuse 42 Left rear of engine compartment top of fusebox - для Mercedes-Benz M-class (W163) 1997—2005
Где находится - F1 - Fusebox fuse 43 Left rear of engine compartment top of fusebox - для Mercedes-Benz M-class (W163) 1997—2005
Где находится - F1 - Fusebox fuse 43 Left rear of engine compartment top of fusebox - для Mercedes-Benz M-class (W163) 1997—2005
Где находится - F1 - Fusebox fuse 44 Left rear of engine compartment top of fusebox - для Mercedes-Benz M-class (W163) 1997—2005
Где находится - F1 - Fusebox fuse 44 Left rear of engine compartment top of fusebox - для Mercedes-Benz M-class (W163) 1997—2005
Где находится - F1 - Fusebox fuse 45 Left rear of engine compartment top of fusebox - для Mercedes-Benz M-class (W163) 1997—2005
Где находится - F1 - Fusebox fuse 45 Left rear of engine compartment top of fusebox - для Mercedes-Benz M-class (W163) 1997—2005
Где находится - F1 - Fusebox fuse 46 Left rear of engine compartment top of fusebox - для Mercedes-Benz M-class (W163) 1997—2005
Где находится - F1 - Fusebox fuse 46 Left rear of engine compartment top of fusebox - для Mercedes-Benz M-class (W163) 1997—2005
Где находится - F1 - Fusebox fuse 47 Left rear of engine compartment top of fusebox - для Mercedes-Benz M-class (W163) 1997—2005
Где находится - F1 - Fusebox fuse 47 Left rear of engine compartment top of fusebox - для Mercedes-Benz M-class (W163) 1997—2005
Где находится - F1 - Fusebox fuse 48 Left rear of engine compartment top of fusebox - для Mercedes-Benz M-class (W163) 1997—2005
Где находится - F1 - Fusebox fuse 48 Left rear of engine compartment top of fusebox - для Mercedes-Benz M-class (W163) 1997—2005
Где находится - F1 - Rear window defroster relay Left rear of engine compartment top of fusebox - для Mercedes-Benz M-class (W163) 1997—2005
Где находится - F1 - Rear window defroster relay Left rear of engine compartment top of fusebox - для Mercedes-Benz M-class (W163) 1997—2005
Где находится - F1 - Two-tone horn relay Left rear of engine compartment top of fusebox - для Mercedes-Benz M-class (W163) 1997—2005
Где находится - F1 - Two-tone horn relay Left rear of engine compartment top of fusebox - для Mercedes-Benz M-class (W163) 1997—2005
Где находится - F1 - Fuel pump relay Left rear of engine compartment top of fusebox - для Mercedes-Benz M-class (W163) 1997—2005
Где находится - F1 - Fuel pump relay Left rear of engine compartment top of fusebox - для Mercedes-Benz M-class (W163) 1997—2005
Где находится - F1 - Left turn signal relay Left rear of engine compartment top of fusebox - для Mercedes-Benz M-class (W163) 1997—2005
Где находится - F1 - Left turn signal relay Left rear of engine compartment top of fusebox - для Mercedes-Benz M-class (W163) 1997—2005
Где находится - F1 - Cir. 58 relay Left rear of engine compartment top of fusebox - для Mercedes-Benz M-class (W163) 1997—2005
Где находится - F1 - Cir. 58 relay Left rear of engine compartment top of fusebox - для Mercedes-Benz M-class (W163) 1997—2005
Где находится - F1 - ESP stop lamp suppression Left rear of engine compartment top of fusebox - для Mercedes-Benz M-class (W163) 1997—2005
Где находится - F1 - ESP stop lamp suppression Left rear of engine compartment top of fusebox - для Mercedes-Benz M-class (W163) 1997—2005
Где находится - F1 - Right turn signal relay Left rear of engine compartment top of fusebox - для Mercedes-Benz M-class (W163) 1997—2005
Где находится - F1 - Right turn signal relay Left rear of engine compartment top of fusebox - для Mercedes-Benz M-class (W163) 1997—2005
Где находится - F1 - Starter relay Left rear of engine compartment top of fusebox - для Mercedes-Benz M-class (W163) 1997—2005
Где находится - F1 - Starter relay Left rear of engine compartment top of fusebox - для Mercedes-Benz M-class (W163) 1997—2005
Где находится - F1 - Cir. 58R relay Left rear of engine compartment top of fusebox - для Mercedes-Benz M-class (W163) 1997—2005
Где находится - F1 - Cir. 58R relay Left rear of engine compartment top of fusebox - для Mercedes-Benz M-class (W163) 1997—2005
Где находится - F1 - Fusebox relay k10 Left rear of engine compartment top of fusebox - для Mercedes-Benz M-class (W163) 1997—2005
Где находится - F1 - Fusebox relay k10 Left rear of engine compartment top of fusebox - для Mercedes-Benz M-class (W163) 1997—2005
Где находится - F1 - Cir. 15 delayed relay Left rear of engine compartment top of fusebox - для Mercedes-Benz M-class (W163) 1997—2005
Где находится - F1 - Cir. 15 delayed relay Left rear of engine compartment top of fusebox - для Mercedes-Benz M-class (W163) 1997—2005
Где находится - F1 - Cir. 15 relay Left rear of engine compartment top of fusebox - для Mercedes-Benz M-class (W163) 1997—2005
Где находится - F1 - Cir. 15 relay Left rear of engine compartment top of fusebox - для Mercedes-Benz M-class (W163) 1997—2005
Где находится - F1 - Cir. 58L relay Left rear of engine compartment top of fusebox - для Mercedes-Benz M-class (W163) 1997—2005
Где находится - F1 - Cir. 58L relay Left rear of engine compartment top of fusebox - для Mercedes-Benz M-class (W163) 1997—2005
Где находится - F1 - Convenience relay Left rear of engine compartment top of fusebox - для Mercedes-Benz M-class (W163) 1997—2005
Где находится - F1 - Convenience relay Left rear of engine compartment top of fusebox - для Mercedes-Benz M-class (W163) 1997—2005
Где находится - F1 - Right front power window relay Left rear of engine compartment top of fusebox - для Mercedes-Benz M-class (W163) 1997—2005
Где находится - F1 - Right front power window relay Left rear of engine compartment top of fusebox - для Mercedes-Benz M-class (W163) 1997—2005
Где находится - F1 - Front wiper motor relay Left rear of engine compartment top of fusebox - для Mercedes-Benz M-class (W163) 1997—2005
Где находится - F1 - Front wiper motor relay Left rear of engine compartment top of fusebox - для Mercedes-Benz M-class (W163) 1997—2005
Где находится - F1 - Left front power window relay Left rear of engine compartment to side of fusebox - для Mercedes-Benz M-class (W163) 1997—2005
Где находится - F1 - Left front power window relay Left rear of engine compartment to side of fusebox - для Mercedes-Benz M-class (W163) 1997—2005
Где находится - F1 - Circulation pump relay Left rear of engine compartment top of fusebox - для Mercedes-Benz M-class (W163) 1997—2005
Где находится - F1 - Circulation pump relay Left rear of engine compartment top of fusebox - для Mercedes-Benz M-class (W163) 1997—2005
Где находится - F1 - CL all doors lock relay Left rear of engine compartment top of fusebox - для Mercedes-Benz M-class (W163) 1997—2005
Где находится - F1 - CL all doors lock relay Left rear of engine compartment top of fusebox - для Mercedes-Benz M-class (W163) 1997—2005
Где находится - F1 - Blower motor relay Left rear of engine compartment top of fusebox - для Mercedes-Benz M-class (W163) 1997—2005
Где находится - F1 - Blower motor relay Left rear of engine compartment top of fusebox - для Mercedes-Benz M-class (W163) 1997—2005
Где находится - F1 - Low beam headlamp relay Left rear of engine compartment top of fusebox - для Mercedes-Benz M-class (W163) 1997—2005
Где находится - F1 - Low beam headlamp relay Left rear of engine compartment top of fusebox - для Mercedes-Benz M-class (W163) 1997—2005
Где находится - F1 - Eng. cooling fan stage 1 relay Left rear of engine compartment top of fusebox - для Mercedes-Benz M-class (W163) 1997—2005
Где находится - F1 - Eng. cooling fan stage 1 relay Left rear of engine compartment top of fusebox - для Mercedes-Benz M-class (W163) 1997—2005
Где находится - F1 - Eng. cooling fan stage 2 relay Left rear of engine compartment top of fusebox - для Mercedes-Benz M-class (W163) 1997—2005
Где находится - F1 - Eng. cooling fan stage 2 relay Left rear of engine compartment top of fusebox - для Mercedes-Benz M-class (W163) 1997—2005
Где находится - F1 - AIR relay Left rear of engine compartment top of fusebox - для Mercedes-Benz M-class (W163) 1997—2005
Где находится - F1 - AIR relay Left rear of engine compartment top of fusebox - для Mercedes-Benz M-class (W163) 1997—2005
Где находится - F1 - Rear fog lamp relay Left rear of engine compartment top of fusebox - для Mercedes-Benz M-class (W163) 1997—2005
Где находится - F1 - Rear fog lamp relay Left rear of engine compartment top of fusebox - для Mercedes-Benz M-class (W163) 1997—2005
Где находится - F1 - Front fog lamp relay Left rear of engine compartment top of fusebox - для Mercedes-Benz M-class (W163) 1997—2005
Где находится - F1 - Front fog lamp relay Left rear of engine compartment top of fusebox - для Mercedes-Benz M-class (W163) 1997—2005
Где находится - F1 - Alarm horn relay Left rear of engine compartment top of fusebox - для Mercedes-Benz M-class (W163) 1997—2005
Где находится - F1 - Alarm horn relay Left rear of engine compartment top of fusebox - для Mercedes-Benz M-class (W163) 1997—2005
Где находится - F1f4 - Fusebox fuse 4 Left rear of engine compartment top of fusebox - для Mercedes-Benz M-class (W163) 1997—2005
Где находится - F1f4 - Fusebox fuse 4 Left rear of engine compartment top of fusebox - для Mercedes-Benz M-class (W163) 1997—2005
Где находится - F1f4 - Fusebox fuse 40 Left rear of engine compartment top of fusebox - для Mercedes-Benz M-class (W163) 1997—2005
Где находится - F1f4 - Fusebox fuse 40 Left rear of engine compartment top of fusebox - для Mercedes-Benz M-class (W163) 1997—2005
Где находится - F1f4 - Fusebox fuse 41 Left rear of engine compartment top of fusebox - для Mercedes-Benz M-class (W163) 1997—2005
Где находится - F1f4 - Fusebox fuse 41 Left rear of engine compartment top of fusebox - для Mercedes-Benz M-class (W163) 1997—2005
Где находится - F1f4 - Fusebox fuse 42 Left rear of engine compartment top of fusebox - для Mercedes-Benz M-class (W163) 1997—2005
Где находится - F1f4 - Fusebox fuse 42 Left rear of engine compartment top of fusebox - для Mercedes-Benz M-class (W163) 1997—2005
Где находится - F1f4 - Fusebox fuse 43 Left rear of engine compartment top of fusebox - для Mercedes-Benz M-class (W163) 1997—2005
Где находится - F1f4 - Fusebox fuse 43 Left rear of engine compartment top of fusebox - для Mercedes-Benz M-class (W163) 1997—2005
Где находится - F1f4 - Fusebox fuse 44 Left rear of engine compartment top of fusebox - для Mercedes-Benz M-class (W163) 1997—2005
Где находится - F1f4 - Fusebox fuse 44 Left rear of engine compartment top of fusebox - для Mercedes-Benz M-class (W163) 1997—2005
Где находится - F1f4 - Fusebox fuse 45 Left rear of engine compartment top of fusebox - для Mercedes-Benz M-class (W163) 1997—2005
Где находится - F1f4 - Fusebox fuse 45 Left rear of engine compartment top of fusebox - для Mercedes-Benz M-class (W163) 1997—2005
Где находится - F1f4 - Fusebox fuse 46 Left rear of engine compartment top of fusebox - для Mercedes-Benz M-class (W163) 1997—2005
Где находится - F1f4 - Fusebox fuse 46 Left rear of engine compartment top of fusebox - для Mercedes-Benz M-class (W163) 1997—2005
Где находится - F1f4 - Fusebox fuse 47 Left rear of engine compartment top of fusebox - для Mercedes-Benz M-class (W163) 1997—2005
Где находится - F1f4 - Fusebox fuse 47 Left rear of engine compartment top of fusebox - для Mercedes-Benz M-class (W163) 1997—2005
Где находится - F1f4 - Fusebox fuse 48 Left rear of engine compartment top of fusebox - для Mercedes-Benz M-class (W163) 1997—2005
Где находится - F1f4 - Fusebox fuse 48 Left rear of engine compartment top of fusebox - для Mercedes-Benz M-class (W163) 1997—2005
Где находится - F1k14 - Convenience relay Left rear of engine compartment top of fusebox - для Mercedes-Benz M-class (W163) 1997—2005
Где находится - F1k14 - Convenience relay Left rear of engine compartment top of fusebox - для Mercedes-Benz M-class (W163) 1997—2005
Где находится - G1 - Battery Engine compartment right rear on firewall - для Mercedes-Benz M-class (W163) 1997—2005
Где находится - G1 - Battery Engine compartment right rear on firewall - для Mercedes-Benz M-class (W163) 1997—2005
Где находится - N10 - All Activity Module (AAM) Engine compartment left rear - для Mercedes-Benz M-class (W163) 1997—2005
Где находится - N10 - All Activity Module (AAM) Engine compartment left rear - для Mercedes-Benz M-class (W163) 1997—2005
Где находится - N10 - AAM conn. 2 Engine compartment left side - для Mercedes-Benz M-class (W163) 1997—2005
Где находится - N10 - AAM conn. 2 Engine compartment left side - для Mercedes-Benz M-class (W163) 1997—2005
Где находится - N10 - AAM conn. 3 Engine compartment left side - для Mercedes-Benz M-class (W163) 1997—2005
Где находится - N10 - AAM conn. 3 Engine compartment left side - для Mercedes-Benz M-class (W163) 1997—2005
Где находится - N10 - AAM conn. 4 Engine compartment left side - для Mercedes-Benz M-class (W163) 1997—2005
Где находится - N10 - AAM conn. 4 Engine compartment left side - для Mercedes-Benz M-class (W163) 1997—2005
Где находится - N10 - AAM conn. 5 Engine compartment left side - для Mercedes-Benz M-class (W163) 1997—2005
Где находится - N10 - AAM conn. 5 Engine compartment left side - для Mercedes-Benz M-class (W163) 1997—2005
Где находится - N10 - AAM conn. 6 Engine compartment left side - для Mercedes-Benz M-class (W163) 1997—2005
Где находится - N10 - AAM conn. 6 Engine compartment left side - для Mercedes-Benz M-class (W163) 1997—2005
Где находится - N10/1 - Extended All Activity Module (AAM) Interior compartment left side behind instrument cluster - для Mercedes-Benz M-class (W163) 1997—2005
Где находится - S139 - Roof operating unit switch module Passenger compartment at center of windshield header - для Mercedes-Benz M-class (W163) 1997—2005
Где находится - S139 - Roof operating unit switch module Passenger compartment at center of windshield header - для Mercedes-Benz M-class (W163) 1997—2005
Где находится - S139 - Interior lighting switch Passenger compartment at center of windshield header - для Mercedes-Benz M-class (W163) 1997—2005
Где находится - S139 - Interior lighting switch Passenger compartment at center of windshield header - для Mercedes-Benz M-class (W163) 1997—2005
Где находится - S139 - Tele aid switch Passenger compartment at center of windshield header - для Mercedes-Benz M-class (W163) 1997—2005
Где находится - S139 - Tele aid switch Passenger compartment at center of windshield header - для Mercedes-Benz M-class (W163) 1997—2005
Где находится - S139 - Info and breakdown service switch Passenger compartment at center of windshield header - для Mercedes-Benz M-class (W163) 1997—2005
Где находится - S139 - Info and breakdown service switch Passenger compartment at center of windshield header - для Mercedes-Benz M-class (W163) 1997—2005
Где находится - S139 - Lamella sunroof switch Passenger compartment at center of windshield header - для Mercedes-Benz M-class (W163) 1997—2005
Где находится - S139 - Lamella sunroof switch Passenger compartment at center of windshield header - для Mercedes-Benz M-class (W163) 1997—2005
Где находится - W16/4 - Ground (output) Engine compartment right rear - для Mercedes-Benz M-class (W163) 1997—2005
Где находится - W7 - Ground (Right rear wheel housing) Passenger compartment - для Mercedes-Benz M-class (W163) 1997—2005
Где находится - W7 - Ground (Right rear wheel housing) Passenger compartment - для Mercedes-Benz M-class (W163) 1997—2005
Где находится - X12/3 - Fusebox Cir. 30 terminal Left rear of engine compartment top rear of fusebox - для Mercedes-Benz M-class (W163) 1997—2005
Где находится - X12/3 - Fusebox Cir. 15 terminal Left rear of engine compartment top rear of fusebox - для Mercedes-Benz M-class (W163) 1997—2005
Где находится - X12/3 - Fusebox Cir. 31 terminal Left rear of engine compartment top rear of fusebox - для Mercedes-Benz M-class (W163) 1997—2005
Где находится - X18/2 - Taillamp harn. conn. Left rear of engine compartment in fuse box and relay box - для Mercedes-Benz M-class (W163) 1997—2005
Где находится - X18/2 - Coolant and heater booster ON switch connector Left rear engine compartment - для Mercedes-Benz M-class (W163) 1997—2005
Где находится - X18/2 - Cockpit and roof connector Left rear engine compartment - для Mercedes-Benz M-class (W163) 1997—2005
Где находится - X18/2 - Interior/right engine compartment connector Left rear engine compartment - для Mercedes-Benz M-class (W163) 1997—2005
Где находится - X18/2 - Right cockpit/engine compartment connector Left rear engine compartment - для Mercedes-Benz M-class (W163) 1997—2005
Где находится - X18/2 - Left cockpit/engine compartment connector Left rear engine compartment - для Mercedes-Benz M-class (W163) 1997—2005
Где находится - X4/37 - Terminal block (circuit 30) Passenger footwell near right A pillar - для Mercedes-Benz M-class (W163) 1997—2005
Где находится - Z54/3 - Cir. 31 solder splice Passenger compartment center of windshield header - для Mercedes-Benz M-class (W163) 1997—2005
Can't find your car? Check -> DiagnostData.com!