AUTOMOTIVE ELECTRICIANS

Электросхема ДИАГНОСТИЧ. РАЗЪЕМ для Renault Avantime 2001-2003 2003-04-01 ДВИГАТЕЛЬ L7X – ДВИГАТЕЛЬ F4RT – МЕХАНИЧЕСКАЯ КОРОБКА ПЕРЕДАЧ – ЛЕВОСТОРОННЕЕ РУЛЕВОЕ УПРАВЛЕНИЕ – КЛИМАТИЧЕСКАЯ УСТАНОВКА С АВТОМАТИЧЕСКИМ УПРАВЛЕНИЕМ – СИСТЕМА СТАБИЛИЗАЦИИ ТРАЕКТОРИИ

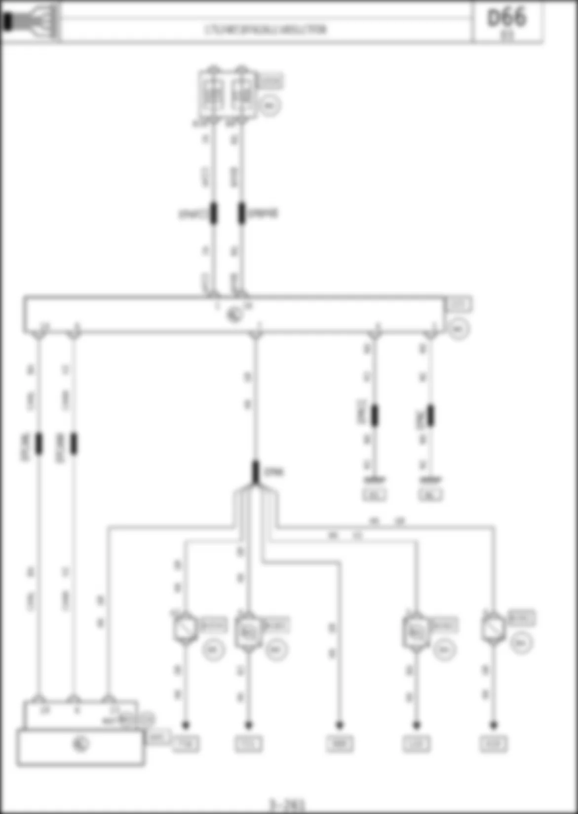
Электросхема ДИАГНОСТИЧ. РАЗЪЕМ для Renault Avantime 2001-2003 2003-04-01

Электросхема ДИАГНОСТИЧ. РАЗЪЕМ для Renault Avantime 2001-2003 2003-04-01 ДВИГАТЕЛЬ L7X – ДВИГАТЕЛЬ F4RT – МЕХАНИЧЕСКАЯ КОРОБКА ПЕРЕДАЧ – ЛЕВОСТОРОННЕЕ РУЛЕВОЕ УПРАВЛЕНИЕ – КЛИМАТИЧЕСКАЯ УСТАНОВКА С АВТОМАТИЧЕСКИМ УПРАВЛЕНИЕМ – СИСТЕМА СТАБИЛИЗАЦИИ ТРАЕКТОРИИ


Электросхема подходит для следующей комплектации автомобиля:
- ДВИГАТЕЛЬ L7X - ДВИГАТЕЛЬ F4RT - МЕХАНИЧЕСКАЯ КОРОБКА ПЕРЕДАЧ - ЛЕВОСТОРОННЕЕ РУЛЕВОЕ УПРАВЛЕНИЕ - КЛИМАТИЧЕСКАЯ УСТАНОВКА С АВТОМАТИЧЕСКИМ УПРАВЛЕНИЕМ - СИСТЕМА СТАБИЛИЗАЦИИ ТРАЕКТОРИИ

Код Элемента
При нажатии переход на распиновку разъема
(при отсутствии информации, перехода не будет)
Наименовение Элемента
При нажатии переход на расположение элемента
(при отсутствии информации, перехода не будет)
1016
120
225
419
645
721
756
989
MJ
NC
R183
R261
R262
R354

Распиновки Разъемов и расположения элементов ДИАГНОСТИЧ. РАЗЪЕМ для Renault Avantime 2001-2003 2003-04-01




Распиновка разъема 1016 - БЛОК ПРЕДОХРАНИТЕЛЕЙ В САЛОНЕ для Renault Avantime 2001-2003 2003-04-01






Распиновка разъема 1016 - БЛОК ПРЕДОХРАНИТЕЛЕЙ В САЛОНЕ для Renault Avantime 2001-2003 2003-04-01

- -
A1 - 0.35 - SP3+ ВСПОМ. ЭЛЕКТРООБ. Ч/З ПРЕДОХР. > ОТОП.
B1 - 0.5 - A+ ПОСЛЕ ЗАМКА ЗАЖИГ.
A2 - 0.5 - MJЭЛЕКТРИЧЕСКАЯ "МАССА" НА ПРАВОЙ ПЕРЕДНЕЙ СТОЙКЕ
B2 - 0.5 - MJЭЛЕКТРИЧЕСКАЯ "МАССА" НА ПРАВОЙ ПЕРЕДНЕЙ СТОЙКЕ
A3 - 7.0 - BP1+ АККУМУЛ. БАТАРЕИ Ч/З ПРЕДОХР. > КОНДИЦИОНЕР
B3 - 6.0 - BP11+ АККУМУЛ. БАТАРЕИ Ч/З ПРЕДОХР. > САЛОНА АВТОМОБИЛЯ 1
A5 - 7.0 - 38AУПР. "+", РЕЛЕ ЭЛЕКТРОВЕНТИЛЯТОРА
B5 - 6.0 - AR+ ПОСЛЕ ЗАМКА ЗАЖИГ. > РЕЛЕ


Где находится элемент 1016 - БЛОК ПРЕДОХРАНИТЕЛЕЙ В САЛОНЕ для Renault Avantime 2001-2003 2003-04-01





Распиновка разъема 120 - ЭБУ СИСТ. ВПР. для Renault Avantime 2001-2003 2003-04-01






Распиновка разъема 120 - ЭБУ СИСТ. ВПР. для Renault Avantime 2001-2003 2003-04-01

- -
A2 - 0.5 - 3FXУПР. - ВЫКЛЮЧАТЕЛЯ КРУИЗ-КОНТРОЛЯ
B2 - 0.5 - 3DC"-" УПРАВЛЯЮЩЕГО СИГНАЛА РЕЛЕ КОМПРЕССОРА > ЭБУ СИСТЕМЫ ВПРЫСКА
D2 - 0.5 - 86GУПР. ПРОГРАММИРОВАНИЕМ РЕГУЛЯТОРА СКОРОСТИ
F2 - 0.5 - 3LU+ ПОТЕНЦИОМЕТРА НАГРУЗКИ 2
G2 - 1.0 - 3LR+ ПОТЕНЦИОМЕТРА НАГРУЗКИ 1
H2 - 1.0 - 3LSСИГН. + ПОТЕНЦИОМЕТРА НАГРУЗКИ 1
A3 - 0.5 - CANLДИАГНОСТИЧЕСКИЙ СИГН. CAN L
C3 - 0.5 - 3PDВЫКЛ. ОГРАНИЧИТЕЛЯ СКОРОСТИ
D3 - 0.5 - 86MСИГН. ВОЗВРАТА ПРОГРАММИРОВАНИЯ РЕГУЛЯТОРА СКОРОСТИ
F3 - 0.5 - 3LWСИГН. + ПОТЕНЦИОМЕТРА НАГРУЗКИ 2
H3 - 1.0 - 3LT- ПОТЕНЦИОМЕТРА НАГРУЗКИ 1
A4 - 0.5 - CANHДИАГНОСТИЧЕСКИЙ СИГН. CAN H
B4 - 0.5 - HKДИАГНОСТИЧЕСКИЙ СИГН. K
C4 - 0.5 - 38ADУПР. "-", ОБМОТКА РЕЛЕ ВРЕМЕНИ, ПЕДАЛИ АКСЕЛЕРАТОРА > ПЕДАЛЬ СЦЕПЛЕНИЯ
E4 - 0.5 - 86HСИГН. ВЫКЛЮЧАТЕЛЯ СТОП- СИГНАЛА
F4 - 0.5 - 3LV- ПОТЕНЦИОМЕТРА НАГРУЗКИ 2
G4 - 2.0 - MHЭЛЕКТРОННАЯ "МАССА" ДВИГАТЕЛЯ
H4 - 2.0 - MHЭЛЕКТРОННАЯ "МАССА" ДВИГАТЕЛЯ


Где находится элемент 120 - ЭБУ СИСТ. ВПР. для Renault Avantime 2001-2003 2003-04-01





Распиновка разъема 225 - ДИАГНОСТИЧЕСКИЙ РАЗ. для Renault Avantime 2001-2003 2003-04-01






Распиновка разъема 225 - ДИАГНОСТИЧЕСКИЙ РАЗ. для Renault Avantime 2001-2003 2003-04-01

- -
1 - 0.35 - AP23+ ПОСЛЕ ЗАМКА ЗАЖИГ. Ч/З ПРЕДОХР., ПРЕДОХР. АДАПТ. УСИЛ. РУЛЕВОГО УПР.
4 - 0.5 - MJЭЛЕКТРИЧЕСКАЯ "МАССА" НА ПРАВОЙ ПЕРЕДНЕЙ СТОЙКЕ
5 - 0.35 - NC"МАССА" ЭЛЕКТРОННЫХ ПРИБОРОВ НА ЛЕВОЙ ПЕРЕДНЕЙ СТОЙКЕ
6 - 0.35 - CANHДИАГНОСТИЧЕСКИЙ СИГН. CAN H
7 - 0.35 - HKДИАГНОСТИЧЕСКИЙ СИГН. K
14 - 0.35 - CANLДИАГНОСТИЧЕСКИЙ СИГН. CAN L
15 - 0.35 - HLДИАГНОСТИЧЕСКИЙ СИГН. L
16 - 0.35 - BP48+ АККУМУЛ. БАТАРЕИ Ч/З ПРЕДОХРАН. > СТКЛПОД.


Где находится элемент 225 - ДИАГНОСТИЧЕСКИЙ РАЗ. для Renault Avantime 2001-2003 2003-04-01





Распиновка разъема 419 - ЭБУ КЛИМАТИЧЕСКОЙ УСТАНОВКИ для Renault Avantime 2001-2003 2003-04-01






Распиновка разъема 419 - ЭБУ КЛИМАТИЧЕСКОЙ УСТАНОВКИ для Renault Avantime 2001-2003 2003-04-01

- -
1 - 0.35 - 38EHНАПР.ВРАЩ.ЭЛ.ДВИГ.ПРИВОДА ЛЕВ.ЗАСЛ. РАСП.ВОЗД.ПОТОК. ПОДАЧИ ТЕПЛ.ВОЗД.НА СТЕК.
2 - 0.35 - 38EGНАПРАВЛ. ВРАЩ. ЭЛ.ДВИГ. ПРИВОДА ЛЕВ. ЗАСЛ. РАСП.ВОЗД. ПОТОК. ДЛЯ ВЕНТИЛЯЦИИ
3 - 0.6 - 38DA"-" УПР., ЭЛЕКТРОВЕНИТИЛЯТОР ОТОПИТЕЛЯ > ПАНЕЛЬ УПР. КЛИМАТ. УСТАН.
4 - 0.35 - 38DU"-" ПОТЕНЦИОМЕТРА ЭЛ.ДВИГ. ПРИВОДА ПРАВ. ЗАСЛ. СМЕШ. ВОЗД. ПОТОК.
5 - 0.35 - 38GG- ДАТЧ. ТЕМП. В САЛОНЕ
6 - 0.35 - 38DMНАРУЖНЫЙ ВОЗДУХ ПРАВЫЙ ЭЛ.ДВИГ.
7 - 0.35 - 38DNПРАВЫЙ ЭЛ.ДВИГ. СИСТЕМЫ РЕЦИРКУЛЯЦИИ ВОЗДУХА В САЛОНЕ
8 - 0.35 - 38DQЭЛ.ДВИГ. ПРИВОДА ЛЕВОЙ ЗАСЛОНКИ
9 - 0.35 - 38DPНАРУЖНЫЙ ВОЗДУХ ЛЕВЫЙ ЭЛ.ДВИГ.
10 - 0.35 - 38MCСИГНАЛ ПОСЛЕДОВАТЕЛЬНОСТИ КОМАНД ВОДИТЕЛЯ НА УПР. АВТ. КЛИМАТ. УСТАН.
11 - 0.35 - 38DZ"+" ПОТЕНЦИОМЕТРА ЭЛ.ДВИГ. ПРИВОДА ЛЕВ. ЗАСЛ. СМЕШ. ВОЗД. ПОТОК.
12 - 0.35 - 38DT"+" ПОТЕНЦИОМЕТРА ЭЛ.ДВИГ. ПРИВОДА ПРАВ. ЗАСЛ. СМЕШ. ВОЗД. ПОТОК.
13 - 0.35 - 38GW0 В ДАТЧИКА ИНТЕНСИВНОСТИ ОСВЕЩЕНИЯ
14 - 0.35 - 38ED- ПОТЕНЦИОМЕТРА ЭЛ.ДВИГ. ПРИВОДА ПРАВ. ЗАСЛ. РАСПРЕДЕЛ. ВОЗД. ПОТОК.
15 - 0.35 - 38EJ- ПОТЕНЦИОМЕТРА ЭЛ.ДВИГ. ПРИВОДА ЛЕВ. ЗАСЛ. РАСПРЕДЕЛ. ВОЗД. ПОТОК.
16 - 0.35 - 38DY"-" ПОТЕНЦИОМЕТРА ЭЛ.ДВИГ. ПРИВОДА ЛЕВ. ЗАСЛ. СМЕШ. ВОЗД. ПОТОК.
17 - 0.35 - 38GXСИГН. ДАТЧ. ИНТЕНСИВНОСТИ СОЛНЕЧНОГО ИЗЛУЧЕНИЯ
18 - 0.35 - 38MBСИГНАЛ ЛЕВОГО ДАТЧИКА ИНТЕНСИВНОСТИ ОСВЕЩЕНИЯ
19 - 0.35 - 38GD"+" ДАТЧИКА ТЕМП. ВОЗД. В САЛОНЕ, ТЕПЛОНАПРЯЖЕННОЕ МЕСТО
20 - 0.35 - 38MDСИГНАЛ ПОСЛЕДОВАТЕЛЬНОСТИ КОМАНД ПАССАЖИРА НА УПР. АВТ. КЛИМАТ. УСТАН.


Где находится элемент 419 - ЭБУ КЛИМАТИЧЕСКОЙ УСТАНОВКИ для Renault Avantime 2001-2003 2003-04-01





Распиновка разъема 645 - КОММУТАЦИОННЫЙ БЛОК САЛОНА для Renault Avantime 2001-2003 2003-04-01






Распиновка разъема 645 - КОММУТАЦИОННЫЙ БЛОК САЛОНА для Renault Avantime 2001-2003 2003-04-01

- -
1 - 0.6 - 19BУПР. + ОСВЕЩ. ВОДИТЕЛЬСКОГО МЕСТА
2 - 0.35 - 64QУПР. - РЕЛЕ ВРЕМЕНИ, РЕЛЕ-ПРЕРЫВАТЕЛЬ УКАЗ. ПОВОР. И АВАР. СИГНАЛИЗ.
3 - 0.35 - 64TУПР. ВКЛЮЧЕНИЕМ РЕЛЕ ВРЕМЕНИ ЛЕВОГО УКАЗАТЕЛЯ ПОВОРОТА > ЭБУ
4 - 0.35 - 47KУПР. - КНОПКИ УПР. ВЫВОДОМ ДАННЫХ НА ДИСПЛЕЙ БОРТОВОГО КОМПЬЮТЕРА
5 - 0.35 - C+ БЛИЖНЕГО СВЕТА ФАР
6 - 0.35 - 14GУПР. МАЛОЙ СКОР. РАБОТЫ СТЕКЛООЧ. > ЭБУ
7 - 0.35 - 64FУПР. + СИГН. ЛАМПЫ АВАРИЙНОЙ СИГНАЛИЗАЦИИ
8 - 0.35 - 16AУПР. + ОМЫВАТЕЛЯ ВЕТРОВОГО СТКЛ.
9 - 0.35 - 80XСИГН. ШИНЫ (ИНТЕРФЕЙС) АНТЕННЫ ТРАНСПОНДЕРА
10 - 0.35 - 80Z+АНТЕННЫ ТРАНСПОНДЕРА
11 - 0.5 - CANHДИАГНОСТИЧЕСКИЙ СИГН. CAN H
13 - 0.35 - 14DУПР. МАЛОЙ СКОРОСТЬЮ РЕЛЕ ВРЕМЕНИ СТЕКЛООЧ. ВЕТРОВОГО СТКЛ.
14 - 0.35 - 13CУПР. "-", ЛАМПЫ ПЛАФОНА ОСВЕЩЕНИЯ САЛОНА
15 - 0.35 - 36EУПР. + РЕЛЕ ВРЕМЕНИ СТЕКЛООЧИСТИТЕЛЯ ЗАДН. СТКЛ.
16 - 0.35 - 64SУПР. ВКЛЮЧЕНИЕМ РЕЛЕ ВРЕМЕНИ ПРАВОГО УКАЗАТЕЛЯ ПОВОРОТА > ЭБУ
17 - 0.35 - 8HУПР. "+" ПРОТИВОТУМАННЫЕ ФАРЫ > ЦЭКБС
18 - 0.35 - R+ ДАЛЬНЕГО СВЕТА ФАР
19 - 0.35 - 14HУПР. БОЛЬШОЙ СКОРОСТЬЮ РАБОТЫ СТЕКЛООЧИСТИТЕЛЯ > ЭБУ
20 - 0.35 - 38BAДАВЛЕНИЕ ХЛАДАГЕНТА
21 - 0.35 - 24AУПР. + ЭЛ.ДВИГ. ЗАДН. СТКЛПОД.
22 - 0.35 - 80W- АНТЕННЫ ТРАНСПОНДЕРА
23 - 0.35 - 80YСИГН. ТАЙМЕРА ТРАНСПОНДЕРА
24 - 0.5 - CANLДИАГНОСТИЧЕСКИЙ СИГН. CAN L
26 - 0.5 - BP69+ АККУМУЛ. БАТАРЕИ Ч/З ПРЕДОХР. > ЩИТОК ПРИБОРОВ > ЭБУ КОНТРОЛЯ ИСПР. ЛАМП


Где находится элемент 645 - КОММУТАЦИОННЫЙ БЛОК САЛОНА для Renault Avantime 2001-2003 2003-04-01





Распиновка разъема 721 - УЗЕЛ ЭБУ АБС И ГИДРОБЛОКА АБС для Renault Avantime 2001-2003 2003-04-01






Распиновка разъема 721 - УЗЕЛ ЭБУ АБС И ГИДРОБЛОКА АБС для Renault Avantime 2001-2003 2003-04-01

- -
1 - 0.5 - 4T+ ДАТЧ. СКОРОС. ВРАЩ. ПРАВ. ЗАДН. КОЛ.
3 - 0.5 - 4SСИГН. ДАТЧ. СКОРОС. ВРАЩ. ПРАВ. ЗАДН. КОЛ.
4 - 0.5 - 4N+ ДАТЧ. СКОРОС. ВРАЩ. ПРАВ. ПЕРЕД. КОЛ.
5 - 0.5 - 4MСИГН. ДАТЧ. СКОРОС. ВРАЩ. ПРАВ. ПЕРЕД. КОЛ.
6 - 0.5 - 4E+ ДАТЧ. СКОРОС. ВРАЩ. ЛЕВ. ПЕРЕД. КОЛ.
7 - 0.5 - 4CСИГН. ДАТЧ. СКОР. ВРАЩ. ЛЕВ. ПЕРЕД. КОЛ.
8 - 0.5 - 4H+ ДАТЧ. СКОРОС. ВРАЩ. ЛЕВ. ЗАДН. КОЛ.
9 - 0.5 - 4GСИГН. ДАТЧ. СКОРОС. ВРАЩ. ЛЕВ. ЗАДН. КОЛ.
11 - 0.5 - HKДИАГНОСТИЧЕСКИЙ СИГН. K
12 - 0.5 - HLДИАГНОСТИЧЕСКИЙ СИГН. L
14 - 0.5 - 65AУПР. + ФОНАРЕЙ СТОП-СИГНАЛА
15 - 1.0 - AP5+ ПОСЛЕ ЗАМКА ЗАЖИГ. Ч/З ПРЕДОХР., ПРЕДОХР. АБС
16 - 4.0 - MAG"МАССА" КРОНШТЕЙНА АБС
17 - 4.0 - BP14+ АККУМУЛ. БАТАРЕИ Ч/З ПРЕДОХР. > АБС
18 - 4.0 - BP14+ АККУМУЛ. БАТАРЕИ Ч/З ПРЕДОХР. > АБС
19 - 4.0 - ND"МАССА" ЭЛЕКТРОННЫХ ПРИБОРОВ АБС
21 - 0.5 - 4Z- СИГН. ЛАМПЫ АБС
22 - 0.75 - 47FСИГН. СКОРОСТИ АВТОМОБИЛЯ


Где находится элемент 721 - УЗЕЛ ЭБУ АБС И ГИДРОБЛОКА АБС для Renault Avantime 2001-2003 2003-04-01





Распиновка разъема 756 - ЭБУ ПОДУШЕК БЕЗОПАСНОСТИ И ПРЕДНАТЯЖИТЕЛЕЙ РЕМНЕЙ БЕЗОПАСНОСТИ для Renault Avantime 2001-2003 2003-04-01






Распиновка разъема 756 - ЭБУ ПОДУШЕК БЕЗОПАСНОСТИ И ПРЕДНАТЯЖИТЕЛЕЙ РЕМНЕЙ БЕЗОПАСНОСТИ для Renault Avantime 2001-2003 2003-04-01

- -
34 - 0.35 - HKДИАГНОСТИЧЕСКИЙ СИГН. K
35 - 0.5 - 60G-СИГНАЛА ПОДУШКИ БЕЗОП. ТИПА EUROBAG ВОДИТ.
37 - 0.5 - 60KУПР. - ФРОНТАЛЬНОЙ ПОДУШКИ БЕЗОП. ПАССАЖИРА, УРОВЕНЬ 1
38 - 0.5 - 60LУПР. + ФРОНТАЛЬНОЙ ПОДУШКИ БЕЗОП. ПАССАЖИРА, УРОВЕНЬ 2
41 - 0.5 - 60ASУПР. - БОКОВОЙ ПОДУШКИ БЕЗОПАСН. ДЛЯ ЗАЩИТЫ ГРУДНОЙ КЛЕТКИ ВОДИТ.
42 - 0.5 - 60BBУПР. + БОКОВОЙ ПОДУШКИ БЕЗОП. ДЛЯ ЗАЩИТЫ ГРУДНОЙ КЛЕТКИ ПАССАЖИРА
43 - 0.5 - 60BZУПРАВЛ. "-" БОКОВОЙ ШТОРКОЙ БЕЗОПАСНОСТИ ВОДИТЕЛЯ
44 - 0.5 - 60CAУПРАВЛ. "+ " БОКОВОЙ ШТОРКОЙ БЕЗОПАСНОСТИ ПАССАЖИРА
45 - 0.75 - 60CAУПРАВЛ. "+ " БОКОВОЙ ШТОРКОЙ БЕЗОПАСНОСТИ ПАССАЖИРА
46 - 0.75 - 60AFСИГН. + ПДУ НА МЕСТЕ ПАССАЖИРА
26 - 0.5 - 60ALУПР. - ПРЕДНАТЯЖИТЕЛЯ ПОЯСНИЧНОЙ ЧАСТИ РЕМНЯ БЕЗОП. ВОДИТ.
27 - 0.5 - 60AZ"+" УПРАВЛЯЮЩЕГО СИГНАЛА ПРЕДНАТЯЖИТЕЛЯ ПОЯСНОЙ ВЕТВИ РЕМНЯ БЕЗОП. ПАССАЖИРА
28 - 0.5 - 60E-СИГНАЛА ПРЕДНАТЯЖИТЕЛЯ РЕМНЯ БЕЗОП. ВОДИТ.
29 - 0.5 - 60B+СИГНАЛА ПРЕДНАТЯЖИТЕЛЯ РЕМНЯ БЕЗОП. ПАССАЖИРА
30 - 0.75 - AP25+ ПОСЛЕ ЗАМКА ЗАЖ. Ч/З ПРЕДОХР., ПРЕДОХР. ПОДУШКИ БЕЗОП.
31 - 0.75 - MBЭЛЕКТРИЧЕСКАЯ "МАССА" ЛЕВОЙ ПЕРЕДНЕЙ ЧАСТИ КУЗОВА


Где находится элемент 756 - ЭБУ ПОДУШЕК БЕЗОПАСНОСТИ И ПРЕДНАТЯЖИТЕЛЕЙ РЕМНЕЙ БЕЗОПАСНОСТИ для Renault Avantime 2001-2003 2003-04-01





Распиновка разъема 989 - ЭБУ КСЕНОНОВОЙ ЛАМПЫ для Renault Avantime 2001-2003 2003-04-01






Распиновка разъема 989 - ЭБУ КСЕНОНОВОЙ ЛАМПЫ для Renault Avantime 2001-2003 2003-04-01

- -
1 - 0.35 - 103F+ ДАТЧ. ПРАВОГО ПЕР. ПОТЕНЦИОМЕТРА
5 - 0.35 - 103H- ДАТЧ. ПРАВОГО ПЕР. ПОТЕНЦИОМЕТРА
6 - 0.35 - 103E- ПРАВОГО ЗАДН. ПОТЕНЦИОМЕТРА
9 - 0.35 - 103AУПР. УСТАНОВКОЙ ФАР
10 - 0.35 - 103C+ДАТЧ. ЛЕВОГО ЗАДН. ПОТЕНЦИОМЕТРА
11 - 0.35 - HKДИАГНОСТИЧЕСКИЙ СИГН. K
12 - 0.35 - 103DВХОД ДАТЧ. ЛЕВОГО ЗАДН. ПОТЕНЦИОМЕТРА
14 - 0.5 - NC"МАССА" ЭЛЕКТРОННЫХ ПРИБОРОВ НА ЛЕВОЙ ПЕРЕДНЕЙ СТОЙКЕ
15 - 0.35 - 103GСИГН. ПРАВОГО ПЕР. ПОТЕНЦИОМЕТРА
16 - 0.35 - 103KСИГНАЛЬНАЯ ЛАМПА НЕИСПРАВН. ЗАДН. СТКЛ. С ЭЛЕКТРООБОГРЕВОМ
17 - 0.5 - AP21+ ПОСЛЕ ЗАМКА ЗАЖИГ. Ч/З ПРЕДОХР., ПРЕДОХР. СИСТ. ПОДДЕРЖ. ВЫС. КУЗ.


Где находится элемент 989 - ЭБУ КСЕНОНОВОЙ ЛАМПЫ для Renault Avantime 2001-2003 2003-04-01





Распиновка разъема R183 - РАЗ. ЭЛПРОВ. САЛОНА/АБС для Renault Avantime 2001-2003 2003-04-01






Распиновка разъема R183 - РАЗ. ЭЛПРОВ. САЛОНА/АБС для Renault Avantime 2001-2003 2003-04-01

- -
1 - 1.0 - AP5+ ПОСЛЕ ЗАМКА ЗАЖИГ. Ч/З ПРЕДОХР., ПРЕДОХР. АБС
2 - 0.5 - 65AУПР. + ФОНАРЕЙ СТОП-СИГНАЛА
3 - 0.5 - 4Z- СИГН. ЛАМПЫ АБС
4 - 0.5 - HKДИАГНОСТИЧЕСКИЙ СИГН. K
5 - 0.5 - LPD+ ПРАВОГО ГАБАРИТНОГО ОГНЯ Ч/З ПРЕДОХР.
5 - 0.5 - LPD+ ПРАВОГО ГАБАРИТНОГО ОГНЯ Ч/З ПРЕДОХР.
6 - 0.5 - 103DВХОД ДАТЧ. ЛЕВОГО ЗАДН. ПОТЕНЦИОМЕТРА
7 - 0.5 - 103E- ПРАВОГО ЗАДН. ПОТЕНЦИОМЕТРА
8 - 0.5 - 103C+ДАТЧ. ЛЕВОГО ЗАДН. ПОТЕНЦИОМЕТРА


Где находится элемент R183 - РАЗ. ЭЛПРОВ. САЛОНА/АБС для Renault Avantime 2001-2003 2003-04-01





Распиновка разъема R261 - РАЗЪЕМ ЖГУТОВ ПРОВОД. САЛОНА И ВОЗДУХОВОДА СИСТЕМЫ ОТОПЛЕНИЯ для Renault Avantime 2001-2003 2003-04-01






Распиновка разъема R261 - РАЗЪЕМ ЖГУТОВ ПРОВОД. САЛОНА И ВОЗДУХОВОДА СИСТЕМЫ ОТОПЛЕНИЯ для Renault Avantime 2001-2003 2003-04-01

- -
1 - 1.5 - 24AУПР. + ЭЛ.ДВИГ. ЗАДН. СТКЛПОД.
2 - 0.35 - 116BСИГНАЛ 0 В ДАТЧИКА ТЕМПЕРАТУРЫ НАРУЖНОГО ВОЗДУХА
3 - 0.35 - 116AСИГН. ДАТЧ. НАРУЖНОЙ ТЕМП.
4 - 0.35 - 116DСИГНАЛ ДАТЧИКА ТЕМПЕРАТУРЫ НАРУЖНОГО ВОЗДУХА / ЭБУ КЛИМАТИЧЕСКОЙ УСТАНОВКИ
5 - 0.35 - 120KУПР. - ВЕТР. СТКЛ. С ЭЛЕКТРООБОГРЕВОМ > ПАНЕЛЬ УПР. КОНДИЦ.
6 - 0.35 - 120NСИГН. ВКЛ. ОБОГРЕВА ВЕТРОВОГО СТКЛ., РЕЛЕ ДАВЛ. РУЛЕВ. УПР. С УСИЛ.
7 - 0.35 - 3HEСИГН. ТЕМП. ОХЛ. ЖИД.
8 - 4.0 - AP71"+" ПОСЛЕ ЗАМКА ЗАЖИГАНИЯ 2 Ч/З ПРЕДОХР. ОЧИСТИТЕЛЬ ВЕТРОВОГО СТЕКЛА
9 - 1.5 - 16AУПР. + ОМЫВАТЕЛЯ ВЕТРОВОГО СТКЛ.
10 - 0.35 - 38ZУПР. КОМПРЕСС. КОНДИЦ.> ЭБУ ВПРЫСКА БЕНЗ.-ДИЗЕЛЬН. ДВИГАТЕЛЯ
11 - 0.35 - 38KУПР. ОТКЛЮЧ. КОНДИЦ.>ЭБУ ВПРЫСКА БЕНЗИН. - ДИЗЕЛЬНОГО ДВИГАТЕЛЯ
12 - 0.35 - 47FСИГН. СКОРОСТИ АВТОМОБИЛЯ
13 - 0.5 - AP23+ ПОСЛЕ ЗАМКА ЗАЖИГ. Ч/З ПРЕДОХР., ПРЕДОХР. АДАПТ. УСИЛ. РУЛЕВОГО УПР.


Где находится элемент R261 - РАЗЪЕМ ЖГУТОВ ПРОВОД. САЛОНА И ВОЗДУХОВОДА СИСТЕМЫ ОТОПЛЕНИЯ для Renault Avantime 2001-2003 2003-04-01





Распиновка разъема R262 - РАЗ. ЭЛПРОВ. САЛОНА/ДВИГ. для Renault Avantime 2001-2003 2003-04-01






Распиновка разъема R262 - РАЗ. ЭЛПРОВ. САЛОНА/ДВИГ. для Renault Avantime 2001-2003 2003-04-01

- -
4 - 2.5 - D+ СТАРТЕР
5 - 1.0 - A+ ПОСЛЕ ЗАМКА ЗАЖИГ.
5 - 2.5 - A+ ПОСЛЕ ЗАМКА ЗАЖИГ.


Где находится элемент R262 - РАЗ. ЭЛПРОВ. САЛОНА/ДВИГ. для Renault Avantime 2001-2003 2003-04-01





Распиновка разъема R354 - СОЕД. РАЗЪЕМ ЖГУТА ПРОВОД. САЛОНА И ДОП. ЖГУТА ПРОВОД. СИСТЕМЫ ПОДУШЕК БЕЗОП. для Renault Avantime 2001-2003 2003-04-01






Распиновка разъема R354 - СОЕД. РАЗЪЕМ ЖГУТА ПРОВОД. САЛОНА И ДОП. ЖГУТА ПРОВОД. СИСТЕМЫ ПОДУШЕК БЕЗОП. для Renault Avantime 2001-2003 2003-04-01

- -
A1 - 1.0 - AP25+ ПОСЛЕ ЗАМКА ЗАЖ. Ч/З ПРЕДОХР., ПРЕДОХР. ПОДУШКИ БЕЗОП.
B1 - 0.35 - CANHДИАГНОСТИЧЕСКИЙ СИГН. CAN H
A2 - 0.35 - HKДИАГНОСТИЧЕСКИЙ СИГН. K
B2 - 0.35 - CANLДИАГНОСТИЧЕСКИЙ СИГН. CAN L
A3 - 0.35 - 96AУПР. - СИГН. ЛАМПЫ НЕЗАСТЕГНУТОГО РЕМНЯ БЕЗОП.


Где находится элемент R354 - СОЕД. РАЗЪЕМ ЖГУТА ПРОВОД. САЛОНА И ДОП. ЖГУТА ПРОВОД. СИСТЕМЫ ПОДУШЕК БЕЗОП. для Renault Avantime 2001-2003 2003-04-01


Расположение подключения масс Заземления для Renault Avantime 2001-2003 2003-04-01

Can't find your car? Check -> DiagnostData.com!