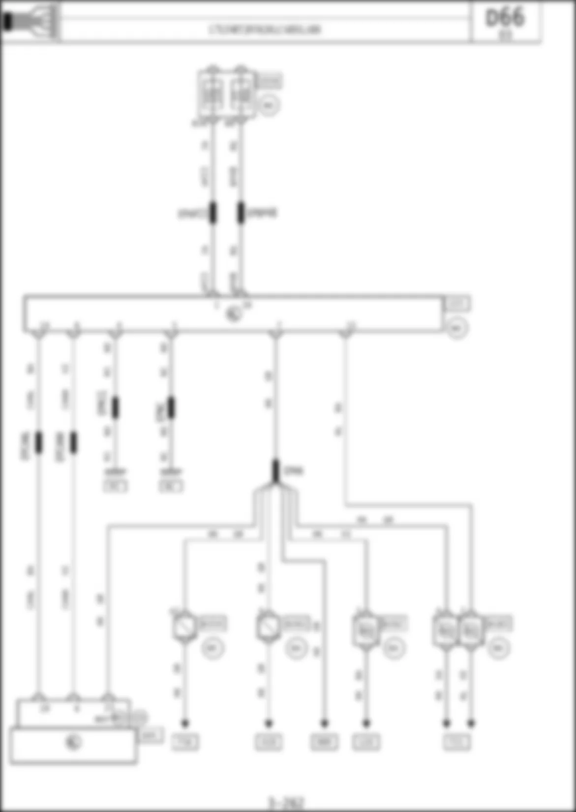
Электросхема ДИАГНОСТИЧ. РАЗЪЕМ для Renault Avantime 2001-2003 2003-04-01
Электросхема подходит для следующей комплектации автомобиля:
- ДВИГАТЕЛЬ L7X - ДВИГАТЕЛЬ F4RT - МЕХАНИЧЕСКАЯ КОРОБКА ПЕРЕДАЧ - ЛЕВОСТОРОННЕЕ РУЛЕВОЕ УПРАВЛЕНИЕ - КЛИМАТИЧЕСКАЯ УСТАНОВКА С АВТОМАТИЧЕСКИМ УПРАВЛЕНИЕМ - АБС
Код Элемента При нажатии переход на распиновку разъема (при отсутствии информации, перехода не будет) | Наименовение Элемента При нажатии переход на расположение элемента (при отсутствии информации, перехода не будет) |
| 1016 | |
| 120 | |
| 225 | |
| 419 | |
| 645 | |
| 721 | |
| 756 | |
| 989 | |
| MJ | |
| NC | |
| R183 | |
| R261 | |
| R262 | |
| R354 | |
Распиновки Разъемов и расположения элементов ДИАГНОСТИЧ. РАЗЪЕМ для Renault Avantime 2001-2003 2003-04-01
Распиновка разъема 1016 - БЛОК ПРЕДОХРАНИТЕЛЕЙ В САЛОНЕ для Renault Avantime 2001-2003 2003-04-01
Распиновка разъема 1016 - БЛОК ПРЕДОХРАНИТЕЛЕЙ В САЛОНЕ для Renault Avantime 2001-2003 2003-04-01
| | - - | | | A1 - 0.35 - SP3 | + ВСПОМ. ЭЛЕКТРООБ. Ч/З ПРЕДОХР. > ОТОП. | | B1 - 0.5 - A | + ПОСЛЕ ЗАМКА ЗАЖИГ. | | A2 - 0.5 - MJ | ЭЛЕКТРИЧЕСКАЯ "МАССА" НА ПРАВОЙ ПЕРЕДНЕЙ СТОЙКЕ | | B2 - 0.5 - MJ | ЭЛЕКТРИЧЕСКАЯ "МАССА" НА ПРАВОЙ ПЕРЕДНЕЙ СТОЙКЕ | | A3 - 7.0 - BP1 | + АККУМУЛ. БАТАРЕИ Ч/З ПРЕДОХР. > КОНДИЦИОНЕР | | B3 - 6.0 - BP11 | + АККУМУЛ. БАТАРЕИ Ч/З ПРЕДОХР. > САЛОНА АВТОМОБИЛЯ 1 | | A5 - 7.0 - 38A | УПР. "+", РЕЛЕ ЭЛЕКТРОВЕНТИЛЯТОРА | | B5 - 6.0 - AR | + ПОСЛЕ ЗАМКА ЗАЖИГ. > РЕЛЕ |
|
Где находится элемент 1016 - БЛОК ПРЕДОХРАНИТЕЛЕЙ В САЛОНЕ для Renault Avantime 2001-2003 2003-04-01
Распиновка разъема 120 - ЭБУ СИСТ. ВПР. для Renault Avantime 2001-2003 2003-04-01
Распиновка разъема 120 - ЭБУ СИСТ. ВПР. для Renault Avantime 2001-2003 2003-04-01
| | - - | | | A2 - 0.5 - 3FX | УПР. - ВЫКЛЮЧАТЕЛЯ КРУИЗ-КОНТРОЛЯ | | B2 - 0.5 - 3DC | "-" УПРАВЛЯЮЩЕГО СИГНАЛА РЕЛЕ КОМПРЕССОРА > ЭБУ СИСТЕМЫ ВПРЫСКА | | D2 - 0.5 - 86G | УПР. ПРОГРАММИРОВАНИЕМ РЕГУЛЯТОРА СКОРОСТИ | | F2 - 0.5 - 3LU | + ПОТЕНЦИОМЕТРА НАГРУЗКИ 2 | | G2 - 1.0 - 3LR | + ПОТЕНЦИОМЕТРА НАГРУЗКИ 1 | | H2 - 1.0 - 3LS | СИГН. + ПОТЕНЦИОМЕТРА НАГРУЗКИ 1 | | A3 - 0.5 - CANL | ДИАГНОСТИЧЕСКИЙ СИГН. CAN L | | C3 - 0.5 - 3PD | ВЫКЛ. ОГРАНИЧИТЕЛЯ СКОРОСТИ | | D3 - 0.5 - 86M | СИГН. ВОЗВРАТА ПРОГРАММИРОВАНИЯ РЕГУЛЯТОРА СКОРОСТИ | | F3 - 0.5 - 3LW | СИГН. + ПОТЕНЦИОМЕТРА НАГРУЗКИ 2 | | H3 - 1.0 - 3LT | - ПОТЕНЦИОМЕТРА НАГРУЗКИ 1 | | A4 - 0.5 - CANH | ДИАГНОСТИЧЕСКИЙ СИГН. CAN H | | B4 - 0.5 - HK | ДИАГНОСТИЧЕСКИЙ СИГН. K | | C4 - 0.5 - 38AD | УПР. "-", ОБМОТКА РЕЛЕ ВРЕМЕНИ, ПЕДАЛИ АКСЕЛЕРАТОРА > ПЕДАЛЬ СЦЕПЛЕНИЯ | | E4 - 0.5 - 86H | СИГН. ВЫКЛЮЧАТЕЛЯ СТОП- СИГНАЛА | | F4 - 0.5 - 3LV | - ПОТЕНЦИОМЕТРА НАГРУЗКИ 2 | | G4 - 2.0 - MH | ЭЛЕКТРОННАЯ "МАССА" ДВИГАТЕЛЯ | | H4 - 2.0 - MH | ЭЛЕКТРОННАЯ "МАССА" ДВИГАТЕЛЯ |
|
Где находится элемент 120 - ЭБУ СИСТ. ВПР. для Renault Avantime 2001-2003 2003-04-01
Распиновка разъема 225 - ДИАГНОСТИЧЕСКИЙ РАЗ. для Renault Avantime 2001-2003 2003-04-01
Распиновка разъема 225 - ДИАГНОСТИЧЕСКИЙ РАЗ. для Renault Avantime 2001-2003 2003-04-01
| | - - | | | 1 - 0.35 - AP23 | + ПОСЛЕ ЗАМКА ЗАЖИГ. Ч/З ПРЕДОХР., ПРЕДОХР. АДАПТ. УСИЛ. РУЛЕВОГО УПР. | | 4 - 0.5 - MJ | ЭЛЕКТРИЧЕСКАЯ "МАССА" НА ПРАВОЙ ПЕРЕДНЕЙ СТОЙКЕ | | 5 - 0.35 - NC | "МАССА" ЭЛЕКТРОННЫХ ПРИБОРОВ НА ЛЕВОЙ ПЕРЕДНЕЙ СТОЙКЕ | | 6 - 0.35 - CANH | ДИАГНОСТИЧЕСКИЙ СИГН. CAN H | | 7 - 0.35 - HK | ДИАГНОСТИЧЕСКИЙ СИГН. K | | 14 - 0.35 - CANL | ДИАГНОСТИЧЕСКИЙ СИГН. CAN L | | 15 - 0.35 - HL | ДИАГНОСТИЧЕСКИЙ СИГН. L | | 16 - 0.35 - BP48 | + АККУМУЛ. БАТАРЕИ Ч/З ПРЕДОХРАН. > СТКЛПОД. |
|
Где находится элемент 225 - ДИАГНОСТИЧЕСКИЙ РАЗ. для Renault Avantime 2001-2003 2003-04-01
Распиновка разъема 419 - ЭБУ КЛИМАТИЧЕСКОЙ УСТАНОВКИ для Renault Avantime 2001-2003 2003-04-01
Распиновка разъема 419 - ЭБУ КЛИМАТИЧЕСКОЙ УСТАНОВКИ для Renault Avantime 2001-2003 2003-04-01
| | - - | | | 1 - 0.35 - 38EH | НАПР.ВРАЩ.ЭЛ.ДВИГ.ПРИВОДА ЛЕВ.ЗАСЛ. РАСП.ВОЗД.ПОТОК. ПОДАЧИ ТЕПЛ.ВОЗД.НА СТЕК. | | 2 - 0.35 - 38EG | НАПРАВЛ. ВРАЩ. ЭЛ.ДВИГ. ПРИВОДА ЛЕВ. ЗАСЛ. РАСП.ВОЗД. ПОТОК. ДЛЯ ВЕНТИЛЯЦИИ | | 3 - 0.6 - 38DA | "-" УПР., ЭЛЕКТРОВЕНИТИЛЯТОР ОТОПИТЕЛЯ > ПАНЕЛЬ УПР. КЛИМАТ. УСТАН. | | 4 - 0.35 - 38DU | "-" ПОТЕНЦИОМЕТРА ЭЛ.ДВИГ. ПРИВОДА ПРАВ. ЗАСЛ. СМЕШ. ВОЗД. ПОТОК. | | 5 - 0.35 - 38GG | - ДАТЧ. ТЕМП. В САЛОНЕ | | 6 - 0.35 - 38DM | НАРУЖНЫЙ ВОЗДУХ ПРАВЫЙ ЭЛ.ДВИГ. | | 7 - 0.35 - 38DN | ПРАВЫЙ ЭЛ.ДВИГ. СИСТЕМЫ РЕЦИРКУЛЯЦИИ ВОЗДУХА В САЛОНЕ | | 8 - 0.35 - 38DQ | ЭЛ.ДВИГ. ПРИВОДА ЛЕВОЙ ЗАСЛОНКИ | | 9 - 0.35 - 38DP | НАРУЖНЫЙ ВОЗДУХ ЛЕВЫЙ ЭЛ.ДВИГ. | | 10 - 0.35 - 38MC | СИГНАЛ ПОСЛЕДОВАТЕЛЬНОСТИ КОМАНД ВОДИТЕЛЯ НА УПР. АВТ. КЛИМАТ. УСТАН. | | 11 - 0.35 - 38DZ | "+" ПОТЕНЦИОМЕТРА ЭЛ.ДВИГ. ПРИВОДА ЛЕВ. ЗАСЛ. СМЕШ. ВОЗД. ПОТОК. | | 12 - 0.35 - 38DT | "+" ПОТЕНЦИОМЕТРА ЭЛ.ДВИГ. ПРИВОДА ПРАВ. ЗАСЛ. СМЕШ. ВОЗД. ПОТОК. | | 13 - 0.35 - 38GW | 0 В ДАТЧИКА ИНТЕНСИВНОСТИ ОСВЕЩЕНИЯ | | 14 - 0.35 - 38ED | - ПОТЕНЦИОМЕТРА ЭЛ.ДВИГ. ПРИВОДА ПРАВ. ЗАСЛ. РАСПРЕДЕЛ. ВОЗД. ПОТОК. | | 15 - 0.35 - 38EJ | - ПОТЕНЦИОМЕТРА ЭЛ.ДВИГ. ПРИВОДА ЛЕВ. ЗАСЛ. РАСПРЕДЕЛ. ВОЗД. ПОТОК. | | 16 - 0.35 - 38DY | "-" ПОТЕНЦИОМЕТРА ЭЛ.ДВИГ. ПРИВОДА ЛЕВ. ЗАСЛ. СМЕШ. ВОЗД. ПОТОК. | | 17 - 0.35 - 38GX | СИГН. ДАТЧ. ИНТЕНСИВНОСТИ СОЛНЕЧНОГО ИЗЛУЧЕНИЯ | | 18 - 0.35 - 38MB | СИГНАЛ ЛЕВОГО ДАТЧИКА ИНТЕНСИВНОСТИ ОСВЕЩЕНИЯ | | 19 - 0.35 - 38GD | "+" ДАТЧИКА ТЕМП. ВОЗД. В САЛОНЕ, ТЕПЛОНАПРЯЖЕННОЕ МЕСТО | | 20 - 0.35 - 38MD | СИГНАЛ ПОСЛЕДОВАТЕЛЬНОСТИ КОМАНД ПАССАЖИРА НА УПР. АВТ. КЛИМАТ. УСТАН. |
|
Где находится элемент 419 - ЭБУ КЛИМАТИЧЕСКОЙ УСТАНОВКИ для Renault Avantime 2001-2003 2003-04-01
Распиновка разъема 645 - КОММУТАЦИОННЫЙ БЛОК САЛОНА для Renault Avantime 2001-2003 2003-04-01
Распиновка разъема 645 - КОММУТАЦИОННЫЙ БЛОК САЛОНА для Renault Avantime 2001-2003 2003-04-01
| | - - | | | 1 - 0.6 - 19B | УПР. + ОСВЕЩ. ВОДИТЕЛЬСКОГО МЕСТА | | 2 - 0.35 - 64Q | УПР. - РЕЛЕ ВРЕМЕНИ, РЕЛЕ-ПРЕРЫВАТЕЛЬ УКАЗ. ПОВОР. И АВАР. СИГНАЛИЗ. | | 3 - 0.35 - 64T | УПР. ВКЛЮЧЕНИЕМ РЕЛЕ ВРЕМЕНИ ЛЕВОГО УКАЗАТЕЛЯ ПОВОРОТА > ЭБУ | | 4 - 0.35 - 47K | УПР. - КНОПКИ УПР. ВЫВОДОМ ДАННЫХ НА ДИСПЛЕЙ БОРТОВОГО КОМПЬЮТЕРА | | 5 - 0.35 - C | + БЛИЖНЕГО СВЕТА ФАР | | 6 - 0.35 - 14G | УПР. МАЛОЙ СКОР. РАБОТЫ СТЕКЛООЧ. > ЭБУ | | 7 - 0.35 - 64F | УПР. + СИГН. ЛАМПЫ АВАРИЙНОЙ СИГНАЛИЗАЦИИ | | 8 - 0.35 - 16A | УПР. + ОМЫВАТЕЛЯ ВЕТРОВОГО СТКЛ. | | 9 - 0.35 - 80X | СИГН. ШИНЫ (ИНТЕРФЕЙС) АНТЕННЫ ТРАНСПОНДЕРА | | 10 - 0.35 - 80Z | +АНТЕННЫ ТРАНСПОНДЕРА | | 11 - 0.5 - CANH | ДИАГНОСТИЧЕСКИЙ СИГН. CAN H | | 13 - 0.35 - 14D | УПР. МАЛОЙ СКОРОСТЬЮ РЕЛЕ ВРЕМЕНИ СТЕКЛООЧ. ВЕТРОВОГО СТКЛ. | | 14 - 0.35 - 13C | УПР. "-", ЛАМПЫ ПЛАФОНА ОСВЕЩЕНИЯ САЛОНА | | 15 - 0.35 - 36E | УПР. + РЕЛЕ ВРЕМЕНИ СТЕКЛООЧИСТИТЕЛЯ ЗАДН. СТКЛ. | | 16 - 0.35 - 64S | УПР. ВКЛЮЧЕНИЕМ РЕЛЕ ВРЕМЕНИ ПРАВОГО УКАЗАТЕЛЯ ПОВОРОТА > ЭБУ | | 17 - 0.35 - 8H | УПР. "+" ПРОТИВОТУМАННЫЕ ФАРЫ > ЦЭКБС | | 18 - 0.35 - R | + ДАЛЬНЕГО СВЕТА ФАР | | 19 - 0.35 - 14H | УПР. БОЛЬШОЙ СКОРОСТЬЮ РАБОТЫ СТЕКЛООЧИСТИТЕЛЯ > ЭБУ | | 20 - 0.35 - 38BA | ДАВЛЕНИЕ ХЛАДАГЕНТА | | 21 - 0.35 - 24A | УПР. + ЭЛ.ДВИГ. ЗАДН. СТКЛПОД. | | 22 - 0.35 - 80W | - АНТЕННЫ ТРАНСПОНДЕРА | | 23 - 0.35 - 80Y | СИГН. ТАЙМЕРА ТРАНСПОНДЕРА | | 24 - 0.5 - CANL | ДИАГНОСТИЧЕСКИЙ СИГН. CAN L | | 26 - 0.5 - BP69 | + АККУМУЛ. БАТАРЕИ Ч/З ПРЕДОХР. > ЩИТОК ПРИБОРОВ > ЭБУ КОНТРОЛЯ ИСПР. ЛАМП |
|
Где находится элемент 645 - КОММУТАЦИОННЫЙ БЛОК САЛОНА для Renault Avantime 2001-2003 2003-04-01
Распиновка разъема 721 - УЗЕЛ ЭБУ АБС И ГИДРОБЛОКА АБС для Renault Avantime 2001-2003 2003-04-01
Распиновка разъема 721 - УЗЕЛ ЭБУ АБС И ГИДРОБЛОКА АБС для Renault Avantime 2001-2003 2003-04-01
| | - - | | | 1 - 0.5 - 4T | + ДАТЧ. СКОРОС. ВРАЩ. ПРАВ. ЗАДН. КОЛ. | | 3 - 0.5 - 4S | СИГН. ДАТЧ. СКОРОС. ВРАЩ. ПРАВ. ЗАДН. КОЛ. | | 4 - 0.5 - 4N | + ДАТЧ. СКОРОС. ВРАЩ. ПРАВ. ПЕРЕД. КОЛ. | | 5 - 0.5 - 4M | СИГН. ДАТЧ. СКОРОС. ВРАЩ. ПРАВ. ПЕРЕД. КОЛ. | | 6 - 0.5 - 4E | + ДАТЧ. СКОРОС. ВРАЩ. ЛЕВ. ПЕРЕД. КОЛ. | | 7 - 0.5 - 4C | СИГН. ДАТЧ. СКОР. ВРАЩ. ЛЕВ. ПЕРЕД. КОЛ. | | 8 - 0.5 - 4H | + ДАТЧ. СКОРОС. ВРАЩ. ЛЕВ. ЗАДН. КОЛ. | | 9 - 0.5 - 4G | СИГН. ДАТЧ. СКОРОС. ВРАЩ. ЛЕВ. ЗАДН. КОЛ. | | 11 - 0.5 - HK | ДИАГНОСТИЧЕСКИЙ СИГН. K | | 12 - 0.5 - HL | ДИАГНОСТИЧЕСКИЙ СИГН. L | | 14 - 0.5 - 65A | УПР. + ФОНАРЕЙ СТОП-СИГНАЛА | | 15 - 1.0 - AP5 | + ПОСЛЕ ЗАМКА ЗАЖИГ. Ч/З ПРЕДОХР., ПРЕДОХР. АБС | | 16 - 4.0 - MAG | "МАССА" КРОНШТЕЙНА АБС | | 17 - 4.0 - BP14 | + АККУМУЛ. БАТАРЕИ Ч/З ПРЕДОХР. > АБС | | 18 - 4.0 - BP14 | + АККУМУЛ. БАТАРЕИ Ч/З ПРЕДОХР. > АБС | | 19 - 4.0 - ND | "МАССА" ЭЛЕКТРОННЫХ ПРИБОРОВ АБС | | 21 - 0.5 - 4Z | - СИГН. ЛАМПЫ АБС | | 22 - 0.75 - 47F | СИГН. СКОРОСТИ АВТОМОБИЛЯ |
|
Где находится элемент 721 - УЗЕЛ ЭБУ АБС И ГИДРОБЛОКА АБС для Renault Avantime 2001-2003 2003-04-01
Распиновка разъема 756 - ЭБУ ПОДУШЕК БЕЗОПАСНОСТИ И ПРЕДНАТЯЖИТЕЛЕЙ РЕМНЕЙ БЕЗОПАСНОСТИ для Renault Avantime 2001-2003 2003-04-01
Распиновка разъема 756 - ЭБУ ПОДУШЕК БЕЗОПАСНОСТИ И ПРЕДНАТЯЖИТЕЛЕЙ РЕМНЕЙ БЕЗОПАСНОСТИ для Renault Avantime 2001-2003 2003-04-01
| | - - | | | 34 - 0.35 - HK | ДИАГНОСТИЧЕСКИЙ СИГН. K | | 35 - 0.5 - 60G | -СИГНАЛА ПОДУШКИ БЕЗОП. ТИПА EUROBAG ВОДИТ. | | 37 - 0.5 - 60K | УПР. - ФРОНТАЛЬНОЙ ПОДУШКИ БЕЗОП. ПАССАЖИРА, УРОВЕНЬ 1 | | 38 - 0.5 - 60L | УПР. + ФРОНТАЛЬНОЙ ПОДУШКИ БЕЗОП. ПАССАЖИРА, УРОВЕНЬ 2 | | 41 - 0.5 - 60AS | УПР. - БОКОВОЙ ПОДУШКИ БЕЗОПАСН. ДЛЯ ЗАЩИТЫ ГРУДНОЙ КЛЕТКИ ВОДИТ. | | 42 - 0.5 - 60BB | УПР. + БОКОВОЙ ПОДУШКИ БЕЗОП. ДЛЯ ЗАЩИТЫ ГРУДНОЙ КЛЕТКИ ПАССАЖИРА | | 43 - 0.5 - 60BZ | УПРАВЛ. "-" БОКОВОЙ ШТОРКОЙ БЕЗОПАСНОСТИ ВОДИТЕЛЯ | | 44 - 0.5 - 60CA | УПРАВЛ. "+ " БОКОВОЙ ШТОРКОЙ БЕЗОПАСНОСТИ ПАССАЖИРА | | 45 - 0.75 - 60CA | УПРАВЛ. "+ " БОКОВОЙ ШТОРКОЙ БЕЗОПАСНОСТИ ПАССАЖИРА | | 46 - 0.75 - 60AF | СИГН. + ПДУ НА МЕСТЕ ПАССАЖИРА | | 26 - 0.5 - 60AL | УПР. - ПРЕДНАТЯЖИТЕЛЯ ПОЯСНИЧНОЙ ЧАСТИ РЕМНЯ БЕЗОП. ВОДИТ. | | 27 - 0.5 - 60AZ | "+" УПРАВЛЯЮЩЕГО СИГНАЛА ПРЕДНАТЯЖИТЕЛЯ ПОЯСНОЙ ВЕТВИ РЕМНЯ БЕЗОП. ПАССАЖИРА | | 28 - 0.5 - 60E | -СИГНАЛА ПРЕДНАТЯЖИТЕЛЯ РЕМНЯ БЕЗОП. ВОДИТ. | | 29 - 0.5 - 60B | +СИГНАЛА ПРЕДНАТЯЖИТЕЛЯ РЕМНЯ БЕЗОП. ПАССАЖИРА | | 30 - 0.75 - AP25 | + ПОСЛЕ ЗАМКА ЗАЖ. Ч/З ПРЕДОХР., ПРЕДОХР. ПОДУШКИ БЕЗОП. | | 31 - 0.75 - MB | ЭЛЕКТРИЧЕСКАЯ "МАССА" ЛЕВОЙ ПЕРЕДНЕЙ ЧАСТИ КУЗОВА |
|
Где находится элемент 756 - ЭБУ ПОДУШЕК БЕЗОПАСНОСТИ И ПРЕДНАТЯЖИТЕЛЕЙ РЕМНЕЙ БЕЗОПАСНОСТИ для Renault Avantime 2001-2003 2003-04-01
Распиновка разъема 989 - ЭБУ КСЕНОНОВОЙ ЛАМПЫ для Renault Avantime 2001-2003 2003-04-01
Распиновка разъема 989 - ЭБУ КСЕНОНОВОЙ ЛАМПЫ для Renault Avantime 2001-2003 2003-04-01
| | - - | | | 1 - 0.35 - 103F | + ДАТЧ. ПРАВОГО ПЕР. ПОТЕНЦИОМЕТРА | | 5 - 0.35 - 103H | - ДАТЧ. ПРАВОГО ПЕР. ПОТЕНЦИОМЕТРА | | 6 - 0.35 - 103E | - ПРАВОГО ЗАДН. ПОТЕНЦИОМЕТРА | | 9 - 0.35 - 103A | УПР. УСТАНОВКОЙ ФАР | | 10 - 0.35 - 103C | +ДАТЧ. ЛЕВОГО ЗАДН. ПОТЕНЦИОМЕТРА | | 11 - 0.35 - HK | ДИАГНОСТИЧЕСКИЙ СИГН. K | | 12 - 0.35 - 103D | ВХОД ДАТЧ. ЛЕВОГО ЗАДН. ПОТЕНЦИОМЕТРА | | 14 - 0.5 - NC | "МАССА" ЭЛЕКТРОННЫХ ПРИБОРОВ НА ЛЕВОЙ ПЕРЕДНЕЙ СТОЙКЕ | | 15 - 0.35 - 103G | СИГН. ПРАВОГО ПЕР. ПОТЕНЦИОМЕТРА | | 16 - 0.35 - 103K | СИГНАЛЬНАЯ ЛАМПА НЕИСПРАВН. ЗАДН. СТКЛ. С ЭЛЕКТРООБОГРЕВОМ | | 17 - 0.5 - AP21 | + ПОСЛЕ ЗАМКА ЗАЖИГ. Ч/З ПРЕДОХР., ПРЕДОХР. СИСТ. ПОДДЕРЖ. ВЫС. КУЗ. |
|
Где находится элемент 989 - ЭБУ КСЕНОНОВОЙ ЛАМПЫ для Renault Avantime 2001-2003 2003-04-01
Распиновка разъема R183 - РАЗ. ЭЛПРОВ. САЛОНА/АБС для Renault Avantime 2001-2003 2003-04-01
Распиновка разъема R183 - РАЗ. ЭЛПРОВ. САЛОНА/АБС для Renault Avantime 2001-2003 2003-04-01
| | - - | | | 1 - 1.0 - AP5 | + ПОСЛЕ ЗАМКА ЗАЖИГ. Ч/З ПРЕДОХР., ПРЕДОХР. АБС | | 2 - 0.5 - 65A | УПР. + ФОНАРЕЙ СТОП-СИГНАЛА | | 3 - 0.5 - 4Z | - СИГН. ЛАМПЫ АБС | | 4 - 0.5 - HK | ДИАГНОСТИЧЕСКИЙ СИГН. K | | 5 - 0.5 - LPD | + ПРАВОГО ГАБАРИТНОГО ОГНЯ Ч/З ПРЕДОХР. | | 5 - 0.5 - LPD | + ПРАВОГО ГАБАРИТНОГО ОГНЯ Ч/З ПРЕДОХР. | | 6 - 0.5 - 103D | ВХОД ДАТЧ. ЛЕВОГО ЗАДН. ПОТЕНЦИОМЕТРА | | 7 - 0.5 - 103E | - ПРАВОГО ЗАДН. ПОТЕНЦИОМЕТРА | | 8 - 0.5 - 103C | +ДАТЧ. ЛЕВОГО ЗАДН. ПОТЕНЦИОМЕТРА |
|
Где находится элемент R183 - РАЗ. ЭЛПРОВ. САЛОНА/АБС для Renault Avantime 2001-2003 2003-04-01
Распиновка разъема R261 - РАЗЪЕМ ЖГУТОВ ПРОВОД. САЛОНА И ВОЗДУХОВОДА СИСТЕМЫ ОТОПЛЕНИЯ для Renault Avantime 2001-2003 2003-04-01
Распиновка разъема R261 - РАЗЪЕМ ЖГУТОВ ПРОВОД. САЛОНА И ВОЗДУХОВОДА СИСТЕМЫ ОТОПЛЕНИЯ для Renault Avantime 2001-2003 2003-04-01
| | - - | | | 1 - 1.5 - 24A | УПР. + ЭЛ.ДВИГ. ЗАДН. СТКЛПОД. | | 2 - 0.35 - 116B | СИГНАЛ 0 В ДАТЧИКА ТЕМПЕРАТУРЫ НАРУЖНОГО ВОЗДУХА | | 3 - 0.35 - 116A | СИГН. ДАТЧ. НАРУЖНОЙ ТЕМП. | | 4 - 0.35 - 116D | СИГНАЛ ДАТЧИКА ТЕМПЕРАТУРЫ НАРУЖНОГО ВОЗДУХА / ЭБУ КЛИМАТИЧЕСКОЙ УСТАНОВКИ | | 5 - 0.35 - 120K | УПР. - ВЕТР. СТКЛ. С ЭЛЕКТРООБОГРЕВОМ > ПАНЕЛЬ УПР. КОНДИЦ. | | 6 - 0.35 - 120N | СИГН. ВКЛ. ОБОГРЕВА ВЕТРОВОГО СТКЛ., РЕЛЕ ДАВЛ. РУЛЕВ. УПР. С УСИЛ. | | 7 - 0.35 - 3HE | СИГН. ТЕМП. ОХЛ. ЖИД. | | 8 - 4.0 - AP71 | "+" ПОСЛЕ ЗАМКА ЗАЖИГАНИЯ 2 Ч/З ПРЕДОХР. ОЧИСТИТЕЛЬ ВЕТРОВОГО СТЕКЛА | | 9 - 1.5 - 16A | УПР. + ОМЫВАТЕЛЯ ВЕТРОВОГО СТКЛ. | | 10 - 0.35 - 38Z | УПР. КОМПРЕСС. КОНДИЦ.> ЭБУ ВПРЫСКА БЕНЗ.-ДИЗЕЛЬН. ДВИГАТЕЛЯ | | 11 - 0.35 - 38K | УПР. ОТКЛЮЧ. КОНДИЦ.>ЭБУ ВПРЫСКА БЕНЗИН. - ДИЗЕЛЬНОГО ДВИГАТЕЛЯ | | 12 - 0.35 - 47F | СИГН. СКОРОСТИ АВТОМОБИЛЯ | | 13 - 0.5 - AP23 | + ПОСЛЕ ЗАМКА ЗАЖИГ. Ч/З ПРЕДОХР., ПРЕДОХР. АДАПТ. УСИЛ. РУЛЕВОГО УПР. |
|
Где находится элемент R261 - РАЗЪЕМ ЖГУТОВ ПРОВОД. САЛОНА И ВОЗДУХОВОДА СИСТЕМЫ ОТОПЛЕНИЯ для Renault Avantime 2001-2003 2003-04-01
Распиновка разъема R262 - РАЗ. ЭЛПРОВ. САЛОНА/ДВИГ. для Renault Avantime 2001-2003 2003-04-01
Распиновка разъема R262 - РАЗ. ЭЛПРОВ. САЛОНА/ДВИГ. для Renault Avantime 2001-2003 2003-04-01
| | - - | | | 4 - 2.5 - D | + СТАРТЕР | | 5 - 1.0 - A | + ПОСЛЕ ЗАМКА ЗАЖИГ. | | 5 - 2.5 - A | + ПОСЛЕ ЗАМКА ЗАЖИГ. |
|
Где находится элемент R262 - РАЗ. ЭЛПРОВ. САЛОНА/ДВИГ. для Renault Avantime 2001-2003 2003-04-01
Распиновка разъема R354 - СОЕД. РАЗЪЕМ ЖГУТА ПРОВОД. САЛОНА И ДОП. ЖГУТА ПРОВОД. СИСТЕМЫ ПОДУШЕК БЕЗОП. для Renault Avantime 2001-2003 2003-04-01
Распиновка разъема R354 - СОЕД. РАЗЪЕМ ЖГУТА ПРОВОД. САЛОНА И ДОП. ЖГУТА ПРОВОД. СИСТЕМЫ ПОДУШЕК БЕЗОП. для Renault Avantime 2001-2003 2003-04-01
| | - - | | | A1 - 1.0 - AP25 | + ПОСЛЕ ЗАМКА ЗАЖ. Ч/З ПРЕДОХР., ПРЕДОХР. ПОДУШКИ БЕЗОП. | | B1 - 0.35 - CANH | ДИАГНОСТИЧЕСКИЙ СИГН. CAN H | | A2 - 0.35 - HK | ДИАГНОСТИЧЕСКИЙ СИГН. K | | B2 - 0.35 - CANL | ДИАГНОСТИЧЕСКИЙ СИГН. CAN L | | A3 - 0.35 - 96A | УПР. - СИГН. ЛАМПЫ НЕЗАСТЕГНУТОГО РЕМНЯ БЕЗОП. |
|
Где находится элемент R354 - СОЕД. РАЗЪЕМ ЖГУТА ПРОВОД. САЛОНА И ДОП. ЖГУТА ПРОВОД. СИСТЕМЫ ПОДУШЕК БЕЗОП. для Renault Avantime 2001-2003 2003-04-01
Расположение подключения масс Заземления для Renault Avantime 2001-2003 2003-04-01