AUTOMOTIVE ELECTRICIANS

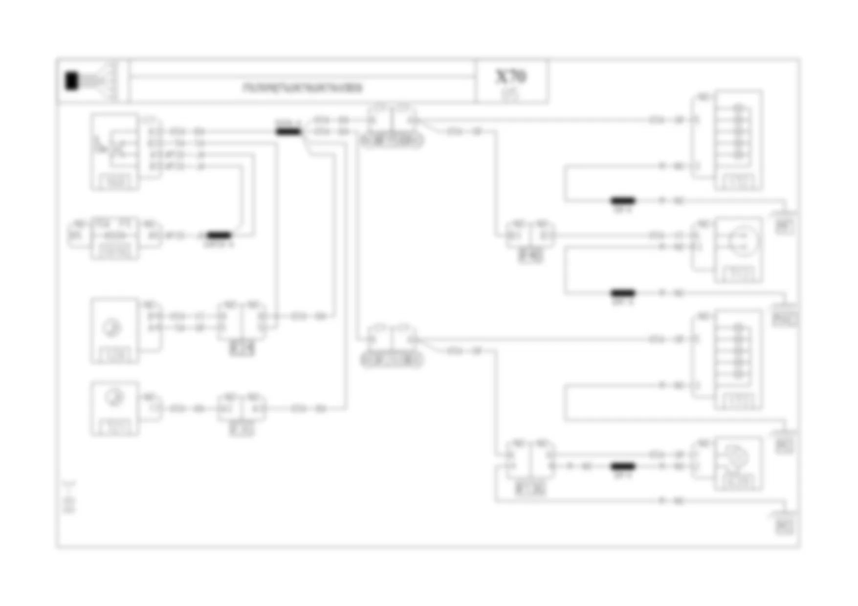
Электросхема СТОП-СИГНАЛ для Renault Master II 1999-2010 2005-05-10 ФУРГОН X70 – – ДВИГАТЕЛЬ G9U ИНДЕКС 750 –

Электросхема СТОП-СИГНАЛ для Renault Master II 1999-2010 2005-05-10

Электросхема СТОП-СИГНАЛ для Renault Master II 1999-2010 2005-05-10 ФУРГОН X70 –  – ДВИГАТЕЛЬ G9U ИНДЕКС 750 –


Электросхема подходит для следующей комплектации автомобиля:
- ФУРГОН X70 - - ДВИГАТЕЛЬ G9U ИНДЕКС 750 -

Код Элемента
При нажатии переход на распиновку разъема
(при отсутствии информации, перехода не будет)
Наименовение Элемента
При нажатии переход на расположение элемента
(при отсутствии информации, перехода не будет)
1016
120
160
172
173
5A
639
65A
713
721
AP26
FCT_215
M
MAE
MF
MG
R136
R158
R260
R34
R36
R40

Распиновки Разъемов и расположения элементов СТОП-СИГНАЛ для Renault Master II 1999-2010 2005-05-10




Распиновка разъема 1016 - БЛОК ПРЕДОХРАНИТЕЛЕЙ В САЛОНЕ для Renault Master II 1999-2010 2005-05-10






Распиновка разъема 1016 - БЛОК ПРЕДОХРАНИТЕЛЕЙ В САЛОНЕ для Renault Master II 1999-2010 2005-05-10

- -
A37 - 2.0 - BP3+ АККУМУЛ. БАТАРЕИ Ч/З ПРЕДОХР., ПРЕДОХР. ЦЕНТР. ЗАМКА
A38 - 3.0 - BP*+АККУМУЛ. БАТАРЕИ Ч/З ПРЕДОХР. БЕЗ НАЗНАЧЕНИЯ
B38 - 5.0 - BPS1"+" АККУМУЛЯТОРНОЙ БАТАРЕИ ЧЕРЕЗ ПРЕДОХРАНИТЕЛЬ, ЗАЩИТНЫЙ ВЫКЛЮЧАТЕЛЬ
A39 - 4.0 - BP11+ АККУМУЛ. БАТАРЕИ Ч/З ПРЕДОХР. > САЛОНА АВТОМОБИЛЯ 1
B39 - 4.0 - BC+ АККУМУЛ. БАТАРЕИ РЕЛЕ ПРЕРЫВАТЕЛЯ ЦЕПИ
A1 - 2.0 - AP21+ ПОСЛЕ ЗАМКА ЗАЖИГ. Ч/З ПРЕДОХР., ПРЕДОХР. СИСТ. ПОДДЕРЖ. ВЫС. КУЗ.
B1 - 5.0 - A+ ПОСЛЕ ЗАМКА ЗАЖИГ.
A2 - 2.0 - AP3+ПОСЛЕ ЗАМКА ЗАЖИГ. ЧЕР. ПРЕДОХР., ПРЕДОХР. УПР. ЗАДН. СТКЛ. С ЭЛЕКТРООБОГР.
A3 - 2.0 - AP7+ ПОСЛЕ ЗАМКА ЗАЖИГ. Ч/З ПРЕДОХР., ПРЕДОХР. СТЕКЛООЧ. ВЕТР. СТКЛ.
A3 - 2.0 - AP7+ ПОСЛЕ ЗАМКА ЗАЖИГ. Ч/З ПРЕДОХР., ПРЕДОХР. СТЕКЛООЧ. ВЕТР. СТКЛ.
A4 - 1.0 - 64AP+ Ч/З ПРЕДОХР. УКАЗАТЕЛЯ ПОВОРОТА
A5 - 2.0 - AP26+ ПОСЛЕ ЗАМКА ЗАЖИГ. Ч/З ПРЕДОХР., ПРЕДОХР. ФОНАРЕЙ СТОП-СИГНАЛА
A6 - 1.5 - AP27+ П. ЗАМ. ЗАЖИГ. ЧЕР. ПРЕД., ПРЕД. ЭЛ. РЕВ. ТОРМ. ЭЛЕКТР. СТЕКЛООЧ. ВЕТР. СТКЛ.
A6 - 1.5 - AP27+ П. ЗАМ. ЗАЖИГ. ЧЕР. ПРЕД., ПРЕД. ЭЛ. РЕВ. ТОРМ. ЭЛЕКТР. СТЕКЛООЧ. ВЕТР. СТКЛ.
A7 - 1.0 - AP5+ ПОСЛЕ ЗАМКА ЗАЖИГ. Ч/З ПРЕДОХР., ПРЕДОХР. АБС
B7 - 3.0 - A+ ПОСЛЕ ЗАМКА ЗАЖИГ.
A8 - 1.0 - SP1+ВСПОМ. ОБОР. Ч/З ПРЕДОХР. > ЭЛЕКТРОВЕНТ. СИСТ. ОХЛ. ДВИГ.
A8 - 1.5 - SP1+ВСПОМ. ОБОР. Ч/З ПРЕДОХР. > ЭЛЕКТРОВЕНТ. СИСТ. ОХЛ. ДВИГ.
B8 - 4.0 - S+ ВСПОМОГАТЕЛЬНОГО ЭЛЕКТРООБОРУДОВАНИЯ
A9 - 2.0 - SP2+ ВСПОМ. ЭЛЕКТРООБ. Ч/З ПРЕДОХР. > АУДУСТ.
A10 - 3.0 - SP3+ ВСПОМ. ЭЛЕКТРООБ. Ч/З ПРЕДОХР. > ОТОП.
A11 - 2.5 - SP4G"+" ПОТРЕБИТ ЭЛ.ЭНЕРГИИ Ч/З ПРЕДОХРАНИТЕЛЬ, ПРИКУРИВАТЕЛЬ
A12 - 2.5 - SP4D"+" ВСПОМ. ЭЛЕКТРООБ. Ч/З ПРЕДОХР.>РОЗЕТКА ДЛЯ ДОПОЛН. ЭЛЕКТРООБ. 1
A14 - 2.0 - LPG+ ЛЕВОГО ГАБАРИТНОГО ОГНЯ Ч/З ПРЕДОХР.
A15 - 2.0 - LPD+ ПРАВОГО ГАБАРИТНОГО ОГНЯ Ч/З ПРЕДОХР.
B15 - 3.0 - L+ ГАБАРИТНЫХ ОГНЕЙ
A16 - 1.0 - CPG+ БЛИЖНЕГО СВЕТА ФАР Ч/З РЕЛЕ, ЛЕВАЯ ФАРА
A17 - 1.0 - CPD+ БЛИЖНЕГО СВЕТА ФАР Ч/З РЕЛЕ, ПРАВАЯ ФАРА
B17 - 3.0 - C+ БЛИЖНЕГО СВЕТА ФАР
A18 - 0.35 - RPG+ ДАЛЬНИЙ СВЕТ ЛЕВОЙ ФАРЫ Ч/З ПРЕДОХР.
A18 - 1.0 - RPG+ ДАЛЬНИЙ СВЕТ ЛЕВОЙ ФАРЫ Ч/З ПРЕДОХР.
B18 - 3.0 - R+ ДАЛЬНЕГО СВЕТА ФАР
A19 - 1.0 - RPD+ ДАЛЬНИЙ СВЕТ ПРАВ. ФАРЫ Ч/З ПРЕДОХР.
A20 - 1.0 - 9PУПР. + ЗАДН. ПРОТИВОТУМАННЫХ ФОНАРЕЙ Ч/З ПРЕДОХР.
B20 - 3.0 - 9JУПР. + ПРЕДОХРАНИТЕЛЯ ЗАДН. ПРОТИВОТУМАННЫХ ФОНАРЕЙ
A21 - 2.0 - 67CPУПР. + ЗВУКОВОГО СИГНАЛА > ПРЕДОХР.
B21 - 3.0 - 67CУПР. + ПРЕДОХРАНИТЕЛЯ ЗВУКОВОГО СИГНАЛА
A22 - 0.5 - 15RPУПР. + ЭЛЕКТРООБОГР. ЗЕРК. ЗАДН. ВИДА Ч/З ПРЕДОХР.
A22 - 0.5 - 15RPУПР. + ЭЛЕКТРООБОГР. ЗЕРК. ЗАДН. ВИДА Ч/З ПРЕДОХР.
B22 - 5.0 - 15BУПР. + ОБОГРЕВАТЕЛЯ ЗАДН. СТКЛ.
A23 - 4.0 - 15L+ ПРАВОГО ЗАДН. СТКЛ. С ЭЛЕКТРООБОГРЕВОМ (Ч/З ПРЕДОХР.)
A24 - 4.0 - 15K+ ЛЕВОГО ЗАДН. СТКЛ. С ЭЛЕКТРООБОГРЕВОМ (Ч/З ПРЕДОХР.)
A25 - 1.5 - 20NУПР. +,ОТПИР.ЦЕНТР.ЗАМКА ПАСС.ДВЕРИ > Ч/З ПРЕДОХР.
A25 - 1.5 - 20NУПР. +,ОТПИР.ЦЕНТР.ЗАМКА ПАСС.ДВЕРИ > Ч/З ПРЕДОХР.
A26 - 2.0 - 20PУПР. +, ОТПИР. ЦЕНТР. ЗАМКА КАБИНЫ > Ч/З ПРЕДОХР.
B26 - 1.5 - 20CУПР. + ОТКР. ЦЕНТР. ЗАМКА
A27 - 1.0 - BCPC+АККУМ. УСТР. ОТКЛ. АККУМ. Ч/З ПРЕДОХР., ПРЕДОХР. СИСТ. ПОДДЕРЖ. ВЫС. КУЗ.
A28 - 1.5 - BCP3+ АККУМУЛ. БАТАРЕИ, ПРЕРЫВ. ЦЕПИ Ч/З ПРЕДОХР., ПРЕДОХР. ПЛАФОНА ОСВЕЩ.
A29 - 1.5 - BCP4+ АККУМУЛ. БАТАРЕИ, ПРЕРЫВ. ЦЕПИ Ч/З ПРЕДОХР., ПРЕДОХР. ЗАПОМИН. УСТР.
B29 - 4.0 - BC+ АККУМУЛ. БАТАРЕИ РЕЛЕ ПРЕРЫВАТЕЛЯ ЦЕПИ
A31 - 4.0 - BP11+ АККУМУЛ. БАТАРЕИ Ч/З ПРЕДОХР. > САЛОНА АВТОМОБИЛЯ 1
B31 - 1.0 - 80Z+АНТЕННЫ ТРАНСПОНДЕРА
A32 - 2.0 - AP22+ ПОСЛЕ ЗАМКА ЗАЖИГ. Ч/З ПРЕДОХР., ПРЕДОХР. СИДЕНЬЯ С ПОДОГРЕВОМ
A33 - 1.0 - AP2+ПОСЛЕ ЗАМКА ЗАЖ. Ч/З ПРЕДОХР., ПРЕДО. СТКЛПОД. ПРАВ. ПЕР. ПРАВ. ЗАДН. ДВЕР.
A33 - 3.0 - AP2+ПОСЛЕ ЗАМКА ЗАЖ. Ч/З ПРЕДОХР., ПРЕДО. СТКЛПОД. ПРАВ. ПЕР. ПРАВ. ЗАДН. ДВЕР.
B33 - 5.0 - AR+ ПОСЛЕ ЗАМКА ЗАЖИГ. > РЕЛЕ
A34 - 3.0 - AP1+ПОСЛЕ ЗАМКА ЗАЖ. Ч/З ПРЕД., ПРЕД. СТКЛПОД. ЛЕВ. ПЕР. ДВЕР.>ЛЕВ. ЗАДН. ДВЕР.
A35 - 2.0 - BPR1+ АККУМУЛЯТОРНЫХ БАТАРЕЙ > РЕЛЕ
B35 - 3.0 - BP12+ АККУМУЛ. БАТАРЕИ Ч/З ПРЕДОХР. > САЛОНА АВТОМОБИЛЯ 2
A36 - 3.0 - BP*+АККУМУЛ. БАТАРЕИ Ч/З ПРЕДОХР. БЕЗ НАЗНАЧЕНИЯ
B36 - 3.0 - BP19+АККУМУЛ. Ч/З ПРЕДОХР. > РЕЛЕ ВР., РЕЛЕ-ПРЕРЫВ. УКАЗ. ПОВОР. И АВАР. СИГН.


Где находится элемент 1016 - БЛОК ПРЕДОХРАНИТЕЛЕЙ В САЛОНЕ для Renault Master II 1999-2010 2005-05-10





Распиновка разъема 120 - ЭБУ СИСТ. ВПР. для Renault Master II 1999-2010 2005-05-10






Распиновка разъема 120 - ЭБУ СИСТ. ВПР. для Renault Master II 1999-2010 2005-05-10

- -
C1 - 0.5 - 3LV- ПОТЕНЦИОМЕТРА НАГРУЗКИ 2
D1 - 0.5 - 3LT- ПОТЕНЦИОМЕТРА НАГРУЗКИ 1
G1 - 0.75 - 38JWУПРАВЛЕНИЕ РЕЛЕ 3 НАГРЕВАТЕЛЬНОГО РЕЗИСТОРА САЛОНА
H1 - 0.75 - 38JUУПРАВЛЕНИЕ РЕЛЕ 1 НАГРЕВАТЕЛЬНОГО РЕЗИСТОРА САЛОНА
A2 - 0.5 - H47СИГН. СКОРОСТИ АВТОМ. > ДОПОЛН. СИГН. СКОРОСТИ
B2 - 0.5 - 86MСИГН. ВОЗВРАТА ПРОГРАММИРОВАНИЯ РЕГУЛЯТОРА СКОРОСТИ
C2 - 0.5 - 3LWСИГН. + ПОТЕНЦИОМЕТРА НАГРУЗКИ 2
D2 - 0.5 - 3LSСИГН. + ПОТЕНЦИОМЕТРА НАГРУЗКИ 1
F2 - 0.5 - HKДИАГНОСТИЧЕСКИЙ СИГН. K
H2 - 0.75 - 3JNУПР. - ЭЛЕКТРОВЕНТИЛЯТОРА 1
B3 - 0.5 - 3WTСИГНАЛ ДАТЧИКА НАЛИЧИЯ ВОДЫ В ДИЗЕЛЬНОМ ТОПЛИВЕ
C3 - 0.5 - 123EУПР. РЕЛЕ ВРЕМЕНИ ОБОГРЕВАТЕЛЯ ВЕТРОВОГО СТКЛ.
E3 - 0.5 - 3LU+ ПОТЕНЦИОМЕТРА НАГРУЗКИ 2
F3 - 0.5 - 3LR+ ПОТЕНЦИОМЕТРА НАГРУЗКИ 1
A4 - 0.5 - 5AСИГН. + ВЫКЛЮЧАТЕЛЯ ПЕДАЛИ ТОРМОЗА
B4 - 0.5 - 65AУПР. + ФОНАРЕЙ СТОП-СИГНАЛА
C4 - 0.5 - 86DСИГН. + ВЫКЛЮЧЕНИЯ СЦЕПЛЕНИЯ
D4 - 0.5 - 3FXУПР. - ВЫКЛЮЧАТЕЛЯ КРУИЗ-КОНТРОЛЯ
E4 - 0.5 - 3PDВЫКЛ. ОГРАНИЧИТЕЛЯ СКОРОСТИ
F4 - 0.5 - 86GУПР. ПРОГРАММИРОВАНИЕМ РЕГУЛЯТОРА СКОРОСТИ
G2 - 0.75 - 3JPУПР. - ЭЛЕКТРОВЕНТИЛЯТОРА 2
D3 - 0.5 - 38ZУПР. КОМПРЕСС. КОНДИЦ.> ЭБУ ВПРЫСКА БЕНЗ.-ДИЗЕЛЬН. ДВИГАТЕЛЯ
G3 - 0.75 - 38LУПР. КОНДИЦИОНЕРА ЭБУ ВПРЫСКА > УСКОРЕННЫЙ ХОЛОСТЫМ ХОДОМ


Где находится элемент 120 - ЭБУ СИСТ. ВПР. для Renault Master II 1999-2010 2005-05-10





Распиновка разъема 160 - ВЫКЛ. СТОП-СИГНАЛА для Renault Master II 1999-2010 2005-05-10






Распиновка разъема 160 - ВЫКЛ. СТОП-СИГНАЛА для Renault Master II 1999-2010 2005-05-10

- -
A1 - 0.5 - AP26+ ПОСЛЕ ЗАМКА ЗАЖИГ. Ч/З ПРЕДОХР., ПРЕДОХР. ФОНАРЕЙ СТОП-СИГНАЛА
B1 - 1.0 - AP26+ ПОСЛЕ ЗАМКА ЗАЖИГ. Ч/З ПРЕДОХР., ПРЕДОХР. ФОНАРЕЙ СТОП-СИГНАЛА
A3 - 1.0 - 65AУПР. + ФОНАРЕЙ СТОП-СИГНАЛА
B3 - 0.5 - 5AСИГН. + ВЫКЛЮЧАТЕЛЯ ПЕДАЛИ ТОРМОЗА


Где находится элемент 160 - ВЫКЛ. СТОП-СИГНАЛА для Renault Master II 1999-2010 2005-05-10





Распиновка разъема 172 - ПР. ЗАДН. ФОНАРЬ для Renault Master II 1999-2010 2005-05-10






Распиновка разъема 172 - ПР. ЗАДН. ФОНАРЬ для Renault Master II 1999-2010 2005-05-10

- -
A1 - 0.5 - LPD+ ПРАВОГО ГАБАРИТНОГО ОГНЯ Ч/З ПРЕДОХР.
B1 - 1.0 - 65AУПР. + ФОНАРЕЙ СТОП-СИГНАЛА
C1 - 0.5 - 9QОБРАТНАЯ ЦЕПЬ ЗАДН. ПРОТИВОТУМ. ФОНАРЕЙ
A2 - 0.5 - 64DУПР. УКАЗАТЕЛЯМИ ПРАВЫХ ПОВОРОТОВ
B2 - 1.0 - H66PУПР. + ОГНЕЙ ЗАДН. ХОДА
C2 - 1.5 - M"МАССА"


Где находится элемент 172 - ПР. ЗАДН. ФОНАРЬ для Renault Master II 1999-2010 2005-05-10





Распиновка разъема 173 - ЛЕВ. ЗАДН. ФОНАРЬ для Renault Master II 1999-2010 2005-05-10






Распиновка разъема 173 - ЛЕВ. ЗАДН. ФОНАРЬ для Renault Master II 1999-2010 2005-05-10

- -
A1 - 0.5 - LPG+ ЛЕВОГО ГАБАРИТНОГО ОГНЯ Ч/З ПРЕДОХР.
B1 - 1.0 - 65AУПР. + ФОНАРЕЙ СТОП-СИГНАЛА
C1 - 0.5 - 9QОБРАТНАЯ ЦЕПЬ ЗАДН. ПРОТИВОТУМ. ФОНАРЕЙ
A2 - 0.5 - 64CУПР. УКАЗАТЕЛЯМИ ЛЕВЫХ ПОВОРОТОВ
B2 - 1.0 - H66PУПР. + ОГНЕЙ ЗАДН. ХОДА
C2 - 1.5 - M"МАССА"


Где находится элемент 173 - ЛЕВ. ЗАДН. ФОНАРЬ для Renault Master II 1999-2010 2005-05-10





Распиновка разъема 639 - ВСПОМОГ. СИГНАЛ ТОРМОЖЕНИЯ ВЕРХН. РАСПОЛОЖЕНИЯ для Renault Master II 1999-2010 2005-05-10






Распиновка разъема 639 - ВСПОМОГ. СИГНАЛ ТОРМОЖЕНИЯ ВЕРХН. РАСПОЛОЖЕНИЯ для Renault Master II 1999-2010 2005-05-10

- -
A1 - 1.0 - 65AУПР. + ФОНАРЕЙ СТОП-СИГНАЛА
A2 - 0.5 - M"МАССА"


Где находится элемент 639 - ВСПОМОГ. СИГНАЛ ТОРМОЖЕНИЯ ВЕРХН. РАСПОЛОЖЕНИЯ для Renault Master II 1999-2010 2005-05-10





Распиновка разъема 713 - РАЗ. ЖИЛ. ПРИЦ. для Renault Master II 1999-2010 2005-05-10






Распиновка разъема 713 - РАЗ. ЖИЛ. ПРИЦ. для Renault Master II 1999-2010 2005-05-10

- -
1 - 0.75 - 64CУПР. УКАЗАТЕЛЯМИ ЛЕВЫХ ПОВОРОТОВ
2 - 0.75 - 9PУПР. + ЗАДН. ПРОТИВОТУМАННЫХ ФОНАРЕЙ Ч/З ПРЕДОХР.
3 - 1.5 - M"МАССА"
4 - 0.75 - 64DУПР. УКАЗАТЕЛЯМИ ПРАВЫХ ПОВОРОТОВ
5 - 0.75 - LPD+ ПРАВОГО ГАБАРИТНОГО ОГНЯ Ч/З ПРЕДОХР.
6 - 1.0 - 65AУПР. + ФОНАРЕЙ СТОП-СИГНАЛА
7 - 0.75 - LPG+ ЛЕВОГО ГАБАРИТНОГО ОГНЯ Ч/З ПРЕДОХР.
8 - 0.75 - H66PУПР. + ОГНЕЙ ЗАДН. ХОДА
13 - 1.5 - M"МАССА"




Распиновка разъема 721 - УЗЕЛ ЭБУ АБС И ГИДРОБЛОКА АБС для Renault Master II 1999-2010 2005-05-10






Распиновка разъема 721 - УЗЕЛ ЭБУ АБС И ГИДРОБЛОКА АБС для Renault Master II 1999-2010 2005-05-10

- -
3 - 0.5 - 4Y- СИГН. ЛАМПЫ НЕИСПРАВ. ТОРМОЗ. СИСТ.
6 - 0.5 - HKДИАГНОСТИЧЕСКИЙ СИГН. K
7 - 0.5 - 4N+ ДАТЧ. СКОРОС. ВРАЩ. ПРАВ. ПЕРЕД. КОЛ.
8 - 0.5 - 4MСИГН. ДАТЧ. СКОРОС. ВРАЩ. ПРАВ. ПЕРЕД. КОЛ.
9 - 0.5 - 4T+ ДАТЧ. СКОРОС. ВРАЩ. ПРАВ. ЗАДН. КОЛ.
10 - 0.5 - 4SСИГН. ДАТЧ. СКОРОС. ВРАЩ. ПРАВ. ЗАДН. КОЛ.
11 - 4.0 - NЭЛЕКТРОННАЯ "МАССА"
12 - 4.0 - BP14+ АККУМУЛ. БАТАРЕИ Ч/З ПРЕДОХР. > АБС
15 - 0.5 - 4Z- СИГН. ЛАМПЫ АБС
16 - 0.5 - H47СИГН. СКОРОСТИ АВТОМ. > ДОПОЛН. СИГН. СКОРОСТИ
17 - 1.0 - 65AУПР. + ФОНАРЕЙ СТОП-СИГНАЛА
19 - 0.5 - 4E+ ДАТЧ. СКОРОС. ВРАЩ. ЛЕВ. ПЕРЕД. КОЛ.
20 - 0.5 - 4CСИГН. ДАТЧ. СКОР. ВРАЩ. ЛЕВ. ПЕРЕД. КОЛ.
21 - 0.5 - 4H+ ДАТЧ. СКОРОС. ВРАЩ. ЛЕВ. ЗАДН. КОЛ.
22 - 0.5 - 4GСИГН. ДАТЧ. СКОРОС. ВРАЩ. ЛЕВ. ЗАДН. КОЛ.
23 - 0.5 - AP5+ ПОСЛЕ ЗАМКА ЗАЖИГ. Ч/З ПРЕДОХР., ПРЕДОХР. АБС
24 - 4.0 - NЭЛЕКТРОННАЯ "МАССА"
25 - 4.0 - BP14+ АККУМУЛ. БАТАРЕИ Ч/З ПРЕДОХР. > АБС


Где находится элемент 721 - УЗЕЛ ЭБУ АБС И ГИДРОБЛОКА АБС для Renault Master II 1999-2010 2005-05-10





Распиновка разъема R136 - РАЗ. ЭЛПРОВ.ЛЕВ.ЗАДН. ДВЕРИ/ПРАВ. ЗАДН.ДОП.ЭЛПРОВ. для Renault Master II 1999-2010 2005-05-10






Распиновка разъема R136 - РАЗ. ЭЛПРОВ.ЛЕВ.ЗАДН. ДВЕРИ/ПРАВ. ЗАДН.ДОП.ЭЛПРОВ. для Renault Master II 1999-2010 2005-05-10

- -
4 - 1.0 - M"МАССА"
5 - 1.0 - LPG+ ЛЕВОГО ГАБАРИТНОГО ОГНЯ Ч/З ПРЕДОХР.
6 - 1.0 - 65AУПР. + ФОНАРЕЙ СТОП-СИГНАЛА


Где находится элемент R136 - РАЗ. ЭЛПРОВ.ЛЕВ.ЗАДН. ДВЕРИ/ПРАВ. ЗАДН.ДОП.ЭЛПРОВ. для Renault Master II 1999-2010 2005-05-10





Распиновка разъема R158 - РАЗ. ЭЛПРОВ. САЛОНА/ПРАВ. ЧАСТИ КРЫШИ для Renault Master II 1999-2010 2005-05-10






Распиновка разъема R158 - РАЗ. ЭЛПРОВ. САЛОНА/ПРАВ. ЧАСТИ КРЫШИ для Renault Master II 1999-2010 2005-05-10

- -
2 - 1.0 - 64DУПР. УКАЗАТЕЛЯМИ ПРАВЫХ ПОВОРОТОВ
4 - 1.0 - 13AУПР. - ОСВЕЩ. САЛОНА > КОНЦЕВОЙ ВЫКЛ.
5 - 1.0 - H66PУПР. + ОГНЕЙ ЗАДН. ХОДА
3 - 1.5 - LPD+ ПРАВОГО ГАБАРИТНОГО ОГНЯ Ч/З ПРЕДОХР.
1 - 4.0 - 15L+ ПРАВОГО ЗАДН. СТКЛ. С ЭЛЕКТРООБОГРЕВОМ (Ч/З ПРЕДОХР.)
6 - 1.0 - 65AУПР. + ФОНАРЕЙ СТОП-СИГНАЛА


Где находится элемент R158 - РАЗ. ЭЛПРОВ. САЛОНА/ПРАВ. ЧАСТИ КРЫШИ для Renault Master II 1999-2010 2005-05-10





Распиновка разъема R260 - РАЗ. ЭЛПРОВ. САЛОНА/ЛЕВ. ЧАСТИ КРЫШИ для Renault Master II 1999-2010 2005-05-10






Распиновка разъема R260 - РАЗ. ЭЛПРОВ. САЛОНА/ЛЕВ. ЧАСТИ КРЫШИ для Renault Master II 1999-2010 2005-05-10

- -
1 - 0.5 - 9PУПР. + ЗАДН. ПРОТИВОТУМАННЫХ ФОНАРЕЙ Ч/З ПРЕДОХР.
2 - 1.0 - 64CУПР. УКАЗАТЕЛЯМИ ЛЕВЫХ ПОВОРОТОВ
3 - 1.5 - LPG+ ЛЕВОГО ГАБАРИТНОГО ОГНЯ Ч/З ПРЕДОХР.


Где находится элемент R260 - РАЗ. ЭЛПРОВ. САЛОНА/ЛЕВ. ЧАСТИ КРЫШИ для Renault Master II 1999-2010 2005-05-10





Распиновка разъема R34 - РАЗ. ЭЛПРОВ. ДВИГ./ПРИБ. ПАН. для Renault Master II 1999-2010 2005-05-10






Распиновка разъема R34 - РАЗ. ЭЛПРОВ. ДВИГ./ПРИБ. ПАН. для Renault Master II 1999-2010 2005-05-10

- -
2 - 2.0 - 139AУПР. + ПОДОГРЕВАТЕЛЯ ТОПЛИВНОГО ФИЛЬТРА ДИЗЕЛЬНОГО ДВИГАТЕЛЯ
3 - 2.0 - 3N+ ТОПЛИВНОГО НАСОСА
4 - 3.0 - D+ СТАРТЕР
5 - 1.5 - SP1+ВСПОМ. ОБОР. Ч/З ПРЕДОХР. > ЭЛЕКТРОВЕНТ. СИСТ. ОХЛ. ДВИГ.
6 - 2.0 - BPR1+ АККУМУЛЯТОРНЫХ БАТАРЕЙ > РЕЛЕ
1 - 2.0 - BP69+ АККУМУЛ. БАТАРЕИ Ч/З ПРЕДОХР. > ЩИТОК ПРИБОРОВ > ЭБУ КОНТРОЛЯ ИСПР. ЛАМП


Где находится элемент R34 - РАЗ. ЭЛПРОВ. ДВИГ./ПРИБ. ПАН. для Renault Master II 1999-2010 2005-05-10





Распиновка разъема R36 - РАЗ. ЭЛПРОВ. АБС/ПРИБ. ПАН. для Renault Master II 1999-2010 2005-05-10






Распиновка разъема R36 - РАЗ. ЭЛПРОВ. АБС/ПРИБ. ПАН. для Renault Master II 1999-2010 2005-05-10

- -
B1 - 0.5 - HKДИАГНОСТИЧЕСКИЙ СИГН. K
A2 - 1.0 - AP5+ ПОСЛЕ ЗАМКА ЗАЖИГ. Ч/З ПРЕДОХР., ПРЕДОХР. АБС
B2 - 0.35 - H47СИГН. СКОРОСТИ АВТОМ. > ДОПОЛН. СИГН. СКОРОСТИ
A3 - 1.0 - 65AУПР. + ФОНАРЕЙ СТОП-СИГНАЛА
B3 - 1.0 - NЭЛЕКТРОННАЯ "МАССА"
A4 - 0.5 - 4Y- СИГН. ЛАМПЫ НЕИСПРАВ. ТОРМОЗ. СИСТ.
A5 - 0.5 - 4Z- СИГН. ЛАМПЫ АБС


Где находится элемент R36 - РАЗ. ЭЛПРОВ. АБС/ПРИБ. ПАН. для Renault Master II 1999-2010 2005-05-10





Распиновка разъема R40 - РАЗ. ЭЛПРОВ. ПРАВ. ЗАДН. ЧАСТИ/ЗАДН. ПОПЕРЕЧИНЫ для Renault Master II 1999-2010 2005-05-10






Распиновка разъема R40 - РАЗ. ЭЛПРОВ. ПРАВ. ЗАДН. ЧАСТИ/ЗАДН. ПОПЕРЕЧИНЫ для Renault Master II 1999-2010 2005-05-10

- -
A1 - 0.75 - LPD+ ПРАВОГО ГАБАРИТНОГО ОГНЯ Ч/З ПРЕДОХР.
B1 - 0.5 - 64DУПР. УКАЗАТЕЛЯМИ ПРАВЫХ ПОВОРОТОВ
B2 - 1.0 - H66PУПР. + ОГНЕЙ ЗАДН. ХОДА
B3 - 1.0 - 65AУПР. + ФОНАРЕЙ СТОП-СИГНАЛА


Где находится элемент R40 - РАЗ. ЭЛПРОВ. ПРАВ. ЗАДН. ЧАСТИ/ЗАДН. ПОПЕРЕЧИНЫ для Renault Master II 1999-2010 2005-05-10


Расположение подключения масс Заземления для Renault Master II 1999-2010 2005-05-10

Can't find your car? Check -> DiagnostData.com!