AUTOMOTIVE ELECTRICIANS

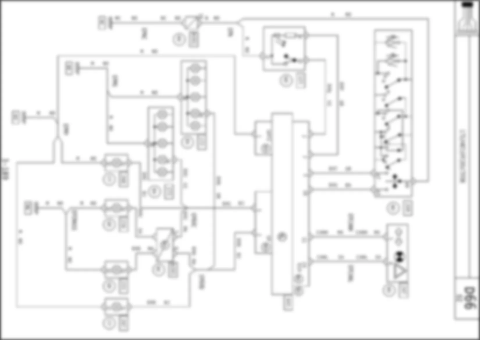
Электросхема УКАЗ. ПОВОР. В РЕЖ. УКАЗ. ПОВОР. И АВАР. СИГН. для Renault Avantime 2001-2003 2002-04-15 ДВИГАТЕЛЬ L7X – ДВИГАТЕЛЬ F4RT – ДВИГАТЕЛЬ G9T – ПРАВОСТОРОННЕЕ РУЛЕВОЕ УПРАВЛЕНИЕ – СИСТЕМА СТАБИЛИЗАЦИИ ТРАЕКТОРИИ

Электросхема УКАЗ. ПОВОР. В РЕЖ. УКАЗ. ПОВОР. И АВАР. СИГН. для Renault Avantime 2001-2003 2002-04-15

Электросхема УКАЗ. ПОВОР. В РЕЖ. УКАЗ. ПОВОР. И АВАР. СИГН. для Renault Avantime 2001-2003 2002-04-15 ДВИГАТЕЛЬ L7X – ДВИГАТЕЛЬ F4RT – ДВИГАТЕЛЬ G9T – ПРАВОСТОРОННЕЕ РУЛЕВОЕ УПРАВЛЕНИЕ – СИСТЕМА СТАБИЛИЗАЦИИ ТРАЕКТОРИИ


Электросхема подходит для следующей комплектации автомобиля:
- ДВИГАТЕЛЬ L7X - ДВИГАТЕЛЬ F4RT - ДВИГАТЕЛЬ G9T - ПРАВОСТОРОННЕЕ РУЛЕВОЕ УПРАВЛЕНИЕ - СИСТЕМА СТАБИЛИЗАЦИИ ТРАЕКТОРИИ

Код Элемента
При нажатии переход на распиновку разъема
(при отсутствии информации, перехода не будет)
Наименовение Элемента
При нажатии переход на расположение элемента
(при отсутствии информации, перехода не будет)
125
172
173
209
247
255
256
267
268
645
MF
MW
MY
NC
R261
R265

Распиновки Разъемов и расположения элементов УКАЗ. ПОВОР. В РЕЖ. УКАЗ. ПОВОР. И АВАР. СИГН. для Renault Avantime 2001-2003 2002-04-15




Распиновка разъема 125 - ВЫКЛ. АВАР. СИГНАЛИЗ. для Renault Avantime 2001-2003 2002-04-15






Распиновка разъема 125 - ВЫКЛ. АВАР. СИГНАЛИЗ. для Renault Avantime 2001-2003 2002-04-15

- -
2 - 0.35 - NЭЛЕКТРОННАЯ "МАССА"
3 - 0.35 - 64QУПР. - РЕЛЕ ВРЕМЕНИ, РЕЛЕ-ПРЕРЫВАТЕЛЬ УКАЗ. ПОВОР. И АВАР. СИГНАЛИЗ.
3 - 0.35 - 64QУПР. - РЕЛЕ ВРЕМЕНИ, РЕЛЕ-ПРЕРЫВАТЕЛЬ УКАЗ. ПОВОР. И АВАР. СИГНАЛИЗ.
4 - 0.35 - 64FУПР. + СИГН. ЛАМПЫ АВАРИЙНОЙ СИГНАЛИЗАЦИИ


Где находится элемент 125 - ВЫКЛ. АВАР. СИГНАЛИЗ. для Renault Avantime 2001-2003 2002-04-15





Распиновка разъема 172 - ПР. ЗАДН. ФОНАРЬ для Renault Avantime 2001-2003 2002-04-15






Распиновка разъема 172 - ПР. ЗАДН. ФОНАРЬ для Renault Avantime 2001-2003 2002-04-15

- -
1 - 1.0 - 9DP+ Ч/З ПРЕДОХР., ПРЕДОХР. ЗАДН. ПРОТИВОТУМАННЫХ ФОНАРЕЙ
2 - 0.35 - LPD+ ПРАВОГО ГАБАРИТНОГО ОГНЯ Ч/З ПРЕДОХР.
3 - 0.75 - 65AУПР. + ФОНАРЕЙ СТОП-СИГНАЛА
4 - 0.75 - 64DУПР. УКАЗАТЕЛЯМИ ПРАВЫХ ПОВОРОТОВ
5 - 1.0 - H66PУПР. + ОГНЕЙ ЗАДН. ХОДА
6 - 1.0 - M"МАССА"


Где находится элемент 172 - ПР. ЗАДН. ФОНАРЬ для Renault Avantime 2001-2003 2002-04-15





Распиновка разъема 173 - ЛЕВ. ЗАДН. ФОНАРЬ для Renault Avantime 2001-2003 2002-04-15






Распиновка разъема 173 - ЛЕВ. ЗАДН. ФОНАРЬ для Renault Avantime 2001-2003 2002-04-15

- -
1 - 1.0 - 9DP+ Ч/З ПРЕДОХР., ПРЕДОХР. ЗАДН. ПРОТИВОТУМАННЫХ ФОНАРЕЙ
2 - 0.35 - LPG+ ЛЕВОГО ГАБАРИТНОГО ОГНЯ Ч/З ПРЕДОХР.
3 - 0.75 - 65AУПР. + ФОНАРЕЙ СТОП-СИГНАЛА
4 - 1.0 - 64CУПР. УКАЗАТЕЛЯМИ ЛЕВЫХ ПОВОРОТОВ
5 - 1.0 - H66PУПР. + ОГНЕЙ ЗАДН. ХОДА
6 - 1.0 - M"МАССА"


Где находится элемент 173 - ЛЕВ. ЗАДН. ФОНАРЬ для Renault Avantime 2001-2003 2002-04-15





Распиновка разъема 209 - РЫЧАЖНЫЙ ПЕРЕКЛ. для Renault Avantime 2001-2003 2002-04-15






Распиновка разъема 209 - РЫЧАЖНЫЙ ПЕРЕКЛ. для Renault Avantime 2001-2003 2002-04-15

- -
A1 - 0.35 - 8HУПР. "+" ПРОТИВОТУМАННЫЕ ФАРЫ > ЦЭКБС
B1 - 1.5 - L+ ГАБАРИТНЫХ ОГНЕЙ
B2 - 2.5 - BP76"+" АККУМУЛЯТОРНОЙ БАТАРЕИ Ч/З ПРЕДОХРАНИТЕЛЬ > УПР. ОСВЕЩЕНИЕ САЛОНА
A3 - 1.5 - 9AУПР. "+", РЕЛЕ ЗАДН. ПРОТИВОТУМАННЫХ ФОНАРЕЙ
B3 - 0.75 - BP76"+" АККУМУЛЯТОРНОЙ БАТАРЕИ Ч/З ПРЕДОХРАНИТЕЛЬ > УПР. ОСВЕЩЕНИЕ САЛОНА
A4 - 2.5 - 67CУПР. + ПРЕДОХРАНИТЕЛЯ ЗВУКОВОГО СИГНАЛА
B4 - 0.35 - C+ БЛИЖНЕГО СВЕТА ФАР
A5 - 0.35 - 64SУПР. ВКЛЮЧЕНИЕМ РЕЛЕ ВРЕМЕНИ ПРАВОГО УКАЗАТЕЛЯ ПОВОРОТА > ЭБУ
A6 - 0.35 - NЭЛЕКТРОННАЯ "МАССА"
B6 - 2.5 - BP76"+" АККУМУЛЯТОРНОЙ БАТАРЕИ Ч/З ПРЕДОХРАНИТЕЛЬ > УПР. ОСВЕЩЕНИЕ САЛОНА
A7 - 0.35 - 64TУПР. ВКЛЮЧЕНИЕМ РЕЛЕ ВРЕМЕНИ ЛЕВОГО УКАЗАТЕЛЯ ПОВОРОТА > ЭБУ
B7 - 0.35 - R+ ДАЛЬНЕГО СВЕТА ФАР


Где находится элемент 209 - РЫЧАЖНЫЙ ПЕРЕКЛ. для Renault Avantime 2001-2003 2002-04-15





Распиновка разъема 247 - ЩИТОК ПРИБОРОВ для Renault Avantime 2001-2003 2002-04-15






Распиновка разъема 247 - ЩИТОК ПРИБОРОВ для Renault Avantime 2001-2003 2002-04-15

- -
1 - 0.6 - 19BУПР. + ОСВЕЩ. ВОДИТЕЛЬСКОГО МЕСТА
2 - 0.5 - BP69+ АККУМУЛ. БАТАРЕИ Ч/З ПРЕДОХР. > ЩИТОК ПРИБОРОВ > ЭБУ КОНТРОЛЯ ИСПР. ЛАМП
3 - 0.6 - M"МАССА"
4 - 0.5 - NЭЛЕКТРОННАЯ "МАССА"
5 - 0.5 - CANHДИАГНОСТИЧЕСКИЙ СИГН. CAN H
6 - 0.5 - CANLДИАГНОСТИЧЕСКИЙ СИГН. CAN L
8 - 0.5 - 145HРАДИОЧАСТОТНЫЙ СИГН.


Где находится элемент 247 - ЩИТОК ПРИБОРОВ для Renault Avantime 2001-2003 2002-04-15





Распиновка разъема 255 - ПР. ПЕР. УКАЗАТЕЛЬ ПОВОРОТА для Renault Avantime 2001-2003 2002-04-15






Распиновка разъема 255 - ПР. ПЕР. УКАЗАТЕЛЬ ПОВОРОТА для Renault Avantime 2001-2003 2002-04-15

- -
1 - 0.5 - 64DУПР. УКАЗАТЕЛЯМИ ПРАВЫХ ПОВОРОТОВ
2 - 0.5 - M"МАССА"


Где находится элемент 255 - ПР. ПЕР. УКАЗАТЕЛЬ ПОВОРОТА для Renault Avantime 2001-2003 2002-04-15





Распиновка разъема 256 - ЛЕВ. ПЕР. УКАЗАТЕЛЬ ПОВОРОТА для Renault Avantime 2001-2003 2002-04-15






Распиновка разъема 256 - ЛЕВ. ПЕР. УКАЗАТЕЛЬ ПОВОРОТА для Renault Avantime 2001-2003 2002-04-15

- -
1 - 0.5 - 64CУПР. УКАЗАТЕЛЯМИ ЛЕВЫХ ПОВОРОТОВ
2 - 0.5 - M"МАССА"


Где находится элемент 256 - ЛЕВ. ПЕР. УКАЗАТЕЛЬ ПОВОРОТА для Renault Avantime 2001-2003 2002-04-15





Распиновка разъема 267 - ПР. ПОВТОРИТЕЛЬ УКАЗАТЕЛЯ ПОВОРОТА для Renault Avantime 2001-2003 2002-04-15






Распиновка разъема 267 - ПР. ПОВТОРИТЕЛЬ УКАЗАТЕЛЯ ПОВОРОТА для Renault Avantime 2001-2003 2002-04-15

- -
1 - 0.75 - 64DУПР. УКАЗАТЕЛЯМИ ПРАВЫХ ПОВОРОТОВ
2 - 0.75 - M"МАССА"


Где находится элемент 267 - ПР. ПОВТОРИТЕЛЬ УКАЗАТЕЛЯ ПОВОРОТА для Renault Avantime 2001-2003 2002-04-15





Распиновка разъема 268 - ЛЕВ. ПОВТОРИТЕЛЬ УКАЗАТЕЛЯ ПОВОРОТА для Renault Avantime 2001-2003 2002-04-15






Распиновка разъема 268 - ЛЕВ. ПОВТОРИТЕЛЬ УКАЗАТЕЛЯ ПОВОРОТА для Renault Avantime 2001-2003 2002-04-15

- -
1 - 0.75 - 64CУПР. УКАЗАТЕЛЯМИ ЛЕВЫХ ПОВОРОТОВ
2 - 0.75 - M"МАССА"


Где находится элемент 268 - ЛЕВ. ПОВТОРИТЕЛЬ УКАЗАТЕЛЯ ПОВОРОТА для Renault Avantime 2001-2003 2002-04-15





Распиновка разъема 645 - КОММУТАЦИОННЫЙ БЛОК САЛОНА для Renault Avantime 2001-2003 2002-04-15






Распиновка разъема 645 - КОММУТАЦИОННЫЙ БЛОК САЛОНА для Renault Avantime 2001-2003 2002-04-15

- -
1 - 0.6 - 19BУПР. + ОСВЕЩ. ВОДИТЕЛЬСКОГО МЕСТА
2 - 0.35 - 64QУПР. - РЕЛЕ ВРЕМЕНИ, РЕЛЕ-ПРЕРЫВАТЕЛЬ УКАЗ. ПОВОР. И АВАР. СИГНАЛИЗ.
3 - 0.35 - 64TУПР. ВКЛЮЧЕНИЕМ РЕЛЕ ВРЕМЕНИ ЛЕВОГО УКАЗАТЕЛЯ ПОВОРОТА > ЭБУ
4 - 0.35 - 47KУПР. - КНОПКИ УПР. ВЫВОДОМ ДАННЫХ НА ДИСПЛЕЙ БОРТОВОГО КОМПЬЮТЕРА
5 - 0.35 - C+ БЛИЖНЕГО СВЕТА ФАР
6 - 0.35 - 14GУПР. МАЛОЙ СКОР. РАБОТЫ СТЕКЛООЧ. > ЭБУ
7 - 0.35 - 64FУПР. + СИГН. ЛАМПЫ АВАРИЙНОЙ СИГНАЛИЗАЦИИ
8 - 0.35 - 16AУПР. + ОМЫВАТЕЛЯ ВЕТРОВОГО СТКЛ.
9 - 0.35 - 80XСИГН. ШИНЫ (ИНТЕРФЕЙС) АНТЕННЫ ТРАНСПОНДЕРА
10 - 0.35 - 80Z+АНТЕННЫ ТРАНСПОНДЕРА
11 - 0.5 - CANHДИАГНОСТИЧЕСКИЙ СИГН. CAN H
13 - 0.35 - 14DУПР. МАЛОЙ СКОРОСТЬЮ РЕЛЕ ВРЕМЕНИ СТЕКЛООЧ. ВЕТРОВОГО СТКЛ.
14 - 0.35 - 13CУПР. "-", ЛАМПЫ ПЛАФОНА ОСВЕЩЕНИЯ САЛОНА
15 - 0.35 - 36EУПР. + РЕЛЕ ВРЕМЕНИ СТЕКЛООЧИСТИТЕЛЯ ЗАДН. СТКЛ.
16 - 0.35 - 64SУПР. ВКЛЮЧЕНИЕМ РЕЛЕ ВРЕМЕНИ ПРАВОГО УКАЗАТЕЛЯ ПОВОРОТА > ЭБУ
17 - 0.35 - 8HУПР. "+" ПРОТИВОТУМАННЫЕ ФАРЫ > ЦЭКБС
18 - 0.35 - R+ ДАЛЬНЕГО СВЕТА ФАР
19 - 0.35 - 14HУПР. БОЛЬШОЙ СКОРОСТЬЮ РАБОТЫ СТЕКЛООЧИСТИТЕЛЯ > ЭБУ
20 - 0.35 - 38BAДАВЛЕНИЕ ХЛАДАГЕНТА
21 - 0.35 - 24AУПР. + ЭЛ.ДВИГ. ЗАДН. СТКЛПОД.
22 - 0.35 - 80W- АНТЕННЫ ТРАНСПОНДЕРА
23 - 0.35 - 80YСИГН. ТАЙМЕРА ТРАНСПОНДЕРА
24 - 0.5 - CANLДИАГНОСТИЧЕСКИЙ СИГН. CAN L
26 - 0.5 - BP69+ АККУМУЛ. БАТАРЕИ Ч/З ПРЕДОХР. > ЩИТОК ПРИБОРОВ > ЭБУ КОНТРОЛЯ ИСПР. ЛАМП


Где находится элемент 645 - КОММУТАЦИОННЫЙ БЛОК САЛОНА для Renault Avantime 2001-2003 2002-04-15





Распиновка разъема R261 - РАЗЪЕМ ЖГУТОВ ПРОВОД. САЛОНА И ВОЗДУХОВОДА СИСТЕМЫ ОТОПЛЕНИЯ для Renault Avantime 2001-2003 2002-04-15






Распиновка разъема R261 - РАЗЪЕМ ЖГУТОВ ПРОВОД. САЛОНА И ВОЗДУХОВОДА СИСТЕМЫ ОТОПЛЕНИЯ для Renault Avantime 2001-2003 2002-04-15

- -
2 - 0.35 - 38GK"+" МИКРОВЕНТИЛЯТОРА, ДАТЧИКА ТЕМП. ВОЗД. В САЛОНЕ
3 - 0.35 - 38GD"+" ДАТЧИКА ТЕМП. ВОЗД. В САЛОНЕ, ТЕПЛОНАПРЯЖЕННОЕ МЕСТО
4 - 0.35 - 38GG- ДАТЧ. ТЕМП. В САЛОНЕ
5 - 0.5 - 86MСИГН. ВОЗВРАТА ПРОГРАММИРОВАНИЯ РЕГУЛЯТОРА СКОРОСТИ
6 - 0.5 - 86GУПР. ПРОГРАММИРОВАНИЕМ РЕГУЛЯТОРА СКОРОСТИ
7 - 0.5 - 4CCУПР. РЕЛЕ ПИТАНИЯ
9 - 2.5 - M"МАССА"
10 - 1.0 - 34GСИГН. + ЛЕВОГО ПЕР. ГРОМКОГОВОРИТЕЛЯ
11 - 1.0 - 34HСИГН. - ЛЕВОГО ПЕР. ГРОМКОГОВОРИТЕЛЯ
12 - 0.5 - BP26"+" АККУМУЛ. БАТАРЕИ Ч/З ПРЕДОХРАНИТЕЛЬ, РАДИОТЕЛЕФОН
13 - 0.5 - 38EMУПР. "-", РЕЛЕ ОБОГРЕВАТЕЛЯ СТЕКЛА > ПАНЕЛЬ УПР. КОНДИЦИОНЕРОМ
14 - 0.35 - 64QУПР. - РЕЛЕ ВРЕМЕНИ, РЕЛЕ-ПРЕРЫВАТЕЛЬ УКАЗ. ПОВОР. И АВАР. СИГНАЛИЗ.
15 - 1.5 - 9AУПР. "+", РЕЛЕ ЗАДН. ПРОТИВОТУМАННЫХ ФОНАРЕЙ
16 - 4.0 - NЭЛЕКТРОННАЯ "МАССА"


Где находится элемент R261 - РАЗЪЕМ ЖГУТОВ ПРОВОД. САЛОНА И ВОЗДУХОВОДА СИСТЕМЫ ОТОПЛЕНИЯ для Renault Avantime 2001-2003 2002-04-15





Распиновка разъема R265 - РАЗ. ЭЛПРОВ. САЛОНА/ПЕРЕДКА КУЗ. для Renault Avantime 2001-2003 2002-04-15






Распиновка разъема R265 - РАЗ. ЭЛПРОВ. САЛОНА/ПЕРЕДКА КУЗ. для Renault Avantime 2001-2003 2002-04-15

- -
5 - 0.35 - C+ БЛИЖНЕГО СВЕТА ФАР
6 - 0.35 - R+ ДАЛЬНЕГО СВЕТА ФАР
7 - 0.35 - 39BУПР. - ОБМОТКИ РЕЛЕ ОМЫВАТЕЛЯ ФАР> РЕЛЕ ВЫДЕРЖКИ ВРЕМЕНИ
8 - 2.0 - 8DP"+" ПРОТИВОТУМАННЫХ ФАР Ч/З ПРЕДОХР.


Где находится элемент R265 - РАЗ. ЭЛПРОВ. САЛОНА/ПЕРЕДКА КУЗ. для Renault Avantime 2001-2003 2002-04-15


Расположение подключения масс Заземления для Renault Avantime 2001-2003 2002-04-15

Can't find your car? Check -> DiagnostData.com!