AUTOMOTIVE ELECTRICIANS

Fiat DOBLO 1.9 JTD 8V Da 10/2000 – LUCI POSIZIONE / TARGA – – MY 2005 – SCHEMA ELETTRICO, LOCALIZZAZIONE COMPONENTI, DESCRIZIONE FUNZIONALE – SCHEMA ELETTRICO, LOCALIZZAZIONE COMPONENTI, DESCRIZIONE FUNZIONALE

Fiat DOBLO 1.9 JTD 8V  Da 10/2000 – LUCI POSIZIONE / TARGA –  – MY 2005 – SCHEMA ELETTRICO, LOCALIZZAZIONE COMPONENTI, DESCRIZIONE FUNZIONALE – SCHEMA ELETTRICO, LOCALIZZAZIONE COMPONENTI, DESCRIZIONE FUNZIONALE



Componenti - LUCI POSIZIONE / TARGA - Fiat DOBLO 1.9 JTD 8V Da 10/2000



Codice componenteDenominazioneRiferimento al complessivo
B001CENTRALINA DI DERIVAZIONE
B2CENTRALINA DI DERIVAZIONE SOTTO PLANCIA
C10MASSA ANTERIORE SINISTRA
C15MASSA PLANCIA LATO GUIDA
C030MASSA POSTERIORE SINISTRA
D085GIUNZIONE POSTERIORE/PORTELLONE
E50QUADRO STRUMENTI
F010PROIETTORE SINISTRO
F011PROIETTORE DESTRO
F030FANALE POSTERIORE SINISTRO
F031FANALE POSTERIORE DESTRO
F50LUCE TARGA SINISTRA
F51LUCE TARGA DESTRA
H001COMMUTATORE DI ACCENSIONE
H5DEVIOGUIDA
M001BODY COMPUTER



Codice componenteDenominazioneRiferimento al complessivo
B001CENTRALINA DI DERIVAZIONE
B2CENTRALINA DI DERIVAZIONE SOTTO PLANCIA
C10MASSA ANTERIORE SINISTRA
C15MASSA PLANCIA LATO GUIDA
C030MASSA POSTERIORE SINISTRA
D085GIUNZIONE POSTERIORE/PORTELLONE
E50QUADRO STRUMENTI
F010PROIETTORE SINISTRO
F011PROIETTORE DESTRO
F030FANALE POSTERIORE SINISTRO
F031FANALE POSTERIORE DESTRO
F50LUCE TARGA SINISTRA
F51LUCE TARGA DESTRA
H001COMMUTATORE DI ACCENSIONE
H5DEVIOGUIDA
M001BODY COMPUTER
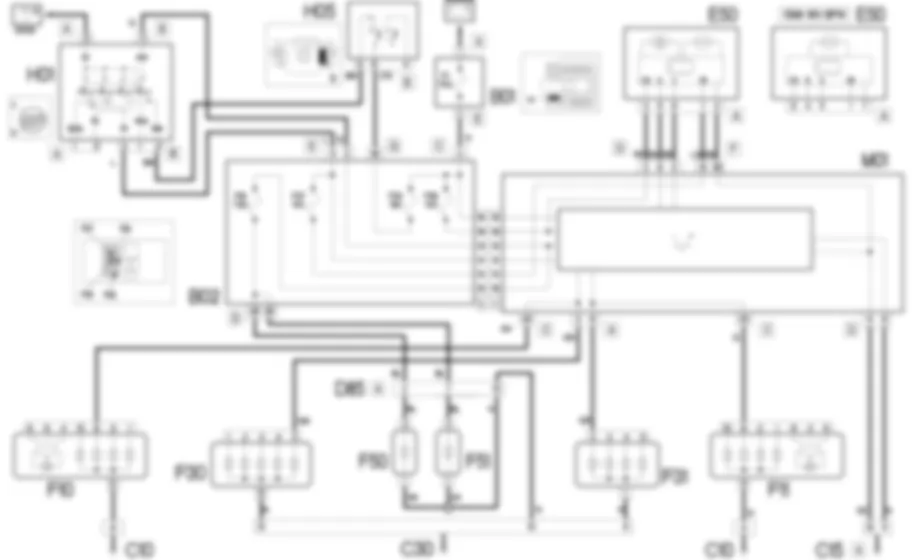
Le luci di posizione vengono inserite al primo scatto dell’apposita ghiera del devioguida, solo con chiave su posizione MAR.Esse possono essere inserite anche estraendo la chiave e ruotandola in senso inverso – posizione PARK – tenendo premuto l’apposito pulsantino.Insieme alle luci di posizione vengono inserite anche le luci d’illuminazione targa e numerose altre luci interne per l’illuminazione dell’abitacolo, della strumentazione e dei comandi (queste linee sono descritte e illustrate negli schemi relativi ai componenti ai quali si riferiscono).Il circuito delle luci di posizione e protetto da appositi fusibili posti nella centralina di derivazione vano motore e nella centralina di derivazione sotto plancia.Una spia sullo strumento di bordo segnala l’avvenuto inserimento delle luci di posizione.Nella versione quadro strumenti Comfort, e disponibile la funzione “check” luci di posizione e targa.L’eventuale avaria viene riconosciuta per ramo vettura (lato destro o sinistro), in tal caso il Body Computer trasmette via rete CAN lo stato di avaria al quadro strumenti, che accende l’apposita spia “avaria luci esterne” e contemporaneamente visualizza l’informazione sul display.
Il segnale d’attivazione delle luci di posizione giunge al commutatore d’accensione H01 (STAZ) connettore B pin 4 dal devioguida H05 quando quest’ultimo e commutato in modo da chiudere il circuito tra il connettore B pin 5 e il connettore B pin 6.Al devioguida H05 l’alimentazione giunge dal fusibile F32 contenuto nella centralina di derivazione sotto plancia B02 e da un ulteriore fusibile F1 contenuto nella centralina di derivazione vano motore B01.Quando il commutatore d’accensione H01 e posizionato su STAZ, il body computer riceve l’alimentazione da H01 (POS) per attivare le luci di posizione anteriori, posteriori e il gruppo luci targa tramite la centralina di derivazione sotto plancia B02 pin 2 connettore E.Per i fanali anteriori F10 e F11 l’alimentazione giunge rispettivamente dai pin 40 e 30 connettore C del body computer; per i fanali posteriori F30 e F31 dai pin 5 e 6 connettore A.L’alimentazione del gruppo luci targa F50 e F51 e protetta dal fusibile F51 posizionato nella centralina di derivazione sotto plancia B02.Il body computer M01 si occupa di alimentare tramite il connettore F (pin 31 e 36) il dispositivo integrato interno al quadro strumento E50.Il body computer e alimentato tramite il pin 11 connettore E della centralina di derivazione B02 dal commutatore di accensione H01 (INT) e tramite una linea protetta dai fusibili F53 e F1 contenuti rispettivamente nella centralina B02 e nella centralina B01 e infine direttamente dalla batteria tramite il fusibile di protezione F1 nella centralina di derivazione vano motore B01.Le linee di alimentazione che giungono dalla centralina di derivazione B02 tramite il pin 11 connettore E e il pin A connettore C alimentano anche il quadro di bordo E50 tramite due linee protette dai fusibili F37 e F53.I pin 8 e 9 del connettore D del body computer sono invece collegati a massa.

CENTRALINA DI DERIVAZIONE



B001A



B001B



B001C



B001C



B001C



B001C



B001C



B001D



B001E



B001F



B001F



B001F



B001F



B001F



B1A



B1A



B1B



B1C



B1C



B1C



B1C



B1C



B1C



B1C



B1C



B1D



B1E



B1E



B1F



B1F



B1F



B1F



B1F



B1F



CENTRALINA DI DERIVAZIONE SOTTO PLANCIA



B002A



B002A



B002A



B002A



B002A



B002C



B002D



B002D



B002E



B002E



B002E



B002F



B002G



B002G



B2A



B2A



B2A



B2A



B2A



B2C



B2D



B2D



B2D



B2E



B2E



B2E



B2E



B2F



B2G



MASSA ANTERIORE SINISTRA



C010



C010



C10



C10



MASSA PLANCIA LATO GUIDA



C015A



C015A



C015C



C15A



C15A



C15B



C15C



MASSA POSTERIORE SINISTRA



C030



C030



C30



C30



GIUNZIONE POSTERIORE/PORTELLONE



D085A



D085A



D085A



D085A



D085A



D085A



D085A



D085B



D085B



D85A



D85A



D85A



D85A



D85A



D85B



D85B



QUADRO STRUMENTI



E050A



E050A



E050B



E050B



E050B



E50A



E50A



E50B



E50B



E50B



E50B



E50B



PROIETTORE SINISTRO



F010



F10



PROIETTORE DESTRO



F011



F11



FANALE POSTERIORE SINISTRO



F030



F030



F30



FANALE POSTERIORE DESTRO



F031



F031



F31



F31



LUCE TARGA SINISTRA



F050



F050



F50



LUCE TARGA DESTRA



F051



F051



F51



COMMUTATORE DI ACCENSIONE



H001A



H001B



H1A



H1B



DEVIOGUIDA



H005A



H005B



H005C



H005C



H5A



H5B



H5C



H5C



BODY COMPUTER



M001A



M001A



M001A



M001A



M001A



M001C



M001C



M001C



M001D



M001D



M001E



M001E



M001F



M001F



M1A



M1A



M1A



M1A



M1C



M1D



M1E



M1F


Can't find your car? Check -> DiagnostData.com!