AUTOMOTIVE ELECTRICIANS

Fiat DOBLO 1.9 JTD 8V Fino a 10/2000 – LUCI RETRONEBBIA – – MY 2005 – SCHEMA ELETTRICO, LOCALIZZAZIONE COMPONENTI, DESCRIZIONE FUNZIONALE – SCHEMA ELETTRICO, LOCALIZZAZIONE COMPONENTI, DESCRIZIONE FUNZIONALE

Fiat DOBLO 1.9 JTD 8V  Fino a 10/2000 – LUCI RETRONEBBIA –  – MY 2005 – SCHEMA ELETTRICO, LOCALIZZAZIONE COMPONENTI, DESCRIZIONE FUNZIONALE – SCHEMA ELETTRICO, LOCALIZZAZIONE COMPONENTI, DESCRIZIONE FUNZIONALE



Componenti - LUCI RETRONEBBIA - Fiat DOBLO 1.9 JTD 8V Fino a 10/2000



Codice componenteDenominazioneRiferimento al complessivo
B001CENTRALINA DI DERIVAZIONE
B2CENTRALINA DI DERIVAZIONE SOTTO PLANCIA
C15MASSA PLANCIA LATO GUIDA
C030MASSA POSTERIORE SINISTRA
E50QUADRO STRUMENTI
F030FANALE POSTERIORE SINISTRO
F031FANALE POSTERIORE DESTRO
H001COMMUTATORE DI ACCENSIONE
H90GRUPPO COMANDI INTERRUTTORI
M001BODY COMPUTER



Codice componenteDenominazioneRiferimento al complessivo
B001CENTRALINA DI DERIVAZIONE
B2CENTRALINA DI DERIVAZIONE SOTTO PLANCIA
C15MASSA PLANCIA LATO GUIDA
C030MASSA POSTERIORE SINISTRA
E50QUADRO STRUMENTI
F030FANALE POSTERIORE SINISTRO
F031FANALE POSTERIORE DESTRO
H001COMMUTATORE DI ACCENSIONE
H90GRUPPO COMANDI INTERRUTTORI
M001BODY COMPUTER
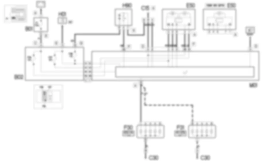
La vettura e dotata di una luce posteriore ad alta luminosita “retronebbia”, situata nella parte posteriore sul fanale sinistro (fanale destro per le versioni guida a destra) e utilizzabile in tutti i casi di scarsa visibilita.La luce retronebbia e attivata attraverso l’apposito pulsante posto sul gruppo interruttori al centro della plancia sotto i diffusori centrali dell’aria.Il consenso per l’inserimento della luce retronebbia e subordinato all’utilizzo delle luci anabbaglianti oppure delle luci fendinebbia.Una spia sullo strumento di bordo segnala l’avvenuto inserimento delle luci retronebbia.Nella versione quadro strumenti Comfort, e disponibile la funzione “check” luci retronebbia.L’eventuale avaria viene riconosciuta per ramo vettura (lato destro e sinistro), in tal caso il Body Computer trasmette via rete CAN lo stato di avaria al quadro strumenti, che accende l’apposita spia “avaria luci esterne” e contemporaneamente visualizza l’informazione sul display.
Il segnale d’attivazione delle luci retronebbia consiste in un segnale di massa proveniente dal gruppo interruttore H90 e entrante al pin 35 del connettore F del body computer M01. Il gruppo interruttore H90 riceve l’alimentazione per l’illuminazione della mostrina dalla linea “sotto chiave” (INT) protetta dal fusibile F49 della centralina di derivazione sotto plancia B02.Il body computer M01, quando viene premuto il pulsante H90, accende il fanale posteriore (F30 per versione guida a sinistra e F31 per versione guida a destra) tramite il pin 31 connettore A se si e in presenza di alimentazione dalla linea sotto chiave H01 (INT) e del segnale luci anabbaglianti accese che giunge dal devioguida H05 (pin 4 del connettore D del body computer). Contemporaneamente il body computer M01 comanda anche l’accensione della spia “luci retronebbia” situata nel quadro strumento E50.Il quadro strumento E50 riceve l’alimentazione, attraverso il body computer M01, tramite una linea “sotto chiave” (pin 1 connettore A) protetta dal fusibile F37 della centralina di derivazione sotto plancia B02 e da una linea proveniente direttamente dalla batteria (pin 3 connettore A) protetta dal fusibile F53 della centralina di derivazione sotto plancia B02 e dal fusibile F1 della centralina di derivazione vano motore B01. Entrambe le linee provengono dal body computer M01; cosi come la linea di massa (pin 2 connettore A) e le linee seriali ai pin 8 e 9 del connettore A.Nella versione quadro strumenti Comfort, in caso di avaria relativa al circuito o alle lampade, il Body Computer tramite la linea CAN,( pin 5 e 6 del connettore I) comunica con il quadro strumenti (pin 9 e 8 del connettore A) comandando l’accensione della la spia di segnalazione “avaria luci esterne” oltre a tutti i messaggi disponibili sul display.Nella versione Natural Power (1.6 16v Bipower), il quadro strumenti E50 comunica con il body computer M01 tramite i pin 4 e 3 connettore A e riceve linee di alimentazione ai pin 1 e 2 connettore A; riceve poi il segnale di massa al pin 7 connettore A.

CENTRALINA DI DERIVAZIONE



B001A



B001B



B001C



B001C



B001C



B001C



B001C



B001D



B001E



B001F



B001F



B001F



B001F



B001F



B1A



B1A



B1B



B1C



B1C



B1C



B1C



B1C



B1C



B1C



B1C



B1D



B1E



B1E



B1F



B1F



B1F



B1F



B1F



B1F



CENTRALINA DI DERIVAZIONE SOTTO PLANCIA



B002A



B002A



B002A



B002A



B002A



B002C



B002D



B002D



B002E



B002E



B002E



B002F



B002G



B002G



B2A



B2A



B2A



B2A



B2A



B2C



B2D



B2D



B2D



B2E



B2E



B2E



B2E



B2F



B2G



MASSA PLANCIA LATO GUIDA



C015A



C015A



C015C



C15A



C15A



C15B



C15C



MASSA POSTERIORE SINISTRA



C030



C030



C30



C30



QUADRO STRUMENTI



E050A



E050A



E050B



E050B



E050B



E50A



E50A



E50B



E50B



E50B



E50B



E50B



FANALE POSTERIORE SINISTRO



F030



F030



F30



FANALE POSTERIORE DESTRO



F031



F031



F31



F31



COMMUTATORE DI ACCENSIONE



H001A



H001B



H1A



H1B



GRUPPO COMANDI INTERRUTTORI



H090A



H090B



H090C



H090C



H90A



H90B



H90C



H90C



BODY COMPUTER



M001A



M001A



M001A



M001A



M001A



M001C



M001C



M001C



M001D



M001D



M001E



M001E



M001F



M001F



M1A



M1A



M1A



M1A



M1C



M1D



M1E



M1F


Can't find your car? Check -> DiagnostData.com!