Components - RADIO - Fiat DOBLO 1.9 JTD 8V da 12/03
| Component code | Description | Reference to the assembly |
| B001 | JUNCTION UNIT | |
| B2 | JUNCTION UNIT UNDER DASHBOARD | |
| C15 | DASHBOARD EARTH, DRIVER''S SIDE | |
| C030 | LEFT REAR EARTH | |
| D20 | DASHBOARD/REAR COUPLING | |
| D30 | REAR/DRIVER''S FRONT DOOR COUPLING | |
| D31 | REAR/PASSENGER FRONT DOOR COUPLING | |
| D097 | SHORT CIRCUITING COUPLING | |
| H001 | IGNITION SWITCH | |
| M001 | BODY COMPUTER | |
| P20 | RADIO | |
| P25 | AERIAL POWER SUPPLY | |
| P30 | LEFT REAR SPEAKER | |
| P31 | RIGHT REAR SPEAKER | |
| P35 | SPEAKER IN DRIVER''S FRONT DOOR | |
| P36 | SPEAKER IN PASSENGER FRONT DOOR | |
| P37 | LEFT FRONT SPEAKER IN DASHBOARD | |
| P38 | RIGHT FRONT SPEAKER IN DASHBOARD | |
| P092 | SUBWOOFER |
| Component code | Description | Reference to the assembly |
| B001 | JUNCTION UNIT | |
| B2 | JUNCTION UNIT UNDER DASHBOARD | |
| C15 | DASHBOARD EARTH, DRIVER''S SIDE | |
| C030 | LEFT REAR EARTH | |
| D20 | DASHBOARD/REAR COUPLING | |
| D30 | REAR/DRIVER''S FRONT DOOR COUPLING | |
| D31 | REAR/PASSENGER FRONT DOOR COUPLING | |
| D097 | SHORT CIRCUITING COUPLING | |
| H001 | IGNITION SWITCH | |
| M001 | BODY COMPUTER | |
| P20 | RADIO | |
| P25 | AERIAL POWER SUPPLY | |
| P30 | LEFT REAR SPEAKER | |
| P31 | RIGHT REAR SPEAKER | |
| P35 | SPEAKER IN DRIVER''S FRONT DOOR | |
| P36 | SPEAKER IN PASSENGER FRONT DOOR | |
| P37 | LEFT FRONT SPEAKER IN DASHBOARD | |
| P38 | RIGHT FRONT SPEAKER IN DASHBOARD | |
| P092 | SUBWOOFER |
The vehicle is available, on request, with a car radio system.The system consists of the following components:- car radio (CD / cassette player);- radio supply leads;- two front speakers located in the doors and two in the dashboard;- two rear speakers;- cables connecting the radio with the speakers;- aerial;- Subwoofer;- coaxial aerial lead.The subwoofer acoustic system is combined with the top of the range radio system.This system intensifies the low frequencies, giving excellent acoustic reproduction.The car radio system has a communication protocol with the electronic unit that manages the electrical equipment (body computer).When the radio is supplied the body computer reads the radio code and establishes whether or not it is activated.The radio circuit is supplied with the key ON and via a direct supply from the battery (which allows tuning, safety codes, etc. to be stored).The two power supply lines are protected by three fuses two of which are housed in the junction unit under the dashboard and the third is located in the engine compartment junction unit.
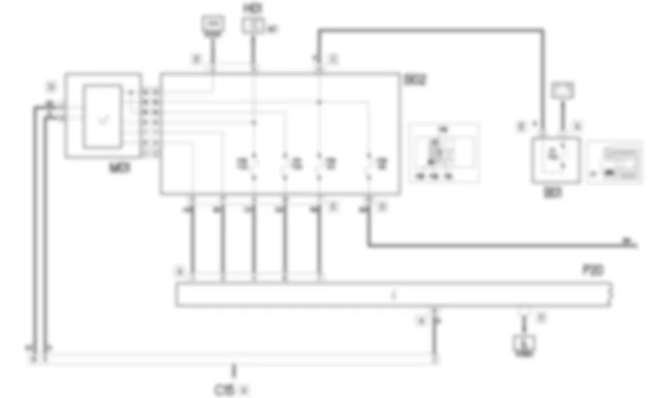
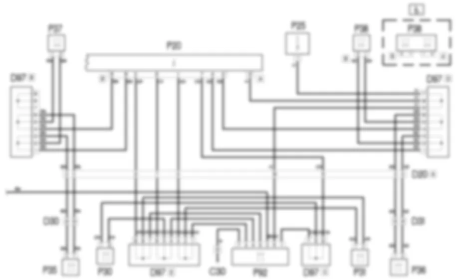
The operation of the radio system P20 is controlled by the body computer by lines coming out of pins 5 and 17 of connector E of junction unit B02 and entering at pins 1 and 3 connector A of the radio P20 respectively.The radio receives a direct power supply (pin 7 connector A) from the battery via the line for fuse F1 housed in the engine compartment junction unit B01 and protected by fuse F39 of the junction unit under the dashboard B02.The radio P20 receives ignition-controlled power (INT) (pin 4 of connector A) via the line for fuse F49 of the junction unit under the dashboard B02.The radio P20 receives a power supply at pin 6 connector A with the side lights on for the interior lighting via the line controlled by the body computer M01 and protected by fuse F51 of junction unit B02.The following cables with signals for the speakers leave connector B of the radio:- right front in the dashboard P38 and the door P36 from pins 3 and 4 via short circuiting coupling D97 D;- left front in the dashboard P37 and the door P35 from pins 5 and 6 via short circuiting coupling D97 B;- right rear P31 and subwoofer P92 (pins 2 and 5) from pins 1 and 2 via short circuiting coupling D97 E;- left rear P30 and subwoofer P92 (pins 1 and 4) from pins 7 and 8 respectively via short circuiting couplings D97 C and D97 E.Pin 5 connector A is connected to aerial amplifier P25 and to the subwoofer (pin 8) via the short circuiting coupling D97 D, whilst pin 8 connector A is earthed.The subwoofer receives a direct power supply (pin 3) via the line protected by fuse F36 of the junction unit under the dashboard B02. Pin 7, on the other hand, is earthed.Speaker P38 has a double coil configuration when preparation for a mobile phone is installed.The body computer is supplied via pin 11 connector E (ignition-controlled supply) and pin A connector C (direct supply) of the junction unit B02.There is a proective fuse F1 for the direct power supply located in the junction unit B01.Pins 8 and 9 of connector D of the body computer are earthed.



































































