AUTOMOTIVE ELECTRICIANS

Fiat DUCATO 2.8 JTD 8V fino a 02/05 – CENTRAL LOCKING – – Minibus – WIRING DIAGRAM, LOCATION COMPONENTS, OPERATIONAL DESCRIPTION – WIRING DIAGRAM, LOCATION COMPONENTS, OPERATIONAL DESCRIPTION

Fiat DUCATO 2.8 JTD 8V  fino a 02/05 – CENTRAL LOCKING –  – Minibus – WIRING DIAGRAM, LOCATION COMPONENTS, OPERATIONAL DESCRIPTION – WIRING DIAGRAM, LOCATION COMPONENTS, OPERATIONAL DESCRIPTION

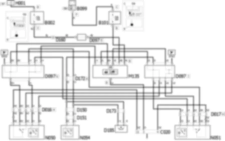
Wiring Diagram - CENTRAL LOCKING - Fiat DUCATO 2.8 JTD 8V fino a 02/05





Components - CENTRAL LOCKING - Fiat DUCATO 2.8 JTD 8V fino a 02/05



Component codeDescriptionReference to the assembly
B002JUNCTION UNIT UNDER DASHBOARD-
B099MAXI FUSE BOX ON BATTERY-
B101OPTIONAL JUNCTION UNIT UNDER THE DASHBOARD-
D016ADDITIONAL DASHBOARD/LEFT FRONT DOOR COUPLING-
D017ADDITIONAL DASHBOARD/RIGHT FRONT DOOR COUPLING-
D097SHORT CIRCUITING COUPLING-
D150RIGHT REAR/RIGHT SWING DOOR COUPLING-
D151RIGHT SWING DOOR/RIGHT SWING DOOR LOCK COUPLING-
D160DASHBOARD/OPTIONAL DASHBOARD COUPLING-
D172RIGHT REAR/OPTIONAL DASHBOARD COUPLING-
D173RIGHT REAR/SLIDING SIDE DOOR BUTTON COUPLING-
D185CONTACT BOARD ON SLIDING SIDE DOOR-
M135ELECTRIC WINDOWS/CENTRAL LOCKING CONTROL UNIT
N050DRIVER'S FRONT DOOR LOCK GEARED MOTOR
N051RIGHT FRONT DOOR LOCK GEARED MOTOR
N054RIGHT REAR SWING DOOR LOCK GEARED MOTOR-
-
-
-
-
-
-

Location Components - CENTRAL LOCKING - Fiat DUCATO 2.8 JTD 8V fino a 02/05





Component codeDescriptionReference to the assembly
B002JUNCTION UNIT UNDER DASHBOARD-
B099MAXI FUSE BOX ON BATTERY-
B101OPTIONAL JUNCTION UNIT UNDER THE DASHBOARD-
D016ADDITIONAL DASHBOARD/LEFT FRONT DOOR COUPLING-
D017ADDITIONAL DASHBOARD/RIGHT FRONT DOOR COUPLING-
D097SHORT CIRCUITING COUPLING-
D150RIGHT REAR/RIGHT SWING DOOR COUPLING-
D151RIGHT SWING DOOR/RIGHT SWING DOOR LOCK COUPLING-
D160DASHBOARD/OPTIONAL DASHBOARD COUPLING-
D172RIGHT REAR/OPTIONAL DASHBOARD COUPLING-
D173RIGHT REAR/SLIDING SIDE DOOR BUTTON COUPLING-
D185CONTACT BOARD ON SLIDING SIDE DOOR-
M135ELECTRIC WINDOWS/CENTRAL LOCKING CONTROL UNIT
N050DRIVER'S FRONT DOOR LOCK GEARED MOTOR
N051RIGHT FRONT DOOR LOCK GEARED MOTOR
N054RIGHT REAR SWING DOOR LOCK GEARED MOTOR-
-
-
-
-
-
-

Description - CENTRAL LOCKING - Fiat DUCATO 2.8 JTD 8V fino a 02/05


The motors operating the locks on the front doors, sliding side door and rear double doors are operated simultaneously by using:the key;the front door switches (knobs);the remote control.Lock operation: all doors lock simultaneously when one of the front doors is locked with a key or remote control when all the doors are properly closed.Lock release operation: the door locks release when one of the two front doors is unlocked using the key or remote control.This control sequence is controlled by the electric window/door lock control unit.The system is protected by dedicated fuses housed in the underfacia control unit and optional underfacia junction unit.

Operational Description - CENTRAL LOCKING - Fiat DUCATO 2.8 JTD 8V fino a 02/05


ABI control unit (electric window/door lock) M135 manages the vehicle door lock/release system. The control unit is supplied:directly from the battery: via a connection between pin 8 connector B of M135 and pin 11 connector B of optional junction unit B101, protected by fuse F38, housed in optional junction unit B101;key operation: via a connection between pin 7 connector B of M135 and pin 3 connector C of optional junction unit B002, protected by fuse F35, housed in optional junction unit B002;Control unit ABI M135 receives and sends the following signals from connector B:pin 15 : input from short-circuit junction D097G - pin 6 - of door lock signal;pin 16 : input from short-circuit junction D097F - pin 6 - of door lock release signal;pin 4 : send door lock release control signal to short-circuit junction D097F - pin 1;pin 13 : connection to earth C015.Short circuit junction D097G manages the door lock signal. The closure control is received at pins 8 and 7 from front door locks N050 and N051 respectively - pin 4 -. Pin 1 receives a door lock signal from control unit ABI M135 that distributes to door locks N051, N050 and N054 respectively from pins 2, 3 and 4.Short circuit junction D097F manages the door lock release signal. The opening control is received at pins 8 and 7 from front door locks N050 and N051 respectively - pin 3 -. Pin 6 receives a door lock release signal from control unit ABI M135 that distributes to door locks N051, N050 and N054 respectively from pins 2, 3 and 4.Front door locks N050 and N051 are connected as follows:pin 5 : earth connection C020;pin 3 : earth signal transmission for door lock;pin 4 : earth signal transmission for door lock release;pins 1 and 2: door open/close motor power supply.Double door lock N054 receives a motor control power supply for door opening/closure from short-circuit junctions D097.

JUNCTION UNIT UNDER DASHBOARD



B002A



B002B



B002C



B002D



MAXI FUSE BOX ON BATTERY



B099A



B099A



B099A



B099B



B099C



B099D



B099D



B099D



B099D



B099E



B099E



B099E



B099E



B099F



B099F



B099F



B099G



B099H



B099H



B099I



OPTIONAL JUNCTION UNIT UNDER THE DASHBOARD



B101A



B101A



B101A



B101B



B101B



B101C



ADDITIONAL DASHBOARD/LEFT FRONT DOOR COUPLING



D016A



D016A



D016B



D016B



ADDITIONAL DASHBOARD/RIGHT FRONT DOOR COUPLING



D017A



D017A



D017B



D017B



D017B



D017B



SHORT CIRCUITING COUPLING



D097A



D097B



D097C



D097D



D097E



D097E



D097E



D097E



D097E



D097F



D097F



D097F



D097F



D097G



D097H



D097I



D097L



D097L



D097L



D097L



D097L



D097M



RIGHT REAR/RIGHT SWING DOOR COUPLING



D150



D150



RIGHT SWING DOOR/RIGHT SWING DOOR LOCK COUPLING



D151



D151



DASHBOARD/OPTIONAL DASHBOARD COUPLING



D160A



D160A



D160A



D160B



D160B



D160B



D160B



RIGHT REAR/OPTIONAL DASHBOARD COUPLING



D172A



D172A



D172A



D172A



D172B



D172B



RIGHT REAR/SLIDING SIDE DOOR BUTTON COUPLING



D173



D173



CONTACT BOARD ON SLIDING SIDE DOOR



D185



ELECTRIC WINDOWS/CENTRAL LOCKING CONTROL UNIT



M135A



M135B



DRIVER'S FRONT DOOR LOCK GEARED MOTOR



N050



RIGHT FRONT DOOR LOCK GEARED MOTOR



N051



RIGHT REAR SWING DOOR LOCK GEARED MOTOR



N054


Can't find your car? Check -> DiagnostData.com!