WIRING DIAGRAM - ABS - Fiat GRANDE PUNTO 1.4 8v
COMPONENTS - ABS - Fiat GRANDE PUNTO 1.4 8v
| Component code | Description | Reference to the operation |
| B001 | JUNCTION UNIT | |
| B099 | MAXI FUSE BOX ON BATTERY | |
| C012 | ABS FRONT EARTH | - |
| C015 | DASHBOARD EARTH, DRIVER'S SIDE | - |
| E050 | INSTRUMENT PANEL | |
| H001 | IGNITION SWITCH | |
| I030 | BRAKE PEDAL SWITCH | |
| K070 | LEFT FRONT WHEEL SENSOR FOR ABS | |
| K071 | RIGHT FRONT WHEEL SENSOR FOR ABS | |
| K075 | LEFT REAR WHEEL SENSOR FOR ABS | |
| K076 | RIGHT REAR WHEEL SENSOR FOR ABS. | |
| M001 | BODY COMPUTER | |
| M050 | ABS CONTROL UNIT |
COMPONENT LOCATION - ABS - Fiat GRANDE PUNTO 1.4 8v
| Component code | Description | Reference to the operation |
| B001 | JUNCTION UNIT | |
| B099 | MAXI FUSE BOX ON BATTERY | |
| C012 | ABS FRONT EARTH | - |
| C015 | DASHBOARD EARTH, DRIVER'S SIDE | - |
| E050 | INSTRUMENT PANEL | |
| H001 | IGNITION SWITCH | |
| I030 | BRAKE PEDAL SWITCH | |
| K070 | LEFT FRONT WHEEL SENSOR FOR ABS | |
| K071 | RIGHT FRONT WHEEL SENSOR FOR ABS | |
| K075 | LEFT REAR WHEEL SENSOR FOR ABS | |
| K076 | RIGHT REAR WHEEL SENSOR FOR ABS. | |
| M001 | BODY COMPUTER | |
| M050 | ABS CONTROL UNIT |
DESCRIPTION - ABS - Fiat GRANDE PUNTO 1.4 8v
The ABS electronic anti-lock braking system regulates the braking pressure transmitted to the wheels, preventing them from losing grip whatever the tyre and road conditions.The system is designed to be incorporated with the braking system (using the same hydraulic fluid) without preventing the operation of the actual braking system if the ABS fails.Four sensors, located on each of the four wheels, indicatae the speed of each wheel to the electronic control unit, recording any situations involving locking, slipping or loss of grip.In these situations, the control unit controls the solenoid valves which modulate the pressure in the hydraulic circuit, preventing the wheels from locking and restoring grip conditions for the vehicle which ensures optimum handling of the vehicle and excellent stopping distances.The sensors are the "active" type, supplied by the control unit; they consist of a magnetic resistive receiver with a magnetic codifier incorporated in the hub bearing so that the signal is less affected by electromagnetic interference and variations in temperature.The ABS control unit also controls the distribution of the braking load between the front and rear axles meaning that the mechanical load proportioning valve used previously can be dispensed with (EBD function: Electronic Brake Distribution ).The control unit is equipped with an autodiagnostic function: when an error in the ABS function is detected, the warning light comes on and, at the same time, the system is deactivated; in these conditions the vehicle brakes using the traditional system only.When the control unit detects an error which also affects the EBD function, it turns on the "ABS failure" warning light and the "low brake fluid and handbrake" warning light.
FUNCTIONAL DESCRIPTION - ABS - Fiat GRANDE PUNTO 1.4 8v
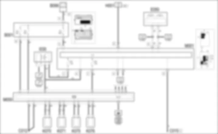
The ABS electronic control unit receives a power supply (at pins 2 and 3) directly from the battery from the line protected by fuses F5 and F4 of the engine compartment junction unit B1.The ignition-controlled power supply (INT) arrives at pin 18 from the line protected by fuse F26 of Body Computer M1.The control unit is earthed at pins 1 and 4.The four sensors K70, K71, K75, K76 send wheel speed signals respectively to pins 5-16, 10-9, 17-6, 19-8 of control unit M50.The brake pedal switch I30 sends an enablement signal to pin 20 of the control unit M50: all intervention of the ABS is excluded unless the brake pedal is pressed (signal from N.O. contact); switch I30 receives an ignition-controlled power supply (INT) from fuse F22 of Body Computer M1.The discrete speedometer signal sent to certain systems requiring this information leaves from pin 23 of M50; the same signal is replicated via the CAN.Via the CAN line, ABS control unit M50 is connected - from pins 15 and 26 - to the engine management control unit M10 and, from pins 14 and 25, to the Body Computer M1 and the instrument panel E50, to manage the ABS warning light and, if the problems concern the EBD function, the low brake fluid level/handbrake applied warning light.




















