WIRING DIAGRAM - TRIP COMPUTER - Fiat GRANDE PUNTO 1.9 Multijet
COMPONENTS - TRIP COMPUTER - Fiat GRANDE PUNTO 1.9 Multijet
| Component code | Description | Reference to the operation |
| B001 | JUNCTION UNIT | |
| B099 | MAXI FUSE BOX ON BATTERY | |
| C015 | DASHBOARD EARTH, DRIVER'S SIDE | - |
| E050 | INSTRUMENT PANEL | |
| H001 | IGNITION SWITCH | |
| H005 | STEERING COLUMN SWITCH UNIT | |
| H091 | LEFT CONTROL UNIT (PCS, LEFT CONTROL PANEL) | |
| M001 | BODY COMPUTER | |
| M050 | ABS CONTROL UNIT | |
| N040 | FUEL PUMP AND LEVEL GAUGE |
COMPONENT LOCATION - TRIP COMPUTER - Fiat GRANDE PUNTO 1.9 Multijet
| Component code | Description | Reference to the operation |
| B001 | JUNCTION UNIT | |
| B099 | MAXI FUSE BOX ON BATTERY | |
| C015 | DASHBOARD EARTH, DRIVER'S SIDE | - |
| E050 | INSTRUMENT PANEL | |
| H001 | IGNITION SWITCH | |
| H005 | STEERING COLUMN SWITCH UNIT | |
| H091 | LEFT CONTROL UNIT (PCS, LEFT CONTROL PANEL) | |
| M001 | BODY COMPUTER | |
| M050 | ABS CONTROL UNIT | |
| N040 | FUEL PUMP AND LEVEL GAUGE |
DESCRIPTION - TRIP COMPUTER - Fiat GRANDE PUNTO 1.9 Multijet
The Trip Computer shows vehicle trip, consumption and mileage details on the control panel display.Two types of fully independent Trip Computer modes (A and B) are available for the Comfort panel. The displays can be activated by pressing the TRIP button on the right steering wheel stalk switch.Only the Trip A mode is available for the Modal panel.The data display mode follows a preset order:TRIP A:- Range- Distance travelled - Average fuel consumption - Instantaneous fuel consumption - Average speed - Trip timeTRIP B:- Distance travelled - Average fuel consumption - Average speed - Trip timeFor more detailsTrip Computer data is calculated inside the instrument panel.The instrument panel is a CAN node through which information is exchanged with the Body Computer and with the other electronic units.This diagram shows the operation of instrument panel functions that also affect the Trip Counter.
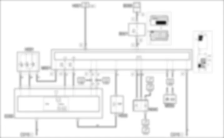
FUNCTIONAL DESCRIPTION - TRIP COMPUTER - Fiat GRANDE PUNTO 1.9 Multijet
The ignition-operated supply (INT) to instrument panel E50 reaches pin 3 of connector A from Body Computer M1 - pin 5 of connector H - via fuse line F22 of the Body Computer.The direct supply reaches pin 2 of connector A from Body Computer M1 - pin 52 of connector H - via fuse line F45 of the Body Computer.Pin 1 of connector A is earthed.Body Computer M1 - connector G - is supplied directly from the battery via a line protected by maxifuse F2 of engine compartment control unit B1; its ignition-controlled supply (INT) is received at pin 2 of connector D; pin 10 of connector H or M1 supplies the Body Computer with a reference earth.The instrument panel E50 is connected from pins 5 and 6 of connector A with the Body Computer M1 and via the latter to the entire CAN: the signal reaches the electronic speedometer (from the ABS control unit M50) via the CAN:The electronic rev counter receives the engine rpm signal received from the engine management control unit M10 via the CAN.The fuel level gauge is controlled by means of signals coming from the level gauge located in the fuel pump assembly N40 - at pins 45 (signal) and 40 (earth) of connector A of the Body Computer M1 and from there via the CAN to the instrument panel E50.All these signals are transferred via the CAN to the instrument panel E50.The TRIP electronic module uses these signals to process information on instantaneous and average fuel consumption, range, average speed, Km travelled, duration etc.The Trip Computer zeroing button, located in the steering column switch unit H5, sends an earth signal to pin 9 of E50. Pin 10 of H5 receives a reference earth from pin 34 of connector D of M1.The "MODE" "+" and "-" controls for unit H91 send analogue signals to the instrument panel E50 at pins 13 and 16 of instrument panel E50. Pin 1 of H91 receives a reference earth from pin 42 of connector D of M1.



















