AUTOMOTIVE ELECTRICIANS

Fiat MULTIPLA 1.6 16v fino a 05/04 – ALIMENTAZIONE – – GPOWER – SCHEMA ELETTRICO, LOCALIZZAZIONE COMPONENTI, DESCRIZIONE FUNZIONALE – SCHEMA ELETTRICO, LOCALIZZAZIONE COMPONENTI, DESCRIZIONE FUNZIONALE

Fiat MULTIPLA 1.6 16v  fino a 05/04 – ALIMENTAZIONE –  – GPOWER – SCHEMA ELETTRICO, LOCALIZZAZIONE COMPONENTI, DESCRIZIONE FUNZIONALE – SCHEMA ELETTRICO, LOCALIZZAZIONE COMPONENTI, DESCRIZIONE FUNZIONALE
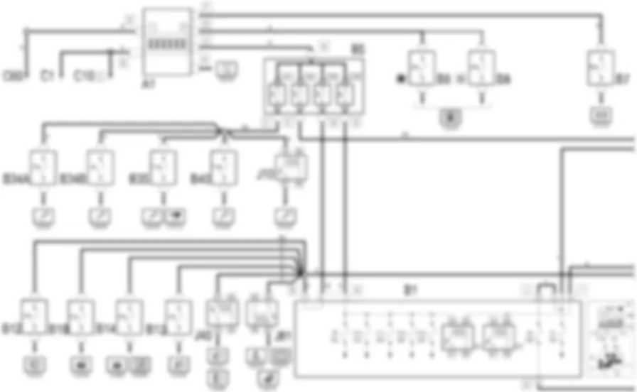
Schema elettrico



Componenti
Codice componenteDenominazioneRiferimento al complessivo
A1BatteriaB1Centralina di derivazioneB5Scatola MAXI FUSEB7Fusibile (MAXI FUSE) per ABS-
B7Fusibile (MAXI FUSE) per ABS-
B8Fusibile (MAXI FUSE) per elettroventola motore-
B8Fusibile (MAXI FUSE) per elettroventola motore-
B12Fusibile lavafari-
B13Fusibile fendinebbia-
B14Fusibile tetto apribile-
B19Fusibile bloccaporte-
B22Fusibile alzacristallo anteriore lato guida-
B25Fusibile alimentaz. servizi sotto chiave (15/54)-
B25Fusibile alimentaz. servizi sotto chiave (15/54)-
B26Fus. alim. sotto chiave escluso avviam. (INT/A)-
B26Fus. alim. sotto chiave escluso avviam. (INT/A)-
B27Fus. alim. sotto chiave escluso avviam. (INT/A)-
B27Fus. alim. sotto chiave escluso avviam. (INT/A)-
B28Fusibile pompa benzina-
B29Fusibile iniettori-
B31Fusibile ABS-
B35Fusibile memorie iniezione e CODE-
B37Fus. (MAXI FUSE) candelette e preriscaldo gasolio-
B37Fus. (MAXI FUSE) candelette e preriscaldo gasolio-
C1Massa batteria-
C10Massa ant. sinistra-
C60Massa centralina iniezione-
C60Massa centralina iniezione-
D4Giunzione ant./motore-
H1Commutatore di accensioneH5DevioguidaJ10Teleruttore principale iniezione-
J15Teleruttore pompa combustibile-
J25Teleruttore elettrovalvole metano-
J45Teleruttore mantenimento anabbaglianti-
J61Teleruttore alzasedile e presa di corrente-
J65Teleruttore alzacristalli anteriori-
J66Teleruttore alzacristalli posteriori-
Localizzazione componenti

Componenti
Codice componenteDenominazioneRiferimento al complessivo
A1BatteriaB1Centralina di derivazioneB5Scatola MAXI FUSEB7Fusibile (MAXI FUSE) per ABS-
B7Fusibile (MAXI FUSE) per ABS-
B8Fusibile (MAXI FUSE) per elettroventola motore-
B8Fusibile (MAXI FUSE) per elettroventola motore-
B12Fusibile lavafari-
B13Fusibile fendinebbia-
B14Fusibile tetto apribile-
B19Fusibile bloccaporte-
B22Fusibile alzacristallo anteriore lato guida-
B25Fusibile alimentaz. servizi sotto chiave (15/54)-
B25Fusibile alimentaz. servizi sotto chiave (15/54)-
B26Fus. alim. sotto chiave escluso avviam. (INT/A)-
B26Fus. alim. sotto chiave escluso avviam. (INT/A)-
B27Fus. alim. sotto chiave escluso avviam. (INT/A)-
B27Fus. alim. sotto chiave escluso avviam. (INT/A)-
B28Fusibile pompa benzina-
B29Fusibile iniettori-
B31Fusibile ABS-
B35Fusibile memorie iniezione e CODE-
B37Fus. (MAXI FUSE) candelette e preriscaldo gasolio-
B37Fus. (MAXI FUSE) candelette e preriscaldo gasolio-
C1Massa batteria-
C10Massa ant. sinistra-
C60Massa centralina iniezione-
C60Massa centralina iniezione-
D4Giunzione ant./motore-
H1Commutatore di accensioneH5DevioguidaJ10Teleruttore principale iniezione-
J15Teleruttore pompa combustibile-
J25Teleruttore elettrovalvole metano-
J45Teleruttore mantenimento anabbaglianti-
J61Teleruttore alzasedile e presa di corrente-
J65Teleruttore alzacristalli anteriori-
J66Teleruttore alzacristalli posteriori-
DescrizioneL'intero impianto elettrico e stato disegnato e realizzato tenendo conto delle piu aggiornate direttive in termini di sicurezza e protezione, specie contro le possibilita di incendio.Due sono le principali tipologie di protezione:protezione attiva, volta alla riduzione "alla fonte" delle possibili cause guastoprotezione passiva, volta a ridurre al minimo gli effetti di un eventuale guasto.Nelle prima categoria rientra un attento progetto dei cablaggi, con posizionamento ed ancoraggio accurato degli stessi, definendo con cura percorsi opportunamente riparati e protetti. Per questo sono state adottate opportune modifiche ai cavi dell'alternatore e del motorino, con l'adozione di cappucci di protezione.Tra le protezioni passive rientrano invece tutti gli interventi, del resto da sempre adottati sulle vetture, per ridurre elevate correnti di guasto (sovraccarico e cortocircuito).Tutti i fusibili inseriti nell'impianto sono stati dimensionati in base all'assorbimento nominale dei carichi inservibili contemporaneamente, ed in modo da garantire l'intervento in caso di cortocircuito netto.Tutti i sistemi e gli impianti elettrici sono alimentati dalla batteria con la tensione di 12 V. La batteria a sua volta viene ricaricata, durante il funzionamento del motore, dall'alternatore 2880366VedereE5010AVVIAMENTO E RICARICA . Le principali linee di alimentazione sono protette da "maxifuse", raggruppati in due scatole poste vicino alla batteria ed alimentate direttamente da essa.Le alimentazioni di tutti i servizi e gli impianti sono poi protette da appositi fusibili, raggruppati nella centralina di derivazione, oppure volanti: i fusibili volanti sono collocati sotto plancia: appena sopra la centralina di derivazione stessa, oppure sulla destra sopra il cassetto portaoggetti.In tal modo e assicurata la protezione di tutte le alimentazioni, con le sole eccezioni del cavo del motorino di avviamento (batteria-motorino) e di quello di ricarica (motorino-alternatore): questi ultimi cavi sono comunque protetti da una guaina supplementare "corazzata".Alcuni circuiti sono continuamente alimentati, anche con veicolo fermo e chiave disinserita, essendo collegati direttamente alla batteriaAltri circuiti vengono alimentati ruotando la chiave del commutatore di accensione nelle varie posizioni:inserendo e ruotando al primo scatto la chiave si porta in posizione MAR ed alimenta numerosi circuiti, che vengono infatti definiti "sotto chiave" (linee "INT", e "15/54");il secondo scatto - posizione AVV - alimenta invece il motorino di avviamento; (linea "50")., scollegando peraltro alcuni circuiti (quelli che assorbono maggior potenza) garantendo cosi il massimo afflusso di corrente al motorino stesso; (linea "INT/A").estraendo invece la chiave ruotandola in senso inverso (e premendo l'apposito pulsantino) si inserisce la posizione PARK che alimenta le luci di posizione anche a chiave disinserita (linee "STAZ", e "POS");2879845VedereE2010LUCI POSIZIONE / TARGA767le linee attraverso le quali la alimentazione viene distribuita ai vari utilizzatori sono rappresentate negli schemi elettrici relativi alle varie funzioni ed ai vari impianti. In questo schema generale vengono riportate tutte le linee cosi come si dipartono dalla batteria e dalla scatola maxifuse, e dal commutatore di accensione, rimandando poi agli specifici schemi per maggiori dettagli.
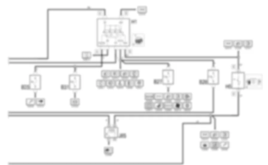
Descrizione funzionale Tutti i sistemi e gli impianti elettrici sono alimentati dalla batteria A1 . Le principali linee di alimentazione sono protette dalla scatola "maxifuse" B5, che contiene i fusibili denominati a seconda dei circuiti protetti:EFI: alimentazione fusibili e teleruttori della gestione motoreIGN: alimentazione commutatore di accensione H1 ;J/B2 e J/B1: alimentazione servizi attraverso fusibili della centralina di derivazione B1 .Altri fusibili "maxifuse" sono collocati singolarmente nel vano motore e proteggono i seguenti impianti: B7 alimentazione sistema ABS; B8 alimentazione elettroventole raffreddamento motore; Altri fusibili volanti sono alloggiati nel cassetto sulla plancia, lato guidatore, accanto alla centralina di derivazione B1 ; altri nella scatola portateleruttori e portafusibili nel vano motore. Altri circuiti vengono alimentati ruotando la chiave del commutatore di accensione H1 nelle varie posizioni:in posizione MAR sono alimentati numerosi circuiti e servizi "sotto chiave" protetti (linea "INT") dai fusibili della centralina di derivazione B1 e (linea "15/54") dai fusibili volanti B25 e B31 ;in posizione AVV - e alimentato il motorino di avviamento; (linea "50")2880366VedereE5010AVVIAMENTO E RICARICAIn tale posizione risultano scollegati alcuni circuiti (linea "INT/A"). protetti dai fusibili volanti B26 e B27 ;in posizione PARK sono alimentate le luci di posizione (linee "STAZ", e "POS");2879845VedereE2010LUCI POSIZIONE / TARGA

Batteria



A001A



A001A



A001B



A001B



A001C



A001D



A001D



A001E



A001F



A001F



A001G



A001G



A001G



A001G



Batteria



A001A



A001A



A001B



A001B



A001C



A001D



A001D



A001E



A001F



A001F



A001G



A001G



A001G



A001G



Batteria



A001A



A001A



A001B



A001B



A001C



A001D



A001D



A001E



A001F



A001F



A001G



A001G



A001G



A001G



Fusibile (MAXI FUSE) per ABS



B007



B007



Fusibile (MAXI FUSE) per elettroventola motore



B008



B008



B008



B008



B008



Fusibile lavafari



B012



Fusibile fendinebbia



B013



B013



Fusibile tetto apribile



B014



B014



B014



Fusibile bloccaporte



B019



B019



B019



B019



Fusibile alzacristallo anteriore lato guida



B022



B022



B022



B022



Fusibile alimentaz. servizi sotto chiave (15/54)



B025



B025



B025



B025



B025



B025



B025



B025



B025



B025



B025



Fus. alim. sotto chiave escluso avviam. (INT/A)



B026



B026



B026



Fus. alim. sotto chiave escluso avviam. (INT/A)



B027



B027



B027



B027



Fusibile pompa benzina



B028



B028



B028



Fusibile iniettori



B029



B029A



B029B



Fusibile ABS



B031



B031



Fusibile memorie iniezione e CODE



B035



B035



B035



B035



B035



Fus. (MAXI FUSE) candelette e preriscaldo gasolio



B037



Massa batteria



C001



C001



Massa ant. sinistra



C010A



C010B



C010C



C010C



C010D



C010D



C010A



C010A



C010A



C010A



Massa centralina iniezione



C060



C060



C060



C060



C060



C060



C060



Giunzione ant./motore



D004A



D004A



D004B



D004B



D004



D004



D004



D004



D004A



D004A



D004B



D004B



D004B



D004B



D004B



D004



D004



D004



D004



D004B



D004B



D004B



D004B



D004B



D004B



D004B



D004B



D004B



D004B



Commutatore di accensione



H001A



H001A



H001A



H001B



H001B



H001B



H001B



H001B



H001B



H001B



H001B



H001B



H001B



H001B



H001B



H001B



H001B



H001B



H001B



Commutatore di accensione



H001A



H001A



H001A



H001B



H001B



H001B



H001B



H001B



H001B



H001B



H001B



H001B



H001B



H001B



H001B



H001B



H001B



H001B



H001B



Commutatore di accensione



H001A



H001A



H001A



H001B



H001B



H001B



H001B



H001B



H001B



H001B



H001B



H001B



H001B



H001B



H001B



H001B



H001B



H001B



H001B



Teleruttore pompa combustibile



J015



J015



Teleruttore elettrovalvole metano



J025



J025



Teleruttore mantenimento anabbaglianti



J045



J045



J045



J045



Teleruttore alzasedile e presa di corrente



J061



J061



J061



Teleruttore alzacristalli anteriori



J065



J065



Teleruttore alzacristalli posteriori



J066



J066



J066


Can't find your car? Check -> DiagnostData.com!