AUTOMOTIVE ELECTRICIANS

Fiat MULTIPLA 1.9 JTD 8V da 06/99 a 03/02 – BLOCCAPORTE – – SCHEMA ELETTRICO, LOCALIZZAZIONE COMPONENTI, DESCRIZIONE FUNZIONALE – SCHEMA ELETTRICO, LOCALIZZAZIONE COMPONENTI, DESCRIZIONE FUNZIONALE

Fiat MULTIPLA 1.9 JTD 8V  da 06/99 a 03/02 – BLOCCAPORTE –  – SCHEMA ELETTRICO, LOCALIZZAZIONE COMPONENTI, DESCRIZIONE FUNZIONALE – SCHEMA ELETTRICO, LOCALIZZAZIONE COMPONENTI, DESCRIZIONE FUNZIONALE
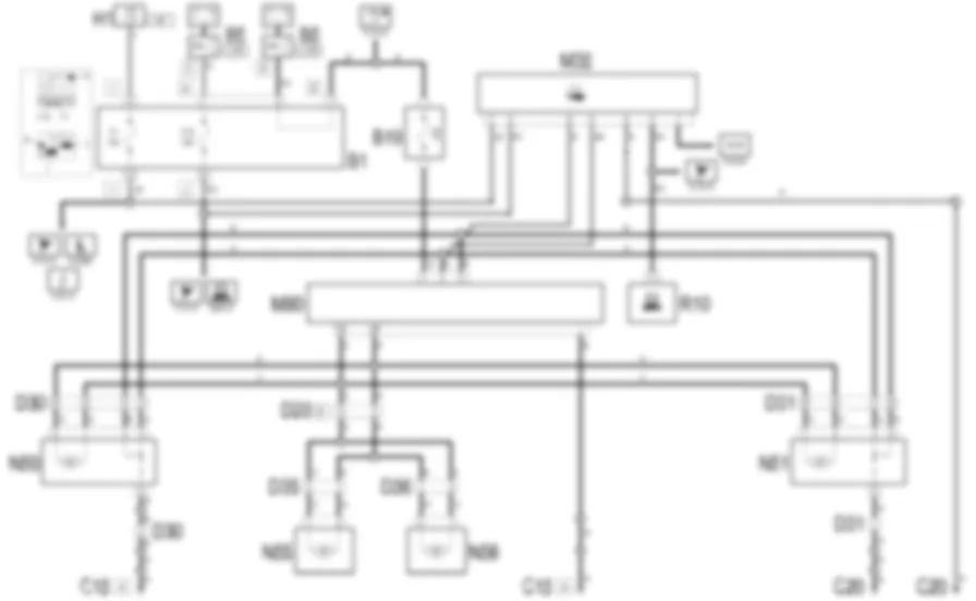
Schema elettrico

Componenti
Codice componenteDenominazioneRiferimento al complessivo
B1Centralina di derivazioneB5Scatola MAXI FUSEB19Fusibile bloccaporte-
B26Fus. alim. sotto chiave escluso avviam. (INT/A)-
C15Massa plancia lato guida-
C20Massa plancia lato passeggero-
D20Giunzione plancia/posteriore-
D30Giunzione porta ant. sinistra-
D31Giunzione porta ant. destra-
D35Giunzione porta posteriore sinistra-
D36Giunzione porta posteriore destra-
H1Commutatore di accensioneM35Ricevitore telecomando allarmeM40Centralina servizi integratiM80Centralina comando bloccaporte-
N50Motoriduttore serratura porta ant. sinistraN51Motoriduttore serratura porta ant. destraN55Motoriduttore serratura porta posteriore sinistraN56Motoriduttore serratura porta posteriore destra2883142Op. 7010N BLOCCAPORTE/CHIUSURA CENTRALIZZATA PORTE LATERALI POSTERIORI
Localizzazione componenti

Componenti
Codice componenteDenominazioneRiferimento al complessivo
B1Centralina di derivazioneB5Scatola MAXI FUSEB19Fusibile bloccaporte-
B26Fus. alim. sotto chiave escluso avviam. (INT/A)-
C15Massa plancia lato guida-
C20Massa plancia lato passeggero-
D20Giunzione plancia/posteriore-
D30Giunzione porta ant. sinistra-
D31Giunzione porta ant. destra-
D35Giunzione porta posteriore sinistra-
D36Giunzione porta posteriore destra-
H1Commutatore di accensioneM35Ricevitore telecomando allarmeM40Centralina servizi integratiM80Centralina comando bloccaporte-
N50Motoriduttore serratura porta ant. sinistraN51Motoriduttore serratura porta ant. destraN55Motoriduttore serratura porta posteriore sinistraN56Motoriduttore serratura porta posteriore destra2883142Op. 7010N BLOCCAPORTE/CHIUSURA CENTRALIZZATA PORTE LATERALI POSTERIORI
DescrizioneL'azionamento simultaneo dei motorini delle serrature delle porte avviene su comando:della chiave;dei deviatori (pomelli) delle porte anteriori;del telecomando (se presente)Operazione di blocco: agendo con chiave su una delle due porte anteriori oppure con telecomando, in condizione di porte ben chiuse con serrature anteriori bloccate , si ottiene il bloccaggio contemporaneo delle quattro porte lateraliOperazione di sblocco: agendo con chiave su una delle due porte anteriori, con serrature anteriori bloccate, oppure con telecomando, si ottiene lo sblocco delle quattro porte laterali.Tale logica di comando e controllata dalla centralina apposita, posta nel cassetto plancia lato guidatoreLa centralina realizza anche una serie di controlli di sicurezza:la centralina controlla l'effettivo stato delle serrature: il comando di 'blocco' oppure di 'sblocco' viene effettuato solo con le porte ben chiuse: se la porta azionata non e ben chiusa il comando e impedito; se la porta opposta a quella azionata non e ben chiusa, viene attuata una immediata 'repulsione' (viene cioe eseguita la manovra opposta per 'riallineare' le serrature).in presenza di una rapida successione di comandi alternati di blocco/sblocco delle serrature, la centralina eseguira soltanto i primi tre comandi senza attivare l'inibizione. Ugualmente se in 20 secondi vengono effettuate un numero di 8/9 manovre di apertura e chiusura (l'ultima e sempre una chiusura), allora il circuito si inibisce per circa 30 s.il circuito puo essere ulteriormente inibito se la tensione della batteria scende al di sotto dei 9 V entro 20 ms. dall'inizio dell'attivazione delle manovre di blocco/sblocco. Durante il tempo di inibizione (30 s) i comandi sono ignorati.Il comando di 'blocco' oppure di 'sblocco' viene effettuato anche tramite il ricevitore telecomando, sia nelle versioni con allarme, che in quelle con il solo telecomando apertura porte.Nelle versioni con allarme, il comando di 'blocco' oppure di 'sblocco' viene effettuato anche tramite il ricevitore telecomando.Il circuito bloccaporte e protetto da un apposito fusibile posto accanto alla centralina di derivazione.
Descrizione funzionale La centralina bloccaporte M80 gestisce il funzionamento del circuito medesimo. La centralina M80 (pin +) e alimentata direttamente dalla batteria tramite la linea protetta dall"apposito fusibile B19 ; il pin (-) fornisce la massa di riferimento. La centralina M80 riceve in ingresso i segnali provenienti dalle serrature N50 ed N51:per il blocco se il segnale di massa passa dal pin 2 al pin 3 di M80 ;per lo sblocco se viceversa il segnale di massa passa dal pin 3 al pin 2 di M80 . Gli stessi segnali giungono dai pin 5 e 6 del ricevitore del telecomando M35 . Nelle versioni con allarme gli stessi segnali giungono dai pin 5 e 6 del ricevitore del telecomando M35 . In base alla logica di controllo precedentemente illustrata, la centralina M80 comanda dai pin 1M e 2M in modo contemporaneo le due serrature anteriori N50 e N51 e quelle posteriori N55 e N56:segnale di blocco: 12V dal pin 2M e massa al pin 1Msegnale di sblocco: 12V dal pin 1M e massa al pin 1M

Fus. alim. sotto chiave escluso avviam. (INT/A)



B026



B026



B026



Massa plancia lato guida



C015A



C015A



C015B



C015B



C015



Massa plancia lato passeggero



C020



C020



C020



C020



Giunzione plancia/posteriore



D020A



D020A



D020A



D020A



D020A



D020B



D020B



D020B



D020B



D020B



D020B



D020B



D020B



D020B



D020B



D020B



D020B



D020



D020



D020



D020



D020



D020



D020A



D020B



D020B



D020B



D020B



D020



D020A



D020B



D020B



D020B



D020B



D020



D020A



D020B



D020B



D020B



D020B



D020



D020A



D020B



D020B



D020B



D020B



D020



D020A



D020B



D020B



D020B



D020B



D020



Giunzione porta ant. sinistra



D030



D030



D030



D030



D030



D030



D030



D030



D030



D030



D030



D030



D030



D030



D030



D030



Giunzione porta ant. destra



D031



D31



D031



D031



D31



D031



D031



D031



D31



D031



D31



D031



D031



D031



D031



D031



D031



D031



D031



D031



Giunzione porta posteriore sinistra



D035



D035



D035



D035



D035



D035



D035



D035



D035



D035



D035



D035



Giunzione porta posteriore destra



D036



D036



D036



D036



D036



D036



D036



D036



D036



D036



D036



D036



Commutatore di accensione



H001A



H001A



H001A



H001B



H001B



H001B



H001B



H001B



H001B



H001B



H001B



H001B



H001B



H001B



H001B



H001B



H001B



H001B



H001B



Commutatore di accensione



H001A



H001A



H001A



H001B



H001B



H001B



H001B



H001B



H001B



H001B



H001B



H001B



H001B



H001B



H001B



H001B



H001B



H001B



H001B



Commutatore di accensione



H001A



H001A



H001A



H001B



H001B



H001B



H001B



H001B



H001B



H001B



H001B



H001B



H001B



H001B



H001B



H001B



H001B



H001B



H001B



Commutatore di accensione



H001A



H001A



H001A



H001B



H001B



H001B



H001B



H001B



H001B



H001B



H001B



H001B



H001B



H001B



H001B



H001B



H001B



H001B



H001B



Motoriduttore serratura porta ant. sinistra



N050



N050



N050



N050



Motoriduttore serratura porta ant. sinistra



N050



N050



N050



N050



Motoriduttore serratura porta ant. sinistra



N050



N050



N050



N050



Motoriduttore serratura porta ant. sinistra



N050



N050



N050



N050


Can't find your car? Check -> DiagnostData.com!