AUTOMOTIVE ELECTRICIANS

Fiat MULTIPLA 1.9 JTD 8V da 06/99 a 03/02 – REGOLATORE ASSETTO FARI – – Euro 3 – SCHEMA ELETTRICO, LOCALIZZAZIONE COMPONENTI, DESCRIZIONE FUNZIONALE – SCHEMA ELETTRICO, LOCALIZZAZIONE COMPONENTI, DESCRIZIONE FUNZIONALE

Fiat MULTIPLA 1.9 JTD 8V  da 06/99 a 03/02 – REGOLATORE ASSETTO               FARI –  – Euro 3 – SCHEMA ELETTRICO, LOCALIZZAZIONE COMPONENTI, DESCRIZIONE FUNZIONALE – SCHEMA ELETTRICO, LOCALIZZAZIONE COMPONENTI, DESCRIZIONE FUNZIONALE
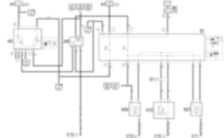
Schema elettrico

Componenti
Codice componenteDenominazioneRiferimento al complessivo
B1Centralina di derivazioneB5Scatola MAXI FUSEC10Massa ant. sinistra-
C11Massa ant. destra-
C15Massa plancia lato guida-
C20Massa plancia lato passeggero-
D1Giunzione ant./plancia-
H1Commutatore di accensioneH5DevioguidaH015Comando assetto proiettori ( PLANCIA )J45Teleruttore mantenimento anabbaglianti-
N30Motorino correttore assetto proiettore sinistro2882969Op. 5540C DISPOSITIVI CORREZIONE ASSETTO PROIETTORI/GRUPPI OTTICI
N30Motorino correttore assetto proiettore sinistroN31Motorino correttore assetto proiettore destro2882969Op. 5540C DISPOSITIVI CORREZIONE ASSETTO PROIETTORI/GRUPPI OTTICI
Localizzazione componenti

Componenti
Codice componenteDenominazioneRiferimento al complessivo
B1Centralina di derivazioneB5Scatola MAXI FUSEC10Massa ant. sinistra-
C11Massa ant. destra-
C15Massa plancia lato guida-
C20Massa plancia lato passeggero-
D1Giunzione ant./plancia-
H1Commutatore di accensioneH5DevioguidaH015Comando assetto proiettori ( PLANCIA )J45Teleruttore mantenimento anabbaglianti-
N30Motorino correttore assetto proiettore sinistro2882969Op. 5540C DISPOSITIVI CORREZIONE ASSETTO PROIETTORI/GRUPPI OTTICI
N30Motorino correttore assetto proiettore sinistroN31Motorino correttore assetto proiettore destro2882969Op. 5540C DISPOSITIVI CORREZIONE ASSETTO PROIETTORI/GRUPPI OTTICI
DescrizioneLa vettura permette di regolare direttamente dal posto guida l'orientamento del fascio luminoso dei proiettori in base al carico. In questo modo si ottiene rapidamente il corretto orientamento dei fari. Il dispositivo di regolazione consiste in un motorino montato su ciascuno dei due proiettori anabbaglianti che li inclina opportunamente, in modo da abbassare il fascio luminoso nel caso di vettura particolarmente carica, e di alzarlo invece quando il carico diminuisce. Una apposita manopola posta sulla plancia, sulla destra del volante, consente la scelta tra le quattro posizioni indicate:posizione 0 - fino a tre persone sui sedili anteriori;posizione 1 - sei persone;posizione 2 - sei persone con carico nel bagagliaio;posizione 3 - conducente e massimo ammesso, tutto stivato nel bagagliaio.Il dispositivo e abilitato solo a luci anabbaglianti inserite.Il circuito della regolazione dei fari e protetto dagli stessi fusibili del circuito delle luci anabbaglianti, posti nella centralina di derivazione.
Descrizione funzionale Il dispositivo comando assetto fari H15 e alimentato al pin 2 - a luci anabbaglianti inserite - da una linea proveniente dal devioguida H5 : si tratta di una alimentazione sotto chiave (INT/A) della linea protetta dal fusibile F5 della centralina di derivazione B1 . L'alimentazione viene mantenuta anche ad abbaglianti inseriti, tramite il teleruttore apposito J45 ( 2879865VedereE2011LUCI ANABBAGLIANTI ). Il pin 4 del dispositivo H15 e a massa, mentre dal pin 1 esce il segnale di regolazione ai motorini N30 (sinistro) e N31 (destro), ottenuto attraverso un partitore resistivo che fa variare la tensione in uscita a seconda delle quattro posizioni selezionabili. I motorini N30 e N31 contengono un trasduttore che stabilisce, in base alla tensione del segnale di regolazione proveniente, al pin 2, dal dispositivo H15 , la corsa dal motorino vero e proprio, mentre i pin 1 sono a massa. I motorini N30 e N31 sono alimentati, ai pin 3, dalla stessa linea del circuito delle luci anabbaglianti, linea protetta dal fusibile F5 della centralina di derivazione B1 ( 2879865VedereE2011LUCI ANABBAGLIANTI ). Il dispositivo funziona pertanto solo ad anabbaglianti inseriti.

Massa ant. destra



C011



C011



C011



C011



C011



C011



Massa plancia lato guida



C015A



C015A



C015B



C015B



C015



Massa plancia lato passeggero



C020



C020



C020



C020



Giunzione ant./plancia



D001A



D001A



D001A



D001A



D001A



D001A



D001A



D001A



D001A



D001A



D001A



D001A



D001B



D001B



D001B



D001B



D001B



D001B



D001B



D001B



D001B



D001B



D001B



D001C



D001A



D001A



D001A



D001A



D001A



D001A



D001A



D001C



D001C



D001C



D001C



D001C



D001C



D001A



D001C



D001C



D001C



D001C



D001C



D001C



D001C



D001C



Commutatore di accensione



H001A



H001A



H001A



H001B



H001B



H001B



H001B



H001B



H001B



H001B



H001B



H001B



H001B



H001B



H001B



H001B



H001B



H001B



H001B



Commutatore di accensione



H001A



H001A



H001A



H001B



H001B



H001B



H001B



H001B



H001B



H001B



H001B



H001B



H001B



H001B



H001B



H001B



H001B



H001B



H001B



Commutatore di accensione



H001A



H001A



H001A



H001B



H001B



H001B



H001B



H001B



H001B



H001B



H001B



H001B



H001B



H001B



H001B



H001B



H001B



H001B



H001B



Commutatore di accensione



H001A



H001A



H001A



H001B



H001B



H001B



H001B



H001B



H001B



H001B



H001B



H001B



H001B



H001B



H001B



H001B



H001B



H001B



H001B



Commutatore di accensione



H001A



H001A



H001A



H001B



H001B



H001B



H001B



H001B



H001B



H001B



H001B



H001B



H001B



H001B



H001B



H001B



H001B



H001B



H001B



Commutatore di accensione



H001A



H001A



H001A



H001B



H001B



H001B



H001B



H001B



H001B



H001B



H001B



H001B



H001B



H001B



H001B



H001B



H001B



H001B



H001B


Can't find your car? Check -> DiagnostData.com!