AUTOMOTIVE ELECTRICIANS

Fiat MULTIPLA 1.9 JTD 8V da 06/99 a 03/02 – NAVIGATORE – – Euro 3 – SCHEMA ELETTRICO, LOCALIZZAZIONE COMPONENTI, DESCRIZIONE FUNZIONALE – SCHEMA ELETTRICO, LOCALIZZAZIONE COMPONENTI, DESCRIZIONE FUNZIONALE

Fiat MULTIPLA 1.9 JTD 8V  da 06/99 a 03/02 – NAVIGATORE –  – Euro 3 – SCHEMA ELETTRICO, LOCALIZZAZIONE COMPONENTI, DESCRIZIONE FUNZIONALE – SCHEMA ELETTRICO, LOCALIZZAZIONE COMPONENTI, DESCRIZIONE FUNZIONALE
Schema elettrico

Componenti
Codice componenteDenominazioneRiferimento al complessivo
B1Centralina di derivazioneB14Fusibile tetto apribile-
B26Fus. alim. sotto chiave escluso avviam. (INT/A)-
C15Massa plancia lato guida-
C20Massa plancia lato passeggero-
D20Giunzione plancia/posteriore-
D78Giunzione navigatore-
E50Quadro strumentiE65Display navigatoreE65Display navigatoreH1Commutatore di accensioneI16Interruttore su porta ant. sx.I16Interruttore su porta ant. sx.I20Interruttore luci retromarciaJ60Teleruttore servizi opzionali-
M90Centralina navigatoreP131Interfaccia "GSM BOX" per radiotelefono-
P131Interfaccia "GSM BOX" per radiotelefono-
P20Autoradio-
P20AutoradioP26Microfono "vivavoce"-
P26Microfono "vivavoce"-
P29Antenna GPS2883032Op. 5580M NAVIGATORE DI BORDO
Localizzazione componenti

Componenti
Codice componenteDenominazioneRiferimento al complessivo
B1Centralina di derivazioneB14Fusibile tetto apribile-
B26Fus. alim. sotto chiave escluso avviam. (INT/A)-
C15Massa plancia lato guida-
C20Massa plancia lato passeggero-
D20Giunzione plancia/posteriore-
D78Giunzione navigatore-
E50Quadro strumentiE65Display navigatoreE65Display navigatoreH1Commutatore di accensioneI16Interruttore su porta ant. sx.I16Interruttore su porta ant. sx.I20Interruttore luci retromarciaJ60Teleruttore servizi opzionali-
M90Centralina navigatoreP131Interfaccia "GSM BOX" per radiotelefono-
P131Interfaccia "GSM BOX" per radiotelefono-
P20Autoradio-
P20AutoradioP26Microfono "vivavoce"-
P26Microfono "vivavoce"-
P29Antenna GPS2883032Op. 5580M NAVIGATORE DI BORDO
DescrizioneA richiesta e disponibile un "Navigatore" a mappe stradali integrato nella plancia della vettura. Il navigatore consente in ogni istante di conoscere la posizione del proprio veicolo, visualizzandola sulla mappa, e facilita il guidatore nel raggiungimento della destinazione voluta. Inoltre il sistema permette di ottenere agevolmente informazioni aggiuntive su servizi di interesse generale (alberghi; parcheggi; ristoranti; farmacie; stazioni di servizio; ospedali; officine; stazioni, ferroviarie; aeroporti, ecc. ).Una centralina elettronica - posta sotto il sedile guidatore - gestisce il funzionamento dell'intero sistema. Inoltre un alimentatore e posto a fianco della unita centrale genera diverse uscite con valori di tensione stabilizzati.Un lettore di CD e incorporato nella unita centrale: permette la lettura dei CD contenenti la cartografia e tutte le altre informazioni relative ad un Paese.Il giroscopio - posto all'interno del contenitore dell'unita centrale - rileva la rotazione del veicolo e permette di orientare la mappe.All'interno del contenitore dell'unita centrale e collocato anche il ricevitore GPS, che elabora le funzioni GPS (Global Positioning System) necessarie al sistema di navigazione:localizzazione iniziale del veicoloautocalibrazione iniziale dei sensori (odometro e giroscopio)ausilio alla navigazione (verifica della corretta localizzazione del veicolo rispetto a quanto rilevato dai sensori)sincronizzazione dell'orologio interno della unita centralelocalizzazione del veicolo in zone non coperte da mappe ed in caso di veicolo trasportato /traghetto, treno, ecc.)Una antenna satellitare GPS, posta nel supporto dello specchio retrovisore interno, .consente la localizzazione satellitaria GPS (Global Positioning System) del veicolo : l'antenna si collega al relativo ricevitore nell'unita centrale tramite un apposito cavetto schermato.Un monitor a colori da 5.6" asportabile ha due possibili posizioni di installazione: una di fronte al guidatore, una in posizione piu centrale Il monitor si estrae facilmente tramite una levetta e si sposta da una posizione all'altra. Il monitor visualizza il percorso selezionato; l'altoparlante accompagna la visualizzazione con messaggi sonori in diverse lingue. Il monitor incorpora sul retro un altoparlante per i messaggi vocali.Un telecomando a infrarossi senza filo permette l'attivazione del sistema e l'invio dei comandi al monitor, nonche l'inserimento dei dati.Il telecomando non ha alcun punto di fissaggio in vettura, ma e libero. Per maggior dettagli 2879328vedere DESCRIZIONI E FUNZIONAMENTO:5580MNAVIGATORE DI BORDO . 768


767 Quando si eseguono operazioni sul sistema occorre osservare scrupolosamente quanto indicato in 2879328vedere DESCRIZIONI E FUNZIONAMENTO:5580MNAVIGATORE DI BORDO specialmente riguarda il Menu TEST da utilizzare per la calibrazione del sistema e la diagnosi di eventuali anomalie riscontrate.
La linea di alimentazione della centralina del sistema e protetta da un apposito fusibile volante posto accanto alla centralina di derivazione.Il sistema e dotato di una logica di autoinserimento comandata dall'apertura della porta anteriore lato guida:alla apertura della porta, il sistema si inserisce automaticamente;se nei successivi 3 minuti la chiave di accensione viene ruotata su MAR, il sistema resta accesose nei successivi 3 minuti non succede nulla, e la porta viene richiusa, il sistema si spegnequando la chiave di accensione viene ruotata su STOP, il sistema si spegne dopo 6 minuti.
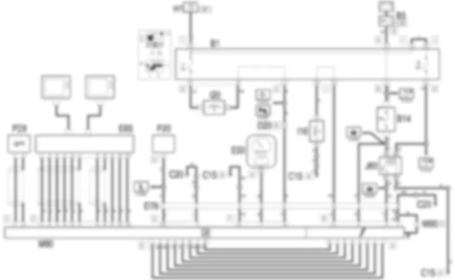
Descrizione funzionale Il teleruttore servizi opzionali J60 controlla il circuito di alimentazione della centralina di controllo del navigatore M90 . La bobina del teleruttore J60 viene eccitata "sotto chiave" (INT) dalla linea del fusibile F8 della centralina di derivazione B1 , mentre la alimentazione al contatto del teleruttore giunge direttamente dalla batteria tramite la linea protetta dal maxifuse J/B2 di B5 e dal fusibile B14 . Il teleruttore alimenta allora "sotto chiave" (INT) la centralina M90 al pin 3 del connettore B; il pin 2 del connettore B e invece alimentato direttamente dalla linea protetta dal maxifuse J/B2 di B5 e dal fusibile B14 . I connettori A e B di M90 sono collegati all"alimentatore:i pin 2 e 3 del connettore B ricevono - come visto - le alimentazioni;il pin 1 del connettore si collega alla massa della vettura.il pin 4 del connettore B riceve il segnale per l"autoinserimento comandato dall"apertura della porta anteriore lato guida: il segnale proviene intatti dall"interruttore su porta anteriore I16. Il connettore A dell"alimentatore si collega poi con la centralina M90 vera e propria al connettore D, fornendo segnali a vari livelli di tensione e di masse stabilizzate. Il connettore C di M90 e relativo al ricevitore GPS interno alla centralina, che si collega con l"antenna GPS P29 . Il connettore E di M90 e relativo alle uscite - audio e video - per il monitor E65 : in realta il collegamento avviene con una scatola di derivazione posta al centro della plancia, dalla quale dipartono poi due collegamenti specifici per le due basi porta-monitor, del tutto identiche, collocate una di fronte al guidatore, una in posizione piu centrale. Il connettore F di M90 e relativo ai segnali ricevuti da altri impianti della vettura:al pin 7 del connettore F la centrlina riceve il segnale tachimetrico, proveniente dal quadro strumenti E50 al pin 5 del connettore F giunge i segnale di retromarcia inserita (2879925VedereE2022LUCI RETROMARCIA)il pin del connettore F fornisce la massa del segnale tachimetricoIl connettore G di M90 e relativo al collegamento con la radio P20:dal pin 9 del connettore G parte un segnale relativo alla funzione MUTE (il volume della radio viene disattivato o ridotto quando il navigatore emette messaggi vocali).il pin 1 del connettore G e a massa Il connettore H di M90 si collega ad un punto di massa sulla staffa della centralina stessa.

Fus. alim. sotto chiave escluso avviam. (INT/A)



B026



B026



B026



Massa plancia lato guida



C015A



C015A



C015B



C015B



C015



Massa plancia lato passeggero



C020



C020



C020



C020



Giunzione plancia/posteriore



D020A



D020A



D020A



D020A



D020A



D020B



D020B



D020B



D020B



D020B



D020B



D020B



D020B



D020B



D020B



D020B



D020B



D020



D020



D020



D020



D020



D020



D020A



D020B



D020B



D020B



D020B



D020



D020A



D020B



D020B



D020B



D020B



D020



D020A



D020B



D020B



D020B



D020B



D020



D020A



D020B



D020B



D020B



D020B



D020



D020A



D020B



D020B



D020B



D020B



D020



Giunzione navigatore



D078



D078



D078



D078



D078



D078



D078



D078



D078



Quadro strumenti



E050A



E050A



E050A



E050A



E050A



E050B



E050B



E050B



E050B



E050B



E050B



E050B



E050C



E050C



E050A



E050B



E050C



E050C



Quadro strumenti



E050A



E050A



E050A



E050A



E050A



E050B



E050B



E050B



E050B



E050B



E050B



E050B



E050C



E050C



E050A



E050B



E050C



E050C



Quadro strumenti



E050A



E050A



E050A



E050A



E050A



E050B



E050B



E050B



E050B



E050B



E050B



E050B



E050C



E050C



E050A



E050B



E050C



E050C



Quadro strumenti



E050A



E050A



E050A



E050A



E050A



E050B



E050B



E050B



E050B



E050B



E050B



E050B



E050C



E050C



E050A



E050B



E050C



E050C



Quadro strumenti



E050A



E050A



E050A



E050A



E050A



E050B



E050B



E050B



E050B



E050B



E050B



E050B



E050C



E050C



E050A



E050B



E050C



E050C



Quadro strumenti



E050A



E050A



E050A



E050A



E050A



E050B



E050B



E050B



E050B



E050B



E050B



E050B



E050C



E050C



E050A



E050B



E050C



E050C



Centralina navigatore



M090A



M090B



M090C



M090D



M090E



M090F



M090G



M090H



Interfaccia "GSM BOX" per radiotelefono



P131



Autoradio



P020A



P020A



P020B



P020B



P020B



P020D



P020A



P020A



P020A



P020A



P020B



P020C



P020D



P020D



P020E



P020E



P020E



Microfono "vivavoce"



P026



Antenna GPS



P029


Can't find your car? Check -> DiagnostData.com!