AUTOMOTIVE ELECTRICIANS

Fiat MULTIPLA 1.9 JTD 8V da 06/99 a 03/02 – ESP – – SCHEMA ELETTRICO, LOCALIZZAZIONE COMPONENTI, DESCRIZIONE FUNZIONALE – SCHEMA ELETTRICO, LOCALIZZAZIONE COMPONENTI, DESCRIZIONE FUNZIONALE

Fiat MULTIPLA 1.9 JTD 8V  da 06/99 a 03/02 – ESP –  – SCHEMA ELETTRICO, LOCALIZZAZIONE COMPONENTI, DESCRIZIONE FUNZIONALE – SCHEMA ELETTRICO, LOCALIZZAZIONE COMPONENTI, DESCRIZIONE FUNZIONALE
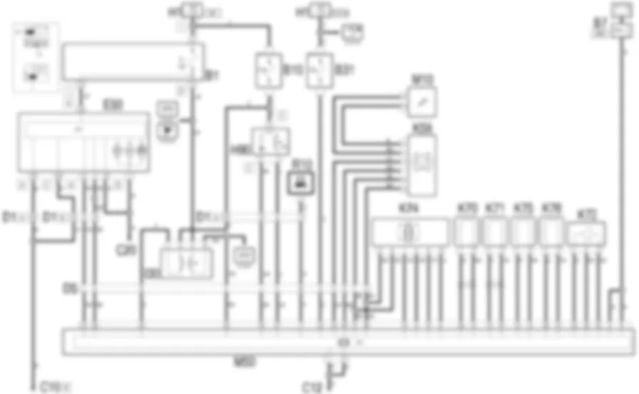
Schema elettrico

Componenti
Codice componenteDenominazioneRiferimento al complessivo
A1BatteriaB7Fusibile (MAXI FUSE) per ABS-
B7Fusibile (MAXI FUSE) per ABS-
B31Fusibile ABS-
C12Massa anteriore ABS-
D1Giunzione ant./plancia-
D5Giunzione ant./ABS-
D20Giunzione plancia/posteriore-
E50Quadro strumentiH1Commutatore di accensioneH90Gruppo comandi interruttoriI30Interruttore pedale frenoK58Sensore sterzo-
K70Sensore ruota ant. sx. per ABS2882677Op. 3340A DISPOSITIVI DI CONTROLLO/REGOLAZIONE IMPIANTO (A.B.S.)
K70Sensore ruota ant. sx. per ABSK71Sensore ruota ant. dx. per ABSK71Sensore ruota ant. dx. per ABSK72Sensore di pressione ABS-
K74Sensore di imbardata-
K75Sensore ruota posteriore sx. per ABSK76Sensore ruota posteriore dx. per ABSM10Centralina controllo motore-
M50Centralina ABS2882677Op. 3340A DISPOSITIVI DI CONTROLLO/REGOLAZIONE IMPIANTO (A.B.S.)
Localizzazione componenti

Componenti
Codice componenteDenominazioneRiferimento al complessivo
A1BatteriaB7Fusibile (MAXI FUSE) per ABS-
B7Fusibile (MAXI FUSE) per ABS-
B31Fusibile ABS-
C12Massa anteriore ABS-
D1Giunzione ant./plancia-
D5Giunzione ant./ABS-
D20Giunzione plancia/posteriore-
E50Quadro strumentiH1Commutatore di accensioneH90Gruppo comandi interruttoriI30Interruttore pedale frenoK58Sensore sterzo-
K70Sensore ruota ant. sx. per ABS2882677Op. 3340A DISPOSITIVI DI CONTROLLO/REGOLAZIONE IMPIANTO (A.B.S.)
K70Sensore ruota ant. sx. per ABSK71Sensore ruota ant. dx. per ABSK71Sensore ruota ant. dx. per ABSK72Sensore di pressione ABS-
K74Sensore di imbardata-
K75Sensore ruota posteriore sx. per ABSK76Sensore ruota posteriore dx. per ABSM10Centralina controllo motore-
M50Centralina ABS2882677Op. 3340A DISPOSITIVI DI CONTROLLO/REGOLAZIONE IMPIANTO (A.B.S.)
DescrizioneIl sistema elettronico di anti-bloccaggio e antipattinamento delle ruote (ABS BOSCH 5.7 con ASR) regola la pressione di frenata trasmessa alle ruote impedendone la perdita di aderenza in qualsiasi condizione di pneumatici e di fondo stradale.Ad esso e abbinato il sistema ESP (Electronic Stability Program) che controlla la stabilita della vettura intervenendo sulla coppia motrice e frenando in modo differenziato le ruote: in caso di perdita di aderenza, contribuisce a riportare la vettura nella corretta traiettoria.Il sistema ESP interviene sul motore e sui freni generando un coppia stabilizzante quando i sensori ABS rilevano condizioni che porterebbero allo slittamento della vettura.I componenti del sistema ESP, specifici, oltre a quelli del sistema ABS, sono:un sensore che rileva la posizione del volante (sensore di sterzo);un sensore che rileva la rotazione della vettura attorno all'asse verticale e l'accelerazione laterale (forza centrifuga) (sensore di imbardata);un sensore che rileva la pressione sul gruppo idraulico ABS (sensore di pressione).Il sistema ESP e sempre abbinato al sistema ASR.L'ASR aumenta la stabilita e la sicurezza attiva della vettura controllando lo slittamento delle ruote motrici: se lo slittamento e causato da eccessiva potenza trasmessa, interviene - in collegamento con la centralina gestione motore - riducendo la potenza del motore; se invece lo slittamento viene rilevato su una sola ruota, il sistema interviene "frenando' la ruota che slitta, agendo sull'elettrovalvola di modulazione della stessa.L'ASR si inserisce automaticamente ad ogni avviamento del motore: e possibile disinserire il sistema agendo sul relativo pulsante, posto sulla plancia.. A sistema disinserito si accendono il led sul pulsante e contemporaneamente la relativa spia sul quadro strumenti .L'ESP,invece s'inserisce automaticamente ad ogni avviamento del motore e non puo essere disinseritoSpia ASR/ESP: la spia lampeggia quando il sistema interviene, per avvisare il guidatore che il sistema ASR e intervenuto a causa delle condizioni di aderenza del fondo stradale.Quando la centralina rileva un errore della funzione ASR oppure ESP, fa accendere ancora la spia in modo fisso. Per quanto concerne la funzione ABS, 2880584VedereE7020ABS . Per maggior dettagli, 2879295Descrizioni e Funzionamento3340IMPIANTO ANTIBLOCCAGGIO RUOTE (A.B.S.)Le linee di alimentazione della centralina e dei vari componenti del sistema (sensori e attuatori) sono protette da un apposito maxifuse, collocato nei pressi della centralina stessa, e da un fusibile volante, posto nel vano motore nella scatola portateleruttori e portafusibili.Il pulsante di disinserimento ASR e protetto da un apposito fusibile volante, posto accanto alla centralina di derivazione.
Descrizione funzionale La centralina elettronica ABS M50 e alimentata (ai pin 2 e 6) direttamente dalla batteria dalla linea protetta dal maxifuse ABS B7 . La alimentazione sotto chiave (15/54) giunge al pin 23 dalla linea protetta dal fusibile specifico B31 . La centralina e collegata a massa ai pin 1 e 5. I quattro sensori K70 , K71 , K75 , K76 inviano i segnali velocita delle ruote ai pin 28-12, 15-16, 13-14 e 30-31 di M50 rispettivamente. L'interruttore del pedale del freno I30 contatto "N.A.' invia un segnale di consenso al pin 32 della centralina M50 ; tale segnale giunge dalla linea sotto chiave' (INT) protetta dal fusibile F1 della centralina di derivazione (si tratta dello stesso segnale che fa accendere le luci stop 2879909VedereE2021LUCI STOP . L'interruttore del pedale del freno I30 contatto "N.C.' invia invece un segnale di consenso al pin 20 della centralina M50 ; tale segnale giunge dalla linea "sotto chiave' (INT) protetta dal fusibile volante B10 . Il sensore di sterzo K58 e alimentato dalla centralina ABS M50 al pin 39, mentre dal pin 21 riceve la massa di riferimento: il segnale che rileva brusche sterzate viene inviato - tramite linea CAN - alla centralina controllo motore M10 e alla centralina ABS M50 , pin 24 e 40. Il sensore di imbardata K74 e alimentato dalla centralina ABS M50 al pin 39, mentre dal pin 21 riceve la massa di riferimento: i segnali di controllo e comando sono scambiati con la centralina ABS M50 , ai pin 8, 9, 10 e 41. Il sensore di pressione K72 e alimentato dalla centralina ABS M50 al pin 42, mentre dal pin 25 riceve la massa di riferimento: il segnale che rileva la pressione viene inviato al pin 26 della centralina ABS M50 . Tramite apposita linea CAN, la centralina ABS M50 si collega - dal pin 22 - al quadro strumenti E50 , per gestire la spia "avaria ABS", la spia "EBD' e la spia "ASR/ESP' Il pulsante di comando "ASR OFF', posto nel gruppo interruttori H90 connettore C invia il segnale di disinserimento al pin 27 di M50 , mentre dal pin 18 viene rimandato il segnale che accende il relativo led a sistema disinserito; ; l'interruttore di H90C e alimentato dalla linea "sotto chiave' (INT) protetta dal fusibile volante B10 . La lettura dei dati della autodiagnosi, che puo essere realizzata collegandosi al connettore R10 : ad esso arrivano i segnali dal pin 11 dalla centralina M50 attraverso la apposita linea diagnostica.

Fusibile (MAXI FUSE) per ABS



B007



B007



Fusibile ABS



B031



B031



Massa anteriore ABS



C012



C012



Giunzione ant./plancia



D001A



D001A



D001A



D001A



D001A



D001A



D001A



D001A



D001A



D001A



D001A



D001A



D001B



D001B



D001B



D001B



D001B



D001B



D001B



D001B



D001B



D001B



D001B



D001C



D001A



D001A



D001A



D001A



D001A



D001A



D001A



D001C



D001C



D001C



D001C



D001C



D001C



D001A



D001C



D001C



D001C



D001C



D001C



D001C



D001C



D001C



Giunzione ant./ABS



D005



D005



D005



D005



D005



Giunzione plancia/posteriore



D020A



D020A



D020A



D020A



D020A



D020B



D020B



D020B



D020B



D020B



D020B



D020B



D020B



D020B



D020B



D020B



D020B



D020



D020



D020



D020



D020



D020



D020A



D020B



D020B



D020B



D020B



D020



D020A



D020B



D020B



D020B



D020B



D020



D020A



D020B



D020B



D020B



D020B



D020



D020A



D020B



D020B



D020B



D020B



D020



D020A



D020B



D020B



D020B



D020B



D020



Quadro strumenti



E050A



E050A



E050A



E050A



E050A



E050B



E050B



E050B



E050B



E050B



E050B



E050B



E050C



E050C



E050A



E050B



E050C



E050C



Quadro strumenti



E050A



E050A



E050A



E050A



E050A



E050B



E050B



E050B



E050B



E050B



E050B



E050B



E050C



E050C



E050A



E050B



E050C



E050C



Quadro strumenti



E050A



E050A



E050A



E050A



E050A



E050B



E050B



E050B



E050B



E050B



E050B



E050B



E050C



E050C



E050A



E050B



E050C



E050C



Quadro strumenti



E050A



E050A



E050A



E050A



E050A



E050B



E050B



E050B



E050B



E050B



E050B



E050B



E050C



E050C



E050A



E050B



E050C



E050C



Quadro strumenti



E050A



E050A



E050A



E050A



E050A



E050B



E050B



E050B



E050B



E050B



E050B



E050B



E050C



E050C



E050A



E050B



E050C



E050C



Quadro strumenti



E050A



E050A



E050A



E050A



E050A



E050B



E050B



E050B



E050B



E050B



E050B



E050B



E050C



E050C



E050A



E050B



E050C



E050C



Quadro strumenti



E050A



E050A



E050A



E050A



E050A



E050B



E050B



E050B



E050B



E050B



E050B



E050B



E050C



E050C



E050A



E050B



E050C



E050C



Quadro strumenti



E050A



E050A



E050A



E050A



E050A



E050B



E050B



E050B



E050B



E050B



E050B



E050B



E050C



E050C



E050A



E050B



E050C



E050C



Sensore di imbardata



K074



Sensore ruota posteriore sx. per ABS



K075



K075



Sensore ruota posteriore sx. per ABS



K075



K075



Sensore ruota posteriore sx. per ABS



K075



K075



Centralina ABS



M050



M050


Can't find your car? Check -> DiagnostData.com!