AUTOMOTIVE ELECTRICIANS

Fiat MULTIPLA 1.9 JTD 8V da 04/02 a 08/03 – STRUMENTO DI BORDO – – ESP – SCHEMA ELETTRICO, LOCALIZZAZIONE COMPONENTI, DESCRIZIONE FUNZIONALE – SCHEMA ELETTRICO, LOCALIZZAZIONE COMPONENTI, DESCRIZIONE FUNZIONALE

Fiat MULTIPLA 1.9 JTD 8V  da 04/02 a 08/03 – STRUMENTO DI BORDO –  – ESP – SCHEMA ELETTRICO, LOCALIZZAZIONE COMPONENTI, DESCRIZIONE FUNZIONALE – SCHEMA ELETTRICO, LOCALIZZAZIONE COMPONENTI, DESCRIZIONE FUNZIONALE
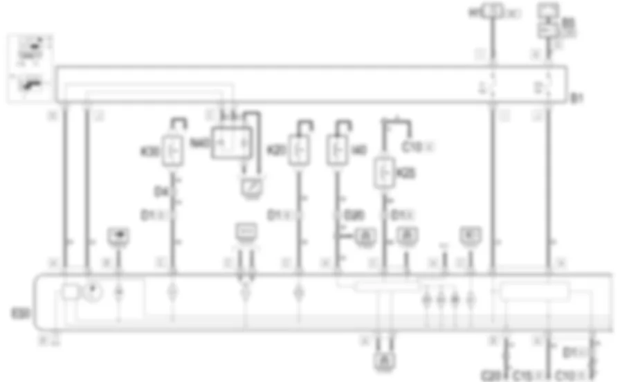
Schema elettrico



Componenti
Codice componenteDenominazioneRiferimento al complessivo
B1Centralina di derivazioneB5Scatola MAXI FUSEB27Fus. alim. sotto chiave escluso avviam. (INT/A)-
B27Fus. alim. sotto chiave escluso avviam. (INT/A)-
B41Fusibile alimentazione centralina iniezione-
B41Fusibile alimentazione centralina iniezione-
B71Fusibile interruttore cinture di sicurezza-
C10Massa ant. sinistra-
C11Massa ant. destra-
C15Massa plancia lato guida-
C20Massa plancia lato passeggero-
C31Massa posteriore destra-
C60Massa centralina iniezione-
C60Massa centralina iniezione-
D1Giunzione ant./plancia-
D4Giunzione ant./motore-
D6Giunzione ant./posteriore-
D20Giunzione plancia/posteriore-
D30Giunzione porta ant. sinistra-
D31Giunzione porta ant. destra-
D35Giunzione porta posteriore sinistra-
D36Giunzione porta posteriore destra-
E50Quadro strumentiH1Commutatore di accensioneI40Interruttore freno a manoI45Interruttore cinture di sicurezza-
I45Interruttore cinture di sicurezza-
I50Interruttore inerzialeJ10Teleruttore principale iniezione-
K20Sensore (interruttore) usura pastiglie freni sinis2882604Op. 3310A FRENI ANTERIORI A DISCO
K20Sensore (interruttore) usura pastiglie freni sinisK25Sensore (interruttore) livelli liquido freniK25Sensore (interruttore) livelli liquido freniK30Sensore (interruttore) pressione olio motoreK30Sensore (interruttore) pressione olio motoreK31Sensore presenza acqua nel filtro gasolio-
K32Sensore livello olio motore-
K33Sensore livello GPLK36Sensore / trasmettitore temperatura refrigerante mK36Sensore / trasmettitore temperatura refrigerante mK36Sensore / trasmettitore temperatura refrigerante mK53Sensore di pressione GPLK54Sensore pressione metanoK84Sensore tachimetricoM10Centralina controllo motore-
M10Centralina controllo motore2882294Op. 1056B ALIMENTAZIONE MULTI-POINT INJECTION (MPI)
M10Centralina controllo motore2882514Op. 1058A VERIFICA PRESSIONE METANO NEL CIRCUITO DI ALTA PRESSIONE
M10Centralina controllo motoreM18Centralina GPLM19Centralina iniezione metano-
M30Centralina allarmeM40Centralina servizi integratiN40Elettropompa combustibile e misuratore di livelloN50Motoriduttore serratura porta ant. sinistraN51Motoriduttore serratura porta ant. destraN55Motoriduttore serratura porta posteriore sinistraN56Motoriduttore serratura porta posteriore destra2883142Op. 7010N BLOCCAPORTE/CHIUSURA CENTRALIZZATA PORTE LATERALI POSTERIORI
Localizzazione componenti

Componenti
Codice componenteDenominazioneRiferimento al complessivo
B1Centralina di derivazioneB5Scatola MAXI FUSEB27Fus. alim. sotto chiave escluso avviam. (INT/A)-
B27Fus. alim. sotto chiave escluso avviam. (INT/A)-
B41Fusibile alimentazione centralina iniezione-
B41Fusibile alimentazione centralina iniezione-
B71Fusibile interruttore cinture di sicurezza-
C10Massa ant. sinistra-
C11Massa ant. destra-
C15Massa plancia lato guida-
C20Massa plancia lato passeggero-
C31Massa posteriore destra-
C60Massa centralina iniezione-
C60Massa centralina iniezione-
D1Giunzione ant./plancia-
D4Giunzione ant./motore-
D6Giunzione ant./posteriore-
D20Giunzione plancia/posteriore-
D30Giunzione porta ant. sinistra-
D31Giunzione porta ant. destra-
D35Giunzione porta posteriore sinistra-
D36Giunzione porta posteriore destra-
E50Quadro strumentiH1Commutatore di accensioneI40Interruttore freno a manoI45Interruttore cinture di sicurezza-
I45Interruttore cinture di sicurezza-
I50Interruttore inerzialeJ10Teleruttore principale iniezione-
K20Sensore (interruttore) usura pastiglie freni sinis2882604Op. 3310A FRENI ANTERIORI A DISCO
K20Sensore (interruttore) usura pastiglie freni sinisK25Sensore (interruttore) livelli liquido freniK25Sensore (interruttore) livelli liquido freniK30Sensore (interruttore) pressione olio motoreK30Sensore (interruttore) pressione olio motoreK31Sensore presenza acqua nel filtro gasolio-
K32Sensore livello olio motore-
K33Sensore livello GPLK36Sensore / trasmettitore temperatura refrigerante mK36Sensore / trasmettitore temperatura refrigerante mK36Sensore / trasmettitore temperatura refrigerante mK53Sensore di pressione GPLK54Sensore pressione metanoK84Sensore tachimetricoM10Centralina controllo motore-
M10Centralina controllo motore2882294Op. 1056B ALIMENTAZIONE MULTI-POINT INJECTION (MPI)
M10Centralina controllo motore2882514Op. 1058A VERIFICA PRESSIONE METANO NEL CIRCUITO DI ALTA PRESSIONE
M10Centralina controllo motoreM18Centralina GPLM19Centralina iniezione metano-
M30Centralina allarmeM40Centralina servizi integratiN40Elettropompa combustibile e misuratore di livelloN50Motoriduttore serratura porta ant. sinistraN51Motoriduttore serratura porta ant. destraN55Motoriduttore serratura porta posteriore sinistraN56Motoriduttore serratura porta posteriore destra2883142Op. 7010N BLOCCAPORTE/CHIUSURA CENTRALIZZATA PORTE LATERALI POSTERIORI
DescrizioneGli indicatori e le spie che formano la strumentazione di bordo sono raggruppati in un unico strumento contenente:tachimetro elettronicocontagiri elettronicoindicatore livello carburante, con spia riservaspie di segnalazionedisplay multifunzione (odometro totale/parziale - indicatore temperatura esternaindicatore livello olioorologio digitaleTrip computer) Per maggiori dettagli 2879322Descrizioni e Funzionamento5560STRUMENTI DI BORDONel presente schema viene illustrato in modo esauriente il funzionamento di indicatori e spie che non sono contenute in altre funzioni:tachimetrocontagiriindicatore livello carburante, con spia riservaspia insufficiente livello liquido freni / freno a mano;spia minima pressione olio;spia usura pastiglie freni.spia porte apertespia acqua nel filtro gasoliosegnalazione intervento interruttore inerzialeLe altre sono descritte e illustrate compiutamente negli schemi relativi ai componenti ai quali si riferiscono:indicatori di direzione2879889VedereE2020LUCI DIREZIONE / EMERGENZAluci di posizione2879845VedereE2010LUCI POSIZIONE / TARGAluci abbaglianti2879877VedereE2012LUCI ABBAGLIANTIavaria CODE2880544VedereE7010CODEgeneratore2880366VedereE5010AVVIAMENTO E RICARICAavaria sistema di iniezione2880442VedereE5050GESTIONE ELETTRONICA MOTORI DIESELelevata temperatura motore2880442VedereE5050GESTIONE ELETTRONICA MOTORI DIESELpreriscaldo candelette2880442VedereE5050GESTIONE ELETTRONICA MOTORI DIESELavaria Air Bag2880600VedereE7030AIRBAGdisabilitazione Air Bag passeggero2880600VedereE7030AIRBAGspia avaria abs, EBD, ESP2880596VedereE7023ESPLo strumento ha le linee di alimentazione diretta e sotto chiave protette da due fusibili della centralina di derivazione.
Descrizione funzionale La alimentazione sotto chiave (INT) dello strumento E50 giunge al pin 19 del connettore A dalla linea protetta dal fusibile F1 della centralina di derivazione B1 . Lo strumento E50 e anche alimentato direttamente dalla batteria - pin 17 del connettore A - tramite la linea del maxifuse J/B1 di B5 protetta dal fusibile F10 della centralina di derivazione B1 . Il pin 18 del connettore A e a massa (massa elettronica).Il pin 1 del connettore B e a massa (massa di potenza). l pin 2 e 16 del connettore A giungono i segnali provenienti dal misuratore di livello combustibile, collocato nel gruppo della elettropompa N40 , tali segnali, elaborati dal dispositivo elettronico interno, comandano l'indicatore di livello e la spia riserva. Un'eventuale insufficienza nella pressione dell'olio motore e segnalata al pin 18 del connettore C dal segnale di massa proveniente dal sensore K30 . Il segnale dal sensore K20 . giunge al pin 13 del connettore C ed illumina la spia usura pastiglia freni. Il dispositivo K32 rileva il livello dell'olio motore all'avviamento: riceve un segnale di riferimento dal pin 14 del connettore A di E50 e rimanda un segnale al pin 10 dello stesso. I segnali dell'interruttore freno a mano I40 e del sensore livello liquido freni K25 . giungono rispettivamente ai pin 11 del connettore A e 15 del connettore C di E50 ed illuminano la spia insufficiente livello liquido freni / freno a mano. La stessa spia viene accesa - insieme alla spia avaria ABS - se la centralina ABS rileva problemi che riguardano la funzione "EBD" 2880596VedereE7023ESP . Al pin 5 del connettore B di E50 giunge il segnale "porte aperte' proveniente dalla centralina servizi integrati M40 , pin 7 del connettore A. (vedi anche EL2510]. Al pin 3 del connettore A di E50 giunge il segnale di intervento dell'interruttore inerziale I50 , in tale condizione il quadro strumenti genera l'opportuna segnalazione. Il sensore presenza acqua nel filtro K31 viene alimentato dalla linea del fusibile B412880442VedereE5050GESTIONE ELETTRONICA MOTORI DIESEL ed invia il segnale al 7 del connettore B di E50 . Il sensore tachimetrico K84 situato sul cambio viene alimentato dalla linea del fusibile B412880442VedereE5050GESTIONE ELETTRONICA MOTORI DIESEL , ed invia il segnale al pin 5 del connettore A di E50 , tale segnale, elaborato dal dispositivo elettronico interno, comandano l'indicatore della velocita vettura, l'odometro e vengono resi disponibili in uscita: dai pin 30, 31 e 32 del connettore A per la centralina di gestione motore, il navigatore, il tassametro ecc.. Il segnale di giri motore giunge dalla centralina di controllo motore M10 al pin 6 del connettore A di E50 , tale segnale, elaborato dal dispositivo elettronico interno, comandano l'indicatore del contagiri. Al pin 7 del connettore A di E50 giunge, sempre dalla centralina di controllo motore M10 , un segnale di "consumo combustibile' utilizzato dal Trip computer.

Fus. alim. sotto chiave escluso avviam. (INT/A)



B027



B027



B027



B027



Fusibile alimentazione centralina iniezione



B041



B041



Fusibile interruttore cinture di sicurezza



B071



Massa ant. sinistra



C010A



C010B



C010C



C010C



C010D



C010D



C010A



C010A



C010A



C010A



Massa ant. destra



C011



C011



C011



C011



C011



C011



Massa plancia lato guida



C015A



C015A



C015B



C015B



C015



Massa plancia lato passeggero



C020



C020



C020



C020



Massa posteriore destra



C031



C031



C031



Massa centralina iniezione



C060



C060



C060



C060



C060



C060



C060



Giunzione ant./plancia



D001A



D001A



D001A



D001A



D001A



D001A



D001A



D001A



D001A



D001A



D001A



D001A



D001B



D001B



D001B



D001B



D001B



D001B



D001B



D001B



D001B



D001B



D001B



D001C



D001A



D001A



D001A



D001A



D001A



D001A



D001A



D001C



D001C



D001C



D001C



D001C



D001C



D001A



D001C



D001C



D001C



D001C



D001C



D001C



D001C



D001C



Giunzione ant./motore



D004A



D004A



D004B



D004B



D004



D004



D004



D004



D004A



D004A



D004B



D004B



D004B



D004B



D004B



D004



D004



D004



D004



D004B



D004B



D004B



D004B



D004B



D004B



D004B



D004B



D004B



D004B



Giunzione ant./posteriore



D006



D006



D006



D006



D006



D006



D006



D006



D006



D006



D006



D006



D006



D006



D006



D006



D006



D006



D006



D006



D006



D006



D006



Giunzione plancia/posteriore



D020A



D020A



D020A



D020A



D020A



D020B



D020B



D020B



D020B



D020B



D020B



D020B



D020B



D020B



D020B



D020B



D020B



D020



D020



D020



D020



D020



D020



D020A



D020B



D020B



D020B



D020B



D020



D020A



D020B



D020B



D020B



D020B



D020



D020A



D020B



D020B



D020B



D020B



D020



D020A



D020B



D020B



D020B



D020B



D020



D020A



D020B



D020B



D020B



D020B



D020



Giunzione porta ant. sinistra



D030



D030



D030



D030



D030



D030



D030



D030



D030



D030



D030



D030



D030



D030



D030



D030



Giunzione porta ant. destra



D031



D31



D031



D031



D31



D031



D031



D031



D31



D031



D31



D031



D031



D031



D031



D031



D031



D031



D031



D031



Giunzione porta posteriore sinistra



D035



D035



D035



D035



D035



D035



D035



D035



D035



D035



D035



D035



Giunzione porta posteriore destra



D036



D036



D036



D036



D036



D036



D036



D036



D036



D036



D036



D036



Quadro strumenti



E050A



E050A



E050A



E050A



E050A



E050B



E050B



E050B



E050B



E050B



E050B



E050B



E050C



E050C



E050A



E050B



E050C



E050C



Quadro strumenti



E050A



E050A



E050A



E050A



E050A



E050B



E050B



E050B



E050B



E050B



E050B



E050B



E050C



E050C



E050A



E050B



E050C



E050C



Quadro strumenti



E050A



E050A



E050A



E050A



E050A



E050B



E050B



E050B



E050B



E050B



E050B



E050B



E050C



E050C



E050A



E050B



E050C



E050C



Interruttore cinture di sicurezza



I045



I045



Interruttore inerziale



I050



I050



I050



I050



I050



I050



I050



I050



I050



I050



I050



I050



I050



I050



Interruttore inerziale



I050



I050



I050



I050



I050



I050



I050



I050



I050



I050



I050



I050



I050



I050



Interruttore inerziale



I050



I050



I050



I050



I050



I050



I050



I050



I050



I050



I050



I050



I050



I050



Interruttore inerziale



I050



I050



I050



I050



I050



I050



I050



I050



I050



I050



I050



I050



I050



I050



Interruttore inerziale



I050



I050



I050



I050



I050



I050



I050



I050



I050



I050



I050



I050



I050



I050



Interruttore inerziale



I050



I050



I050



I050



I050



I050



I050



I050



I050



I050



I050



I050



I050



I050



Sensore livello olio motore



K032



Sensore livello GPL



K033



Sensore livello GPL



K033



Sensore livello GPL



K033



Sensore livello GPL



K033



Sensore livello GPL



K033



Sensore livello GPL



K033



Sensore livello GPL



K033



Sensore livello GPL



K033



Centralina allarme



M030A



M30A



M030B



M030B



M30B



M30B



M030A



M030A



M030A



M030A



M030A



M030A



M030A



M030B



M030B



M030B



M030B



M030B



M030A



M030B



M030A



M030B



M030A



M030B



M030A



M030B



M030A



M030B



Centralina allarme



M030A



M30A



M030B



M030B



M30B



M30B



M030A



M030A



M030A



M030A



M030A



M030A



M030A



M030B



M030B



M030B



M030B



M030B



M030A



M030B



M030A



M030B



M030A



M030B



M030A



M030B



M030A



M030B



Centralina allarme



M030A



M30A



M030B



M030B



M30B



M30B



M030A



M030A



M030A



M030A



M030A



M030A



M030A



M030B



M030B



M030B



M030B



M030B



M030A



M030B



M030A



M030B



M030A



M030B



M030A



M030B



M030A



M030B



Centralina allarme



M030A



M30A



M030B



M030B



M30B



M30B



M030A



M030A



M030A



M030A



M030A



M030A



M030A



M030B



M030B



M030B



M030B



M030B



M030A



M030B



M030A



M030B



M030A



M030B



M030A



M030B



M030A



M030B



Centralina allarme



M030A



M30A



M030B



M030B



M30B



M30B



M030A



M030A



M030A



M030A



M030A



M030A



M030A



M030B



M030B



M030B



M030B



M030B



M030A



M030B



M030A



M030B



M030A



M030B



M030A



M030B



M030A



M030B



Centralina allarme



M030A



M30A



M030B



M030B



M30B



M30B



M030A



M030A



M030A



M030A



M030A



M030A



M030A



M030B



M030B



M030B



M030B



M030B



M030A



M030B



M030A



M030B



M030A



M030B



M030A



M030B



M030A



M030B



Centralina allarme



M030A



M30A



M030B



M030B



M30B



M30B



M030A



M030A



M030A



M030A



M030A



M030A



M030A



M030B



M030B



M030B



M030B



M030B



M030A



M030B



M030A



M030B



M030A



M030B



M030A



M030B



M030A



M030B


Can't find your car? Check -> DiagnostData.com!