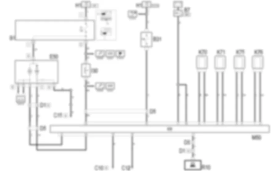
| Codice componente | Denominazione | Riferimento al complessivo | ||||||||||||||||
| B1 | Centralina di derivazione | B7 | Fusibile (MAXI FUSE) per ABS | - | ||||||||||||||
| B31 | Fusibile ABS | - | ||||||||||||||||
| C10 | Massa ant. sinistra | - | ||||||||||||||||
| C12 | Massa anteriore ABS | - | ||||||||||||||||
| C15 | Massa plancia lato guida | - | ||||||||||||||||
| D1 | Giunzione ant./plancia | - | ||||||||||||||||
| D5 | Giunzione ant./ABS | - | ||||||||||||||||
| E50 | Quadro strumenti | H1 | Commutatore di accensione | I30 | Interruttore pedale freno | K70 | Sensore ruota ant. sx. per ABS | K71 | Sensore ruota ant. dx. per ABS | K75 | Sensore ruota posteriore sx. per ABS | K76 | Sensore ruota posteriore dx. per ABS | M50 | Centralina ABS | R10 | Giunto di diagnosi multiplo | - |
| Codice componente | Denominazione | Riferimento al complessivo | ||||||||||||||||
| B1 | Centralina di derivazione | B7 | Fusibile (MAXI FUSE) per ABS | - | ||||||||||||||
| B31 | Fusibile ABS | - | ||||||||||||||||
| C10 | Massa ant. sinistra | - | ||||||||||||||||
| C12 | Massa anteriore ABS | - | ||||||||||||||||
| C15 | Massa plancia lato guida | - | ||||||||||||||||
| D1 | Giunzione ant./plancia | - | ||||||||||||||||
| D5 | Giunzione ant./ABS | - | ||||||||||||||||
| E50 | Quadro strumenti | H1 | Commutatore di accensione | I30 | Interruttore pedale freno | K70 | Sensore ruota ant. sx. per ABS | K71 | Sensore ruota ant. dx. per ABS | K75 | Sensore ruota posteriore sx. per ABS | K76 | Sensore ruota posteriore dx. per ABS | M50 | Centralina ABS | R10 | Giunto di diagnosi multiplo | - |
3340E2021


























