AUTOMOTIVE ELECTRICIANS

Fiat PANDA 1.1 – COMPRESSOR ENGAGEMENT – – WIRING DIAGRAM, LOCATION COMPONENTS, OPERATIONAL DESCRIPTION – WIRING DIAGRAM, LOCATION COMPONENTS, OPERATIONAL DESCRIPTION

Fiat PANDA 1.1   – COMPRESSOR ENGAGEMENT –  – WIRING DIAGRAM, LOCATION COMPONENTS, OPERATIONAL DESCRIPTION – WIRING DIAGRAM, LOCATION COMPONENTS, OPERATIONAL DESCRIPTION
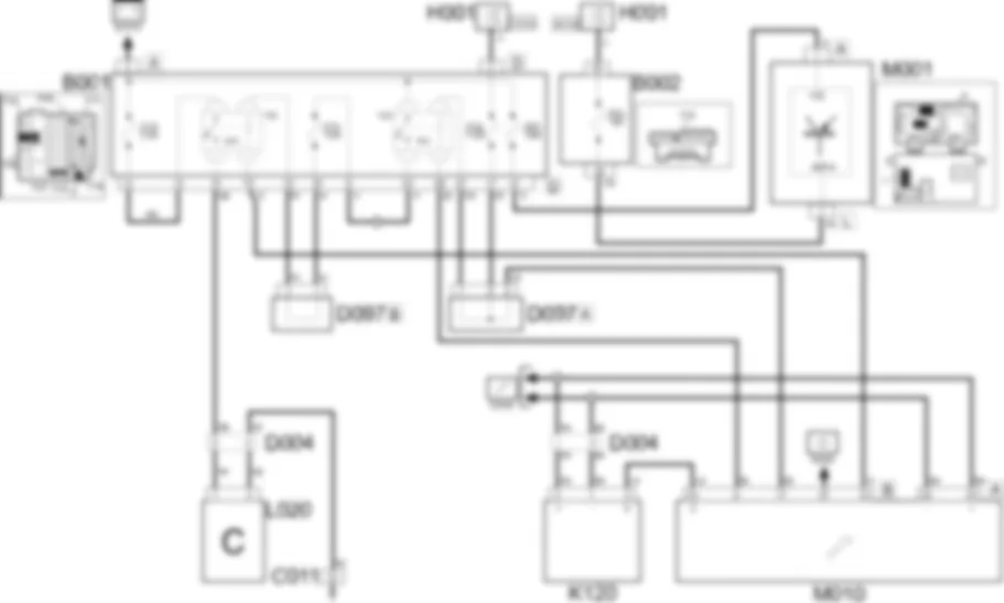
Wiring diagram

COMPONENTS
Component codeNameAssembly reference
B1Engine compartment junction unit5505C
B1engine compartment junction unit5505C
B2Junction unit under dashboard5505C
C11Right front earth-
D4Front / engine coupling-
D4Front/engine connection-
D97Short circuiting coupling-
H1Ignition switch5520A
K120Linear sensor (for climate control)-
K120Linear sensor (for climate control)5040B
K120Linear sensor for climate control-
K120Linear sensor for climate control5040B
L20Air conditioning compressor engagement solenoid-
L20Air conditioning compressor engagement solenoid5040A
M1Body computer5505A
M10Engine management control unit-
M10Engine management control unit1056B
M10Engine management control unit1060G
M54Selespeed transmission control unit-
Location of components

COMPONENTS
Component codeNameAssembly reference
B1Engine compartment junction unit5505C
B1engine compartment junction unit5505C
B2Junction unit under dashboard5505C
C11Right front earth-
D4Front / engine coupling-
D4Front/engine connection-
D97Short circuiting coupling-
H1Ignition switch5520A
K120Linear sensor (for climate control)-
K120Linear sensor (for climate control)5040B
K120Linear sensor for climate control-
K120Linear sensor for climate control5040B
L20Air conditioning compressor engagement solenoid-
L20Air conditioning compressor engagement solenoid5040A
M1Body computer5505A
M10Engine management control unit-
M10Engine management control unit1056B
M10Engine management control unit1060G
M54Selespeed transmission control unit-
DescriptionA special button enables the operation of the air cooling circuit; but the actual switching on of the compressor also depends on the intervention of:the fan linear sensor, located in the refrigerant circuit, which stops the air conditioning being switched on if the pressure of the fluid is too low or too high;the engine control unit which, depending on the engine management logic, excludes the operation of the compressor; for example, in the case of high engine temperatures or high engine load (sudden acceleration);information coming from the anti-frost thermostat on whether there is condensation on the air conditioning pipes (for versions with manual air conditioner);information coming from the climate control system (for versions with automatic air conditioner).The compressor supply circuit is controlled by a specific relay, located in the engine compartment junction unit; the relay supply line is protected by a specific fuse.
Functional description The engine control unit M010 receives at pin 27 connector B, the request to switch on the compressor See E6020 AIR CONDITIONING . After receiving the request, the engine control unit:from pin 6 connector B, sends a negative signal to the coil of the relay T09, which provides the direct battery supply to the relay T05;from pin 12 connector B, sends a negative signal to the coil of the relay T05, which supplies the compressor L020. The two relays, T05 and T09, are connected 'in cascade'; the relay T09 provides the direct battery supply to T05, and operates with the ignition-dependent supply (INT/A). The operation of both is interrupted during engine starting (key at START position). The engine control unit M010 interrupts compressor operation depending on the signal it receives as input, at pin 23 connector B, from the linear sensor K120. The sensor receives the supply and earth reference from pins 22 and 29 connector A of the engine control unit M010.

JUNCTION UNIT



B001A



B001D



B001D



B001D



B001D



B001D



B001D



B001D



vehicle compartment wiring



5505C26


768769

5505C27


<anchor>0</anchor><span>Removing</span><icon><imageid>20</imageid></icon>1Refitting211. Remove the cable pass on the right side of the vehicle from itsseating and open the cover.2. Remove the adhesive tape (2a) present on the wiring (2b) andrelease the windscreen/rear window washer tubes (2c).Release the wiring from the cable pass.Following the same procedure, release thewiring from the cable pass on the left of the vehicle.2046933

5505C34


768769

5505C35


<anchor>0</anchor><span>Removing</span><icon><imageid>20</imageid></icon>1Refitting211. Disconnect the aerial coaxial cable connections.2. Disconnect the electrical connections (2a), (2b), (2c), (2d),(2e) and (2f).2046939

JUNCTION UNIT UNDER DASHBOARD



B002



RIGHT FRONT EARTH



C011



C011



C011



C011



C011



C011



FRONT/ENGINE COUPLING



D004



D004



D004



D004



D004



D004



D004



D004



D004



D004



D004



SHORT CIRCUITING COUPLING



D097A



D097A



D097A



D097A



D097A



D097B



D097B



D097B



D097B



D097B



D097C



D097C



D097C



D097D



D097E



D097E



D097F



D097G



D097G



D097H



IGNITION SWITCH



H001A



H001A



H001A



H001B



ignition switch



5520A10


767It is not possible toorder a single lock barrel or to order barrels using only the partcode. When ordering barrels, observe the special procedure set outin operation 5580 - Special Accessories. 768769

5520A14



5520A16



LINEAR SENSOR FOR FANS



K120



K120



K120



system safety check devices



5040B20


<anchor>0</anchor><span>Removing</span><icon><imageid>20</imageid></icon>1Refitting212752825-4450B02left front wheel r r2752826-4450B04right front wheel r r2753309-7055B90Left front WHEEL ARCH LINER - R.R.2753310-7055B91Right front WHEEL ARCH LINER - R.R.2753303-7055A42front grille - r+r2753353-7210E10R.R. FRONT BUMPER1. Disconnect the electrical connection for the linear sensor.2. Undo the linear sensor and remove it. 2046870

5040B30


<anchor>0</anchor><span>Removing</span><icon><imageid>20</imageid></icon>1Refitting211. Release the air hose from the cold air intake. 2. Undo the fixing bolts (2a) and release the fastening clip (2b).3. Remove the air filter casing complete with hose.2064825

5040B64


768769

AIR CONDITIONING COMPRESSOR ENGAGEMENT ELECTRO-MAGNET



L020



L020



L020



air conditioner coolant circuit



5040A20


<anchor>0</anchor><span>Removing</span><icon><imageid>20</imageid></icon>1Refitting21Disconnect the battery negative terminal.1. Release the air hose from the cold air intake. 2. Undo the fixing bolts (2a) and release the fastening clip (2b).3. Remove the air filter casing complete with hose.2046847

5040A26


<anchor>0</anchor><span>Removing</span><icon><imageid>20</imageid></icon>1Refitting212752945-5510C26rpm sensor - r+r2752556-1092B40air conditioner compressor/alternator drive belt- r + r2752554-1092A12crankshaft pulley - r+r for versions with air conditioner2752877-5040A20air conditioner compressor - r+r - includes fluidlevel check and top up if necessary1. Open the wiring protective cover.2. Undo the fixing nuts (2a) and disconnect the alternator electricalwiring (2b). 3. Undo the fixing bolts (3a) and remove the alternator (3b).2046854

5040A40


<anchor>0</anchor><span>Removing</span><icon><imageid>20</imageid></icon>1Refitting212752825-4450B02left front wheel r r2752826-4450B04right front wheel r r2753309-7055B90Left front WHEEL ARCH LINER - R.R.2753310-7055B91Right front WHEEL ARCH LINER - R.R.2753303-7055A42front grille - r+r2753353-7210E10R.R. FRONT BUMPER1. Disconnect the electrical connection for the linear sensor.2. Undo the fixing nuts (2a) and disconnect the air conditioningrigid pipes (2b) from the condenser.2064803

5040A44


<anchor>0</anchor><span>Removing</span><icon><imageid>20</imageid></icon>1Refitting212752386-0010T84coolant for air conditioningsystem dehydrate and recharge2752825-4450B02left front wheel r r2752826-4450B04right front wheel r r2753309-7055B90Left front WHEEL ARCH LINER - R.R.2753310-7055B91Right front WHEEL ARCH LINER - R.R.2753303-7055A42front grille - r+r2753353-7210E10R.R. FRONT BUMPER1. Undo the fixing bolts (1a) and remove the drier filter mountingbracket (1b).2. Undo the drier filter and remove it.2064805

5040A50


<anchor>0</anchor><span>Removing</span><icon><imageid>20</imageid></icon>1Refitting211. Release the air hose from the cold air intake. 2. Undo the fixing bolts (2a) and release the fastening clip (2b).3. Remove the air filter casing complete with hose.2046862

5040A58


<anchor>0</anchor><span>Removing</span><icon><imageid>20</imageid></icon>1Refitting211. Release the air hose from the cold air intake. 2. Undo the fixing bolts (2a) and release the fastening clip (2b).3. Remove the air filter casing complete with hose.2046866

5040A60



BODY COMPUTER



M001A



M001A



M001A



M001B



M001B



M001B



M001C



M001C



M001C



M001C



M001D



M001D



M001E



M001E



M001F



M001F



M001F



M001G



M001H



M001H



M001I



M001L



M001L



M001M



M001M



M001N



M001O



M001O



M001P



multi-function components



5505A13



5505A28


<anchor>0</anchor><span>Removing</span><icon><imageid>20</imageid></icon>1Refitting211. Disengage the fixing lugs (1a) and remove the cover (1b).2046919

5505A32


<anchor>0</anchor><span>Removing</span><icon><imageid>20</imageid></icon>1Refitting21Disconnect the battery negativeterminal.2753188-7040A37fuse box cover - r r1. Undo the retaining bolts.Disconnect the electrical connections.2. Remove the body computer.2046922

5505A90


768769

ENGINE MANAGEMENT ECU



M010A



M010A



M010A



M010B



M010B



M010B



M010B



M010B



M010B



M010B



M010B



M010C



M010C



M010C



multi-point injection system (mpi)



1056B14


<anchor>0</anchor><span>Removing</span><icon><imageid>20</imageid></icon>1Refitting21Disconnect the battery negative terminal.2752486-1048A10air cleaner filtering element - replace1. Release the accelerator cable (1b) working on the throttle valve(1a).2. Disconnect the accelerator cable from the mounting bracket.2046218

1056B50


<anchor>0</anchor><span>Removing</span><icon><imageid>20</imageid></icon>1Refitting21Disconnect the battery negative terminal.2752486-1048A10air cleaner filtering element - replace1. Open the fastening clips and release the wiring.2. Undo the fixing nuts (2a) and remove the wiring mounting bracket(2b).2046220

1056B54


<anchor>0</anchor><span>Removing</span><icon><imageid>20</imageid></icon>1Refitting21Disconnect the battery negative terminal.2752486-1048A10air cleaner filtering element - replace1. Disconnect the electrical connection for the air temperaturesensor.2. Undo the fixing bolt (2a) and remove the integrated air temperaturesensor (2b).2046222

1056B60


<anchor>0</anchor><span>Removing</span><icon><imageid>20</imageid></icon>1Refitting21Disconnect the battery negative terminal.2752486-1048A10air cleaner filtering element - replace1. Release the accelerator cable (1b), working on the throttle valve(1a).2. Disconnect the accelerator cable from the mounting bracket.2046223

1056B69


<anchor>0</anchor><span>Removing</span><icon><imageid>20</imageid></icon>1Refitting212752486-1048A10air cleaner filtering element - replace2752494-1056B60single fuel manifold pipe, with injectors - r + r1. Remove the safety clip.2. Remove the injector.Proceed in the same way for the remaininginjectors.2046227

1056B70



1056B82


<anchor>1</anchor><span>Refitting</span><icon><imageid>21</imageid></icon>0Removing20Fit the engine management control unitin place and tighten the fixing bolts. Connect the electrical connections forthe engine management control unit.Connect the earth lead and tighten thefixing bolt.Connect the battery negative terminal.

pressure pump electric control



1060G10


<anchor>0</anchor><span>Removing</span><icon><imageid>20</imageid></icon>1Refitting21Disconnect the battery negative terminal.1. Disconnect the electrical connection from the air flow meter. 2. Loosen the band and disconnect the the turbocharger air inletsleeve from the rigid pipe, air flow meter side.3. Undo the bolts (3a) and remove the air flow meter (3b).2064495

1060G14


<anchor>0</anchor><span>Removing</span><icon><imageid>20</imageid></icon>1Refitting21Remove the car from the ramps.1. Loosen the band and disconnect the lower radiator coolant outlethose from the radiator, engine oil heat exchanger end.767Collect the engine coolant ina suitable container.2064496

1060G16


<anchor>0</anchor><span>Removing</span><icon><imageid>20</imageid></icon>1Refitting21Disconnect the battery negative terminal.1. Disconnect the electrical connection from the air flow meter. 2. Loosen the band and disconnect the air inlet hose to the turbocharger.2064499

1060G20


<anchor>0</anchor><span>Removing</span><icon><imageid>20</imageid></icon>1Refitting21Disconnect the battery negative terminal.1. Disconnect the electrical connection for the rpm sensor.2. Undo the bolt (2a) and remove the engine rpm sensor (2b). 2064502

1060G22


<anchor>0</anchor><span>Removing</span><icon><imageid>20</imageid></icon>1Refitting21Remove the car from the ramps.Disconnect the battery negative terminal.1. Disconnect the electrical connection from the air flow meter. 2. Loosen the band and disconnect the the turbocharger air inletsleeve from the rigid pipe, air flow meter side.2064504

1060G28


<anchor>0</anchor><span>Removing</span><icon><imageid>20</imageid></icon>1Refitting21Disconnect the battery negative terminal.1. Disconnect the electrical connection from the air flow meter. 2. Loosen the band and disconnect the the turbocharger air inletsleeve from the rigid pipe, air flow meter side.2064507

1060G80


<anchor>0</anchor><span>Removing</span><icon><imageid>20</imageid></icon>1Refitting211. Undo the fixing nuts (1a), disconnect the electrical connections(1b) and remove the engine management control unit (1c).2064511

1060G90


<anchor>0</anchor><span>Removing</span><icon><imageid>20</imageid></icon>1Refitting21Remove the car from the ramps.2752965-5530B10battery - r+r2752966-5530B52Battery DRIP TRAY/SUPPORT - R.R.1. Disconnect the electrical connection from the air flow meter. 2. Loosen the band and disconnect the the turbocharger air inletsleeve from the rigid pipe, air flow meter side.2064512

ROBOTIZED TRANSMISSION CONTROL UNIT



M054A



M054B


Can't find your car? Check -> DiagnostData.com!