DescriptionThe ignition and recharging circuit comprises the battery, starter motor and alternator.The starter motor consists of a direct current motor supplied by the battery and an excitation solenoid. When the ignition key is turned to the extreme position (START), the starter motor windings are supplied, producing electro-magnetic forces which rotate the motor pinion. At the same time, the solenoid is energized and operates the mechanism for engaging the pinion in the flywheel ring gear, thus turning over the engine. In this version with robotized gearbox, the enablement for rotation of the starter motor is supplied by the Selespeed control unit. 2751655SeeE7051ROBOTIZED GEARBOX . The alternator recharges the battery during normal engine rotation. The alternator shaft (rotor) is turned by the crankshaft by means of a belt. When supplied with an excitation current, the rotor sets up a magnetic field that induces an alternating current in the fixed coil (stator). A diode rectifying bridge located on the back of the alterator transforms the alternating current into a direct current, which is sent to recharge the battery.A voltage regulator, also built into the alternator, maintains a constant voltage supply (about 14V) throughout the load and engine speed ranges.The efficiency of the recharging system is controlled by the Body Computer, which measures the D+ signal coming from the alternator with the engine running (rpm over 700). If a fault is detected, the relevant warning light on the instrument panel is switched on. The Body Computer also acquires the battery voltage value in the 6-18V field.
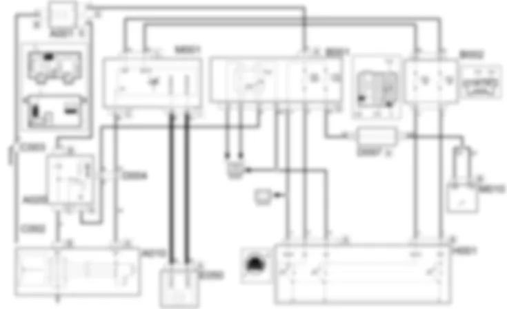
Functional description The ignition switch H001 is supplied directly by the battery, by the line protected by the fuse F23, housed in the engine compartment junction unit B001. When the ignition key is turned to START, the direct battery supply is provided, from pin 3 connector A of H001, to the starter motor A020, pin 1 connector A, via relay T20 housed inside the engine compartment junction unit B001. The starting enablement is supplied by the robotized gearbox control unit which, supplying the coil inside relay T20, closes the relay internal contact, thereby providing a power supply for the starter motor A020 (for more details see SeeE7051 ROBOTIZED GEARBOX ). The direct current generated by the alternator A010 (pin B+ connector B) is sent to the battery A001, passing through the motor A020. When the alternator does not turn, and so does not recharge the battery, an earth signal is sent from pin D+ connector A of A010 to the body computer node M001 (pin 6 of connector C) which, via the CAN line, switches on the 'alternator fault' warning light on the instrument panel SeeE1050 CAN CONNECTION LINES .
0Removing201Refitting211. Move the positive battery terminal protective cover aside.2. Undo the fixing n uts (2a) and disconnect the battery's negativeterminal (2b) and positive terminal (2c).3. Undo the nut (3a) of the battery attachment belt (3b) and removeit.2046956
0Removing201Refitting21Place the car on a lift.Disconnect the battery negative terminal.Raise the car.1. Open the protective cover.2. Undo the fixing nut (2a) and disconnect the starter motor electricalwiring (2b). 3. Undo the fixing bolts (3a) of the starter motor (3b) and removeit.2046948
0Removing201Refitting211. Remove the cable pass on the right side of the vehicle from itsseating and open the cover.2. Remove the adhesive tape (2a) present on the wiring (2b) andrelease the windscreen/rear window washer tubes (2c).Release the wiring from the cable pass.Following the same procedure, release thewiring from the cable pass on the left of the vehicle.2046933
5505C34
768769
5505C35
0Removing201Refitting211. Disconnect the aerial coaxial cable connections.2. Disconnect the electrical connections (2a), (2b), (2c), (2d),(2e) and (2f).2046939
0Removing201Refitting21Disconnect the battery negativeterminal.2753183-7040A23frame of instrument panel on facia - r r1. Undo the retaining bolts.Partially remove the instrument panel.2. Disconnect the electrical connection.3. Remove the instrument panel.2046983
767It is not possible toorder a single lock barrel or to order barrels using only the partcode. When ordering barrels, observe the special procedure set outin operation 5580 - Special Accessories. 768769
0Removing201Refitting211. Disengage the fixing lugs (1a) and remove the cover (1b).2046919
5505A32
0Removing201Refitting21Disconnect the battery negativeterminal.2753188-7040A37fuse box cover - r r1. Undo the retaining bolts.Disconnect the electrical connections.2. Remove the body computer.2046922
0Removing201Refitting21Disconnect the battery negative terminal.2752486-1048A10air cleaner filtering element - replace1. Release the accelerator cable (1b) working on the throttle valve(1a).2. Disconnect the accelerator cable from the mounting bracket.2046218
1056B50
0Removing201Refitting21Disconnect the battery negative terminal.2752486-1048A10air cleaner filtering element - replace1. Open the fastening clips and release the wiring.2. Undo the fixing nuts (2a) and remove the wiring mounting bracket(2b).2046220
1056B54
0Removing201Refitting21Disconnect the battery negative terminal.2752486-1048A10air cleaner filtering element - replace1. Disconnect the electrical connection for the air temperaturesensor.2. Undo the fixing bolt (2a) and remove the integrated air temperaturesensor (2b).2046222
1056B60
0Removing201Refitting21Disconnect the battery negative terminal.2752486-1048A10air cleaner filtering element - replace1. Release the accelerator cable (1b), working on the throttle valve(1a).2. Disconnect the accelerator cable from the mounting bracket.2046223
1Refitting210Removing20Fit the engine management control unitin place and tighten the fixing bolts. Connect the electrical connections forthe engine management control unit.Connect the earth lead and tighten thefixing bolt.Connect the battery negative terminal.
pressure pump electric control
1060G10
0Removing201Refitting21Disconnect the battery negative terminal.1. Disconnect the electrical connection from the air flow meter. 2. Loosen the band and disconnect the the turbocharger air inletsleeve from the rigid pipe, air flow meter side.3. Undo the bolts (3a) and remove the air flow meter (3b).2064495
1060G14
0Removing201Refitting21Remove the car from the ramps.1. Loosen the band and disconnect the lower radiator coolant outlethose from the radiator, engine oil heat exchanger end.767Collect the engine coolant ina suitable container.2064496
1060G16
0Removing201Refitting21Disconnect the battery negative terminal.1. Disconnect the electrical connection from the air flow meter. 2. Loosen the band and disconnect the air inlet hose to the turbocharger.2064499
1060G20
0Removing201Refitting21Disconnect the battery negative terminal.1. Disconnect the electrical connection for the rpm sensor.2. Undo the bolt (2a) and remove the engine rpm sensor (2b). 2064502
1060G22
0Removing201Refitting21Remove the car from the ramps.Disconnect the battery negative terminal.1. Disconnect the electrical connection from the air flow meter. 2. Loosen the band and disconnect the the turbocharger air inletsleeve from the rigid pipe, air flow meter side.2064504
1060G28
0Removing201Refitting21Disconnect the battery negative terminal.1. Disconnect the electrical connection from the air flow meter. 2. Loosen the band and disconnect the the turbocharger air inletsleeve from the rigid pipe, air flow meter side.2064507
1060G80
0Removing201Refitting211. Undo the fixing nuts (1a), disconnect the electrical connections(1b) and remove the engine management control unit (1c).2064511
1060G90
0Removing201Refitting21Remove the car from the ramps.2752965-5530B10battery - r+r2752966-5530B52Battery DRIP TRAY/SUPPORT - R.R.1. Disconnect the electrical connection from the air flow meter. 2. Loosen the band and disconnect the the turbocharger air inletsleeve from the rigid pipe, air flow meter side.2064512