AUTOMOTIVE ELECTRICIANS

Fiat PANDA 1.3 JTD 16v – SIDE LIGHTS / NO. PLATE LIGHTS – – WIRING DIAGRAM, LOCATION COMPONENTS, OPERATIONAL DESCRIPTION – WIRING DIAGRAM, LOCATION COMPONENTS, OPERATIONAL DESCRIPTION

Fiat PANDA 1.3 JTD 16v   – SIDE LIGHTS / NO. PLATE LIGHTS –  – WIRING DIAGRAM, LOCATION COMPONENTS, OPERATIONAL DESCRIPTION – WIRING DIAGRAM, LOCATION COMPONENTS, OPERATIONAL DESCRIPTION
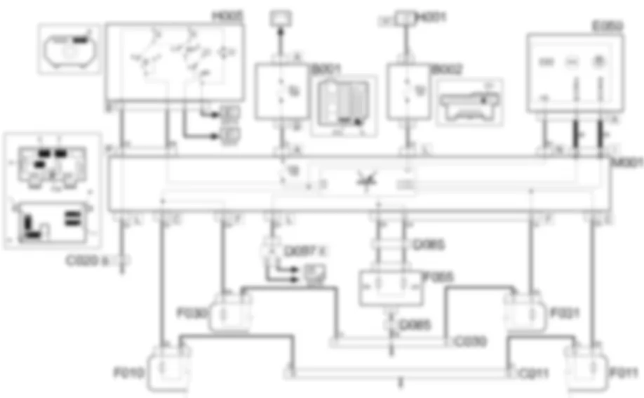
Wiring diagram

COMPONENTS
Component codeNameAssembly reference
B1Engine compartment junction unit5505C
B1engine compartment junction unit5505C
B2Junction unit under dashboard5505C
C11Right front earth-
C20Passenger side dashboard earth-
C30Left rear earth-
D85Tailgate coupling-
D85Tailgate coupling /-
D97Short circuiting coupling-
E50Instrument panel5560B
F10Left headlamp5540B
F11Right headlamp5540B
F30Rear left light cluster5540A
F31Rear right light cluster5540A
H1Ignition switch5520A
H5Steering column switch unit5550A
M1Body computer5505A
Location of components

COMPONENTS
Component codeNameAssembly reference
B1Engine compartment junction unit5505C
B1engine compartment junction unit5505C
B2Junction unit under dashboard5505C
C11Right front earth-
C20Passenger side dashboard earth-
C30Left rear earth-
D85Tailgate coupling-
D85Tailgate coupling /-
D97Short circuiting coupling-
E50Instrument panel5560B
F10Left headlamp5540B
F11Right headlamp5540B
F30Rear left light cluster5540A
F31Rear right light cluster5540A
H1Ignition switch5520A
H5Steering column switch unit5550A
M1Body computer5505A
DescriptionWhen the wheel is turned to the first position on the left stalk forthe side lightsnumber plate lightsinstrument lighting2751457SeeE2530INSTRUMENT LIGHTINGonly with ignition key ON.The body computer:turns on individual lights housed in the front light clusters and tail-lights that perform side light functions;turns on the number plate lights;monitors correct system operation and indicates any faults by turning on the failure warning lights on the instrument panel.To turn on the parking lights, proceed as follows:deactivate the side lights;surn the ignition key to the OFF positionswitch on the side lightsAt the next kay on (ignition key turned on), the side lights come on when the parking light control is given.The 'Follow me home' function is designed to keep the dipped headlamps and the side lights on after the engine has been switched off for a time of 30 seconds or multiples thereof.ignition in OFF positionwhen the the light flasher stalk is operated within 2 minutes of turning the ignition from ON to OFF ( increase of 30 second per operation to a maximum of 210 secs)Function programming is cancelled by maintaining the headlamp operated for not more than 2 secondsThe instrument panel displays the function activation time.For further details, see the relevant function under DESCRIPTION AND OPERATION.
Functional description The side light/number plate light activation command is issued by stalk unit H005, by turning lever group A to position 1.Body computer node MOO1:receives a negative signal (relating to earth C020 connector B) at pin 7 connector P.767Earth C020 is secured to the floor and positioned near the right front wheel arch (footwell area).Once it receives the signal, it turns on the side lights:from pin 14 and 15 connector C, supplies the side lights housed in front light clusters F010 and F011;from pins 11 and 12 connector F, supplies the side lights housed in tail-lights F030 and F031;from pins 5 and 14 connector F, supplies the number plate lights housed in light unit F055;from pin 9 connector L, via short-circuiting junction D097E, supplies an instrument lighting signal See E2530 INSTRUMENT LIGHTING . Tail-lights F030 and F031 and numberplate unit F055 refer to earth C030 secured to the left rear wheel arch (passenger compartment interior).The body computer monitors the correct operation of the light system and indicates any faults by turning on the light failure warning light on instrument panel E050 under the following conditions:load open;short-circuit to earth;short circuit to +battery. The command for operating the follow me home function is issued by stalk unit H005, via key D (flasher).Body computer node M001: receives a negative signal ( in relation to earth C020 connector B) at pin 5 connector P.2751424SeeE2012MAIN BEAM HEADLAMPSOnce it has received the signal, it turns on the sidelights:from pins 14 and 15 connector C, it supplies the side lights housed in front light clusters F010 and F011;from pins 11 and 12 connector F , it supplies the side lights housed in tail-lights F030 and F031;from pins 5 and 14 connector F, it supplies the number plate lights housed in light unit F055.Press lever unit D (light flasher) for longer than two seconds to deactivate the function. From pins 35, 36 connector I, the body computer communicates with instrument panel E050 via the CAN network (for more details, see wiring diagram E1050) to turn on the side light, light system failure warning light. The instrument panel also indicates follow me home function deactivation time via an LCD display.

JUNCTION UNIT



B001A



B001D



B001D



B001D



B001D



B001D



B001D



B001D



vehicle compartment wiring



5505C26


768769

5505C27


<anchor>0</anchor><span>Removing</span><icon><imageid>20</imageid></icon>1Refitting211. Remove the cable pass on the right side of the vehicle from itsseating and open the cover.2. Remove the adhesive tape (2a) present on the wiring (2b) andrelease the windscreen/rear window washer tubes (2c).Release the wiring from the cable pass.Following the same procedure, release thewiring from the cable pass on the left of the vehicle.2046933

5505C34


768769

5505C35


<anchor>0</anchor><span>Removing</span><icon><imageid>20</imageid></icon>1Refitting211. Disconnect the aerial coaxial cable connections.2. Disconnect the electrical connections (2a), (2b), (2c), (2d),(2e) and (2f).2046939

JUNCTION UNIT UNDER DASHBOARD



B002



RIGHT FRONT EARTH



C011



C011



C011



C011



C011



C011



PASSENGER SIDE DASHBOARD EARTH



C020A



C020B



C020B



C020B



LEFT REAR EARTH



C030



C030



C030



C030



C030





D085



D085



SHORT CIRCUITING COUPLING



D097A



D097A



D097A



D097A



D097A



D097B



D097B



D097B



D097B



D097B



D097C



D097C



D097C



D097D



D097E



D097E



D097F



D097G



D097G



D097H



ENGINE CONTROL AND MANAGEMENT SYSTEMS



E5010



E5010



E5010



E5020



E5020



E5020



E5020



E5020



E5020



E5030



E5030



E5030



E5050



analogue control panel



5560B10


<anchor>0</anchor><span>Removing</span><icon><imageid>20</imageid></icon>1Refitting21Disconnect the battery negativeterminal.2753183-7040A23frame of instrument panel on facia - r r1. Undo the retaining bolts.Partially remove the instrument panel.2. Disconnect the electrical connection.3. Remove the instrument panel.2046983

LEFT HEADLAMP



F010



F010



F010



F010



HEADLAMPS



5540B07



5540B08


<anchor>0</anchor><span>Removing</span><icon><imageid>20</imageid></icon>1Refitting21Disconnect the negative battery terminal.Op. 7055A65 FRONT LIGHT CLUSTER MOULDING.FRAME (ONE) LH OR RH R R169002237[Both]Op. 7055A42 FRONT GRILLE - R+R27533031. Disconnect the electrical connection.2. Undo the retaining bolts.3. Remove the light cluster.169002738

5540B14


<anchor>0</anchor><span>Removing</span><icon><imageid>20</imageid></icon>1Refitting21Place the car on a lift.Disconnect the battery negative terminal.2753303-7055A42front grille - r+r2752829-4450B12front or rear wheels (two) - r+r2753309-7055B90Left front WHEEL ARCH LINER - R.R.2753310-7055B91Right front WHEEL ARCH LINER - R.R.2753353-7210E10R.R. FRONT BUMPER1. Disconnect the electrical connection for the light cluster.2. Undo the retaining bolts.3. Remove the lights cluster.2046963

5540B18


<anchor>0</anchor><span>Removing</span><icon><imageid>20</imageid></icon>1Refitting21Disconnect the negative battery terminal.Op. 7055A65 FRONT LIGHT CLUSTER MOULDING.FRAME (ONE) LH OR RH R R1690022371. Undo the retaining bolts.2. Disconnect the electrical connection.3. Remove the fog light.169002740

5540B19


<anchor>0</anchor><span>Removing</span><icon><imageid>20</imageid></icon>1Refitting21Disconnect the negative battery terminal.1. Working inside the engine compartment, remove the access cover to the bulbs.169002742

5540B21



5540B22


<anchor>0</anchor><span>Removing</span><icon><imageid>20</imageid></icon>1Refitting21Disconnect the battery negativeterminal.1. Release the retaining clip on the bulb protective/access cover.2. Remove the bulb protective/access cover.2046964

5540B24


<anchor>0</anchor><span>Removing</span><icon><imageid>20</imageid></icon>1Refitting21Disconnect the negative battery terminal.Op. 7055A65 FRONT LIGHT CLUSTER MOULDING.FRAME (ONE) LH OR RH R R169002237Op. 5540B18 MAIN BEAM (1), LH OR RH - R R169002223

5540B26


<anchor>0</anchor><span>Removing</span><icon><imageid>20</imageid></icon>1Refitting21169002748

5540B28


<anchor>0</anchor><span>Removing</span><icon><imageid>20</imageid></icon>1Refitting21Disconnect the battery negativeterminal.1. Release the retaining clip on the bulb protective/access cover.2. Remove the bulb protective/access cover.2046968

5540B84


1. Using a power saw (1a), cut the edges (1b) of the damaged left side bracket.169000726

5540B86



5540B87



RIGHT HEADLAMP



F011



F011



F011



F011



LEFT REAR LIGHT CLUSTER



F030



F030



F030A



F030B



LIGHTING



5540A44


<anchor>0</anchor><span>Removing</span><icon><imageid>20</imageid></icon>1Refitting21169001805

5540A46


<anchor>0</anchor><span>Removing</span><icon><imageid>20</imageid></icon>1Refitting211. Undo the retaining bolts.2. Release connectors (2a) from anchorage brackets (2b).3. Remove the rear cover.169002726

5540A50


<anchor>0</anchor><span>Removing</span><icon><imageid>20</imageid></icon>1Refitting21169001878

5540A94


<anchor>0</anchor><span>Removing</span><icon><imageid>20</imageid></icon>1Refitting211. Using a suitable tool, remove the number plate light lens.2. Remove the number plate light bulb.2046962

RIGHT REAR LIGHT CLUSTER (FIXED PART)



F031



F031



F031A



F031B



IGNITION SWITCH



H001A



H001A



H001A



H001B



ignition switch



5520A10


767It is not possible toorder a single lock barrel or to order barrels using only the partcode. When ordering barrels, observe the special procedure set outin operation 5580 - Special Accessories. 768769

5520A14



5520A16



STEERING COLUMN SWITCH UNIT



H005A



H005B



stalk unit



5550A10


768769

BODY COMPUTER



M001A



M001A



M001A



M001B



M001B



M001B



M001C



M001C



M001C



M001C



M001D



M001D



M001E



M001E



M001F



M001F



M001F



M001G



M001H



M001H



M001I



M001L



M001L



M001M



M001M



M001N



M001O



M001O



M001P



multi-function components



5505A13



5505A28


<anchor>0</anchor><span>Removing</span><icon><imageid>20</imageid></icon>1Refitting211. Disengage the fixing lugs (1a) and remove the cover (1b).2046919

5505A32


<anchor>0</anchor><span>Removing</span><icon><imageid>20</imageid></icon>1Refitting21Disconnect the battery negativeterminal.2753188-7040A37fuse box cover - r r1. Undo the retaining bolts.Disconnect the electrical connections.2. Remove the body computer.2046922

5505A90


768769
Can't find your car? Check -> DiagnostData.com!