AUTOMOTIVE ELECTRICIANS

Fiat PANDA 1.3 JTD 16v – INSTRUMENT LIGHTING – – WIRING DIAGRAM, LOCATION COMPONENTS, OPERATIONAL DESCRIPTION – WIRING DIAGRAM, LOCATION COMPONENTS, OPERATIONAL DESCRIPTION

Fiat PANDA 1.3 JTD 16v   – INSTRUMENT LIGHTING –  – WIRING DIAGRAM, LOCATION COMPONENTS, OPERATIONAL DESCRIPTION – WIRING DIAGRAM, LOCATION COMPONENTS, OPERATIONAL DESCRIPTION
Wiring diagram



COMPONENTS
Component codeNameAssembly reference
B1Engine compartment junction unit5505C
B1engine compartment junction unit5505C
B2Junction unit under dashboard5505C
C16Air conditioning earth-
C20Passenger side dashboard earth-
D1Front dashboard coupling-
D1Front / dashboard coupling-
D1front / dashboard coupling-
D21Dashboard air conditioner heater connection-
D21Dashboard / air conditioner - heater connection-
D75Radio phone junction-
D75Radio phone connection-
D97Short circuiting coupling-
E50Instrument panel5560B
G45Air conditioning heater controls light-
G45Air conditioning / heater controls light-
H1Ignition switch5520A
H5Steering column switch unit5550A
M1Body computer5505A
M70Climate control system control unit5040D
M94Radio Receiver Node-
P50Cigar lighter current socket7065C
P50Cigar lighter / current socket7065C
Location of components

COMPONENTS
Component codeNameAssembly reference
B1Engine compartment junction unit5505C
B1engine compartment junction unit5505C
B2Junction unit under dashboard5505C
C16Air conditioning earth-
C20Passenger side dashboard earth-
D1Front dashboard coupling-
D1Front / dashboard coupling-
D1front / dashboard coupling-
D21Dashboard air conditioner heater connection-
D21Dashboard / air conditioner - heater connection-
D75Radio phone junction-
D75Radio phone connection-
D97Short circuiting coupling-
E50Instrument panel5560B
G45Air conditioning heater controls light-
G45Air conditioning / heater controls light-
H1Ignition switch5520A
H5Steering column switch unit5550A
M1Body computer5505A
M70Climate control system control unit5040D
M94Radio Receiver Node-
P50Cigar lighter current socket7065C
P50Cigar lighter / current socket7065C
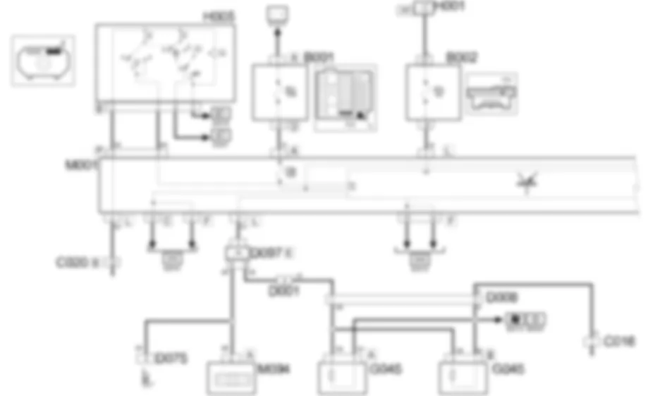
DescriptionThe radio receiver node, the heater/climate control system controls, the cigar lighter/current socket and the instrument panel contain one or more bulbs for lighting the instruments. The power supply for the bulbs is provided directly by the body computer node, only after the side lights have been switched on.The lights inside the instrument panel do, however, remain on at a minimum level even with the side lights switched off.
Functional description The body computer node M001 receives a negative signal (with reference to earth C020 connector B) at pin 2 connector P that the side lights are switched on coming from the steering column switch unit H005 (see wiring diagram E2010).Having received the signal, the body computer:from pin 9 connector L, sends the '+lighting' signal to the short circuiting coupling D097E, which distributes the signal to the radio receiver node M094, at pin 6 connector A; to the cell phone preparation coupling D075, at pin 8; to the heater/air conditioning system controls lighting G045A and G045B. the '+lighting' signal is sent from pin 7 connector E to the cigar lighter/current socket P050; 767 Earth C020 is fastened to the passenger compartment floor and is located near the right front wheel arch (footwell area).The body computer node communicates that the side lights are switched on via the CAN:to the instrument panel E050, from pins 35, 36, connector I; to the climate control system control unit M070 (for versions with automatic climate control), from pins 3, 8 connector O. 767 Coupling D001 is housed, in the passenger compartment, in the lower part of the right front pillar, near the door cable duct, passenger side.Having received the signal that the side lights are on, the instrument panel and the radio receiver node manage the switching on of their own LEDs for lighting up the instruments.

JUNCTION UNIT



B001A



B001D



B001D



B001D



B001D



B001D



B001D



B001D



vehicle compartment wiring



5505C26


768769

5505C27


<anchor>0</anchor><span>Removing</span><icon><imageid>20</imageid></icon>1Refitting211. Remove the cable pass on the right side of the vehicle from itsseating and open the cover.2. Remove the adhesive tape (2a) present on the wiring (2b) andrelease the windscreen/rear window washer tubes (2c).Release the wiring from the cable pass.Following the same procedure, release thewiring from the cable pass on the left of the vehicle.2046933

5505C34


768769

5505C35


<anchor>0</anchor><span>Removing</span><icon><imageid>20</imageid></icon>1Refitting211. Disconnect the aerial coaxial cable connections.2. Disconnect the electrical connections (2a), (2b), (2c), (2d),(2e) and (2f).2046939

JUNCTION UNIT UNDER DASHBOARD



B002



AIR CONDITIONING UNIT EARTH



C016



C016



C016



PASSENGER SIDE DASHBOARD EARTH



C020A



C020B



C020B



C020B



FRONT/DASHBOARD COUPLING



D001



D001



D001



D001



D001



D001



D001



DASHBOARD/AIR CONDITIONING-HEATER COUPLING



D021



D021



RADIO PHONE COUPLING



D075



SHORT CIRCUITING COUPLING



D097A



D097A



D097A



D097A



D097A



D097B



D097B



D097B



D097B



D097B



D097C



D097C



D097C



D097D



D097E



D097E



D097F



D097G



D097G



D097H



ENGINE CONTROL AND MANAGEMENT SYSTEMS



E5010



E5010



E5010



E5020



E5020



E5020



E5020



E5020



E5020



E5030



E5030



E5030



E5050



analogue control panel



5560B10


<anchor>0</anchor><span>Removing</span><icon><imageid>20</imageid></icon>1Refitting21Disconnect the battery negativeterminal.2753183-7040A23frame of instrument panel on facia - r r1. Undo the retaining bolts.Partially remove the instrument panel.2. Disconnect the electrical connection.3. Remove the instrument panel.2046983

AIR CONDITIONING/HEATER CONTROLS LIGHT



G045A



G045A



G045B



G045B



IGNITION SWITCH



H001A



H001A



H001A



H001B



ignition switch



5520A10


767It is not possible toorder a single lock barrel or to order barrels using only the partcode. When ordering barrels, observe the special procedure set outin operation 5580 - Special Accessories. 768769

5520A14



5520A16



STEERING COLUMN SWITCH UNIT



H005A



H005B



stalk unit



5550A10


768769

BODY COMPUTER



M001A



M001A



M001A



M001B



M001B



M001B



M001C



M001C



M001C



M001C



M001D



M001D



M001E



M001E



M001F



M001F



M001F



M001G



M001H



M001H



M001I



M001L



M001L



M001M



M001M



M001N



M001O



M001O



M001P



multi-function components



5505A13



5505A28


<anchor>0</anchor><span>Removing</span><icon><imageid>20</imageid></icon>1Refitting211. Disengage the fixing lugs (1a) and remove the cover (1b).2046919

5505A32


<anchor>0</anchor><span>Removing</span><icon><imageid>20</imageid></icon>1Refitting21Disconnect the battery negativeterminal.2753188-7040A37fuse box cover - r r1. Undo the retaining bolts.Disconnect the electrical connections.2. Remove the body computer.2046922

5505A90


768769

CLIMATE CONTROL SYSTEM CONTROL UNIT



M070A



M070B



air conditioner controls



5040D14


768769

5040D75


768769

5040D76


<anchor>0</anchor><span>Removing</span><icon><imageid>20</imageid></icon>1Refitting21Disconnect the battery negativeterminal.Disconnect the electrical connection.1. Undo the retaining bolts.2. Remove the air conditioner air distribution flap motor.2046903

5040D77


<anchor>0</anchor><span>Removing</span><icon><imageid>20</imageid></icon>1Refitting21Disconnect the battery negativeterminal.1. Release and remove the bottom right trim.2046905

5040D80



RADIO RECEIVER NODE



M094A



M094A



M094B



M094C



M094D



M094E



CIGARETTE LIGHTER/POWER SOCKET



P050



accessories and decorations



7065C30


<anchor>0</anchor><span>Removing</span><icon><imageid>20</imageid></icon>1Refitting211. Open the fixing bolt cover plugs.2. Undo the retaining bolts.3. Remove the grab handle.2047313

7065C31


<anchor>0</anchor><span>Removing</span><icon><imageid>20</imageid></icon>1Refitting211. Undo the retaining bolts.2. Remove the interior grab handle mounting.2047314

7065C34


<anchor>0</anchor><span>Removing</span><icon><imageid>20</imageid></icon>1Refitting211. Undo retaining bolts2. Release the sun visor and remove it.3. Undo retaining bolts4. Remove the mount.2047315

7065C68


<anchor>0</anchor><span>Removing</span><icon><imageid>20</imageid></icon>1Refitting211. Raise the mounting (1a) for the interior rear view mirror releasingit upwards from the retaining plate (1b) secured to the glass.2047316

7065C69


<anchor>0</anchor><span>Removing</span><icon><imageid>20</imageid></icon>1Refitting21The following procedure illustratesthe refitting of the plate for the rear view mirror on the glassbecause, if it is correctly secured, it cannot be removed.767Do not attempt to remove the platefor the rear view mirror from the glass because this could damagethe actual glass.

7065C73


<anchor>0</anchor><span>Removing</span><icon><imageid>20</imageid></icon>1Refitting21Disconnect the battery negativeterminal.2753327-7065C84front power point housing - r r1. Release the retaining (1a) from the housing (1b) and extractthe ring nut (1c).2. Extract the bulb holder with the bulb.3. Extract the bulb, which is a press fit, from the bulb holder.2047318

7065C84


<anchor>0</anchor><span>Removing</span><icon><imageid>20</imageid></icon>1Refitting21Disconnect the battery negativeterminal.1. Extract the current socket housing (1a) using the special tool(1b).767The tool should engage in therecesses (1c) of the current socket housing.2. Disconnect the electrical connection.Remove the current socket housing.2047319
Can't find your car? Check -> DiagnostData.com!