DescriptionThe door mirrors can be electrically adjusted in two directions using a joystick located on the centre console: a selection cursor makes it possible to select the left mirror or the right one.The button, which can be pressed in four directions, controls two electric motors located in each of the two mirrors: one motor rotates the mirror on a horizontal axis, while the other on a vertical axis.The circuit is protected by a fuse housed in the junction unit under the dashboard.
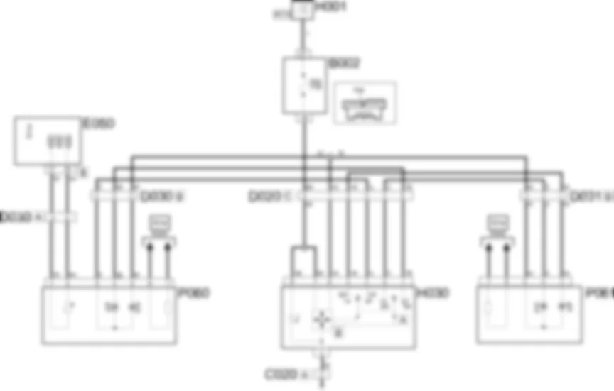
Functional description The mirror control unit H030 receives an ignition-operated supply at pins 7 and 8 from the line protected by fuse F49. When lever unit A is turned, the mirror control unit H030:in position 1: supplies the electric motors for the right door mirror P061;in position 2: supplies the electric motors for the left door mirror P060. The movement of the electric motors for the door mirrors is activated by means of an earth signal supplied by the joystick B (with reference to earth C020 connector B).767Earth C020 is fastened to the passenger compartment floor and is located near the right front wheel arch (footwell area).To move the door mirror reflector:along the vertical axis: the power supply is provided at pin 4 for the mirror selected;along the horizontal axis: the power supply is provided at pin 3 for the mirror selected;
0Removing201Refitting211. Remove the cable pass on the right side of the vehicle from itsseating and open the cover.2. Remove the adhesive tape (2a) present on the wiring (2b) andrelease the windscreen/rear window washer tubes (2c).Release the wiring from the cable pass.Following the same procedure, release thewiring from the cable pass on the left of the vehicle.2046933
5505C34
768769
5505C35
0Removing201Refitting211. Disconnect the aerial coaxial cable connections.2. Disconnect the electrical connections (2a), (2b), (2c), (2d),(2e) and (2f).2046939
0Removing201Refitting21Disconnect the battery negativeterminal.2753183-7040A23frame of instrument panel on facia - r r1. Undo the retaining bolts.Partially remove the instrument panel.2. Disconnect the electrical connection.3. Remove the instrument panel.2046983
767It is not possible toorder a single lock barrel or to order barrels using only the partcode. When ordering barrels, observe the special procedure set outin operation 5580 - Special Accessories. 768769
0Removing201Refitting21Disconnect the battery negativeterminal.Using a suitable tool, remove the reflectorand disconnect the electrical connections for the external rearviewmirror defroster.1. Remove the external rearview mirror reflector.2047043
7005R36
0Removing201Refitting21Disconnect the battery negativeterminal.2753078-7005R35door mirror reflector - r r1. Undo the retaining bolts.Remove the external rearview mirror adjustment motor.2. Remove the rear cover.3. Disconnect the electrical connection.4. Remove the external rearview mirror adjustment motor.2047044
7005R40
0Removing201Refitting211. Using a suitable tool, remove the surround from the power socketand external rearview mirror adjustment switch unit from its seatingon the tunnel traim. 2. Disconnect the electrical connection.3. Disengage the fixing lugs and remove the external rearview mirroradjustment switch unit.2047045