AUTOMOTIVE ELECTRICIANS

Fiat PANDA 1.3 JTD 16v – STARTING AND RECHARING – – WIRING DIAGRAM, LOCATION COMPONENTS, OPERATIONAL DESCRIPTION – WIRING DIAGRAM, LOCATION COMPONENTS, OPERATIONAL DESCRIPTION

Fiat PANDA 1.3 JTD 16v   – STARTING AND RECHARING –  – WIRING DIAGRAM, LOCATION COMPONENTS, OPERATIONAL DESCRIPTION – WIRING DIAGRAM, LOCATION COMPONENTS, OPERATIONAL DESCRIPTION
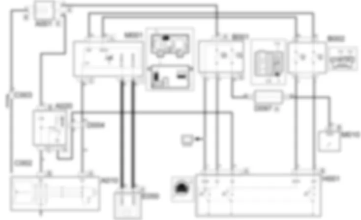
Wiring diagram

COMPONENTS
Component codeNameAssembly reference
A1Battery5530B
A10Alternator-
A10Alternator5530A
A10Alternator5530A
A20Starter' motor-
A20Starter' motor5520B
A20Starter' motor5520B
B1Engine compartment junction unit5505C
B1engine compartment junction unit5505C
B2Junction unit under dashboard5505C
C2Battery earth on engine-
C3Battery earth on bodyshell-
D4Front / engine coupling-
D4Front/engine connection-
D97Short circuiting coupling-
E50Instrument panel5560B
H1Ignition switch5520A
M1Body computer5505A
M10Engine management control unit-
M10Engine management control unit1056B
M10Engine management control unit1060G
Location of components

COMPONENTS
Component codeNameAssembly reference
A1Battery5530B
A10Alternator-
A10Alternator5530A
A10Alternator5530A
A20Starter' motor-
A20Starter' motor5520B
A20Starter' motor5520B
B1Engine compartment junction unit5505C
B1engine compartment junction unit5505C
B2Junction unit under dashboard5505C
C2Battery earth on engine-
C3Battery earth on bodyshell-
D4Front / engine coupling-
D4Front/engine connection-
D97Short circuiting coupling-
E50Instrument panel5560B
H1Ignition switch5520A
M1Body computer5505A
M10Engine management control unit-
M10Engine management control unit1056B
M10Engine management control unit1060G
DescriptionThe ignition and recharging circuit comprises the battery, starter motor and alternator.The starter motor consists of a direct current motor supplied by the battery and an excitation solenoid. When the ignition key is turned to the extreme position (START), the starter motor windings are supplied, producing electro-magnetic forces which rotate the motor pinion. At the same time, the solenoid is energized and operates the mechanism for engaging the pinion in the flywheel ring gear, thus turning over the engine. The alternator recharges the battery during normal engine rotation. The alternator shaft (rotor) is turned by the crankshaft by means of a belt. When supplied with an excitation current, the rotor sets up a magnetic field that induces an alternating current in the fixed coil (stator). A diode rectifying bridge located on the back of the alterator transforms the alternating current into a direct current, which is sent to recharge the battery.A voltage regulator, also built into the alternator, maintains a constant voltage supply (about 14V) throughout the load and engine speed ranges.The efficiency of the recharging system is controlled by the Body Computer, which measures the D+ signal coming from the alternator with the engine running (rpm over 700). If a fault is detected, the relevant warning light on the instrument panel is switched on. The Body Computer also acquires the battery voltage value in the 6-18V field.
Functional description The ignition switch H001 is supplied directly by the battery, by the line protected by the fuse F23, housed in the engine compartment junction unit B001. When the ignition key is turned to START, the direct battery supply is provided, from pin 3 connector A of H001, to the starter motor A020, pin 1 connector A. The direct current generated by the alternator A010 (pin B+ connector B) is sent to the battery A001, passing through the motor A020. When the alternator does not turn, and so does not recharge the battery, an earth signal is sent from pin D+ connector A of A010 to the body computer node M001 (pin 6 of connector C) which, via the CAN line, switches on the 'alternator fault' warning light on the instrument panel See E1050 CAN CONNECTION LINES .

BATTERY



A001A



A001B



A001C



A001C



A001C



A001D



A001D



A001E



A001F



battery and leads



5530B10


<anchor>0</anchor><span>Removing</span><icon><imageid>20</imageid></icon>1Refitting211. Move the positive battery terminal protective cover aside.2. Undo the fixing n uts (2a) and disconnect the battery's negativeterminal (2b) and positive terminal (2c).3. Undo the nut (3a) of the battery attachment belt (3b) and removeit.2046956

5530B52


<anchor>0</anchor><span>Removing</span><icon><imageid>20</imageid></icon>1Refitting212752965-5530B10battery - r+r2752967-5530B56BATTERY DRIP TRAY COVER - R.R.1. Disconnect the electrical connections for the engine managementcontrol unit. 2. Undo the fixing bolt (2a) and disconnect the earth lead (2b).2046957

5530B56


<anchor>0</anchor><span>Removing</span><icon><imageid>20</imageid></icon>1Refitting212752965-5530B10battery - r+r1. Remove the battery cage cover from its seating on the cage.2046959

ALTERNATOR



A010A



A010A



A010A



A010B



alternator and components



5530A10


<anchor>0</anchor><span>Removing</span><icon><imageid>20</imageid></icon>1Refitting212752486-1048A10air cleaner filtering element - replace2752945-5510C26rpm sensor - r+r2752826-4450B04right front wheel r r2752558-1092B60alternator drive belt - r + r1. Open the wiring protective cover.2. Undo the fixing nut (2a) and disconnect the alternator electricalwiring (2b). 3. Undo the bolts (3a) and remove alternator (3b).2046949

5530A14


<anchor>0</anchor><span>Removing</span><icon><imageid>20</imageid></icon>1Refitting212752486-1048A10air cleaner filtering element - replace2752826-4450B04right front wheel r r1. Undo the fixing nut (1a) and the fixing bolts (1b) and move thewheel arch liner (1c) aside.2046950

5530A40


<anchor>0</anchor><span>Removing</span><icon><imageid>20</imageid></icon>1Refitting21Remove the car from the ramps.Disconnect the battery negative terminal.2752826-4450B04right front wheel r r2752641-1092G11Engine components single drive BELT - R.R. for versionswith air conditioning2752962-5530A14alternator - r+r for versions with air conditioner1. Undo the bolts (1a) and remove the alternator mounting (1b).2064842

STARTER MOTOR



A020A



A020A



A020A



A020B



A020C



starter motor and components



5520B10


<anchor>0</anchor><span>Removing</span><icon><imageid>20</imageid></icon>1Refitting21Place the car on a lift.Disconnect the battery negative terminal.Raise the car.1. Open the protective cover.2. Undo the fixing nut (2a) and disconnect the starter motor electricalwiring (2b). 3. Undo the fixing bolts (3a) of the starter motor (3b) and removeit.2046948

5520B12



JUNCTION UNIT



B001A



B001D



B001D



B001D



B001D



B001D



B001D



B001D



vehicle compartment wiring



5505C26


768769

5505C27


<anchor>0</anchor><span>Removing</span><icon><imageid>20</imageid></icon>1Refitting211. Remove the cable pass on the right side of the vehicle from itsseating and open the cover.2. Remove the adhesive tape (2a) present on the wiring (2b) andrelease the windscreen/rear window washer tubes (2c).Release the wiring from the cable pass.Following the same procedure, release thewiring from the cable pass on the left of the vehicle.2046933

5505C34


768769

5505C35


<anchor>0</anchor><span>Removing</span><icon><imageid>20</imageid></icon>1Refitting211. Disconnect the aerial coaxial cable connections.2. Disconnect the electrical connections (2a), (2b), (2c), (2d),(2e) and (2f).2046939

JUNCTION UNIT UNDER DASHBOARD



B002



BATTERY EARTH ON ENGINE



C002



BATTERY EARTH ON BODYSHELL



C003



FRONT/ENGINE COUPLING



D004



D004



D004



D004



D004



D004



D004



D004



D004



D004



D004



SHORT CIRCUITING COUPLING



D097A



D097A



D097A



D097A



D097A



D097B



D097B



D097B



D097B



D097B



D097C



D097C



D097C



D097D



D097E



D097E



D097F



D097G



D097G



D097H



ENGINE CONTROL AND MANAGEMENT SYSTEMS



E5010



E5010



E5010



E5020



E5020



E5020



E5020



E5020



E5020



E5030



E5030



E5030



E5050



analogue control panel



5560B10


<anchor>0</anchor><span>Removing</span><icon><imageid>20</imageid></icon>1Refitting21Disconnect the battery negativeterminal.2753183-7040A23frame of instrument panel on facia - r r1. Undo the retaining bolts.Partially remove the instrument panel.2. Disconnect the electrical connection.3. Remove the instrument panel.2046983

IGNITION SWITCH



H001A



H001A



H001A



H001B



ignition switch



5520A10


767It is not possible toorder a single lock barrel or to order barrels using only the partcode. When ordering barrels, observe the special procedure set outin operation 5580 - Special Accessories. 768769

5520A14



5520A16



BODY COMPUTER



M001A



M001A



M001A



M001B



M001B



M001B



M001C



M001C



M001C



M001C



M001D



M001D



M001E



M001E



M001F



M001F



M001F



M001G



M001H



M001H



M001I



M001L



M001L



M001M



M001M



M001N



M001O



M001O



M001P



multi-function components



5505A13



5505A28


<anchor>0</anchor><span>Removing</span><icon><imageid>20</imageid></icon>1Refitting211. Disengage the fixing lugs (1a) and remove the cover (1b).2046919

5505A32


<anchor>0</anchor><span>Removing</span><icon><imageid>20</imageid></icon>1Refitting21Disconnect the battery negativeterminal.2753188-7040A37fuse box cover - r r1. Undo the retaining bolts.Disconnect the electrical connections.2. Remove the body computer.2046922

5505A90


768769

ENGINE MANAGEMENT ECU



M010A



M010A



M010A



M010B



M010B



M010B



M010B



M010B



M010B



M010B



M010B



M010C



M010C



M010C



multi-point injection system (mpi)



1056B14


<anchor>0</anchor><span>Removing</span><icon><imageid>20</imageid></icon>1Refitting21Disconnect the battery negative terminal.2752486-1048A10air cleaner filtering element - replace1. Release the accelerator cable (1b) working on the throttle valve(1a).2. Disconnect the accelerator cable from the mounting bracket.2046218

1056B50


<anchor>0</anchor><span>Removing</span><icon><imageid>20</imageid></icon>1Refitting21Disconnect the battery negative terminal.2752486-1048A10air cleaner filtering element - replace1. Open the fastening clips and release the wiring.2. Undo the fixing nuts (2a) and remove the wiring mounting bracket(2b).2046220

1056B54


<anchor>0</anchor><span>Removing</span><icon><imageid>20</imageid></icon>1Refitting21Disconnect the battery negative terminal.2752486-1048A10air cleaner filtering element - replace1. Disconnect the electrical connection for the air temperaturesensor.2. Undo the fixing bolt (2a) and remove the integrated air temperaturesensor (2b).2046222

1056B60


<anchor>0</anchor><span>Removing</span><icon><imageid>20</imageid></icon>1Refitting21Disconnect the battery negative terminal.2752486-1048A10air cleaner filtering element - replace1. Release the accelerator cable (1b), working on the throttle valve(1a).2. Disconnect the accelerator cable from the mounting bracket.2046223

1056B69


<anchor>0</anchor><span>Removing</span><icon><imageid>20</imageid></icon>1Refitting212752486-1048A10air cleaner filtering element - replace2752494-1056B60single fuel manifold pipe, with injectors - r + r1. Remove the safety clip.2. Remove the injector.Proceed in the same way for the remaininginjectors.2046227

1056B70



1056B82


<anchor>1</anchor><span>Refitting</span><icon><imageid>21</imageid></icon>0Removing20Fit the engine management control unitin place and tighten the fixing bolts. Connect the electrical connections forthe engine management control unit.Connect the earth lead and tighten thefixing bolt.Connect the battery negative terminal.

pressure pump electric control



1060G10


<anchor>0</anchor><span>Removing</span><icon><imageid>20</imageid></icon>1Refitting21Disconnect the battery negative terminal.1. Disconnect the electrical connection from the air flow meter. 2. Loosen the band and disconnect the the turbocharger air inletsleeve from the rigid pipe, air flow meter side.3. Undo the bolts (3a) and remove the air flow meter (3b).2064495

1060G14


<anchor>0</anchor><span>Removing</span><icon><imageid>20</imageid></icon>1Refitting21Remove the car from the ramps.1. Loosen the band and disconnect the lower radiator coolant outlethose from the radiator, engine oil heat exchanger end.767Collect the engine coolant ina suitable container.2064496

1060G16


<anchor>0</anchor><span>Removing</span><icon><imageid>20</imageid></icon>1Refitting21Disconnect the battery negative terminal.1. Disconnect the electrical connection from the air flow meter. 2. Loosen the band and disconnect the air inlet hose to the turbocharger.2064499

1060G20


<anchor>0</anchor><span>Removing</span><icon><imageid>20</imageid></icon>1Refitting21Disconnect the battery negative terminal.1. Disconnect the electrical connection for the rpm sensor.2. Undo the bolt (2a) and remove the engine rpm sensor (2b). 2064502

1060G22


<anchor>0</anchor><span>Removing</span><icon><imageid>20</imageid></icon>1Refitting21Remove the car from the ramps.Disconnect the battery negative terminal.1. Disconnect the electrical connection from the air flow meter. 2. Loosen the band and disconnect the the turbocharger air inletsleeve from the rigid pipe, air flow meter side.2064504

1060G28


<anchor>0</anchor><span>Removing</span><icon><imageid>20</imageid></icon>1Refitting21Disconnect the battery negative terminal.1. Disconnect the electrical connection from the air flow meter. 2. Loosen the band and disconnect the the turbocharger air inletsleeve from the rigid pipe, air flow meter side.2064507

1060G80


<anchor>0</anchor><span>Removing</span><icon><imageid>20</imageid></icon>1Refitting211. Undo the fixing nuts (1a), disconnect the electrical connections(1b) and remove the engine management control unit (1c).2064511

1060G90


<anchor>0</anchor><span>Removing</span><icon><imageid>20</imageid></icon>1Refitting21Remove the car from the ramps.2752965-5530B10battery - r+r2752966-5530B52Battery DRIP TRAY/SUPPORT - R.R.1. Disconnect the electrical connection from the air flow meter. 2. Loosen the band and disconnect the the turbocharger air inletsleeve from the rigid pipe, air flow meter side.2064512
Can't find your car? Check -> DiagnostData.com!