DescriptionThe control unit manages the automatic climate control system for air distribution and temperature inside the interior compartment, heating/coolign and distributing air into the interior compartment in order to achieve the desired comfort.The climate control system automatically adjusts the following parameters/functions:Air temperature at outlets;Air distribution to the vents;Fan speed (continuous variation);Compressor engagement;Recirculation.The following parameters/functions can be modified manually:Temperature; Distribution pattern over 5 seats;Fan speed;Compressor enabled; Demist/defrost function;Recirculation.Manual selections always take precedence over automatic selections and are stored until the user deliberately cancels the command, allowing the automatic device to take control over the relevant function.The manual setting of a function does not adversely affect the control of other functions set to automatic, in particular, the control of the temperature is always automatic when the system is running.The display of the climate control system functional state is shown through LED and DISPLAY.The 'MAX DEF' function, used for rapid demisting of the windows, is managed by a procedure activated by the relevant button.The operations activated by this procedure are:the DEFROST LED comes on;the LEDS/indications relating to the AUTO and recirculation functions are switched off;the DEFROST distribution LEDS come on, and the compressor engagement, open Recirculation and HEATED REAR WINDOW are enabled;the fully hot (HI) temperature is displayed;display of the fan;activation of the following controls on the climate control system.The duration of the procedure is set to 3 minutes from the time when the coolant temperature exceeds 50 degrees.
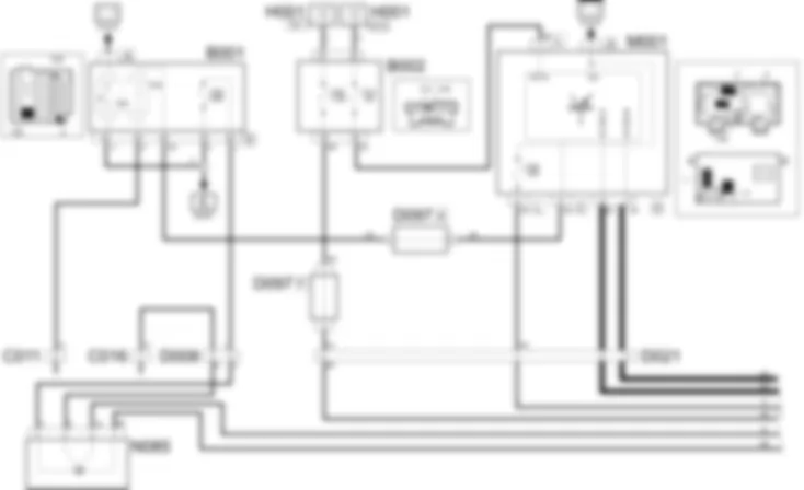
Functional description The climate control unit M070 receives an ignition-dependent supply at pin 2 of connector B along the line protected by the fuse F49, located in the junction unit under the dashboard B002, and a direct battery supply at pin 1 of connector B along the line protected by fuse F39 located in the body computer node M001. The body computer node M001, from pin 9 connector C, manages the operation of relay T08, which supplies the direct battery supply to the electric motor of the fan N085. The relay, excluded during engine starting, is always energised, as it is connected directly to earth C011 from pin 49 connector D of the engine compartment junction unit B001.The vehicle interior air fan N085, is connected to earth C016 at pin 3. The climate control unit M070 manages the various speeds of the fan N085 from pins 7, 8 connector B.The control unit also provides the supply and earth to all the actuators and sensors connected to it.From connector A, the climate control unit M070:from pins 5, 6 provides the supply and earth reference to the actuator for the external air / recirculation flap N082;from pins 9, 10, provides the supply and earth reference to the actuator for the air mixer flap N081;from pins 11, 12 provides the supply and earth reference to the actuator for the air distribution flap N080;at pin 2 provides the enablement to switch on the air mixer flap actuator N081 and the air distribution flap actuator N080;at pins 1, 7 receives signals from the air mixer flap actuator N081 and the air distribution flap actuator N080;from pin 8 sends the compressor engagement signal (see wiring diagram E6021) to the engine control unit M010.From connector B, the climate control unit M070:from pin 5 supplies the anti-frost sensor K086, the bottom mixed air temperature sensor K087 and the top mixed air temperature sensor K088;at pin 6 receives the signal supplied by the anti-frost sensor K086;at pin 11 receives the signal supplied by the bottom mixed air temperature sensor K087;at pin 12 receives the signal supplied by the top mixed air temperature sensor K088. From pins 9 and 10 of connector B, the climate control unit communicates via the CAN network with the body computer M001, supplying all the information concerning the status of the air conditioning system SeeE1050 CAN CONNECTION LINES . Via the CAN line, the climate control unit M070 obtains the external air temperature signal, supplied by the sensor mounted on the door mirror P060 (for further details see SeeE3032 DOOR MIRROR ADJUSTMENT ).
0Removing201Refitting211. Remove the cable pass on the right side of the vehicle from itsseating and open the cover.2. Remove the adhesive tape (2a) present on the wiring (2b) andrelease the windscreen/rear window washer tubes (2c).Release the wiring from the cable pass.Following the same procedure, release thewiring from the cable pass on the left of the vehicle.2046933
5505C34
768769
5505C35
0Removing201Refitting211. Disconnect the aerial coaxial cable connections.2. Disconnect the electrical connections (2a), (2b), (2c), (2d),(2e) and (2f).2046939
767It is not possible toorder a single lock barrel or to order barrels using only the partcode. When ordering barrels, observe the special procedure set outin operation 5580 - Special Accessories. 768769
0Removing201Refitting211. Release the air hose from the cold air intake. 2. Undo the fixing bolts (2a) and release the fastening clip (2b).3. Remove the air filter casing complete with hose.2064825
0Removing201Refitting211. Disconnect the electrical connection.2. Release and remove the lower mixed air temperature sensor.2046818
5010D19
0Removing201Refitting21Disconnect the battery negativeterminal.2753185-7040A28TRIM on gearbox control panel - R.R.1. Disconnect the electrical connection.2. Release and remove the lower mixed air temperature sensor.2046819
0Removing201Refitting211. Disengage the fixing lugs (1a) and remove the cover (1b).2046919
5505A32
0Removing201Refitting21Disconnect the battery negativeterminal.2753188-7040A37fuse box cover - r r1. Undo the retaining bolts.Disconnect the electrical connections.2. Remove the body computer.2046922
0Removing201Refitting21Disconnect the battery negative terminal.2752486-1048A10air cleaner filtering element - replace1. Release the accelerator cable (1b) working on the throttle valve(1a).2. Disconnect the accelerator cable from the mounting bracket.2046218
1056B50
0Removing201Refitting21Disconnect the battery negative terminal.2752486-1048A10air cleaner filtering element - replace1. Open the fastening clips and release the wiring.2. Undo the fixing nuts (2a) and remove the wiring mounting bracket(2b).2046220
1056B54
0Removing201Refitting21Disconnect the battery negative terminal.2752486-1048A10air cleaner filtering element - replace1. Disconnect the electrical connection for the air temperaturesensor.2. Undo the fixing bolt (2a) and remove the integrated air temperaturesensor (2b).2046222
1056B60
0Removing201Refitting21Disconnect the battery negative terminal.2752486-1048A10air cleaner filtering element - replace1. Release the accelerator cable (1b), working on the throttle valve(1a).2. Disconnect the accelerator cable from the mounting bracket.2046223
1Refitting210Removing20Fit the engine management control unitin place and tighten the fixing bolts. Connect the electrical connections forthe engine management control unit.Connect the earth lead and tighten thefixing bolt.Connect the battery negative terminal.
pressure pump electric control
1060G10
0Removing201Refitting21Disconnect the battery negative terminal.1. Disconnect the electrical connection from the air flow meter. 2. Loosen the band and disconnect the the turbocharger air inletsleeve from the rigid pipe, air flow meter side.3. Undo the bolts (3a) and remove the air flow meter (3b).2064495
1060G14
0Removing201Refitting21Remove the car from the ramps.1. Loosen the band and disconnect the lower radiator coolant outlethose from the radiator, engine oil heat exchanger end.767Collect the engine coolant ina suitable container.2064496
1060G16
0Removing201Refitting21Disconnect the battery negative terminal.1. Disconnect the electrical connection from the air flow meter. 2. Loosen the band and disconnect the air inlet hose to the turbocharger.2064499
1060G20
0Removing201Refitting21Disconnect the battery negative terminal.1. Disconnect the electrical connection for the rpm sensor.2. Undo the bolt (2a) and remove the engine rpm sensor (2b). 2064502
1060G22
0Removing201Refitting21Remove the car from the ramps.Disconnect the battery negative terminal.1. Disconnect the electrical connection from the air flow meter. 2. Loosen the band and disconnect the the turbocharger air inletsleeve from the rigid pipe, air flow meter side.2064504
1060G28
0Removing201Refitting21Disconnect the battery negative terminal.1. Disconnect the electrical connection from the air flow meter. 2. Loosen the band and disconnect the the turbocharger air inletsleeve from the rigid pipe, air flow meter side.2064507
1060G80
0Removing201Refitting211. Undo the fixing nuts (1a), disconnect the electrical connections(1b) and remove the engine management control unit (1c).2064511
1060G90
0Removing201Refitting21Remove the car from the ramps.2752965-5530B10battery - r+r2752966-5530B52Battery DRIP TRAY/SUPPORT - R.R.1. Disconnect the electrical connection from the air flow meter. 2. Loosen the band and disconnect the the turbocharger air inletsleeve from the rigid pipe, air flow meter side.2064512
0Removing201Refitting21Disconnect the battery negativeterminal.Disconnect the electrical connection.1. Undo the retaining bolts.2. Remove the air conditioner air distribution flap motor.2046903
5040D77
0Removing201Refitting21Disconnect the battery negativeterminal.1. Release and remove the bottom right trim.2046905