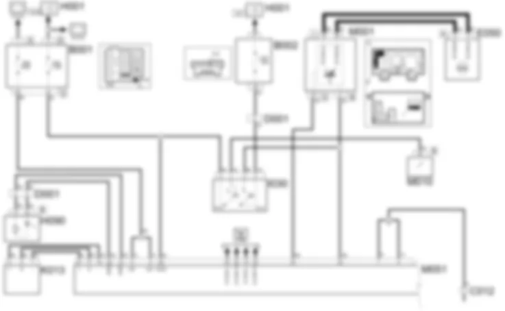
The braking system control unit M051:at pin 2, 3 receives a direct battery power supply from the line protected by fuse F04;at pin 28 receives an ignition-operated supply from the line protected by fuse F42;from pin 26, 9, 6, 8 supplies wheel sensors K070, K071, K075 and K076 respectively;from pin 5, 10, 27, 29 receives the signals coming from wheel sensors K070, K071, K075 and K076 respectively;from pin 21, 19 supplies the longitudinal acceleration sensor K013;at pin 17 receives the signals supplied by the longitudinal acceleration sensor K013;interfaces from pins 15, 16, 18, 20, 37 with the slewing sensor K074;at pin 30 receives the positive signal (with reference to the power supply protected by fuse F37) from the brake pedal switch (030; at pin 33 sends the milometer signal to the body computer node M001 (pin 18 connector D). The same signal is sent via the C CAn to the engine management control unit M010 and to the electric steering control unit M086.Switch I030 comprises two internal switches, one normally open (N.A.) type and one normally closed (N.C.) type.In the rest position (brake pedal not pressed) the switch provides a positive signal from pin 1; this signal is taken by the engine management control unit M010 (pin 68 connector B).When the brake pedal is pressed the switch I030 switches sending the positive signal from pin 1 to pin 2 (with reference to the power supply protected by fuse F37); this signal is sent to the braking system control unit (pin 30), to the body computer node M001 (pin 5 connector B), to the Selespeed gearbox control unit M054 (pin 69 connector B).The ASR function can be switched on using the special switch in the switch control unit H090 (pin 18 connector B) and its deactivation is indicated by an LED coming on.The body computer node M001 converses, via the B CAN, with the instrument panel E050 to switch on the warning light if there is a system malfunction.