AUTOMOTIVE ELECTRICIANS

Fiat PANDA 1.3 JTD 16v – SIDE LIGHTS / NO. PLATE LIGHTS – – SUV – WIRING DIAGRAM, LOCATION COMPONENTS, OPERATIONAL DESCRIPTION – WIRING DIAGRAM, LOCATION COMPONENTS, OPERATIONAL DESCRIPTION

Fiat PANDA 1.3 JTD 16v   – SIDE LIGHTS / NO. PLATE LIGHTS –  – SUV – WIRING DIAGRAM, LOCATION COMPONENTS, OPERATIONAL DESCRIPTION – WIRING DIAGRAM, LOCATION COMPONENTS, OPERATIONAL DESCRIPTION

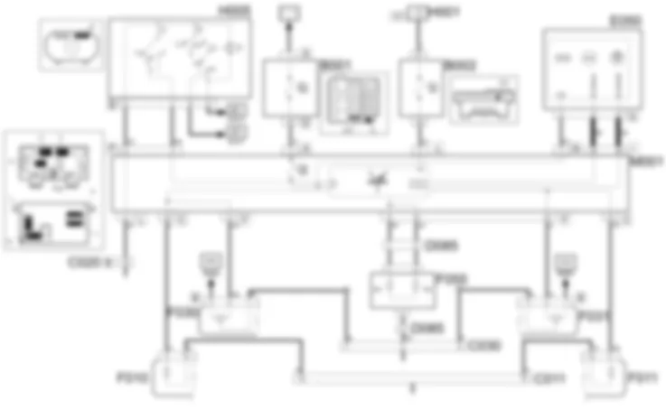
Wiring diagram - SIDE LIGHTS / NO. PLATE LIGHTS - Fiat PANDA 1.3 JTD 16v





COMPONENTS - SIDE LIGHTS / NO. PLATE LIGHTS - Fiat PANDA 1.3 JTD 16v



Component location - SIDE LIGHTS / NO. PLATE LIGHTS - Fiat PANDA 1.3 JTD 16v





COMPONENTS - SIDE LIGHTS / NO. PLATE LIGHTS - Fiat PANDA 1.3 JTD 16v



Description - SIDE LIGHTS / NO. PLATE LIGHTS - Fiat PANDA 1.3 JTD 16v


When the ring-nut on the left stalk unit is turned to the first click, the following come on:side lights;numberplate lightsinstrument lightsonly with the ignition key in the ON position.The body computer node:manages the activation of individual lights housed in the front light and tail-light clusters that perform the side light function;manages number plate light activation;monitors the correct operation of the system, signalling any fault by turning on the appropriate light failure warning light in the instrument panel.The following conditions are required for parking light activation:side light deactivation;ignition key turned to the OFF position;side lights on.At the next key-on (ignition key ON), the side lights come on when a parking light control is given.The "Follow me home" function allows the dipped headlamps and the side lights to remain on even after the engine has been switched off for a period of 30 seconds or multiples thereof under the following conditions:ignition key OFF;when the light flasher stalk is operated within 2 minutes of turning the ignition key OFF (30 sec increments for operation up to a maximum of 210 seconds)Function programming is cancelled by keeping the light flasher stalk operated for longer than 2 seconds.The instrument panel displays the function activation time.For more details, see the relevant part of the DESCRIPTION AND OPERATION section.

Operational description - SIDE LIGHTS / NO. PLATE LIGHTS - Fiat PANDA 1.3 JTD 16v


The side light/number plate light activation command is issued by the steering wheel stalk unit H005 , turning stalk unit A to position 1.The body computer node M001:receives a negative signal ( with reference to earth C020 connector B) at pin 7 connector L.767Earth C020 is secured to the passenger compartment floor and is positioned near the right front wheel arch (footwell area).Once the signal has been received, the side lights are turned on:power is sent from pins 14 and 15 of connector C to the side lights housed in front light clusters F010 and F011 ;power is sent from pins 11 and 12 of connector F to the side lights housed in tail-lights F030 A and F031 A ;power is sent from pins 5 and 14 connector F to the number plate lights housed in light clusters F055 ;Tail-lights F030 A and F031 A and number plate light assembly F055 refer to earth C030, secured to the left rear wheel arch (passenger compartment interior).The body computer node monitors the correct operation of the lights system signalling any failure by switching on the "lighting failure" warning light in the instrument panel E050 in the following circumstances:open load;short circuit to earth;short circuit to + battery.The command for activation of the "follow me home'' function is issued by stalk unit H005 , via key D (light flasher).The function is deactivated by pressing lever assembly D (light flasher) for longer than two seconds.The body computer node communicates from pins 35, 36 of connector I via the CAN network with instrument panel E050 (for more details,see wiring diagram E1050), to turn on the "lighting system failure" warning light. The instrument panel also indicates the "follow me home" function activation time via an LCD display.
Can't find your car? Check -> DiagnostData.com!