Schema elettrico - CODE - Fiat DOBLO 1.9 JTD 8V Da 10/2000
COMPONENTI - CODE - Fiat DOBLO 1.9 JTD 8V Da 10/2000
| Codice componente | Denominazione | Riferimento al complessivo |
| B1 | Centralina di derivazione vano motore | - |
| B1 | Centralina di derivazione vano motore | |
| B1 | Centralina di derivazione vano motore | |
| B2 | Centralina di derivazione sotto plancia | |
| C15 | Massa plancia lato guida | - |
| D4 | Giunzione anteriore/motore | - |
| D4 | Giunzione anteriore/motore | |
| E50 | Quadro strumenti | |
| E50 | quadro strumenti | - |
| M1 | Body computer | |
| M10 | Centralina controllo motore | |
| P91 | Antenna per dispositivo Fiat-CODE |
Localizzazione componenti - CODE - Fiat DOBLO 1.9 JTD 8V Da 10/2000
COMPONENTI - CODE - Fiat DOBLO 1.9 JTD 8V Da 10/2000
| Codice componente | Denominazione | Riferimento al complessivo |
| B1 | Centralina di derivazione vano motore | - |
| B1 | Centralina di derivazione vano motore | |
| B1 | Centralina di derivazione vano motore | |
| B2 | Centralina di derivazione sotto plancia | |
| C15 | Massa plancia lato guida | - |
| D4 | Giunzione anteriore/motore | - |
| D4 | Giunzione anteriore/motore | |
| E50 | Quadro strumenti | |
| E50 | quadro strumenti | - |
| M1 | Body computer | |
| M10 | Centralina controllo motore | |
| P91 | Antenna per dispositivo Fiat-CODE |
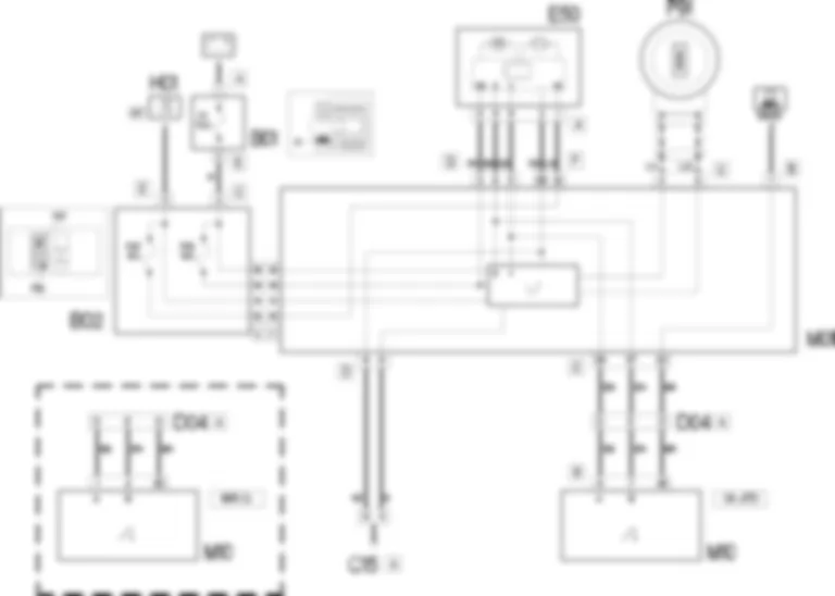
Descrizione - CODE - Fiat DOBLO 1.9 JTD 8V Da 10/2000
Per aumentare la protezione contro i tentativi di furto, viene adottato un sistema elettronico di blocco motore, denominato "FIAT CODE-2".Le chiavi sono dotate di un dispositivo elettronico "Transponder" che trasmette un segnale in codice ad una apposita centralina elettronica "CODE". Se questa riconosce il codice inviato, consente la messa in moto del motore.Il codice utilizzato nel colloquio, che avviene tramite antenna, varia ad ogni avviamento ("rolling code") : pertanto, anche con scanner elettronici, il codice non puo essere riprodotto.Il body computer ha la funzione di riconoscere la chiave inserita nel commutatore di accensione: il computer contiene infatti il codice segreto utilizzato nel colloquio, con il Transponder della chiave.All''interno del computer sono infatti memorizzati tutti i codici delle chiavi abilitate ed il codice utilizzato nel colloquio tra il body computer e centralina di gestione motore: quando si gira la chiave su MAR la prima volta, se la chiave e correttamente riconosciuta, tale codice viene trasferito sulla centralina di gestione motore, che resta cosi indelebilmente legata al body computer.Il sistema Code ha le linee di alimentazione della centralina protette dal maxifuse che protegge anche il sistema di gestione motore, dai fusibili di alimentazione del body computer e del quadro di bordo collocati nella centralina di derivazione sotto plancia.
Descrizione funzionale - CODE - Fiat DOBLO 1.9 JTD 8V Da 10/2000
Il body computer M01 e alimentato sia "sotto chiave'' che direttamente rispettivamente ai pin 11 del connettore E (INT) ed al pin A del connettore C della centralina di derivazione sotto plancia B02 .Per l''alimentazione diretta esiste un fusibile di protezione F1 situato nella centralina di derivazione vano motore B01 .Queste linee alimentano anche il quadro di bordo sdoppiandosi all''interno della centralina di derivazione sotto plancia B02 (MAXIFUSE). Tali linee sono protette dai rispettivi fusibili F37 e F53 .I pin 8 e 9 del connettore D del body computer M01 sono collegati a massa. Questo segnale di riferimento viene anche fornito al quadro tramite il pin 36 connettore F del body computer.I pin 4 e 5 del connettore C del body computer M01 si collegano tramite due cavi all''antenna P91 posta coassialmente sul commutatore di accensione, in modo da ricevere il segnale di inserimento della chiave dotata di trasponder.Il body computer M01 comunica con la centralina gestione motore M10 tramite i pin 36 e 37 (linea CAN) connettore C del body computer e i pin 6 e 7 del connettore B della centralina gestione motore (per la versione 1910 D, pin 1 e 2). Attraverso questa linea avviene il riconoscimento della chiave e lo scambio dei codici.La centralina controllo motore M10 invia un segnale (linea K) di diagnosi dal pin 48 connettore B (per la versione 1910 D, pin 33) al pin 20 connettore C del body computer.La linea diagnostica si collega al pin 7 connettore B del body computer M01.Il sistema di autodiagnosi genera anche un segnale utile per la visualizzazione delle spie "EOBD e avaria sistema controllo motore" e "Avaria sistema protezione veicolo", collocate nello strumento E50 in ingresso ai pin 8 e 9 connettore A.




































































