AUTOMOTIVE ELECTRICIANS

Fiat GRANDE PUNTO 1.2 8v – PARKING SENSOR – – WIRING DIAGRAM, LOCATION COMPONENTS, OPERATIONAL DESCRIPTION – WIRING DIAGRAM, LOCATION COMPONENTS, OPERATIONAL DESCRIPTION

Fiat GRANDE PUNTO 1.2 8v   – PARKING SENSOR –  – WIRING DIAGRAM, LOCATION COMPONENTS, OPERATIONAL DESCRIPTION – WIRING DIAGRAM, LOCATION COMPONENTS, OPERATIONAL DESCRIPTION

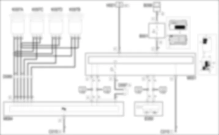
WIRING DIAGRAM - PARKING SENSOR - Fiat GRANDE PUNTO 1.2 8v





COMPONENTS - PARKING SENSOR - Fiat GRANDE PUNTO 1.2 8v



Component codeDescriptionReference to the operation
B001JUNCTION UNIT
B099MAXI FUSE BOX ON BATTERY
C015DASHBOARD EARTH, DRIVER'S SIDE-
D089PARKING SENSOR COUPLING-
D097SHORT CIRCUITING COUPLING-
E050INSTRUMENT PANEL
H001IGNITION SWITCH
K097PARKING SENSORS
M001BODY COMPUTER
M084PARKING SENSOR CONTROL UNIT

COMPONENT LOCATION - PARKING SENSOR - Fiat GRANDE PUNTO 1.2 8v





Component codeDescriptionReference to the operation
B001JUNCTION UNIT
B099MAXI FUSE BOX ON BATTERY
C015DASHBOARD EARTH, DRIVER'S SIDE-
D089PARKING SENSOR COUPLING-
D097SHORT CIRCUITING COUPLING-
E050INSTRUMENT PANEL
H001IGNITION SWITCH
K097PARKING SENSORS
M001BODY COMPUTER
M084PARKING SENSOR CONTROL UNIT

DESCRIPTION - PARKING SENSOR - Fiat GRANDE PUNTO 1.2 8v


The parking assistance system provides the driver with information, whilst reversing, on the distance from any objects behind the vehicle which could be out of their range of view.The information of the presence/distance of an obstacle is transmitted to the driver by means of acoustic warnings whose frequency depends on the distance of the vehicle from the obstacle.An electronic control unit activates and controls the operation of the sensors located in the rear bumper, processes the signals received and operates the buzzer in the instrument panel.The system is activated with reverse gear engaged: in these conditions, the control unit energizes the transducers and sends them a signal request, receiving the response signals.The reversing light activation signal is acquired by the engine control unit and sent via the CAN network to the Body Computer that forwards it via the CAN network to the parking sensor control unit.The sensors use ultrasound technology and act as intelligent transmitters/receivers with triangulation technology: allowing improved detection in critical situations or in the presence of small obstacles. The impulses emitted are reflected by any obstacles; the transducer receives an echo which is converted into a digital signal and sent to the electronic control unit.The signalling of the distance of the obstacle is achieved through intermittent impulse sound signals: the frequency of this signal increases gradually as the bumper approaches an obstacle: when the distance calculated goes below 30 cm, the sound becomes high pitched and constant; the acoustic signal stops when the distance of the obstacle increases.767The distance measurement only takes place when the system is activated, whilst only the control unit is operational in the inactive state.The control unit is equipped with an autodiagnostic function: when switched on the control unit carries out an initial test on the sensors which are then continuously subject to fault diagnosis during the operation of the system. A fault in only one sensor inhibits the operation of the entire system: in this case the system excludes itself and sends a fault message, the failure status is signalled to the instrument panel which lights up the special warning light and sends a suitable acoustic signal.The system is supplied by an ignition-operated circuit protected by a specific fuse in the junction unit under the dashboard.

FUNCTIONAL DESCRIPTION - PARKING SENSOR - Fiat GRANDE PUNTO 1.2 8v


The parking sensor control unit M84 receives a supply at pin 1 of connector A from the ignition-controlled INT line protected by fuse F61 of Body Computer M1; pin 8 of connector A is earthed.Body Computer M1 - connector G - is supplied directly from the battery via a line protected by maxifuse F2 of engine compartment control unit B1; its ignition-controlled supply (INT) is received at pin 2 of connector D; pin 10 of connector H or M1 supplies the Body Computer with a reference earth.The control unit is connected, via pins 7 and 4 of connector A and the CAN, to all the other nodes in the same network, for example receiving the information that reverse gear is engaged.The commands for the display are sent to the instrument panel via the CAN.The four front parking sensors K97 are connected to connector B of the control unit M84: pin 1 provides the reference earth, pin 2 the power supply, pins 5, 4, 3 and 2 are connected to sensors K97A, K97B, K97C and K97D, respectively.

JUNCTION UNIT



B001A



B001A



B001A



B001A



B001B



B001B



B001C



B001C



B001C



B001C



B001C



B001X



MAXI FUSE BOX ON BATTERY



B099A



B099A



B099B



B099D



B099D



B099E



B099F



DASHBOARD EARTH, DRIVER'S SIDE



C015A



C015B



C015C



PARKING SENSOR COUPLING



D089



D089



SHORT CIRCUITING COUPLING



D097A



INSTRUMENT PANEL



E050



IGNITION SWITCH



H001



PARKING SENSORS



K097A



K097B



K097C



K097D



BODY COMPUTER



M001A



M001C



M001D



M001E



M001G



M001H



M001H



M001H



M001K



PARKING SENSOR CONTROL UNIT



M084A



M084B


Can't find your car? Check -> DiagnostData.com!