Componenti - INSERIMENTO COMPRESSORE - Fiat DOBLO 1.9 JTD 8V Da 10/2000
| Codice componente | Denominazione | Riferimento al complessivo |
| B001 | CENTRALINA DI DERIVAZIONE | |
| C10 | MASSA ANTERIORE SINISTRA | |
| D004 | GIUNZIONE ANTERIORE/MOTORE | |
| K10 | PRESSOSTATO A QUATTRO LIVELLI | |
| L20 | ELETTROMAGNETE INSERIMENTO COMPRESSORE CONDIZIONATORE | |
| M010 | CENTRALINA CONTROLLO MOTORE |
| Codice componente | Denominazione | Riferimento al complessivo |
| B001 | CENTRALINA DI DERIVAZIONE | |
| C10 | MASSA ANTERIORE SINISTRA | |
| D004 | GIUNZIONE ANTERIORE/MOTORE | |
| K10 | PRESSOSTATO A QUATTRO LIVELLI | |
| L20 | ELETTROMAGNETE INSERIMENTO COMPRESSORE CONDIZIONATORE | |
| M010 | CENTRALINA CONTROLLO MOTORE |
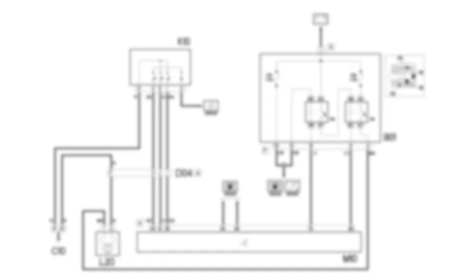
Il pulsante d’inserimento compressore e integrato all’interno della manopola che seleziona la velocita della ventola.Il pulsante suddetto abilita il funzionamento del circuito di refrigerazione dell''aria; ma l''effettivo inserimento del compressore dipende anche dall''intervento:- del pressostato a 4 livelli, collocato sul circuito del fluido refrigerante, che blocca l''inserimento del condizionatore se la pressione del fluido refrigerante e troppo bassa oppure troppo alta;- della centralina di controllo del motore che, a seconda della logica di gestione del motore, esclude il funzionamento del compressore per esempio in caso di elevate temperature del motore, oppure nel caso di elevato carico motore (brusche accelerazioni).Inoltre e necessario il consenso della manopola regolazione elettroventilatore interno vettura (almeno in posizione 1) e del termostato antibrina.ll circuito di alimentazione del compressore e comandato da uno specifico teleruttore, collocato nel vano motore nella centralina di derivazione; la linea di alimentazione del teleruttore e protetta da un apposito fusibile.
Il circuito di inserimento del compressore e controllato dal teleruttore R5 contenuto nella centralina di derivazione vano motore B01. Questo e alimentato dalla linea diretta dalla batteria entrante nel pin 1 connettore A della centralina e protetto dal fusibile F19.La bobina del teleruttore R5 e alimentata dal segnale proveniente dal teleruttore R9 che a sua volta riceve l’alimentazione diretta dalla batteria dal pin 1 connettore A.I teleruttori R9 e R5 sono eccitati da un segnale di massa proveniente dalla centralina di gestione motore M10 rispettivamente dai pin 72 e 29 del connettore A.In tal modo la centralina M10 comanda attraverso il teleruttore R5 l’inserimento del compressore condizionatore L20.La centralina motore M10 connettore A riceve i segnali dal pressostato a 4 livelli K10 per l’inserimento dell’elettroventola radiatore:- il funzionamento alla prima velocita dal pin 58;- il funzionamento alla seconda velocita dal pin 81;- l’inserimento condizionatore dal pin 54.












































