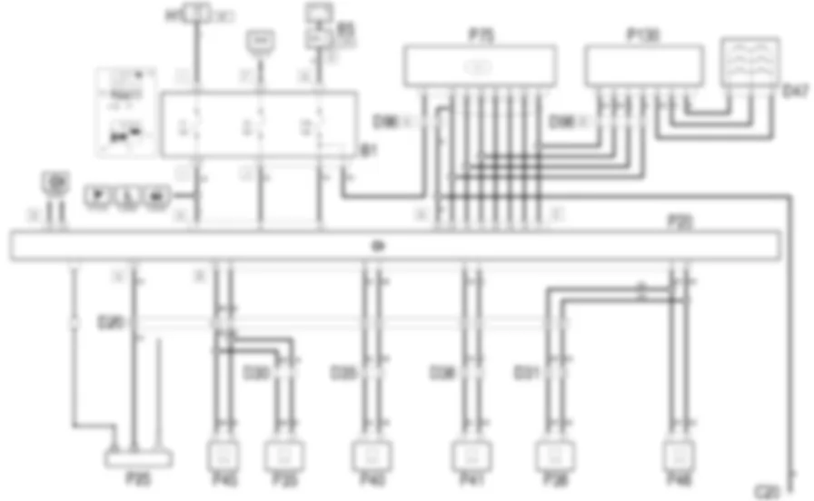
| Codice componente | Denominazione | Riferimento al complessivo | ||||||||||||||
| B1 | Centralina di derivazione | B5 | Scatola MAXI FUSE | B26 | Fus. alim. sotto chiave escluso avviam. (INT/A) | - | ||||||||||
| C20 | Massa plancia lato passeggero | - | ||||||||||||||
| D20 | Giunzione plancia/posteriore | - | ||||||||||||||
| D30 | Giunzione porta ant. sinistra | - | ||||||||||||||
| D31 | Giunzione porta ant. destra | - | ||||||||||||||
| D35 | Giunzione porta posteriore sinistra | - | ||||||||||||||
| D36 | Giunzione porta posteriore destra | - | ||||||||||||||
| D47 | Cavo spiralato su volante | D75 | Giunzione radiotelefono | - | ||||||||||||
| D96 | Giunzione intermedia cavo cambia CD | - | ||||||||||||||
| H1 | Commutatore di accensione | P130 | Interfaccia per comandi radio su volante | - | ||||||||||||
| P20 | Autoradio | - | ||||||||||||||
| P20 | Autoradio | P25 | Alimentatore antenna | - | ||||||||||||
| P25 | Alimentatore antenna | P26 | Microfono "vivavoce" | - | ||||||||||||
| P26 | Microfono "vivavoce" | - | ||||||||||||||
| P35 | Altoparlante su porta ant. sinistra | P36 | Altoparlante su porta ant. destra | P40 | Altoparlante su porta posteriore sinistra | P41 | Altopalante su porta posteriore destra | P41 | Altopalante su porta posteriore destra | P45 | Altoparlante Tweeter sinistro | P46 | Altoparlante Tweeter destro | P75 | Lettore cambia CD | - |
| P75 | Lettore cambia CD | - |
| Codice componente | Denominazione | Riferimento al complessivo | ||||||||||||||
| B1 | Centralina di derivazione | B5 | Scatola MAXI FUSE | B26 | Fus. alim. sotto chiave escluso avviam. (INT/A) | - | ||||||||||
| C20 | Massa plancia lato passeggero | - | ||||||||||||||
| D20 | Giunzione plancia/posteriore | - | ||||||||||||||
| D30 | Giunzione porta ant. sinistra | - | ||||||||||||||
| D31 | Giunzione porta ant. destra | - | ||||||||||||||
| D35 | Giunzione porta posteriore sinistra | - | ||||||||||||||
| D36 | Giunzione porta posteriore destra | - | ||||||||||||||
| D47 | Cavo spiralato su volante | D75 | Giunzione radiotelefono | - | ||||||||||||
| D96 | Giunzione intermedia cavo cambia CD | - | ||||||||||||||
| H1 | Commutatore di accensione | P130 | Interfaccia per comandi radio su volante | - | ||||||||||||
| P20 | Autoradio | - | ||||||||||||||
| P20 | Autoradio | P25 | Alimentatore antenna | - | ||||||||||||
| P25 | Alimentatore antenna | P26 | Microfono "vivavoce" | - | ||||||||||||
| P26 | Microfono "vivavoce" | - | ||||||||||||||
| P35 | Altoparlante su porta ant. sinistra | P36 | Altoparlante su porta ant. destra | P40 | Altoparlante su porta posteriore sinistra | P41 | Altopalante su porta posteriore destra | P41 | Altopalante su porta posteriore destra | P45 | Altoparlante Tweeter sinistro | P46 | Altoparlante Tweeter destro | P75 | Lettore cambia CD | - |
| P75 | Lettore cambia CD | - |
E4091E4090E4090E4091E2010








































