AUTOMOTIVE ELECTRICIANS

Все схемы для электропроводки Mercedes-Benz E420 1997

Автомтическая коробка Передач (АКПП) Полная привод (4WD) Блокировка Дифференциала

Электросхема автоматической коробки передач АКПП для Mercedes-Benz E420 1997

Электросхема автоматической коробки передач АКПП для Mercedes-Benz E420 1997

Электросхема автоматической коробки передач АКПП для Mercedes-Benz E420 1997 - Список элементов:

  • (e320 only)
  • (left rear of engine compt) data link connector
  • 1-2/ 4-5 valve
  • 1-2/4-5 vlv
  • 2-3 shift valve
  • 2-3 vlv
  • 3-4 shift valve
  • 3-4 vlv
  • A out
  • Acc
  • Anti-lock brakes system
  • B out
  • C out
  • Can (+)
  • Can (-)
  • Computer data lines system
  • D out
  • Data a
  • Data b
  • Data c
  • Data d
  • Data line
  • Ets/ asr relay
  • Exterior lights system
  • Front fuse/ relay box (left rear of engine compt)
  • Fuse 15a
  • G203 (right footwell)
  • G203 (right kick panel)
  • Ground
  • Hot at all times
  • Hot in run or start
  • Ifi control module (e300)
  • Ignition switch
  • Illum
  • Interior lights system
  • Kickdown sw
  • Kickdown switch (under accelerator pedal)
  • Lock up valve
  • Modul- ator valve
  • Modulator vlv
  • Off
  • Pnk/red
  • Power
  • Pulse module (left rear of engine compt)
  • Pwm vlv
  • Pwr
  • R/p lock sol
  • R/p lock solenoid (on gear shift selector assembly)
  • Red
  • Relay module
  • Rpm 2
  • Rpm 3
  • Rpm sensor
  • Run
  • Sensor ground
  • Sensor v+
  • Shift valve
  • Shift vlv
  • Start
  • Start interlock switch
  • Starting/ charging system
  • Stop input
  • Strtr lock-out
  • Temp sensor
  • Temp/start
  • Terminal block (x12/5) (left front door sill)
  • Terminal block (x4) (left footwell)
  • Tr out
  • Tr recogn sw
  • Transmission control module (right rear of engine compt)
  • Transmission range recognition switch (on gear shift selector assembly)
  • Valve unit (electronic transmission control)

БАГАЖНИК ЗАДНЯЯ ДВЕРЬ ЛЮЧОК ТОПЛИВНОГО БАКА

Электросхема открывания багажника для Mercedes-Benz E420 1997

Электросхема открывания багажника для Mercedes-Benz E420 1997 - Список элементов:

  • (information not available)
  • Combination control module
  • Fuse 15a
  • G300 (left front seat crossmember)
  • Hot at all times
  • Interior lights system
  • Pneumatic system equipment control module
  • Rear fuse box
  • Remote trunk release control valve
  • Remote trunk release switch

БЛОК ПРЕДОХРАНИТЕЛЕЙ И РЕЛЕ

Электросхема блока предохранителей и реле для Mercedes-Benz E420 1997

Электросхема блока предохранителей и реле для Mercedes-Benz E420 1997 - Список элементов:

  • (not used)
  • 15c
  • 15r
  • 15x
  • A/c push- button control module
  • Acc
  • Automatic dimming inside rear view mirror, heated windshield washer thermoswitch, driver's heated power mirror, passenger's heated outside mirror, rcl receiver
  • Battery
  • Cargo area connector
  • Center console switch group, combination control module, tailgate closing assist
  • Cigarette lighter
  • Cockpit switch group
  • Combination control module
  • Combination control module, front dome lamp, left front door lamp, right front door lamp, left rear door lamp, right rear door lamp
  • Combination switch, glove compartment lamp
  • Ctel transmitter- receiver, ctel charging unit
  • Data link connector, diagnostic module (obd ii), remote central locking control module steering angle sensor
  • Data link connector, kickdown cut-out relay module, illumination control module, r/p lock solenoid
  • Front heated seat control module
  • Fuse 10a
  • Fuse 15a
  • Fuse 20a
  • Fuse 25a
  • Fuse 30a
  • Fuse 40a
  • Fuse 7.5a
  • Fuse and relay box
  • G202 (behind instrument cluster)
  • Garage door opener control module
  • Generator, starter, preglow output, asr/sps control module, esp/sps control module, a/c system blower unit, electronic ignition lock control module
  • Ignition coils
  • Ignition switch
  • Illumination control module
  • Instrument cluster
  • Instrument cluster, a/c pushbutton control module
  • Instrument cluster, front dome lamp, radio, airbag sensors
  • Instrument cluster, windshield washer pump switchover relay module
  • Interior lights system
  • Key-in ignition switch
  • Left front electronic seat adjustment control module
  • Left/right audio power amplifier
  • Nca
  • Off
  • Pneumatic system equipment control module
  • Pnk/red
  • Pse control module, radio
  • Pulse module, engine/ifi control module
  • Rear fuse box
  • Rear window sunshade switch, front heated seat control module, left front seat belt solenoid, right front seat belt solenoid
  • Red
  • Relay module, starter, generator
  • Remote central locking control module
  • Right front electronic seat adjustment control module
  • Run
  • Sliding/pop-up roof switch, sliding/pop-up roof
  • Start
  • Telephone transmitter/ receiver
  • Terminal block (x12/5) (left front door sill)
  • Terminal block (x4) (left footwell)
  • Transmission range switch, ifi control module relay module illumination module

БЛОК УПРАВЛЕНИЯ КУЗОВОМ

Электросхема блока управления кузовом для Mercedes-Benz E420 1997

Электросхема блока управления кузовом для Mercedes-Benz E420 1997 - Список элементов:

  • A/c system
  • Asr/sps control module or ets/sps control module or esp/sps control module (right rear of eng compt)
  • Combination control module
  • Computer data lines system
  • Data link connector (left rear of engine compt)
  • Door locks system
  • Exterior lights system
  • Fuse 15a
  • Fuse 30a
  • Fuse 7.5a
  • Fuse and relay box
  • G203 (right footwell)
  • Hot at all times
  • Hot in acc run or start
  • Interior lights system
  • Interior lights system (door jamb switches)
  • Memory system
  • Module box blower motor
  • Nca
  • Power tops system
  • Power windows system
  • Rear fuse box
  • Red
  • Wiper/washer system

БЛОКИРОВКИ СЕЛЕКТОРА СТОЯНОЧНЫЙ ТОРМОЗ

Электросхема блокировки селектора для Mercedes-Benz E420 1997

Электросхема блокировки селектора для Mercedes-Benz E420 1997 - Список элементов:

  • Fuse 15 15a
  • Fuse and relay box
  • Hot in run or start
  • Illumination control module
  • R/p lock solenoid (on gear shift selector assembly)
  • Stop lamp switch
  • Terminal block (x21/1) (right front door sill)
  • Transmission control module

ВНЕШНЕЕ ОСВЕЩЕНИЕ

Электросхема заднего хода для Mercedes-Benz E420 1997

Электросхема заднего хода для Mercedes-Benz E420 1997 - Список элементов:

  • Back- up
  • G202 (behind instrument cluster)
  • G404 (behind left taillamp)
  • Hot at all times
  • Hot in run or start
  • Illumination control module (left side of dash)
  • Left taillamp unit
  • Pnk/red
  • Red
  • Right taillamp unit
  • Starter lock-out/ backup lamp switch
  • Terminal block (x12/5) (left front door sill)
  • Terminal block (x4) (left footwell)

Электросхема внешнего освещения для Mercedes-Benz E420 1997

Электросхема внешнего освещения для Mercedes-Benz E420 1997 - Список элементов:

  • (behind instrument cluster) g202
  • Acc
  • Anti-lock brake system
  • Back- up
  • Back-up lights system
  • Center high mounted stop lamp
  • Cockpit switch group
  • Combination control module
  • Combination switch
  • Exterior lamp failure ind
  • Fog
  • Fuse 15a
  • Fuse and relay box
  • G102 (left front wheelhousing)
  • G102 (left wheel housing)
  • G103 (right front wheelhousing)
  • G202 (behind instrument cluster)
  • G301 (right front seat crossmember)
  • G404 (behind left taillamp)
  • Hazard switch
  • Hot at all times
  • Hot in run or start
  • Ignition switch
  • Illumination control module (left side of dash)
  • Instrument cluster
  • Interior lights system
  • Left license plate lamp
  • Left side marker lamp
  • Left taillamp unit
  • Left turn ind
  • Left turn signal/ side marker lamp
  • Nca
  • Off
  • Pneumatic system equipment control module
  • Pnk/red
  • Pulse module
  • Red
  • Right license plate lamp
  • Right side marker lamp
  • Right taillamp unit
  • Right turn ind
  • Right turn signal/ side marker lamp
  • Run
  • Start
  • Stop lamp switch
  • Stop/ tail
  • Tail/ park
  • Terminal block (x12/5) (left front door sill)
  • Terminal block (x4) (left footwell)
  • Turn
  • Turn signal switch

ВНУТРЕННЕЕ ОСВЕЩЕНИЕ

Электросхема подсветки для Mercedes-Benz E420 1997

Электросхема подсветки для Mercedes-Benz E420 1997 - Список элементов:

  • Combination control module
  • Front dome lamp
  • Fuse 15a
  • G203 (right footwell)
  • G300 (left front seat crossmember)
  • G301 (right front seat crossmember)
  • G404 (behind left taillamp)
  • Hot at all times
  • Instrument cluster
  • Instrument illumination circuit
  • Left "d" pillar interior lamp (wagon)
  • Left front door entrance/ exit lamp
  • Left front door switch
  • Left rear door entrance/ exit lamp
  • Left rear door switch
  • Left sun visor light
  • Pneumatic system equipment control module
  • Rear dome lamp (sedan)
  • Rear fuse box
  • Right "d" pillar interior lamp (wagon)
  • Right front door entrance/ exit lamp
  • Right front door switch
  • Right rear door entrance/ exit lamp
  • Right rear door switch
  • Right sun visor light
  • Trunk lamp (sedan)
  • Trunk lamp switch (sedan)

Электросхема подсветки приборов для Mercedes-Benz E420 1997

Электросхема подсветки приборов для Mercedes-Benz E420 1997 - Список элементов:

  • (e300/ e320)
  • (e420)
  • Asr off switch or esp off switch
  • Center air outlet illumination
  • Center console switch group
  • Cluster)
  • Cockpit switch group
  • Combination control module
  • Front cigar lighter
  • Front dome lamp
  • Front heated seat control module
  • G202 (behind instrument cluster)
  • G203 (right footwell)
  • G300 (left front seat crossmember)
  • G301 (right front seat crossmember)
  • Headlamp cleaning system switch
  • Illumination control module (under left side of dash)
  • In-dash controller (cellular telephone)
  • Instrument cluster (e300/e320)
  • Instrument cluster (e420)
  • Left front electronic seat adjustment switch
  • Left rear power window switch
  • Nca
  • Radio
  • Rear window sun shade switch
  • Remote trunk release switch
  • Right air outlet illumination
  • Right front electronic seat adjustment switch
  • Right rear power window switch
  • Sliding/pop-up roof switch
  • Transmission selector lever position illumination

ЗАЗЕМЛЕНИЕ ПОДКЛЮЧЕНИЕ МАССЫ

Электросхема подключение массы заземления для Mercedes-Benz E420 1997

Электросхема подключение массы заземления для Mercedes-Benz E420 1997 - Список элементов:

  • Air pump air pump switchover valve
  • Air pump, ignition coils
  • Asr/ets/esp hydraulic unit emissions sensor left headlamp unit left fog lamp left turn signal/side marker lamp left side marker lamp left auxiliary turn signal lamp windshield washer pump headlamp washer pump engine control module preglow time-limit relay module asr/sps control module ets/sps control module esp/sps/bas control module ads control module brake fluid level switch transmission range switch heated windshield washer system thermoswitch clutch pedal switch transmission overload protection switch hydraulic fluid level switch left front axle vss sensor upshift delay switchover valve transmission mode switchover valve
  • Battery
  • Ctel transmitter-receiver left rear window glass breakage sensor left taillamp unit right taillamp unit left license plate lamp right license plate lamp left/right audio power amplifier left rear door switch trunk lamp switch trailer hitch socket
  • Front dome lamp automatic dimming rear view mirror relay module sliding/pop-up roof ea/cc/isc control module cc/isc control module combination control module kickdown cut-out relay module transmission control module ets/sps control module remote central locking control module parking brake switch sliding/pop-up roof switch remote trunk release switch asr snow chain switch right rear axle vss sensor rtr control valve steering angle sensor clutch pedal switch esp off switch
  • Fuel pump kickdown cut-out relay module rear hs control module stationary heater timer steering angle sensor headlamp range adjustment control module left front seat cushion heater element left front backrest heater element right front seat cushion heater element right front backrest heater element left rear seat cushion heater element left rear backrest heater element right rear seat cushion heater element right rear backrest heater element remote trunk release switch left front door switch comfort sport switch left rear seat heater switch right rear seat heater switch rear window sunshade swicth ata status/towing protection/ir switch trunk lid lock switch left front door/ffs connector transmission mode switchover valve rtr control valve
  • G101 (right front wheelhousing)
  • G102 (left front wheelhousing)
  • G104 (left component compartment)
  • G105 (right component compartment)
  • G112 (left side of engine)
  • G120 (right side of engine)
  • G125 (front of engine)
  • G202 (behind instrument cluster)
  • G203 (right footwell)
  • G206 (behind center of dash)
  • G300 (left front seat crossmember)
  • G301 (right front seat crossmember)
  • G305 (near battery)
  • G404 (behind left taillamp)
  • G999 (left d pillar)
  • Hot film maf sensor engine control module (hfm-sfi) ifi control module ifi/dfi accelerator pedal position sensor ifi electrohydraulic shut-off actuator
  • Hot film maf sensor right headlamp unit right fog lamp right side marker lamp engine control module (hfm-sfi) ifi control module ifi/dfi accelerator pedal position sensor ifi electrohydraulic shut-off actuator
  • Ignition coils
  • Instrument cluster a/c system blower unit fan relay module in-car temperature sensor center air outlet illumination glove compartment lamp illumination control module a/c pushbutton control module cigar lighter parking brake switch switchover valve block right air outlet illumination cockpit switch group
  • Kickdown cut-out relay module left front esa control module right front esa control module steering angle sensor right front door switch right rear door switch center console switch group comfort/sport switch outside rearview mirror swicth left front seat belt buckle/belt comfort feature switch right front seat belt buckle/belt comfort feature switch left front esa switch group right front esa switch group right front door/ffs connector
  • Left side airbag sensor right side airbag sensor srs control module
  • Radio pneumatic system equipment control module right taillamp unit center high mounted stop lamp driver power heated mirror passenger power heated mirror
  • Stationary heater unit right turn signal/side marker lamp right auxiliary turn signal lamp o2s 2 (after twc) fanfare horns alarm horn engine control module (hfm-sfi) ads control module brake fluid level switch engine hood switch left front axle vss sensor
  • Tailgate closing assist left taillamp unit left license plate lamp right license plate lamp center high mounted stop lamp rear window wiper motor rear window defroster element cargo area connector box tailgate ground connector sleeve

Звуковой сигнал Гудок

Электросхема звукового сигнал Гудка для Mercedes-Benz E420 1997

Электросхема звукового сигнал Гудка для Mercedes-Benz E420 1997 - Список элементов:

  • Battery
  • Fan relay
  • Fan switch
  • Fanfare horns
  • Fuse 6 15a
  • G101 (right front wheelhousing)
  • G202 (behind instrument cluster)
  • Horn/airbag clockspring contact
  • Hot in acc, run or start
  • Pnk/red
  • Red
  • Relay module
  • Terminal block (x12/5) (left front door sill)

Магнитола Мультимедия

Электросхемы магнитолы, С усилитель для Mercedes-Benz E420 1997

Электросхемы магнитолы, С усилитель для Mercedes-Benz E420 1997 - Список элементов:

  • Asr/sps control module or ets/sps control module or esp/sps/bas control module
  • Cd changer
  • Ctel interface
  • Fm/am amplifier
  • Fuse & relay box
  • Fuse 13 15a
  • Fuse 16 25a
  • Fuse 5 25a
  • G301 (right front seat crossmember)
  • G402 (behind left taillamp)
  • Hot at all times
  • Hot in acc, run or start
  • Interior lights system
  • Left front door speaker group
  • Left rear axle vss sensor
  • Left rear door speaker
  • Left rear speaker
  • Left/right audio power amplifier
  • Nca
  • Pnk
  • Radio
  • Rear fuse box
  • Rear window antenna
  • Right front door speaker group
  • Right rear door speaker
  • Right rear speaker
  • W/ asr/ ets
  • W/ esp
  • W/ ets

Электросхемы магнитолы, без усилитель для Mercedes-Benz E420 1997

Электросхемы магнитолы, без усилитель для Mercedes-Benz E420 1997 - Список элементов:

  • Asr/sps control module or ets/sps control module or esp/sps/bas control module
  • Cd changer
  • Ctel interface
  • Fm/am amplifier
  • Fuse & relay box
  • Fuse 13 15a
  • Fuse 5 25a
  • G301 (right front seat crossmember)
  • Hot at all times
  • Hot in acc, run or start
  • Interior lights system
  • Left front door speaker
  • Left rear axle vss sensor
  • Left rear door mirror triangle speaker
  • Left rear door speaker
  • Left rear speaker
  • Nca
  • Pnk
  • Radio
  • Rear fuse box
  • Rear window antenna
  • Right front door speaker
  • Right rear door mirror triangle speaker
  • Right rear door speaker
  • Right rear speaker
  • W/ asr/ ets
  • W/ esp
  • W/ ets

Навигация GPS Парктроники

схема Parktronic для Mercedes-Benz E420 1997

схема Parktronic для Mercedes-Benz E420 1997 - Список элементов:

  • (for trailer)
  • 58l
  • Asr/sps control module or esp/sps/bas control module or ets/sps control module
  • Data link connector
  • Diag
  • Exterior lights system
  • F data
  • Front bumper pts sensor assembly
  • Front fuse/ relay box (left rear of engine compt)
  • Fuse 15a
  • Fuse 7.5a
  • G300 (left front seat cross- member)
  • G300 (left front seat crossmember)
  • Hot in run or start
  • Interior lights system
  • On/off
  • Pts on/off switch
  • Pts warning indicator (center instrument panel air outlet)
  • Pts warning indicator (left instrument panel air outlet)
  • Pts warning indicator (rear dome lamp)
  • Rear bumper pts sensor assembly
  • Sensor 10r
  • Sensor 1f
  • Sensor 2f
  • Sensor 3f
  • Sensor 4f
  • Sensor 5f
  • Sensor 6f
  • Sensor 7r
  • Sensor 8r
  • Sensor 9r
  • Transmission system (back-up signal)
  • Ultrasonic pts control module
  • Vehicles built after march 1997
  • Vehicles built before march 1997
  • Vss rf

ПАССИВНЫЕ ОГРАНИЧЕНИЯ

схема особенности комфорта ремня безопасности для Mercedes-Benz E420 1997

схема особенности комфорта ремня безопасности для Mercedes-Benz E420 1997 - Список элементов:

  • Front fuse/ relay box (left rear of eng compt)
  • Fuse 10a
  • G301 (right front seat crossmember)
  • Hot in acc run or start
  • Left front seat belt buckle/ comfort feature switch
  • Left front seat belt comfort feature solenoid (on seat belt unit)
  • Nca
  • Right front seat belt buckle/ comfort feature switch
  • Right front seat belt comfort feature solenoid (on seat belt unit)

Подогрев стекол и зеркал

Электросхема подогрева стекол и зеркал для Mercedes-Benz E420 1997

Электросхема подогрева стекол и зеркал для Mercedes-Benz E420 1997 - Список элементов:

  • A/c pushbutton control module
  • Combination control module
  • Defog switch
  • Fuse 40a
  • G301 (right front seat crossmember)
  • Hot at all times
  • Pneumatic system equipment control module
  • Rear fuse box
  • Rear window defroster element

ПОДУШКИ БЕЗОПАСНОСТИ AIR BAG

Электросхема подушек безопасности SRS AirBag для Mercedes-Benz E420 1997

Электросхема подушек безопасности SRS AirBag для Mercedes-Benz E420 1997 - Список элементов:

  • (below front of console) g302
  • (left rear of engine compt) data link connector
  • 10d
  • 13c
  • 13d
  • 15r
  • Acc
  • Clock spring
  • Driver airbag squib
  • Driver etr squib
  • Driver seat belt buckle switch
  • Early prod
  • Front fuse/ relay box (left rear of engine compt)
  • Front seat cross member)
  • Fuse 10a
  • Fuse 7.5a
  • G301 (right
  • G302 (below front of console)
  • Hot at all times
  • Hot in run or start
  • Ignition switch
  • Instrument cluster
  • Late prod
  • Left side airbag sensor
  • Left side airbag squib
  • Lower control field control module
  • Nca
  • Not
  • Off
  • Passenger airbag squib
  • Passenger etr squib
  • Passenger seat belt buckle switch
  • Passenger seat occupancy sensor
  • Passenger seat occupancy sensor (w/ automatic child seat recognition)
  • Pins 1 & 2
  • Pins 10 & 11
  • Pins 13 & 14
  • Pins 16 & 17
  • Pins 18 & 19
  • Pins 3 & 4
  • Pins 6 & 7
  • Pnk
  • Pnk/ red
  • Right side airbag sensor
  • Right side airbag squib
  • Run
  • Shorting bar
  • Srs indicator
  • Start
  • Terminal block (x12/5) (left front door sill)
  • Used
  • W/ auto child seat recognition
  • W/o auto child seat recognition

ПРИБОРНАЯ ПАНЕЛЬ

Электросхема панели приборов для Mercedes-Benz E420 1997

Электросхема панели приборов для Mercedes-Benz E420 1997 - Список элементов:

  • (behind instrument cluster)
  • 1996 e300
  • 1996 e320 & 1997 e420
  • 1a1
  • 1a10
  • 1a11
  • 1a12
  • 1a13
  • 1a18
  • 1a2
  • 1a3
  • 1a4
  • 1a5
  • 1a6
  • 1a7
  • 1a8
  • 1a9
  • 1b1
  • 1b11
  • 1b12
  • 1b2
  • 1b3
  • 1b4
  • 1b5
  • 1b6
  • 1b7
  • 1b8
  • 2a1
  • 2a2
  • 2b1
  • 2b2
  • 2c1
  • 2c2
  • 2d2
  • 2h1
  • 2l2
  • 2l3
  • 2l4
  • 2l5
  • 2m1
  • 2m2
  • A/c system
  • A/d
  • Abs ind
  • Anti-lock brake system
  • Anti-lock brakes system
  • Brake fluid level switch
  • Charge ind
  • Charging system
  • Check engine ind
  • Data link connector (left rear of engine compt)
  • Door locks system
  • Ect gauge
  • Engine control module (hfm-sfi)
  • Engine controls system
  • Engine coolant level switch
  • Engine coolant temperature sensor
  • Ets/asr malfunction ind
  • Ets/asr warning lamp
  • Exterior lamp failure ind
  • Exterior lights system
  • Fuel gauge
  • Fuel level sensor
  • Fuel reserve ind
  • Fuse 4 10a
  • Fuse 7 15a
  • Fuse and relay box
  • G102 (left wheel- housing)
  • G103 (right wheel- housing)
  • G202
  • G202 (behind instrument cluster)
  • G203 (right footwell)
  • G300 (left front seat crossmember)
  • High beam ind
  • Hot at all times
  • Hot in acc, run or start
  • Hot in run or start
  • Ifi control module
  • Ignition switch
  • Instrument cluster
  • Instrument illumination (4 bulbs)
  • Interior lights system
  • Key-in ignition switch
  • Left front brake pad wear sensor
  • Left front door switch
  • Left turn ind
  • Low brake fluid/ parking brake indicator lamp
  • Min
  • Multi-function display illum (red)
  • Nca
  • Oil level switch
  • Outside temperature indicator temperature sensor
  • Parking brake switch
  • Pnk
  • Preglow ind (e300)
  • Right front brake pad wear sensor
  • Right rear brake pad wear sensor
  • Right turn ind
  • Speedo- meter
  • Srs ind
  • Tacho- meter
  • Warning buzzer
  • Windshield washer fluid level switch

ПРИВОД ЗЕРКАЛ

Электросхема автозатемнения зеркала заднего вида для Mercedes-Benz E420 1997

Электросхема автозатемнения зеркала заднего вида для Mercedes-Benz E420 1997 - Список элементов:

  • Automatic dimming inside rearview mirror
  • Electrically adjustable and heated driver-side outside rearview mirror
  • Front dome lamp
  • Fuse 15a
  • Fuse and relay box
  • G203 (right footwell)
  • Hot in run or start
  • Illumination control module (left side of dash)
  • Pnk/red
  • Starter lock-out/ backup lamp switch

ПРИВОД ЛЮКА И КРЫШИ

Электросхемы привода люка или крыши для Mercedes-Benz E420 1997

Электросхемы привода люка или крыши для Mercedes-Benz E420 1997 - Список элементов:

  • Combination control module
  • Fuse 25a
  • G203 (right footwell)
  • Hot at all times
  • Interior lights system
  • Rear fuse box
  • Sliding/pop-up roof
  • Sliding/pop-up roof switch

ПРИВОД СТЕКЛОПОДЪЕМНИКОВ

Электросхема стеклоподъемников для Mercedes-Benz E420 1997

Электросхема стеклоподъемников для Mercedes-Benz E420 1997 - Список элементов:

  • Center console switch group
  • Combination control module
  • Data link connector (left rear of engine compt)
  • Fuse 1 30a
  • Fuse 2 30a
  • G203 (right footwell)
  • Hot at all times
  • Interior lights system
  • Left front power window motor
  • Left rear power window motor
  • Left rear power window switch
  • Rear fuse box
  • Right front power window motor
  • Right rear power window motor
  • Right rear power window switch
  • Safety switch

Электросхема шторки заднего стекла для Mercedes-Benz E420 1997

Электросхема шторки заднего стекла для Mercedes-Benz E420 1997 - Список элементов:

  • Fuse 10a
  • Fuse and relay box
  • G300 (left front seat crossmember)
  • Hot in on or start
  • Interior lights system
  • Rear window sun shade motor
  • Rear window sun shade switch

Противоугонная система Сигнализация

Электросхема противоугонной сигнализации для Mercedes-Benz E420 1997

Электросхема противоугонной сигнализации для Mercedes-Benz E420 1997 - Список элементов:

  • (right wheel housing) g101
  • Alarm horn
  • Cockpit switch group
  • Computer data lines
  • Engine hood switch
  • Fuse 40a
  • G101 (right wheel- housing)
  • G200 (behind instrument cluster)
  • G300 (left front seat crossmember)
  • G301 (right front seat crossmember)
  • G404 (behind left taillamp)
  • Hot at all times
  • Illumination control module (left side of dash)
  • Instrument cluster system
  • Left front door switch
  • Left rear door switch
  • Pneumatic system equipment control module
  • Radio
  • Rear fuse box
  • Right front door switch
  • Right rear door switch
  • Stop lamp switch
  • Trunk lamp
  • Trunk lamp switch

СИСТЕМА АНТИБЛОКИРОВОЧНОЙ ТОРМОЗНОЙ СИСТЕМЫ ABS

Электросхема антиблокировочной тормозной системы АБС (ABS), С Ускоряющее Регулирование Промаха (1 из 2) для Mercedes-Benz E420 1997

Электросхема антиблокировочной тормозной системы АБС (ABS), С Ускоряющее Регулирование Промаха (1 из 2) для Mercedes-Benz E420 1997 - Список элементов:

  • (left wheel housing)
  • Asr off switch
  • Asr/sps control module
  • Combination control module
  • Computer data lines system
  • Data link connector
  • Ets/ asr relay
  • Ets/asr malfunction ind
  • Fuse 15a
  • G102
  • G203 (right footwell)
  • Headlamp range adjustment control module
  • Hot at all times
  • Instrument cluster
  • Interior lights system
  • Left front axle vss speed sensor
  • Left front brake pad wear sensor
  • Left rear axle vss speed sensor
  • Nca
  • Pnk/red
  • Radio
  • Red
  • Relay module
  • Right front axle vss speed sensor
  • Right front brake pad wear sensor
  • Right rear axle vss speed sensor
  • Right rear brake pad wear sensor
  • Terminal block (x12/3) (left rear of engine compt)
  • Terminal block (x12/5) (left front door sill)

Электросхема антиблокировочной тормозной системы АБС (ABS), С Ускоряющее Регулирование Промаха (2 из 2) для Mercedes-Benz E420 1997

Электросхема антиблокировочной тормозной системы АБС (ABS), С Ускоряющее Регулирование Промаха (2 из 2) для Mercedes-Benz E420 1997 - Список элементов:

  • (left wheelhousing) g102
  • Asr/ets/esp hydraulic unit
  • G202 (behind instrument cluster)
  • High pressure/ return pump relay module
  • Hot at all times
  • Illumination control module
  • Instrument cluster system
  • Parking brake switch
  • Pulse module
  • Red
  • Stop lamp switch
  • Terminal block (x4) (left footwell)

Электросхема антиблокировочной тормозной системы АБС (ABS), С Электронная программа устойчивости (1 из 2) для Mercedes-Benz E420 1997

Электросхема антиблокировочной тормозной системы АБС (ABS), С Электронная программа устойчивости (1 из 2) для Mercedes-Benz E420 1997 - Список элементов:

  • Abs ind
  • Combination control module
  • Computer data lines system
  • Data link data link connector connector
  • Esp off switch
  • Esp/sps control module
  • Ets/ asr relay
  • Fuse 15a
  • G102 (left wheelhouse)
  • G203 (right footwell)
  • Headlamp range adjustment control module
  • Hot at all times
  • Instrument cluster
  • Interior lights system
  • Left front axle vss speed sensor
  • Left front brake pad wear sensor
  • Left rear axle vss speed sensor
  • Nca
  • Pnk/red
  • Radio
  • Red
  • Relay module
  • Right front axle vss speed sensor
  • Right front brake pad wear sensor
  • Right rear axle vss speed sensor
  • Right rear brake pad wear sensor
  • Terminal block (x12/3) (left rear of engine compt)
  • Terminal block (x12/5) (left front door sill)

Электросхема антиблокировочной тормозной системы АБС (ABS), С Электронная программа устойчивости (2 из 2) для Mercedes-Benz E420 1997

Электросхема антиблокировочной тормозной системы АБС (ABS), С Электронная программа устойчивости (2 из 2) для Mercedes-Benz E420 1997 - Список элементов:

  • (left wheelhousing)
  • Abs lateral acceleration sensor
  • Asr/esp charging pump
  • Asr/ets/esp hydraulic unit
  • Esp brake pressure sensor
  • Esp yaw rate sensor
  • G102
  • G202 (behind instrument cluster)
  • High pressure/ return pump relay module
  • Hot at all times
  • Illumination control module
  • Instrument cluster system
  • Parking brake switch
  • Pulse module
  • Red
  • Steering angle sensor
  • Stop lamp switch
  • Terminal block (x4) (left footwell)

СИСТЕМА КОНДИЦИОНЕРА

Электросхема кондиционера для Mercedes-Benz E420 1997

Электросхема кондиционера для Mercedes-Benz E420 1997 - Список элементов:

  • (behind cluster) g202
  • (left wheel housing) g104
  • A/c compressor
  • A/c pushbutton control module
  • A/c system blower unit
  • Activated charcoal filter actuator
  • Air control module (left front engine compt)
  • Auxiliary fan
  • Blower motor
  • Blower regulator
  • Combination control module (right rear of engine compt)
  • Coolant circulation pump (right front of engine compt)
  • Data link connec- tor (left rear of eng compt)
  • Duovalve (right rear of engine compt)
  • Ea/cc/isc control module (front passenger's foot plate)
  • Emissions sensor (right rear of engine compt)
  • Engine control module (me-sfi) (right rear of engine compt)
  • Evaporator temperature sensor (left center of dash)
  • Fuse 10a
  • Fuse 20a
  • Fuse 7.5a
  • Fuse and relay box
  • G202 (behind cluster)
  • Heater core temper- ature sensor (behind center of dash)
  • Hot at all times
  • Hot in run and start
  • Ifi control module (right rear of engine compt)
  • In-car temperature sensor (w/ aspirator) (in overhead console)
  • Instument cluster
  • Nca
  • Red
  • Refrigerant pressure sensor (behind left headlight)
  • Refrigerant temperature sensor (left front of engine)
  • Sun sensor (top center of dash)
  • Switchover valve block
  • Terminal block (left footwell)

СИСТЕМА КРУИЗКОНТРОЛЯ

Электросхема системы круизконтроля для Mercedes-Benz E420 1997

Электросхема системы круизконтроля для Mercedes-Benz E420 1997 - Список элементов:

  • Acc
  • Accel/set
  • Cruise control switch
  • Ctrl
  • Ctrl contact
  • Dec
  • Decel/set
  • Engine control module (me-sfi)
  • Information not available
  • Isc actuator
  • Memory/recall
  • Nca
  • Off
  • Res

СИСТЕМА ОХЛАЖДЕНИЯ

Электросхема системы охлаждения для Mercedes-Benz E420 1997

Электросхема системы охлаждения для Mercedes-Benz E420 1997 - Список элементов:

  • 12v
  • A/c pushbutton control module
  • Air control module (left rear corner of engine compt)
  • Auxiliary fan
  • Coolant circulation pump
  • Nca

СИСТЕМА ПЕРЕДАЧИ ДАННЫХ

Электросхема компьютерной линии передачи данных CAN для Mercedes-Benz E420 1997

Электросхема компьютерной линии передачи данных CAN для Mercedes-Benz E420 1997 - Список элементов:

  • (left wheelhousing) g102
  • (right component compt)
  • A/c pushbutton control module
  • Asr/sps control module/ ets/sps control module/ esp/sps control module
  • Body acceler- ation sensor (e420)
  • Can h
  • Can ih
  • Can il
  • Can l
  • Cc/isc control module (e320)
  • Combination control module
  • Data link connector (dtc readout) (left rear of engine compt)
  • Diag
  • Diagnostic module test connector
  • E300
  • E300/e420
  • E320
  • E420
  • Ea/cc/isc control module (e320)
  • Engine control module (me-sfi) (e320)
  • Engine control module (me-sfi) (e420)
  • Fuel tank pressure sensor (e420)
  • Fuse 10a
  • Fuse 15a
  • Fuse 7.5a
  • Fuse and relay box
  • G105
  • G105 (right component compt)
  • Hot at all times
  • Hot in run or start
  • Ifi control module (e300)
  • Illumination control module
  • Instrument cluster
  • Ir das control module
  • Left front esa control module
  • Pneumatic system equipment control module
  • Rcl control module
  • Relay module
  • Right front esa control module
  • Srs control module (center of dash)
  • Transmission control module
  • Ultrasonic pts control module
  • W/ esp
  • W/o esp

СИСТЕМА УПРАВЛЕНИЯ ДВИГАТЕЛЯ


4.2L

4.2L, Электросхема системы управления двигателя (1 из 3) для Mercedes-Benz E420 1997

4.2L, Электросхема системы управления двигателя (1 из 3) для Mercedes-Benz E420 1997 - Список элементов:

  • (right component compt) g105
  • +5v
  • 30z
  • 87m1
  • 87z
  • A/c system
  • Acc
  • Anti-lock brake system
  • Bls
  • Body
  • Body acceleration sensor
  • Can h
  • Can l
  • Computer data lines system
  • Control
  • Cruise control system
  • Data link connector (dtc readout)
  • Dec
  • Diag
  • Diagnostic module (obd ii)
  • Engine control module (me-sfi)
  • F pump
  • F tank pres
  • Generic scan tool connector
  • Instrument cluster
  • Left oxygen sensor 1 (before twc)
  • Left oxygen sensor 2 (after twc)
  • Mux
  • Nca
  • O2s com
  • O2s htr
  • O2s l
  • O2s r
  • Off
  • Oil lev
  • Oil level switch
  • Pedal value sensor
  • Purge
  • Red
  • Res
  • Right oxygen sensor 1 (before twc)
  • Right oxygen sensor 2 (after twc)
  • Signal
  • Stop lamp switch
  • Tna out
  • Transmission control system
  • Vnt sht off
  • Vss-lf
  • Vss-lr

4.2L, Электросхема системы управления двигателя (2 из 3) для Mercedes-Benz E420 1997

4.2L, Электросхема системы управления двигателя (2 из 3) для Mercedes-Benz E420 1997 - Список элементов:

  • Activated charcoal canister shut-off valve
  • Air pump
  • Air pump relay
  • Air pump switchover valve
  • Battery
  • Camshaft hall-effect sensor
  • Ckp sensor
  • Ea/cc/isc actuator
  • Fuel pump
  • Fuel pump relay
  • Fuel tank pressure sensor
  • Fuse 15a
  • Fuse 40a
  • G105 (right component compartment)
  • G120 (right side of engine)
  • G206 (right footwell)
  • G300 (left front seat crossmember)
  • Hot film maf sensor
  • Hot in run or start
  • Left adjustable camshaft timing solenoid
  • Motor m1/m2 relay
  • Nca
  • Pnk/red
  • Purge control valve
  • Red
  • Relay module
  • Right adjustable camshaft timing solenoid
  • Terminal block (x12/5)

4.2L, Электросхема системы управления двигателя (3 из 3) для Mercedes-Benz E420 1997

4.2L, Электросхема системы управления двигателя (3 из 3) для Mercedes-Benz E420 1997 - Список элементов:

  • Air pump
  • Air so vlv
  • Ckp
  • Cmp
  • Coil 1
  • Coil 2
  • Coil 3
  • Coil 4
  • Coil 5
  • Coil 6
  • Coil 7
  • Coil 8
  • Com
  • Dm pressure sensor
  • Ect
  • Ect sensor
  • Engine control module (me-sfi)
  • Fuel injectors
  • Fuse 15a
  • Fuse and relay box
  • G112 (left side of engine)
  • G120 (right side of engine)
  • Hfm+
  • Hfm-
  • Hot in run or start
  • Iat
  • Iat sensor
  • Ignition coil 1
  • Ignition coil 2
  • Ignition coil 3
  • Ignition coil 4
  • Ignition coil 5
  • Ignition coil 6
  • Ignition coil 7
  • Ignition coil 8
  • Inj 2
  • Inj 3
  • Inj 4
  • Inj 5
  • Inj 6
  • Inj 7
  • Inj 8
  • Inj1
  • Ks l
  • Ks r
  • L cam
  • Left knock sensor 1
  • Map signal
  • Nca
  • R cam
  • Right knock sensor 2
  • Shield
  • Signal +
  • To spark plug

Система Фар

Электросхема фар, С ксеноновые лампы для Mercedes-Benz E420 1997

Электросхема фар, С ксеноновые лампы для Mercedes-Benz E420 1997 - Список элементов:

  • (behind instrument cluster) g202
  • (left wheel- housing)
  • (right wheel- housing)
  • Acc
  • Asr/sps control module or ets/sps control module
  • Combination switch
  • Data link connector (left rear of engine compt)
  • Front axle sensor (underside of vehicle, on front suspension)
  • Fuse 15a
  • Fuse and relay box
  • G102
  • G102 (left wheel- housing)
  • G103
  • G103 (right wheel- housing)
  • G202 (behind instrument cluster)
  • G300 (left front seat crossmember)
  • Headlamp range adjustment control module (under left side of rear seat)
  • High beam indicator
  • High beam lamp
  • Hot at all times
  • Hot in run and start
  • Ignition switch
  • Illumination control module (left side of dash)
  • Instrument cluster
  • Instrument cluster system
  • Interior lights system
  • Left fog lamp
  • Left headlamp unit
  • Low beam switch
  • Low beam xenon lamp
  • Nca
  • Off
  • Pnk/red
  • Pulse module (left rear corner of engine compartment)
  • Rear axle sensor (underside of vehicle, on rear suspension)
  • Red
  • Right fog lamp
  • Right headlamp unit
  • Run
  • Standing/ parking lamp
  • Start
  • Terminal block (x12/5) (left front door sill)
  • Terminal block (x4) (left footwell)

Электросхема фар, без Ксеноновые лампы для Mercedes-Benz E420 1997

Электросхема фар, без Ксеноновые лампы для Mercedes-Benz E420 1997 - Список элементов:

  • (behind instrument cluster) g202
  • Acc
  • Asr/sps control module or ets/sps control module
  • Combination switch
  • Fuse 15a
  • Fuse and relay box
  • G102 (left wheelhousing)
  • G103 (right wheelhousing)
  • G202 (behind instrument cluster)
  • Hi beam lamp
  • High beam indicator
  • Hot at all times
  • Hot in run and start
  • Ignition switch
  • Illumination control module (left side of dash)
  • Instrument cluster
  • Instrument cluster system
  • Interior lights system
  • Left fog lamp
  • Left headlamp unit
  • Lo beam lamp
  • Low beam switch
  • Nca
  • Off
  • Pnk/red
  • Pulse module (left rear corner of engine compartment)
  • Red
  • Right fog lamp
  • Right headlamp unit
  • Run
  • Standing park lamp
  • Start
  • Terminal block (x12/5) (left front door sill)
  • Terminal block (x4) (left footwell)

СИСТЕМЫ ПАМЯТИ

Электросхема памяти (1 из 2) для Mercedes-Benz E420 1997

Электросхема памяти (1 из 2) для Mercedes-Benz E420 1997 - Список элементов:

  • (right front seat cross- member)
  • (right front seat cross- member) g301
  • (right front seat crossmember)
  • (right front seat crossmember) g301
  • Backrest fore/aft switch
  • Center console switch
  • Fore/aft switch
  • Front raise/lower switch
  • Fuse 15a
  • Fuse 25a
  • Fuse 30a
  • Fuse and relay box
  • G301
  • Head restraint switch
  • Heated power driver's side mirror
  • Heated power passenger's side mirror
  • Hot at all times
  • Hot in acc, run or start
  • Illumination (3 led's)
  • Interior lights system
  • Left front backrest fore/aft motor
  • Left front electronic seat adjustment control module
  • Left front electronic seat adjustment switch
  • Left front seat fore/aft motor
  • Left front seat front raise/lower motor
  • Left front seat rear raise/lower motor
  • Left head restraint raise/lower motor
  • Memory 1 switch
  • Memory 2 switch
  • Memory 3 switch
  • Memory store switch
  • Mirror horiz switch
  • Mirror l/r switch
  • Mirror vert switch
  • Rear fuse box
  • Rear raise/lower switch
  • Red
  • Steering column in/out switch
  • Steering column up/down switch

Электросхема памяти (2 из 2) для Mercedes-Benz E420 1997

Электросхема памяти (2 из 2) для Mercedes-Benz E420 1997 - Список элементов:

  • (right front seat cross- member)
  • (right front seat crossmember)
  • Backrest fore/aft switch
  • Combination control module
  • Electric steering column motor
  • Fore/aft switch
  • Front raise/lower switch
  • Fuse 25a
  • G301
  • Head restraint switch
  • Hot at all times
  • Illumination (3 led's)
  • Interior lights system
  • Memory 1 switch
  • Memory 2 switch
  • Memory 3 switch
  • Memory store switch
  • Rear fuse box
  • Rear raise/lower switch
  • Red
  • Right front backrest fore/aft motor
  • Right front electronic seat adjustment control module
  • Right front electronic seat adjustment switch
  • Right front seat fore/aft motor
  • Right front seat front raise/ lower motor
  • Right front seat rear raise/ lower motor
  • Right head restraint raise/lower motor

СИСТЕМЫ СИДЕНИЙ

Электросхема подогрева сидений для Mercedes-Benz E420 1997

Электросхема подогрева сидений для Mercedes-Benz E420 1997 - Список элементов:

  • Cockpit switch
  • Front heated seat control module
  • Fuse 10a
  • Fuse 20a
  • Fuse and relay box
  • G202 (behind instrument cluster)
  • G300 (left front seat crossmember)
  • Hot at all times
  • Hot in acc, run or start
  • Interior lights system
  • Left front backrest heater element
  • Left front seat cushion heater element
  • Rear fuse box
  • Right front backrest heater element
  • Right front seat cushion heater element

Стартер Генератор

Электросхема Генератора для Mercedes-Benz E420 1997

Электросхема Генератора для Mercedes-Benz E420 1997 - Список элементов:

  • Battery
  • Charge indicator
  • G315 (right rear door sill)
  • Generator
  • Instrument cluster
  • Solid state
  • Starter
  • Terminal block (x4/31) (right footwell)

Электросхема стартера для Mercedes-Benz E420 1997

Электросхема стартера для Mercedes-Benz E420 1997 - Список элементов:

  • Acc
  • Battery
  • Charging circuit
  • Exterior lights system
  • G315 (right rear door sill)
  • Ignition switch
  • Off
  • Pulse module (left rear of engine compt)
  • Red
  • Run
  • Start
  • Starter
  • Terminal block (x4) (left footwell)
  • Terminal block (x4/31) (right footwell)
  • Transmission control module

Стеклоочистители и Стеклоомыватели Дворники

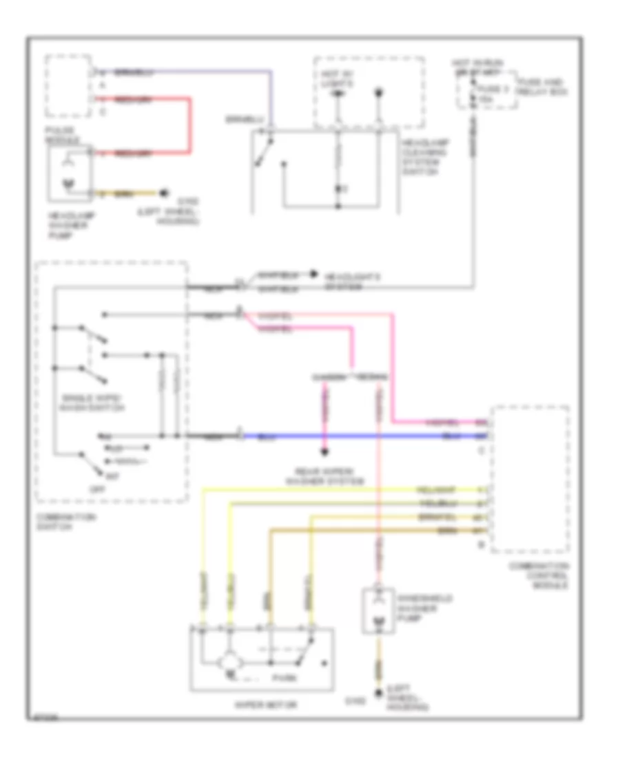
Передняя Схема Шайбы Дворника/Шайбы и Фары для Mercedes-Benz E420 1997

Передняя Схема Шайбы Дворника/Шайбы и Фары для Mercedes-Benz E420 1997 - Список элементов:

  • (left wheel- housing)
  • Combination control module
  • Combination switch
  • Fuse 3 15a
  • Fuse and relay box
  • G102
  • G102 (left wheel- housing)
  • Headlamp cleaning system switch
  • Headlamp washer pump
  • Headlights system
  • Hot in run or start
  • Hot w/ lights on
  • Int
  • Nca
  • Off
  • Park
  • Pulse module
  • Rear wiper/ washer system
  • Sedan
  • Single wipe/ wash switch
  • Wagon
  • Windshield washer pump
  • Wiper motor

ЦЕНТРАЛЬНЫЙ ЗАМОК

Электросхема центрального замка для Mercedes-Benz E420 1997

Электросхема центрального замка для Mercedes-Benz E420 1997 - Список элементов:

  • (left front seat crossmember)
  • (left front seat crossmember) g300
  • (right footwell) g203
  • +12 v
  • +5v
  • Can h
  • Can l
  • Central locking switch
  • Cockpit switch group
  • Combination control module
  • Computer data lines system
  • Data link connector (dtc readout)
  • Diag
  • Fuse 14 7.5a
  • Fuse 17 10a
  • Fuse 5 25a
  • Fuse and relay box
  • G202 (behind instrument cluster)
  • G300
  • G301 (right front seat crossmember)
  • Hot at all times
  • Hot in run or start
  • Interior rear view mirror rcl receiver
  • Ir das control module
  • Led g
  • Led r
  • Left front door ir receiver
  • Left front door switch
  • Lock
  • Nca
  • Pneumatic system equipment control module
  • Rear fuse box
  • Rear head rest unlock switch
  • Remote control locking control module
  • Right front door lock switch
  • Signal
  • Transponder coil
  • Trunk lid ir receiver
  • Trunk lid lock switch
  • Trunk release system
  • Unlock

Не нашел свой автомобиль? смотри здесь -> DiagnostData.com!