WIRING DIAGRAM - ESP - Fiat GRANDE PUNTO 1.3 Multijet
COMPONENTS - ESP - Fiat GRANDE PUNTO 1.3 Multijet
| Component code | Description | Reference to the operation |
| B001 | JUNCTION UNIT | |
| B099 | MAXI FUSE BOX ON BATTERY | |
| C012 | ABS FRONT EARTH | - |
| C015 | DASHBOARD EARTH, DRIVER'S SIDE | - |
| D020 | DASHBOARD/REAR COUPLING | - |
| E050 | INSTRUMENT PANEL | |
| H001 | IGNITION SWITCH | |
| H090 | SWITCH CONTROL PANEL | |
| I030 | BRAKE PEDAL SWITCH | |
| K070 | LEFT FRONT WHEEL SENSOR FOR ABS | |
| K071 | RIGHT FRONT WHEEL SENSOR FOR ABS | |
| K074 | SLEWING SENSOR (VDC) | |
| K075 | LEFT REAR WHEEL SENSOR FOR ABS | |
| K076 | RIGHT REAR WHEEL SENSOR FOR ABS. | |
| M001 | BODY COMPUTER | |
| M050 | ABS CONTROL UNIT |
COMPONENT LOCATION - ESP - Fiat GRANDE PUNTO 1.3 Multijet
| Component code | Description | Reference to the operation |
| B001 | JUNCTION UNIT | |
| B099 | MAXI FUSE BOX ON BATTERY | |
| C012 | ABS FRONT EARTH | - |
| C015 | DASHBOARD EARTH, DRIVER'S SIDE | - |
| D020 | DASHBOARD/REAR COUPLING | - |
| E050 | INSTRUMENT PANEL | |
| H001 | IGNITION SWITCH | |
| H090 | SWITCH CONTROL PANEL | |
| I030 | BRAKE PEDAL SWITCH | |
| K070 | LEFT FRONT WHEEL SENSOR FOR ABS | |
| K071 | RIGHT FRONT WHEEL SENSOR FOR ABS | |
| K074 | SLEWING SENSOR (VDC) | |
| K075 | LEFT REAR WHEEL SENSOR FOR ABS | |
| K076 | RIGHT REAR WHEEL SENSOR FOR ABS. | |
| M001 | BODY COMPUTER | |
| M050 | ABS CONTROL UNIT |
DESCRIPTION - ESP - Fiat GRANDE PUNTO 1.3 Multijet
The ABS electronic anti-lock braking system regulates the braking pressure transmitted to the wheels, preventing them from losing grip whatever the tyre and road conditions.It is linked to the ESP (Electronic Stability Program) system which controls the stability of the vehicle, intervening, if necessary, on the drive torque and braking the wheels in a differentiated manner: If grip is lost, it helps to restore the vehicle to the correct trajectory. The most comprehensive versions of the ABS control unit also implements ESP (Electronic Stability Program) and ASR (Anti Slip Regulation) functions in addition to the HH "Hill Holder" function and the HBA (Hydraulic Brake Assist) function.The ESP system also acts on the motor and brakes to generate a stabilising torque when the ABS sensors detect conditions that cause the vehicle to slip. The ESP system has a specific sensor in addition to the ABS sensors: this sensor detects vehicle rotation about the vertical axis and side acceleration (centrifugal force) (yaw sensor); it also uses steering sensor signals from the electric steering control unit supplied via the CAN.With the HH function, a longitudinal acceleration sensor is also used that is built into the yaw sensor. The ESP system also uses information from the pressure sensor that measures pressure in the hydraulic circuit: this sensor is built into the hydraulic control unit.The H.B.A. system aids the driver in emergency braking situations when the brake pedal is activated quickly and in poor load maintenance conditions; the system intervenes when the pressure gradient exceeds a certain level (fast application of brake pedal - emergency braking) multiplying the braking pressure at the wheels applied by the driver thereby producing the maximum deceleration that can be achieved.The ESP system is always combined with the ASR system.The ASR system increases the active safety and stability of the vehicle controlling the slipping of the drive wheels: if slip is caused by the transmission of excessive power, the system cuts in, with the co-operation of the engine management control unit, to reduce engine power output. If, on the other hand, slip is detected at one wheel only, the system cuts in to brake only the slipping wheel by means of the wheel''s modulating solenoid valve.The ASR comes on automatically whenever the engine is started: the system can be switched off using the "ASR OFF) button located in the controls in the centre of the dashboard. When the system is off, a led on the button and a warning light on the control panel come on simultaneously. The ESP function, on the other hand, is switched on automatically each time the engine is started up and cannot be turned off.The Hill Holder system is designed to assist the driver when setting off on an incline. In effect the HH is capable of automatically providing sufficient braking torque to keep the vehicle stationary until the clutch is fully released and the engine toruqe is sufficient to start the vehicle comfortably.The HH is automatically activated when the brake pedal is pressed in conjunction with the following conditions: the vehicle speed equal to zero, the gradient more than 2% and the clutch pedal pressed; the moment the brake pedal is released, with all the other conditions being equal, the Hill Holder keeps the braking system pressurized for 2 seconds to allow the driver to move their foot from the brake pedal to the accelerator pedal without the vehicle slipping backwards and without using the parking brake.Once the accelerator is pressed, the Hill Holder continues to keep the vehicle still for a further 10 seconds or until the engine torque is sufficient to start the vehicle.For more detailsASR/ESP warning light: the warning light flashes when the system cuts in to warn the driver that the ASR system has intervened due to road surface grip conditions. When the control unit detects an error in the ASR or ESP function, it turns on the warning light in fixed mode.The control unit power supply lines are protected by two special fuses located in the engine compartment junction unit; the ignition-operated supply is protected by a specific fuse in the junction unit under the dashboard.
FUNCTIONAL DESCRIPTION - ESP - Fiat GRANDE PUNTO 1.3 Multijet
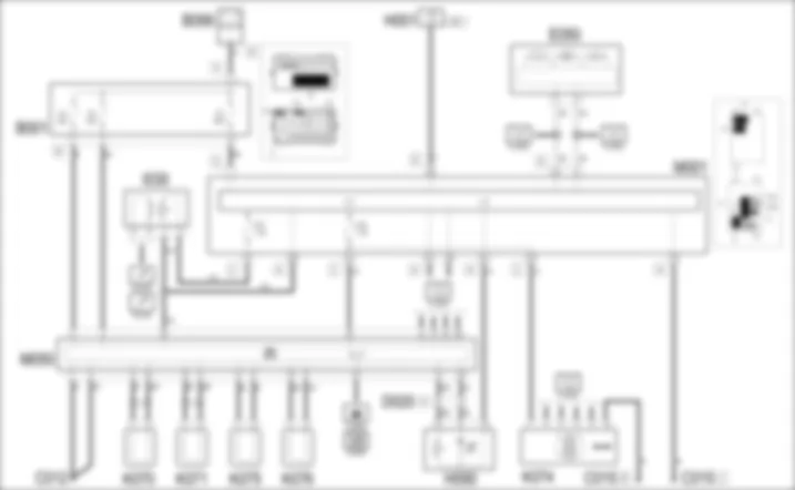
The ABS electronic control unit receives a power supply (at pins 2 and 3) directly from the battery from the line protected by fuses F5 and F4 of the engine compartment junction unit B1.The ignition-controlled power supply (INT) arrives at pin 18 from the line protected by fuse F26 of Body Computer M1.The control unit is earthed at pins 1 and 4.The four sensors K70, K71, K75, K76 send wheel speed signals respectively to pins 5-16, 10-9, 17-6, 19-8 of control unit M50.The brake pedal switch I30 sends an enablement signal to pin 20 of the control unit M50: all intervention of the ABS is excluded unless the brake pedal is pressed (signal from N.O. contact); switch I30 receives an ignition-controlled power supply (INT) from fuse F22 of Body Computer M1.The yaw and lateral and longitudinal acceleration sensor K74 receives an ignition-operated supply (INT) from a line protected by fuse F26 of Body Computer M1 and is connected via the CAN line to ABS control unit M50, to Body Computer M1 and to engine control unit M10.The “ASR OFF” control button on panel H90 sends a deactivation signal to pin 21 of M50, while pin 22 is the origin of a signal that turns on the led - on panel H90 with the system off; the switch of H90 is ignition-operated (INT) from Body Computer M1.The discrete speedometer signal sent to certain systems requiring this information leaves from pin 23 of M50; the same signal is replicated via the CAN.Via the CAN line, ABS control unit M50 is connected - from pins 15 and 26 - to the engine management control unit M10 and, from pins 14 and 25, to the Body Computer M1 and the instrument panel E50, to manage the ABS warning light and, if the problems concern the EBD function, the low brake fluid level/handbrake applied warning light, in addition to the ESP/ASR warning light.

























