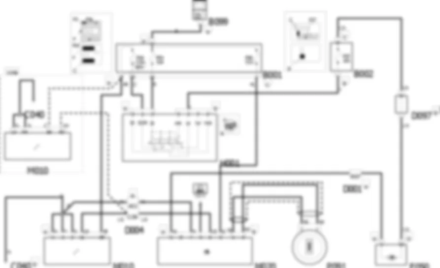
Schema electrique - CODE - Fiat DUCATO 2.8 JTD 8V fino a 02/05
Composants - CODE - Fiat DUCATO 2.8 JTD 8V fino a 02/05
| Code composant | Designation | Reference a l''ensemble |
| B001 | CENTRALE DE DERIVATION DU COMPARTIMENT MOTEUR | |
| B002 | MAXI FUSE D'ALIMENTATION GENERALE | - |
| B099 | BOITE MAXI FUSE SUR BATTERIE | - |
| C040 | MASSE SUR MOTEUR | - |
| D001 | JONCTION AV/PLANCHE DE BORD | - |
| D004 | JONCTION AV / MOTEUR | - |
| D097 | LIAISON DE COURT-CIRCUIT | - |
| E050 | COMBINE DE BORD | |
| H001 | CONTACTEUR A 'CLE | |
| M010 | CENTRALE DE CONTROLE MOTEUR | - |
| M020 | CENTRALE CODE | - |
| P091 | ANTENNE DU SYSTEME FIAT-CODE | - |
| - |
Localisation Composants - CODE - Fiat DUCATO 2.8 JTD 8V fino a 02/05
| Code composant | Designation | Reference a l''ensemble |
| B001 | CENTRALE DE DERIVATION DU COMPARTIMENT MOTEUR | |
| B002 | MAXI FUSE D'ALIMENTATION GENERALE | - |
| B099 | BOITE MAXI FUSE SUR BATTERIE | - |
| C040 | MASSE SUR MOTEUR | - |
| D001 | JONCTION AV/PLANCHE DE BORD | - |
| D004 | JONCTION AV / MOTEUR | - |
| D097 | LIAISON DE COURT-CIRCUIT | - |
| E050 | COMBINE DE BORD | |
| H001 | CONTACTEUR A 'CLE | |
| M010 | CENTRALE DE CONTROLE MOTEUR | - |
| M020 | CENTRALE CODE | - |
| P091 | ANTENNE DU SYSTEME FIAT-CODE | - |
| - |
Description - CODE - Fiat DUCATO 2.8 JTD 8V fino a 02/05
Un systeme de blocage du moteur, appele FIAT CODE 2, a ete adopte afin d''augmenter la protection antivol.Les cles sont dotees d''un dispositif electronique de type "transpondeur" qui transmet un signal code a une centrale electronique specifique, appelee "CODE". Si le code envoye est reconnu, la centrale permet le demarrage du moteur.Le code utilise dans le dialogue, qui se fait par l''intermediaire de l''antenne, change a chaque demarrage ("code tournant"). Par consequent, le code ne peut etre reproduit, meme a l''aide de scanner electronique.La centrale CODE et la centrale de controle du moteur echangent les informations concernant le code memorise par la cle introduite. Si le code de cette cle est correct, la centrale de controle du moteur autorise le demarrage du moteur.Tout le systeme est protege par des fusibles specifiques loges dans la centrale de derivation du compartiment moteur et dans la centrale sous la planche de bord et par un autre maxifusible loge dans la centrale de batterie.
Description du fonctionnement - CODE - Fiat DUCATO 2.8 JTD 8V fino a 02/05
Le contact H001 est alimente sous cle a la broche 2 connecteur A. La ligne est protegee par le maxifusible F70, loge dans la centrale de batterie B099 et par un autre fusible F03, situe dans la centrale du compartiment moteur B001.En tournant le contact sur la position MAR, l''alimentation arrive a la centrale de controle du moteur M010, broche 58 (broche B4 connecteur A pour les motorisations 2.0 Essence), via la ligne protegee par le fusible F16, situe dans la centrale B001.Par l''intermediaire du transpondeur P091, la centrale CODE M020 recoit le code de la cle introduite et elle en verifie la validite en le comparant avec ceux qui ont ete saisis dans sa memoire.Si le code est correct, la centrale CODE M020 autorise la centrale M010 au demarrage immediat du moteur et simultanement commande l''allumage du temoin correspondant situe sur le combine de bord E050, en mettant a la masse la broche 2 de son propre connecteur B.










































































































































