AUTOMOTIVE ELECTRICIANS

Fiat ULYSSE 2.0 16V JTD fino a 04/03 – CODE – – MY 2005 – SCHALTPLAN, EINBAULAGE BAUTEILE, FUNKTIONSBESCHREIBUNG – SCHALTPLAN, EINBAULAGE BAUTEILE, FUNKTIONSBESCHREIBUNG

Fiat ULYSSE 2.0 16V JTD  fino a 04/03 – CODE –  – MY 2005 – SCHALTPLAN, EINBAULAGE BAUTEILE, FUNKTIONSBESCHREIBUNG – SCHALTPLAN, EINBAULAGE BAUTEILE, FUNKTIONSBESCHREIBUNG



Bauteile - CODE - Fiat ULYSSE 2.0 16V JTD fino a 04/03



Bauteil-Nr.BezeichnungBezug zur Baugruppe
B001VERTEILER IM MOTORRAUM
C015MASSE ARMATURENBRETT FAHRERSEITE-
C020MASSE ARMATURENBRETT BEIFAHRERSEITE-
D006VORDERE/HINTERE VERBINDUNG-
D020VERBINDUNG ARMATURENBRETT / HINTEN-
H001Zundschloss
M001BODY COMPUTER
M010MOTORELEKTRONIK
M093ELEKTRONIK KNOTEN LENKRAD (NVO)
P091ANTENNE FUR FIAT-CODE
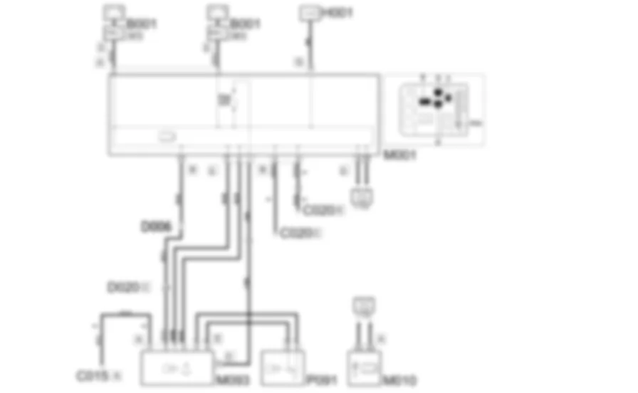
Zur Verbesserung des Schutzes gegen Diebstahlversuche wird eine elektronische Anlasssperre eingesetzt, die “CODE” hei?t.Jedes Mal, wenn der Zundschlussel auf S gedreht wird, deaktiviert das CODE-System die Funktionen der Elektronik zur Motorsteuerung.Bei jedem Anlassen wird beim Drehen des Schlussels auf M von der CODE-Anlage der Motorelektronik ein Erkennungscode zur Entsperrung der Funktionen gesendet.Die Schlussel besitzen einen elektronischen "Transponder", der ein codiertes Signal an die entsprechende Steuerelektronik (in den Body Computer integriert) sendet: Erkennt diese den gesendeten Code, erlaubt sie das Anlassen des Motors.Der beim Datenaustausch uber eine koaxial zum Zundschloss angeordnete Antenne verwendete Code andert sich bei jedem Anlassen ("rolling code"): Der Code kann deshalb auch nicht mit einem elektronischen Scanner reproduziert werden.Die CODE-Elektronik muss den Schlussel im Lenkradschloss erkennen: Er enthalt den geheimen Code, der beim Datenaustausch des Schlussels mit dem Transponder verwendet wird. Im Innern der Elektronik sind alle Codes der freigegebenen Schlussel und der Code gespeichert, der beim Datenaustausch mit der Motorelektronik verwendet wird: Wird der Zundschlussel das erste Mal auf MAR gestellt, wird, wenn der Schlussel korrekt erkannt wurde, dieser Code in die Motorelektronik ubertragen, die dann untrennbar mit der Elektronik verbunden ist. Anschlie?end wird der Code an den Body Computer ubertragen.Der Datenaustausch zwischen den beiden Einheiten erfolgt uber die bidirektionale serielle Leitung.Die Funktion sieht auch die Anzeige des Zustands durch Aufleuchten der Kontrollleuchte "CODE/EOBD" vor, die in die Instrumententafel integriert und uber das CAN-Netz verbunden ist.
Wird der Schlussel in Stellung M gedreht, liefert die Antenne P091 (Pins 4 und 6) der Elektronik Knoten Lenkrad M093 (dieselben Pins des Steckers E) den verschlusselten Code aus dem Innern des Zundschlussels.Die Elektronik M093 (Pin 1 und 3 des Steckers A) ubermittelt den Schlusselcode an den Knoten Body Computer M001 (Pin 5 und 3 des Steckers G) uber das CAN-Netz.Nach der Uberprufung dieser Information kann der Body Computer M001 (Pin 8 und 10 des Steckers D) die Freigabe an die Motorelektronik M010 (Pin A3 und A4 des Steckers A) uber das CAN-Netz ubermitteln.Der Knoten Lenkradelektronik M093 erhalt die Stromversorgung (Pin 5 des Steckers A und Pin 4 des Steckers D) vom Knoten Body Computer M001 (Pin 11 des Steckers B bzw. Pin 1 des Steckers G) uber zwei Leitungen, von denen nur die zweite durch die Sicherung F04 geschutzt ist.



Bauteil-Nr.BezeichnungBezug zur Baugruppe
B001VERTEILER IM MOTORRAUM
C015MASSE ARMATURENBRETT FAHRERSEITE-
C020MASSE ARMATURENBRETT BEIFAHRERSEITE-
D006VORDERE/HINTERE VERBINDUNG-
D020VERBINDUNG ARMATURENBRETT / HINTEN-
H001Zundschloss
M001BODY COMPUTER
M010MOTORELEKTRONIK
M093ELEKTRONIK KNOTEN LENKRAD (NVO)
P091ANTENNE FUR FIAT-CODE

VERTEILER IM MOTORRAUM



B001A



B001A



B001A



B001B



B001B



B001B



B001B



B001B



B001B



B001B



B001C



B001C



B001C



B001C



B001C



B001C



B001C



B001D



B001D



B001D



B001E



B001E



B001F



B001F



B001F



B001F



B001G



B001G



B001G



B001G



B001G



B001G



B001G



MASSE ARMATURENBRETT FAHRERSEITE



C015A



C015A



C015B



MASSE ARMATURENBRETT BEIFAHRERSEITE



C020A



C020A



C020B



C020B



C020C



C020C



C020D



C020D



C020E



C020E



C020F



C020F



VORDERE/HINTERE VERBINDUNG



D006



D006



D006



D006



D006



VERBINDUNG ARMATURENBRETT / HINTEN



D020A



D020A



D020A



D020A



D020A



D020A



D020B



D020B



D020B



D020B



D020C



D020C



D020C



D020C



D020C



D020C



Zundschloss



H001



H001A



H001A



H001A



H001A



H001B



BODY COMPUTER



M001A



M001A



M001B



M001B



M001B



M001B



M001B



M001C



M001C



M001D



M001D



M001D



M001D



M001E



M001E



M001E



M001F



M001F



M001F



M001F



M001G



M001G



M001H



M001H



M001I



M001I



M001L



M001L



M001L



M001L



M001M



M001M



M001M



M001M



M001M



MOTORELEKTRONIK



M010A



M010A



M010A



M010A



M010A



M010A



M010A



M010A



M010A



M010A



M010A



M010B



M010B



M010B



M010B



M010B



M010B



M010C



M010C



M010C



M010C



M010C



M010C



ELEKTRONIK KNOTEN LENKRAD (NVO)



M093A



M093A



M093B



M093B



M093C



M093C



M093D



M093D



M093E



M093F



ANTENNE FUR FIAT-CODE



P091



P091


Can't find your car? Check -> DiagnostData.com!