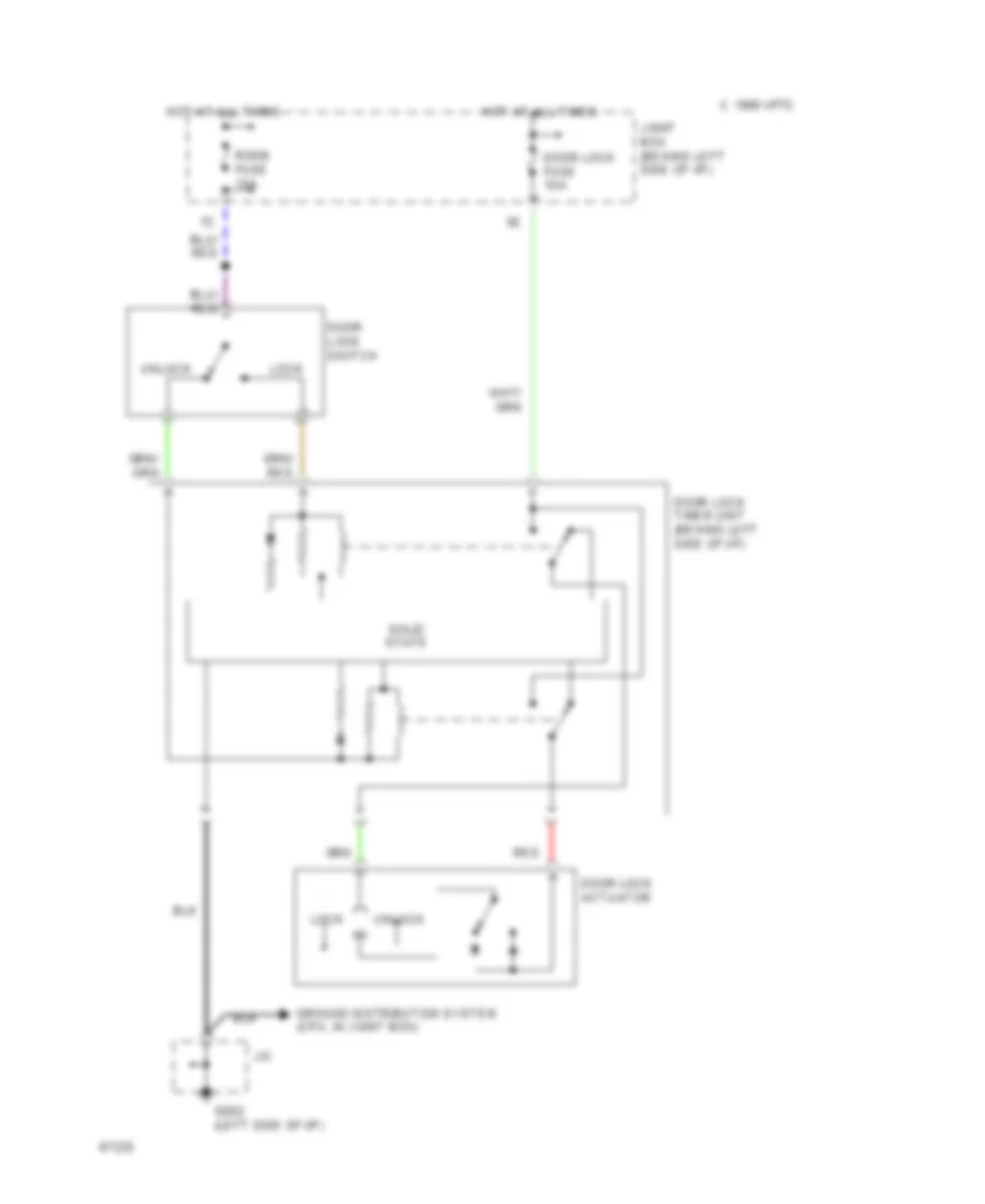
POWER DOOR LOCKS
Power Door Lock Wiring Diagram for Mazda MX-3 1994
List of elements for Power Door Lock Wiring Diagram for Mazda MX-3 1994:
AIR CONDITIONINGANTI-LOCK BRAKESBODY COMPUTERCOOLING FANCOMPUTER DATA LINESENGINE PERFORMANCEDEFOGGERSCRUISE CONTROLEXTERIOR LIGHTSGROUND DISTRIBUTIONHORNHEADLIGHTSINSTRUMENT CLUSTERPOWER MIRRORSINTERIOR LIGHTSPOWER DOOR LOCKSSHIFT INTERLOCKSPOWER DISTRIBUTIONPOWER WINDOWSRADIOPOWER TOP/SUNROOFSTARTING/CHARGINGSUPPLEMENTAL RESTRAINTSTRANSMISSIONWARNING SYSTEMSWIPER/WASHER
