EXTERIOR LIGHTS
Backup Lamps Wiring Diagram, A/T for Acura TL 2013
List of elements for Backup Lamps Wiring Diagram, A/T for Acura TL 2013:
Backup Lamps Wiring Diagram, M/T for Acura TL 2013
List of elements for Backup Lamps Wiring Diagram, M/T for Acura TL 2013:
Exterior Lamps Wiring Diagram (1 of 2) for Acura TL 2013
List of elements for Exterior Lamps Wiring Diagram (1 of 2) for Acura TL 2013:
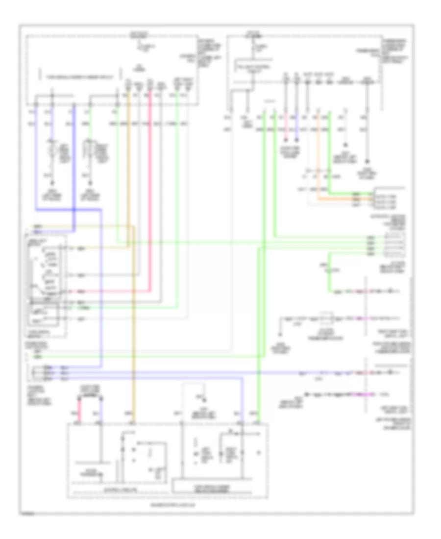
Exterior Lamps Wiring Diagram (2 of 2) for Acura TL 2013
List of elements for Exterior Lamps Wiring Diagram (2 of 2) for Acura TL 2013:


