AUTOMOTIVE ELECTRICIANS

HEADLIGHTS – Acura RSX Type S 2005 – SYSTEM WIRING DIAGRAMS

HEADLIGHTS

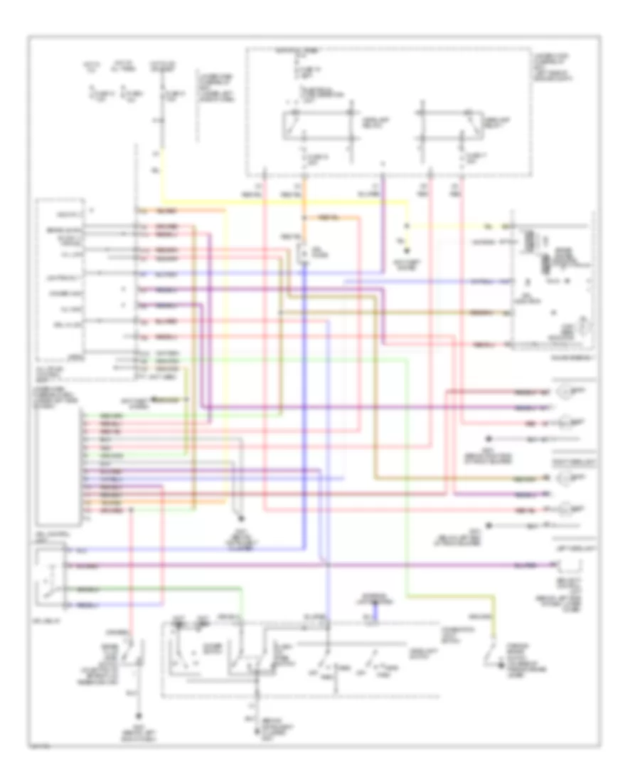
Fog Lamps Wiring Diagram for Acura RSX Type S 2005

Fog Lamps Wiring Diagram for Acura RSX Type S 2005

List of elements for Fog Lamps Wiring Diagram for Acura RSX Type S 2005:

  • (not
  • 20a
  • Combination switch
  • Dimmer switch
  • Flash- to-pass switch
  • Fog light diode (left end of dash)
  • Fog light fuse (under left side of dash)
  • Fog light relay (behind left side of dash)
  • Fog light switch
  • Fog light switch light
  • Fuse 20a
  • Fuse 30a
  • G201 (behind right end of front bumper)
  • G401 (behind instrument cluster)
  • Headlight circuit
  • High
  • Hot at all times
  • Hot w/ headlight switch in park or head
  • Interior lights system
  • Left fog light
  • Low
  • Off
  • On ind
  • Red
  • Right fog light
  • Under-dash fuse/relay box (under left side of dash)
  • Under-hood fuse/relay box (left side of engine compt)
  • Used)

Headlamps Wiring Diagram, with DRL for Acura RSX Type S 2005

List of elements for Headlamps Wiring Diagram, with DRL for Acura RSX Type S 2005:

  • (behind instrument cluster) g401
  • (not used)
  • A14
  • Anti-theft system
  • B+ day lt (fr fog)
  • B11
  • Brake system indicator
  • Brake fluid level switch (on bottom of brake fluid reservoir cap)
  • Brake lev sw
  • Circuit driver
  • Combination light switch
  • Cpu
  • Dimmer high
  • Dimmer switch
  • Driver circuit
  • Drl control unit
  • Drl diode
  • Drl h/l sw
  • Drl indicator
  • Drl relay
  • Electrical load detector unit
  • Exterior lights system
  • F10
  • F11
  • Flash- to- pass switch
  • Fuse 10 7.5a
  • Fuse 12 7.5a
  • Fuse 15 20a
  • Fuse 17 20a
  • Fuse 19 100a
  • Fuse 3 10a
  • G201 (behind right end of front bumper)
  • G301 (below left end of front bumper)
  • G401 (behind instrument cluster)
  • G451 (behind left end of dash)
  • Gauge assembly
  • H/l high
  • H/l low
  • Head
  • Headlamp relay 1
  • Headlamp relay 2
  • Headlight switch
  • High
  • High beam indicator
  • Hot at all times
  • Hot in on
  • Hot in on or start
  • Ig2 day lt
  • K10
  • Left headlight
  • Lighting rly -
  • Low
  • Mpcs
  • Multiplex control unit
  • Off
  • Off park
  • Park
  • Parking brake switch (on base of parking brake lever)
  • Red
  • Right headlight
  • Security control unit (behind left side of dash lower cover)
  • Under-dash fuse/relay box (under left side of dash)
  • Under-hood fuse/relay box (left side of engine compt)

Headlamps Wiring Diagram, without DRL for Acura RSX Type S 2005

List of elements for Headlamps Wiring Diagram, without DRL for Acura RSX Type S 2005:

  • (behind instrument cluster) g401
  • (not used)
  • Combination light switch
  • Dimmer high
  • Dimmer switch
  • Drl h/l sw
  • Electrical load detector unit
  • Exterior lights system
  • Flash-to-pass switch
  • Fuse 15 20a
  • Fuse 17 20a
  • Fuse 19 100a
  • G201 (behind right end of front bumper)
  • G301 (below left end of front bumper)
  • Gauge assembly
  • H/l high
  • Head
  • Headlamp relay 1
  • Headlamp relay 2
  • Headlight switch
  • High
  • High beam indicator
  • Hot at all times
  • Left headlight
  • Lighting rly -
  • Low
  • Multiplex control unit
  • Off
  • Off park
  • Park
  • Red
  • Right headlight
  • Security control unit (behind left side of dash lower cover)
  • Under-hood fuse/relay box (left side of engine compt)
  • Underdash fuse/relay box (under left side of dash)

Can't find your car? Check -> DiagnostData.com!